 |
800系列擺線針輪減速機TX-8(IEC/NEMA輸入中空軸接合機)尺寸 |
 |
| |
詳細介紹: |
發布時間:2006/4/20 13:58:50 |
|
| |
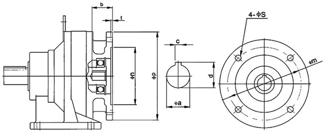
TX-8(IEC/NEMA輸入產中空軸接合器)之尺寸

IEC馬達
|
框號 |
m |
n |
p |
t |
s |
a |
b |
c |
d |
|
63 |
130 |
110 |
160 |
4.5 |
9 |
11 |
23 |
4 |
12.8 |
|
71 |
130 |
110 |
160 |
4.5 |
9 |
14 |
30 |
5 |
16.3 |
|
80 |
165 |
130 |
200 |
4.5 |
11 |
19 |
40 |
6 |
21.8 |
|
90L |
165 |
130 |
200 |
4.5 |
11 |
24 |
50 |
8 |
27.3 |
|
100L,112M |
215 |
180 |
250 |
5 |
14 |
28 |
60 |
8 |
31.3 |
|
132S,132M |
265 |
230 |
250 |
5 |
14 |
38 |
80 |
10 |
41.3 |
|
160M,160L |
300 |
250 |
350 |
6 |
18 |
42 |
110 |
12 |
45.3 |
NEMA馬達
|
框號 |
m |
n |
p |
t |
s |
a |
鍵槽 |
|
56C |
5.88 |
4.5 |
6.69 |
0.20 |
0.43 |
0.625±0.0007 |
3/16×3/32 |
|
143-145TC |
5.88 |
4.5 |
6.69 |
0.20 |
0.43 |
0.875±0.0008 |
3/16×3/32 | |
|
|