 |
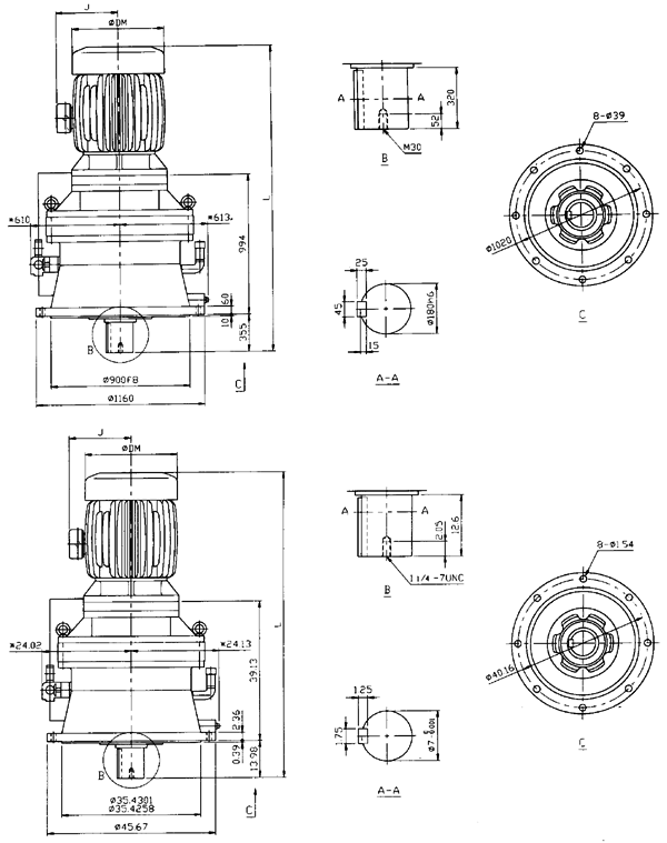
傳仕600系列擺線針輪減速機雙段立式外形尺寸(TDVM623/16、TDVM623/18、TVM624/16、TVM624/18、TVM625/17、TVM625/19、TDVM626/19、TDVM627/19) |
 |
|
詳細介紹: |
發布時間:2007/4/3 14:47:34 |
|
|
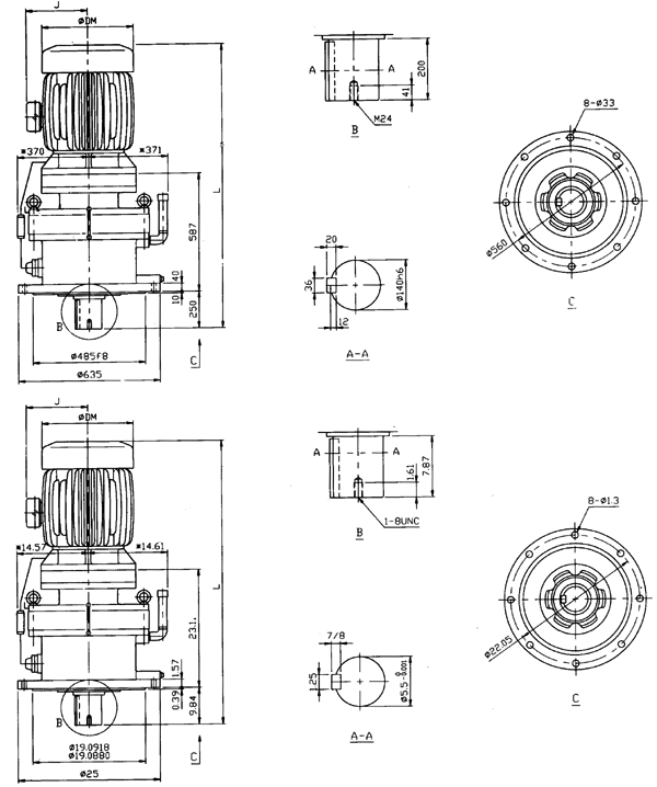
傳仕600系列擺線針輪減速機雙段立式外形尺寸
TDVM-623/16
馬達 |
傳仕擺線
減速馬達 |
公制(mm,kg) |
英制(in,Ibs) |
KW |
HP |
極數 |
L |
J |
DM |
H |
重量 |
L |
J |
DM |
H |
重量 |
2.2 |
3 |
4 |
TDVM3-623/16 |
1092 |
173 |
219 |
|
526 |
42.99 |
6.81 |
8.26 |
|
1157 |
3.7 |
5 |
4 |
TDVM5-623/16 |
1111 |
182 |
238 |
|
548 |
43.74 |
7.17 |
9.37 |
|
1206 |
5.5 |
10 |
4 |
TDVM8-623/16 |
1145 |
219 |
273 |
|
556 |
45.08 |
8.62 |
10.75 |
|
1223 |
7.5 |
10 |
4 |
TDVM10-623/16 |
1183 |
219 |
273 |
|
569 |
46.57 |
8.62 |
10.75 |
|
1252 |
11 |
15 |
4 |
TDVM15-623/16 |
1270 |
256 |
334 |
|
603 |
50.00 |
10.08 |
13.15 |
|
1327 |
15 |
20 |
4 |
TDVM20-623/16 |
1314 |
256 |
334 |
|
622 |
51.73 |
10.08 |
13.15 |
|
1368 |
TDVM-623/18
馬達 |
傳仕擺線
減速馬達 |
公制(mm,kg) |
英制(in,Ibs) |
KW |
HP |
極數 |
L |
J |
DM |
H |
重量 |
L |
J |
DM |
H |
重量 |
7.5 |
10 |
4 |
TDVM10-623/18 |
1226 |
224 |
273 |
|
572 |
48.27 |
8.82 |
10.75 |
|
1258 |
11 |
15 |
4 |
TDVM15-623/18 |
1294 |
256 |
334 |
|
656 |
50.94 |
10.08 |
13.15 |
|
1443 |
15 |
20 |
4 |
TDVM20-623/18 |
1338 |
256 |
334 |
|
661 |
52.68 |
10.08 |
13.15 |
|
1454 |
18.5 |
25 |
4 |
TDVM25-623/18 |
1361 |
305 |
382 |
|
723 |
53.58 |
12.01 |
15.04 |
|
1591 |
22 |
30 |
4 |
TDVM30-623/18 |
1361 |
305 |
382 |
|
723 |
53.58 |
12.01 |
15.04 |
|
1591 |
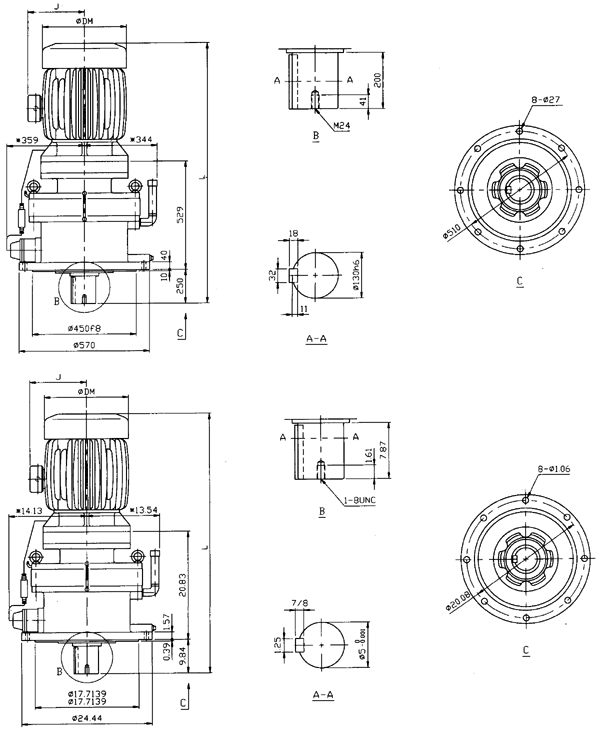
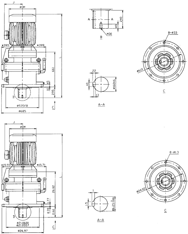
TDVM-624/16
馬達 |
傳仕擺線
減速馬達 |
公制(mm,kg) |
英制(in,Ibs) |
KW |
HP |
極數 |
L |
J |
DM |
H |
重量 |
L |
J |
DM |
H |
重量 |
2.2 |
3 |
4 |
TDVM3-624/16 |
1130 |
173 |
219 |
|
622 |
44.49 |
6.81 |
8.26 |
|
1368 |
3.7 |
5 |
4 |
TDVM5-624/16 |
1149 |
183 |
236 |
|
634 |
45.24 |
7.17 |
9.37 |
|
1395 |
5.5 |
10 |
4 |
TDVM8-624/16 |
1183 |
219 |
273 |
|
650 |
46.57 |
8.62 |
10.75 |
|
1430 |
7.5 |
10 |
4 |
TDVM10-624/16 |
1221 |
219 |
273 |
|
665 |
48.07 |
8.62 |
10.75 |
|
1463 |
11 |
15 |
4 |
TDVM15-624/16 |
1308 |
256 |
334 |
|
697 |
51.50 |
10.08 |
13.15 |
|
1533 |
15 |
20 |
4 |
TDVM20-624/16 |
1352 |
256 |
334 |
|
716 |
53.23 |
10.08 |
13.15 |
|
1575 |
TDVM-624/18
馬達 |
傳仕擺線
減速馬達 |
公制(mm,kg) |
英制(in,Ibs) |
KW |
HP |
極數 |
L |
J |
DM |
H |
重量 |
L |
J |
DM |
H |
重量 |
7.5 |
10 |
4 |
TDVM10-624/18 |
1263 |
224 |
273 |
|
655 |
49.72 |
8.82 |
10.75 |
|
1441 |
11 |
15 |
4 |
TDVM15-624/18 |
1331 |
256 |
334 |
|
688 |
52.40 |
10.06 |
13.15 |
|
1514 |
15 |
20 |
4 |
TDVM20-624/18 |
1375 |
256 |
334 |
|
748 |
54.13 |
10.08 |
13.15 |
|
1646 |
18.5 |
25 |
4 |
TDVM25-624/18 |
1398 |
305 |
382 |
|
812 |
55.04 |
12.01 |
15.04 |
|
1786 |
22 |
30 |
4 |
TDVM30-624/18 |
1398 |
305 |
382 |
|
812 |
55.04 |
12.01 |
15.04 |
|
1786 |
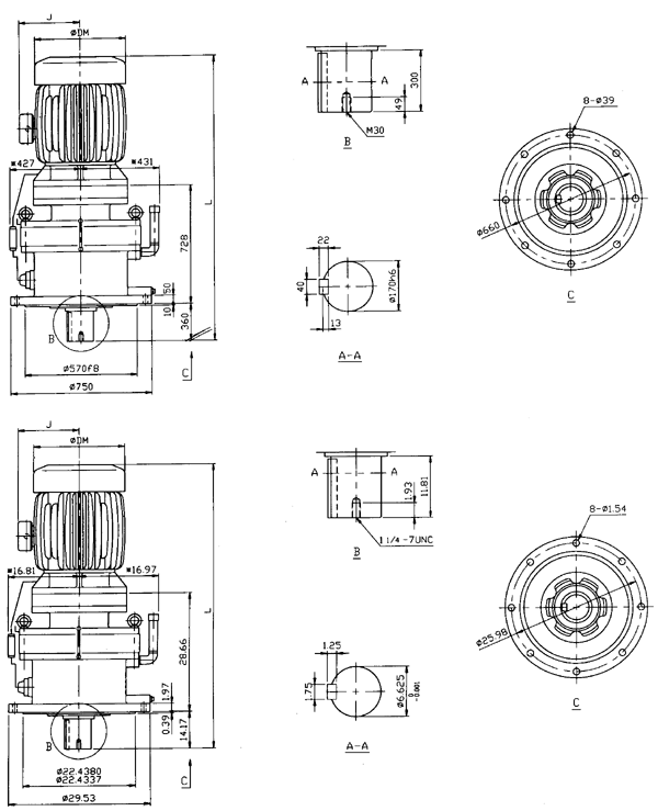
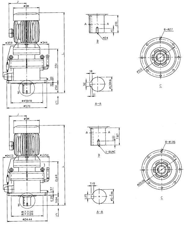
TDVM-625/17
馬達 |
傳仕擺線
減速馬達 |
公制(mm,kg) |
英制(in,Ibs) |
KW |
HP |
極數 |
L |
J |
DM |
H |
重量 |
L |
J |
DM |
H |
重量 |
3.7 |
5 |
4 |
TDVM5-625/17 |
1301 |
182 |
238 |
|
968 |
51.22 |
7.17 |
9.37 |
|
2130 |
5.5 |
10 |
4 |
TDVM8-625/17 |
1335 |
218 |
273 |
|
984 |
52.56 |
8.58 |
10.75 |
|
2165 |
7.5 |
10 |
4 |
TDVM10-625/17 |
1373 |
218 |
273 |
|
993 |
54.06 |
8.58 |
10.75 |
|
2185 |
11 |
15 |
4 |
TDVM15-625/17 |
1448 |
256 |
334 |
|
1035 |
57.01 |
10.08 |
13.15 |
|
2277 |
15 |
20 |
4 |
TDVM20-625/17 |
1492 |
256 |
334 |
|
1041 |
58.74 |
10.08 |
13.15 |
|
2290 |
18.5 |
25 |
4 |
TDVM25-625/17 |
1517 |
305 |
382 |
|
1105 |
59.72 |
12.01 |
15.04 |
|
2431 |
20 |
30 |
4 |
TDVM30-625/17 |
1517 |
305 |
382 |
|
1105 |
59.72 |
12.01 |
15.04 |
|
2431 |
TDVM-625/19
馬達 |
傳仕擺線
減速馬達 |
公制(mm,kg) |
英制(in,Ibs) |
KW |
HP |
極數 |
L |
J |
DM |
H |
重量 |
L |
J |
DM |
H |
重量 |
7.5 |
10 |
4 |
TDVM10-625/19 |
1401 |
224 |
273 |
|
1001 |
55.16 |
8.82 |
10.75 |
|
2202 |
11 |
15 |
4 |
TDVM15-625/19 |
1476 |
261 |
334 |
|
1057 |
58.11 |
10.28 |
13.15 |
|
2325 |
15 |
20 |
4 |
TDVM20-625/19 |
1520 |
261 |
334 |
|
1108 |
59.84 |
10.28 |
13.15 |
|
2438 |
18.5 |
25 |
4 |
TDVM25-625/19 |
1539 |
305 |
382 |
|
1181 |
60.59 |
12.01 |
15.04 |
|
2598 |
22 |
30 |
4 |
TDVM30-625/19 |
1539 |
305 |
382 |
|
1181 |
60.59 |
12.01 |
15.04 |
|
2598 |
30 |
40 |
4 |
TDVM40-625/19 |
1577 |
305 |
382 |
|
1195 |
62.09 |
12.01 |
15.04 |
|
2629 |
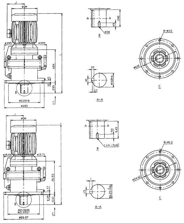
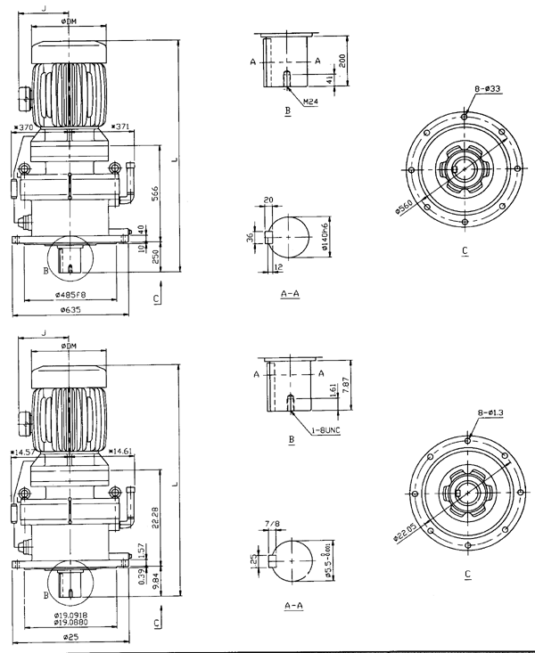
TDVM-626/19
馬達 |
傳仕擺線
減速馬達 |
公制(mm,kg) |
英制(in,Ibs) |
KW |
HP |
極數 |
L |
J |
DM |
H |
重量 |
L |
J |
DM |
H |
重量 |
5.5 |
7.5 |
4 |
TDVM8-626/19 |
1473 |
224 |
273 |
|
1181 |
57.99 |
8.82 |
10.75 |
|
2598 |
7.5 |
10 |
4 |
TDVM10-626/19 |
1511 |
224 |
273 |
|
1193 |
59.49 |
8.82 |
10.75 |
|
2625 |
11 |
15 |
4 |
TDVM15-626/19 |
1586 |
261 |
334 |
|
1324 |
62.44 |
10.28 |
13.15 |
|
2913 |
15 |
20 |
4 |
TDVM20-626/19 |
1630 |
261 |
334 |
|
1374 |
64.17 |
10.08 |
13.15 |
|
3023 |
18.5 |
25 |
4 |
TDVM25-626/19 |
1649 |
305 |
382 |
|
1451 |
64.92 |
12.01 |
15.04 |
|
3192 |
22 |
30 |
4 |
TDVM30-626/19 |
1649 |
305 |
382 |
|
1451 |
64.92 |
12.01 |
15.04 |
|
3192 |
30 |
40 |
4 |
TDVM40-626/19 |
1687 |
305 |
382 |
|
1465 |
66.42 |
12.01 |
15.04 |
|
3223 |
37 |
50 |
4 |
TDVM50-626/19 |
1750 |
339 |
420 |
|
1499 |
68.90 |
13.35 |
16.54 |
|
3298 |
TDVM-627/19
馬達 |
傳仕擺線
減速馬達 |
公制(mm,kg) |
英制(in,Ibs) |
KW |
HP |
極數 |
L |
J |
DM |
H |
重量 |
L |
J |
DM |
H |
重量 |
5.5 |
7.5 |
4 |
TDVM8-627/19 |
1734 |
224 |
273 |
|
2681 |
68.27 |
8.82 |
10.75 |
|
2598 |
7.5 |
10 |
4 |
TDVM10-627/19 |
1772 |
224 |
273 |
|
2713 |
69.76 |
8.82 |
10.75 |
|
5969 |
11 |
15 |
4 |
TDVM15-627/19 |
1847 |
261 |
334 |
|
2740 |
72.72 |
10.28 |
13.15 |
|
6028 |
15 |
20 |
4 |
TDVM20-627/19 |
1891 |
261 |
334 |
|
2759 |
74.45 |
10.08 |
13.15 |
|
6070 |
18.5 |
25 |
4 |
TDVM25-627/19 |
1910 |
305 |
382 |
|
2834 |
75.20 |
12.01 |
15.04 |
|
6235 |
22 |
30 |
4 |
TDVM30-627/19 |
1910 |
305 |
382 |
|
2834 |
75.20 |
12.01 |
15.04 |
|
6235 |
30 |
40 |
4 |
TDVM40-627/19 |
1948 |
305 |
382 |
|
2850 |
76.69 |
12.01 |
15.04 |
|
6270 |
37 |
50 |
4 |
TDVM50-627/19 |
2011 |
339 |
420 |
|
2883 |
79.17 |
13.35 |
16.54 |
|
6343 |
|
|
|