該標準為一級傳動的阿基米德圓柱蝸桿減速器。適用于蝸桿嚙合處滑動速度不大于7.5m/s,蝸桿轉速不超過1500r/min,工作環境溫度為-40~+40℃,并可正、反方向運轉的場合。
1裝配型式和外形尺寸
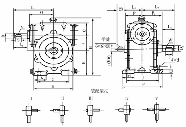
表8-105WD80~WD120型式尺寸(mm)
WD80~WD120減速器安裝尺寸見下表
|
型號 |
a |
B |
C |
D |
D1 |
E |
F |
G |
H |
J |
K |
L |
L1 |
L2 |
L3 |
L4 |
|
WD80 |
80 |
90 |
105 |
20 |
35 |
190 |
200 |
150 |
305 |
160 |
60 |
190 |
50 |
158 |
58 |
90 |
|
WD100 |
100 |
110 |
135 |
25 |
40 |
240 |
210 |
180 |
375 |
170 |
70 |
225 |
60 |
182 |
82 |
100 |
|
WD120 |
120 |
120 |
150 |
30 |
45 |
270 |
220 |
200 |
420 |
180 |
80 |
275 |
80 |
197 |
82 |
110 |
|
型號 |
M |
O |
P |
P1 |
S |
T |
U |
V(b×h) |
W(b×h) |
d |
轉動慣量kg.m2 |
質量kg |
|
WD80 |
60 |
120 |
83.5 |
100 |
40 |
50 |
20 |
6×6 |
10×8 |
18 |
0.265×10~3 |
36.5~38.5 |
|
WD100 |
70 |
145 |
90 |
100 |
40 |
60 |
20 |
8×7 |
12×8 |
18 |
0.84×10~3 |
53~65 |
|
WD120 |
80 |
165 |
102 |
115 |
50 |
60 |
20 |
8×7 |
14×9 |
18 |
1.79×10~3 |
75.4~81.7 |
|
|
|
|
|
|
|
|
|
|
|
|
|
|
|
|
|
|
|
|
|
|
|
|
|
|
|
|
|
表8-106WD150~WD360型式尺寸(mm)
|
型號 |
a |
B |
C |
D |
D1 |
E |
F |
G |
H |
J |
K |
L |
L1 |
L2 |
L3 |
L4 |
|
WD150 |
150 |
150 |
165 |
35 |
65 |
370 |
340 |
310 |
513 |
280 |
100 |
303 |
58 |
315 |
105 |
190 |
|
WD180 |
180 |
180 |
190 |
40 |
70 |
430 |
360 |
360 |
593 |
300 |
120 |
362 |
82 |
345 |
105 |
215 |
|
WD210 |
210 |
210 |
215 |
45 |
80 |
490 |
400 |
400 |
683 |
320 |
140 |
412 |
82 |
385 |
130 |
225 |
|
WD250 |
250 |
250 |
265 |
50 |
90 |
570 |
430 |
440 |
813 |
360 |
160 |
442 |
82 |
395 |
130 |
240 |
|
WD300 |
300 |
300 |
320 |
70 |
120 |
670 |
500 |
520 |
968 |
420 |
200 |
535 |
105 |
465 |
165 |
270 |
|
WD360 |
360 |
360 |
370 |
80 |
150 |
840 |
610 |
650 |
1138 |
440 |
240 |
640 |
130 |
575 |
200 |
340 |
|
型號 |
M |
O |
P |
P1 |
Q |
R |
S |
T |
U |
V(b×h) |
W(b×h) |
d |
轉動慣量kg.m2 |
質量/kg |
|
WD150 |
90 |
230 |
180 |
210 |
455 |
200 |
50 |
100 |
30 |
10×8 |
18×11 |
22 |
3.11×10~3 |
146~163 |
|
WD180 |
90 |
270 |
205 |
240 |
515 |
230 |
60 |
100 |
30 |
12×8 |
20×12 |
22 |
7.63×10~3 |
295~327.5 |
|
WD210 |
100 |
300 |
215 |
255 |
585 |
250 |
70 |
140 |
30 |
14×9 |
22×14 |
22 |
23.50×10~3 |
298~344 |
|
WD250 |
120 |
340 |
225 |
265 |
665 |
270 |
80 |
125 |
40 |
14×9 |
25×14 |
26 |
79×10~3 |
480~513 |
|
WD300 |
150 |
405 |
255 |
300 |
765 |
310 |
90 |
140 |
50 |
20×12 |
32×18 |
32 |
143×10~3 |
771~904 |
|
WD360 |
180 |
490 |
325 |
375 |
905 |
360 |
110 |
180 |
50 |
22×14 |
36×20 |
39 |
223.13×10~3 |
1195~1395 |
|
|
|
|
|
|
|
|
|
|
|
|
|
|
|
|
|
|
|
|
|
|
|
|
|
|
|
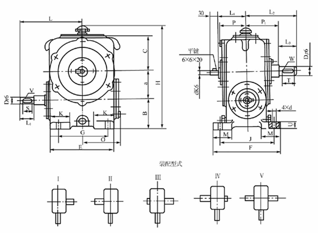
表8-107WS(蝸桿在上)圓柱蝸桿減速器,WS80~WS120型式尺寸(mm)
|
型號 |
a |
B |
C |
D |
D1 |
E |
F |
G |
H |
J |
K |
L |
L1 |
L2 |
L3 |
L4 |
|
WS80 |
80 |
120 |
65 |
20 |
35 |
190 |
200 |
150 |
295 |
160 |
60 |
190 |
50 |
158 |
58 |
90 |
|
WS100 |
100 |
140 |
70 |
25 |
40 |
240 |
210 |
180 |
340 |
170 |
70 |
225 |
60 |
182 |
82 |
100 |
|
WS120 |
120 |
160 |
75 |
30 |
45 |
270 |
220 |
200 |
385 |
180 |
80 |
275 |
80 |
197 |
82 |
110 |
|
型號 |
M |
O |
P |
P1 |
S |
T |
U |
V(b×h) |
W(b×h) |
d |
轉動慣量(kg·m2) |
質量 |
|
WS80 |
60 |
120 |
83.5 |
100 |
40 |
50 |
20 |
6×6 |
10×8 |
18 |
0.265×10-3 |
36.7~39 |
|
WS100 |
70 |
145 |
90 |
100 |
40 |
60 |
20 |
8×7 |
12×8 |
18 |
0.84×10-3 |
53~65 |
|
WS120 |
80 |
165 |
102 |
115 |
50 |
60 |
20 |
8×7 |
14×9 |
18 |
1.79×10-3 |
73.4~79 |
表8-108WS150~WS360型式尺寸(mm)

WS減速器150~360安裝尺及裝配型式
|
型號 |
a |
B |
C |
D |
D1 |
E |
F |
G |
H |
J |
K |
L |
L1 |
L2 |
L3 |
L4 |
M |
N |
|
WS150 |
150 |
210 |
105 |
35 |
65 |
370 |
340 |
310 |
513 |
280 |
100 |
303 |
58 |
315 |
105 |
190 |
90 |
245 |
|
WS180 |
180 |
250 |
125 |
40 |
70 |
430 |
360 |
360 |
603 |
300 |
120 |
362 |
82 |
345 |
105 |
215 |
90 |
250 |
|
WS210 |
210 |
280 |
135 |
45 |
80 |
490 |
400 |
400 |
673 |
320 |
140 |
412 |
82 |
385 |
130 |
225 |
100 |
282 |
|
WS250 |
250 |
330 |
145 |
50 |
90 |
570 |
430 |
440 |
773 |
360 |
160 |
442 |
82 |
395 |
130 |
240 |
120 |
325 |
|
WS300 |
300 |
390 |
165 |
70 |
120 |
670 |
500 |
520 |
903 |
420 |
200 |
535 |
105 |
465 |
165 |
270 |
150 |
385 |
|
WS360 |
360 |
460 |
200 |
80 |
150 |
840 |
610 |
650 |
1068 |
440 |
240 |
640 |
130 |
575 |
200 |
340 |
180 |
470 |
|
型號 |
O |
P |
P1 |
Q |
R |
S |
T |
U |
V |
W |
d |
轉動慣量(kg·m2) |
質量(Kg ) |
|
WS150 |
230 |
180 |
210 |
455 |
200 |
50 |
100 |
30 |
10×8 |
18×11 |
22 |
3.11×10-3 |
146~163 |
|
WS180 |
270 |
205 |
240 |
515 |
230 |
60 |
100 |
30 |
12×8 |
20×12 |
22 |
7.63×10-3 |
263~295.5 |
|
WS210 |
300 |
215 |
255 |
585 |
250 |
70 |
110 |
30 |
14×9 |
22×14 |
22 |
23.50×10-3 |
318~364 |
|
WS250 |
340 |
225 |
265 |
665 |
270 |
80 |
125 |
40 |
14×9 |
25×14 |
26 |
79.00×10-3 |
484~547 |
|
WS300 |
403 |
255 |
300 |
765 |
310 |
90 |
140 |
50 |
20×12 |
32×18 |
32 |
143.00×10-3 |
761~894 |
|
WS360 |
490 |
325 |
375 |
965 |
360 |
110 |
180 |
50 |
22×14 |
36×20 |
39 |
223.13×10-3 |
1290~1450 |