齒輪漸開線樣板
1范圍
本標準規定了齒輪漸開線樣板的型式與尺寸、技術要求、驗收規則及樣板的標記和包裝。
本標準適用于各種型號齒輪漸開線測量儀和齒輪測量中心(以下簡稱為儀器)所使用的漸開線樣板(以下簡稱樣板)。
2引用標準
下列標準所包含的條文,通過在本標準中引用而構成為本標準的條文。本標準出版時,所示版本均為有效。所有標準都會被修訂,使用本標準的各方應探討使用下列標準最新版本的可能性。
GB/T 2821-1992 齒輪幾何要素代號
GB/T 3374-1992 齒輪基本術語
GB/T10095.1-2001漸開線圓柱齒輪 精度 第1部分:輪齒同側齒面偏差的定義和允許值
3定義
本標準采用下列定義
3.1齒輪漸開線樣板
一種性能穩定可靠的標準計量器具(見圖1)。它的漸開線齒面是檢定各種漸開線儀器的標準,用于傳遞齒輪漸開線參數量值、修正儀器示值、確定儀器示值誤差。
圖1 齒輪漸開線樣板
3.2基圓與漸開線齒廓
平面沿著一個固定的圓柱(基圓柱)作純滾動時,該平面上一條定直線(發生線)所展成的軌跡稱為圓柱的漸開線齒面。基圓柱被垂直于軸線的平面所截的圓稱為基圓,基圓半徑以rb表示;漸開線齒面被垂直于基圓柱軸線的平面所截的曲線稱為漸開線齒廓(見圖2)。
3.3 展開長與展開角
漸開線的發生線在基圓上滾過的弧長稱為展開長,以ρ表示,弧長所對應的圓心角稱為展開角,以θ表示(見圖2)。

圖2基圓與漸開線齒廓
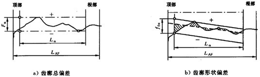
3.4齒廓總偏差
在被測軸截面上(垂直于基圓柱軸線的截面)齒廓評定范圍內,包容實際齒廓線的兩條最近的理論齒廓線(圖中點劃線)間的距離,在理論齒廓線的法線方向計值,以Fα表示(見圖3a)。
3.5平均齒廓線
在被測軸截面上齒廓評定范圍內,由實際齒廓線按“最小二乘法”確定的回歸直線(圖中虛線)稱為平均齒廓線(見圖3b)。
3.6齒廓形狀偏差
在被測軸截面上齒廓評定范圍內,包容實際齒廓線且與平均齒廓線平行的兩條最接近的直線間的距離,在理論齒廓線的法線方向計值,以ffα表示(見圖3b)。
3.7齒廓傾斜偏差
在被測軸截面上,過評定范圍兩端交平均齒廓線a、b兩點的兩條理論齒廓線間的差值稱為齒廓傾斜偏差,以fHa(見圖3c、圖3d)。

圖3 漸開線齒廓誤差
3.8基圓半徑偏差
樣板基圓半徑實測值rbs與設計值rb(或標稱值)之差,以△rb表示:
△rb=rbs-rb
用坐標法測量時,以回歸直線法得到,△rb的計算公式如下:
△r
b=

式中:Δρ——回歸直線上展開長偏差,mm;
θ——展開角,(°)
θi——第i個展開角,(°);
ρi——與第i個展開角相應的展開長,mm;
n——取樣點數。
用比較法測量時,△rb以下式計算:
△r
b=

式中:

——基圓半徑,mm;

——評定范圍內齒廓傾斜偏差,mm;

——評定范圍內齒廓長度,mm。
4 型式與尺寸
4.1漸開線樣板可設計成整體式、裝配式和鑲嵌式。
4.2 漸開線樣板分為一等樣板和二等樣板兩個等級。
4.2.1一等樣板必須為對稱式或左右平衡式。在芯軸兩則對稱位置或芯軸一側應具用兩個設計尺寸相同的異側齒面,并應從基圓開始畫出齒廓偏差曲線。
4.2.2二等樣板可為對稱式或不對稱式,可具有一個或兩個齒面,基圓展開5mm范圍內,應能畫出齒廓偏差曲線。
4.3 樣板齒寬一般大于6mm。
4.4樣板規格尺寸列于表1。
表1樣板規格尺寸 m
基圓半徑rb |
25 |
50 |
60 |
100 |
120 |
150 |
200 |
250 |
300 |
400 |
展開角θ/(°) |
48 |
44 |
42 |
40 |
40 |
36 |
30 |
30 |
27 |
23 |
展開長ρ |
20 |
38 |
44 |
70 |
84 |
94 |
105 |
130 |
140 |
160 |
孔徑d(IT3) |
28 |
32(40) |
34(40) |
45(50) |
軸徑D(IT3) |
軸長L |
(270~300) |
(270~340) |
(300~340) |
(270~500) |
同時允許使用根據生產需要特制的其他尺寸樣板。
5技術要求
5.1裝配試樣板軸、孔應為過盈配合,過盈量2~6μm,孔兩端不平行度應小于2μm,孔端面對孔軸線的垂直度應小于5μm。背緊螺帽采用細牙螺紋。
5.2樣板齒廓面
5.2.1樣板齒廓面展開長度應大于等于表1所列長度。
5.2.2樣板齒廓面形狀偏差應符合表2規定。距齒寬邊緣各1mm范圍內允許蹋邊。
表2齒廓面形狀偏差
基圓半徑rb/mm |
樣板等級 |
一等樣板 |
二等樣板 |
rb≤100 |
≤1.2 |
≤1.5 |
100<rb≤200 |
≤1.5 |
≤2.0 |
200<rb≤300 |
≤2.0 |
≤2.5 |
300<rb≤400 |
≤2.5 |
≤3.0 |
5.2.3齒根齒頂部展開長5mm范圍內不大于表2規定的3倍。
5.3樣板表面粗糙度
樣板表面粗糙度Rα應符合表3的規定。
表3 表面粗糙度要求
位置 |
樣板等級 |
一等樣板 |
二等樣板 |
齒廓面 |
≤0.2 |
頂尖孔 |
≤0.1 |
芯軸外圓 |
≤0.4 |
5.4樣板頂尖孔
樣板頂尖孔圓度、錐角及芯軸外圓相對頂尖孔的全跳動應符合表4規定。
表4頂尖孔要求
誤差項目 |
|
|
一等樣板 |
二等樣板 |
圓度 |
≤0.4μm |
≤0.8μm |
芯軸外圓相對頂尖孔全跳動 |
≤1.0μm |
≤2.0μm |
錐角 |
60°±2′ |
60°±3′ |
5.5基圓半徑偏差±0.1mm。
6 其他要求
6.1樣板體及芯軸均應采用性能穩定的材料制造,如鉻鎢錳鋼(CrWMn)或軸承鋼(GCr15)。
6.2樣板工作面硬度不低于60HRC。
6.3樣板體及芯軸在淬火處理后,均應進行冰冷處理、消除應力處理及去磁處理。
6.4樣板熱處理后應將頂尖孔內的殘余物質清洗干凈,避免日后產生腐蝕,無法使用。
6.5樣板在三個檢定周期內,其基圓半徑的變化量不應超出檢定規程規定的不確定度范圍。
6.6樣板表面應進行防銹處理,保持外形美觀。
7驗收規則
7.1外觀要求:樣板工作面不應有銹蝕、碰傷等影響使用的外觀缺陷,漆表面不應有脫落現象;裝配式樣板螺帽應緊固可靠。
7.2樣板出廠時應具有出廠檢驗合格證。合格證上應注明樣板基圓半徑、齒廓形狀偏差,芯軸外圓相對頂尖孔的全跳動及樣板等級。
7.3樣板使用前,應送到上級計量部門進行檢定。計量部門應根據本標準及相應在檢定規程確定樣板準確度等級,并給出必要參數。
8 標記、包裝和保質期
8.1樣板標記
a)制造廠名或商標;
b)基圓半徑設計值;
c)齒面記號;
d)產品序號、編號和出廠日期。
8.2包裝
8.2.1樣析表面應進行防銹處理。
8.2.2樣板在包裝箱內應穩固可靠,并采取防潮、防震措施。
8.2.3儀器附帶樣板及單獨購買的樣板應具有獨立包裝箱,包裝箱正面應具有如下標志:
a)產品名稱;
b)制造廠;
c)防潮、防震標記;
d)樣板編號。
8.3保質期
8.3.1用戶在購買樣板時,應自行驗收外觀質量,不合格時,一般應在兩個月內及時提出更換。
8.3.2樣板經檢定不合格時,用戶應在自購買之日起一年內向生產廠提出。