雙圓弧圓柱齒輪 基本齒廓
1主題內容與適用范圍
本標準規定了雙圓弧圓柱齒輪的基本齒廓,即基本齒條在法平面內的齒廓。
本標準適用于法向模數mn=1.5~50mm的雙圓弧圓柱齒輪及其傳動。
2引用標準
GB 3374 齒輪基本術語
GB 1840 圓弧圓柱齒輪模數
GB 2821 齒輪幾何要素代號
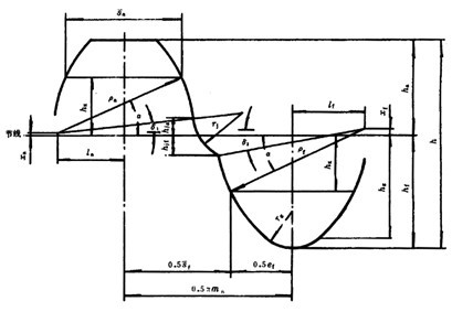
3基本齒廓尺寸參數的代號
α——壓力角
h——全齒高
ha——齒頂高
hf——齒根高
ρa——凸齒齒廓圓弧半徑
ρf——凹齒齒廓圓弧半徑
xa——凸齒齒廓圓心移距量
xf——凹齒齒廓圓心移距量
la——凸齒齒廓圓心偏移量
lf——凹齒齒廓圓心偏移量
Sa——凸齒接觸點處弦齒厚
hK——接觸點到節線的距離
hja——過渡圓弧和凸齒圓弧的切點互節線的距離
hjf——過渡圓弧和凹齒圓弧的交點到節線的距離
ef——凹齒接觸點處槽寬
Sf——凹齒接觸點處弦齒厚
δΔ——凸齒工藝角
δ2——凹齒工藝角
rj——過渡圓弧半徑
rg——齒根圓弧半徑
hE——齒根圓弧和凹齒圓弧的切點到節線的距離。
4基本齒廓的形狀和尺寸參數
雙圓弧圓柱齒輪基本齒廓的形狀和尺寸參數按下圖和表中的規定。
法向模數
mn(mm) |
基本齒廓的參數 |
α |
h* |
|
|
|
|
|
|
|
|
|
1.5~3 |
24° |
2 |
0.9 |
1.1 |
1.3 |
1.420 |
0.0163 |
0.0325 |
0.6289 |
1.1173 |
0.5450 |
>3~6 |
24° |
2 |
0.9 |
1.1 |
1.3 |
1.410 |
0.0163 |
0.0285 |
0.6289 |
1.1173 |
0.5450 |
>6~10 |
24° |
2 |
0.9 |
1.1 |
1.3 |
1.395 |
0.0163 |
0.0224 |
0.6289 |
1.1173 |
0.5450 |
>10~16 |
24° |
2 |
0.9 |
1.1 |
1.3 |
1.380 |
0.0163 |
0.0163 |
0.6289 |
1.1173 |
0.5450 |
>16~32 |
24° |
2 |
0.9 |
1.1 |
1.3 |
1.360 |
0.0163 |
0.0081 |
0.6289 |
1.1173 |
0.5450 |
>32~50 |
24° |
2 |
0.9 |
1.1 |
1.3 |
1.340 |
0.0163 |
0.0000 |
0.6289 |
1.1173 |
0.5450 |
法向模數
mn(mm) |
基本齒廓的參數 |
|
|
|
|
|
δ1 |
δ2 |
|
|
|
1.5~3 |
0.7086 |
0.16 |
0.20 |
1.1773 |
1.9643 |
6°20′52″ |
9°25′31″ |
0.5049 |
0.4030 |
1.0186 |
>3~6 |
0.6994 |
0.16 |
0.20 |
1.1773 |
1.9643 |
6°20′52″ |
9°19′30″ |
0.5043 |
0.4004 |
1.0168 |
>6~10 |
0.6957 |
0.16 |
0.20 |
1.1573 |
1.9843 |
6°20′52″ |
9°10′21″ |
0.4884 |
0.3710 |
1.0236 |
>10~16 |
0.6820 |
0.16 |
0.20 |
1.1573 |
1.9843 |
6°20′52″ |
9°0′59″ |
0.4877 |
0.3663 |
1.0210 |
>16~32 |
0.6638 |
0.16 |
0.20 |
1.1573 |
1.9843 |
6°20′52″ |
8°48′11″ |
0.4868 |
0.3595 |
1.0176 |
>32~50 |
0.6455 |
0.16 |
0.20 |
1.1573 |
1.9843 |
6°20′52″ |
8°35′01″ |
0.4858 |
0.3520 |
1.0145 |
注:表中帶*號者,是指該尺寸與法向模數m
n的比值,例如:h
*=h/m
n,

,………等,以下類同。
附錄A
側隙
(補充件)
A.1側隙
A1.1對側隙的規定
表A1
法向模數mn |
≥1.5~3 |
>3~6 |
>6~10 |
>10~16 |
>16~32 |
>32~50 |
側隙j |
0.06 mn |
0.06 mn |
0.04 mn |
0.04 mn |
0.04 mn |
0.04 mn |
A1.2對非標準側隙的規定
對齒輪側隙有不同要求時,可使工作齒廓圓心沿節線平移,使兩工作齒形狀及相對位置不變,齒根圓弧半徑的變化,應保證hg不小于0.9 mn。
附錄B
主參數及參數計算公式
(參考件)
B1主參數1)
B1.1對不隨模數改變而改變的主參數的規定
表B1
代號 |
α |
h* |
|
|
|
|
|
|
|
參數值 |
24° |
2 |
0.9 |
1.1 |
1.3 |
0.16 |
0.20 |
0.62894 |
0.01626947 |
注:1)對齒廓有特殊要求時,可改變其主參數,自行設計特殊齒廓。
B1.2對隨模數改變而改變的凹齒圓弧半徑的規定
表B2
法向模數mn |
≥1.5~3 |
>3~6 |
>6~10 |
>10~16 |
>16~32 |
>32~50 |
|
1.420 |
1.410 |
1.395 |
1.380 |
1.360 |
1.340 |
B2參數計算公式

…………………(B3)

……………………(B4)

……………………(B5)

……………………(B6)

……………………(B7)

……………………(B8)

………………(B9)

………………(B10)

………………(B11)
附加說明:
本標準由中華人民共和國機械電子工業部提出
本標準由鄭州機械研究所歸口。
本標準由鄭州機械研究所負責起草。
本標準主要起草人李鋼、李長春。