FN系列行星齒輪減速機:采用漸開線行星齒輪傳動結構,合理利用內、外嚙合、功率分流。因此具有重量輕、體積小、外型美觀,傳動比范圍大、效率高、運轉平穩、噪聲低適應性強等特點.減速機廣泛應用于冶金、礦山、工程機械、起重運輸、電力、能源、建筑建材、輕工、交通等工業部門.
FN系列行星齒輪減速機的特點:
1、采用模塊化設計,可根據客戶要求進行變化組合。
2、箱體采用球墨鑄鐵,大大提高了箱體的剛性及抗震性。
3、箱體內的太陽輪、行星輪、內齒圈及螺旋錐齒輪均采用可控氣氛滲碳淬火處理,得到高硬耐磨表面,熱處理后全部磨齒,降低了噪音,提高了整機的效率及使用壽命。
4、輸入方式:同心軸輸入,電機法蘭輸入,液壓馬達輸入
5、輸出方式:外花鍵式,空心軸收縮盤式,內花鍵式,實心軸平鍵。
6、安裝形式:水平安裝,垂直安裝。
7、FN行星齒輪減速機產品有12種機型,速比為1:3-1:10000,傳動級數分1-4級。
FN系列行星齒輪減速機參數:
1、輸出轉速:0.19~500r/min
2、輸出轉矩:高至118000Nm
3、電機功率:0.18-110kW
4、安裝形式:法蘭盤安裝
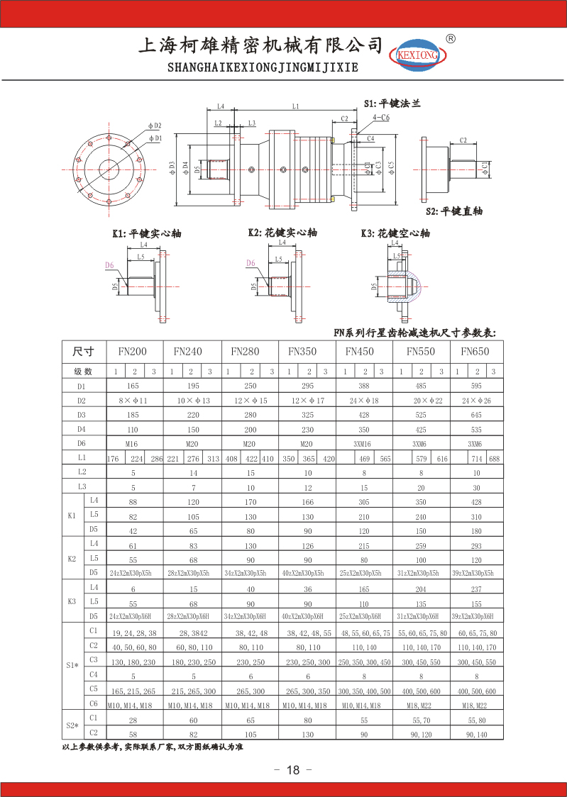
FN系列行星齒輪減速機尺寸及參數表:



![]() |
免責聲明:以上所展示的信息由企業自行提供,內容的真實性、準確性和合法性由發布企業負責。中國減速機信息網對此不承擔任何保證責任。 |
友情提醒:為保障您的利益,建議優先選擇![]() ![]() 會員。
|