產品展示
一、產品用途及特點
1.用途:
YZW型外裝式電動滾筒是為各種帶式輸送機、斗式提升機、卷揚機等配套的新型驅動裝置。
2. 主要特點:
b. 克服了漸開線齒輪電動滾筒易損壞的缺點,具有過載能力強,運轉平穩,效率高等優點。
c. 電機外聯改變了散熱條件,且安裝維修方便,避免了電動機遭油浸蝕,延長了使用壽命。
d. 設有先進的逆止裝置,可防止上運物料停機時皮帶下滑。
e. 滾筒表面覆蓋人字形、菱形等多種花紋膠層,以提高牽引膠帶的能力。
f. 也可配用防爆電機,應用于有防爆要求的場合。
二、標記示例:

1、滾筒旋轉方向必須面對電機尾部觀察,順時針旋轉標注“S”,逆時針旋轉標注“N”,不需逆止時,則不標注滾筒旋轉方向代號。
2、滾筒必須在輸出扭矩范圍內使用,其輸出扭矩按下式計算:

式中:M——扭矩(Nm)D——滾筒直徑(m)P——功率(kW)V——帶速(m/ s)
|
直徑
(mm) |
功率
(Kw) |
帶寬(mm) |
表 面 線 速 度 (m/s) |
質量(Kg) | ||||||||||
|
315(320) |
|
|
0.25 |
0.32 |
0.4 |
0.55 |
0.63 |
0.8 |
1.0 |
1.25 |
1.6 |
2 |
2.5 |
|
|
1.5 |
500 |
· |
· |
· |
· |
· |
· |
· |
|
|
|
|
198 | |
|
650 |
· |
· |
· |
· |
· |
· |
· |
|
|
|
|
210 | ||
|
2.2 |
500 |
· |
· |
· |
· |
· |
· |
· |
· |
· |
|
|
200 | |
|
650 |
· |
· |
· |
· |
· |
· |
· |
· |
· |
|
|
210 | ||
|
3 |
500 |
|
|
|
· |
· |
· |
· |
· |
· |
|
|
230 | |
|
650 |
|
|
|
· |
· |
· |
· |
· |
· |
|
|
240 | ||
|
800 |
|
|
|
· |
· |
· |
· |
· |
· |
|
|
245 | ||
|
4 |
500 |
|
|
|
· |
· |
· |
· |
· |
· |
|
|
240 | |
|
650 |
|
|
|
· |
· |
· |
· |
· |
· |
|
|
245 | ||
|
800 |
|
|
|
· |
· |
· |
· |
· |
· |
|
|
258 | ||
|
400 |
1.5 |
500 |
|
· |
· |
· |
· |
|
|
|
|
|
|
225 |
|
650 |
|
· |
· |
· |
· |
|
|
|
|
|
|
235 | ||
|
800 |
|
· |
· |
· |
· |
|
|
|
|
|
|
250 | ||
|
2.2 |
500 |
|
· |
· |
· |
· |
· |
· |
· |
· |
· |
|
230 | |
|
650 |
|
· |
· |
· |
· |
· |
· |
· |
· |
· |
|
240 | ||
|
800 |
|
· |
· |
· |
· |
· |
· |
· |
· |
· |
|
255 | ||
|
3 |
500 |
|
· |
· |
· |
· |
· |
· |
· |
· |
· |
|
260 | |
|
650 |
|
· |
· |
· |
· |
· |
· |
· |
· |
· |
|
280 | ||
|
800 |
|
· |
· |
· |
· |
· |
· |
· |
· |
· |
|
290 | ||
|
4 |
800 |
|
· |
· |
· |
· |
· |
· |
· |
· |
· |
|
270 | |
|
650 |
|
· |
· |
· |
· |
· |
· |
· |
· |
· |
|
280 | ||
|
800 |
|
· |
· |
· |
· |
|
· |
· |
· |
· |
|
295 | ||
|
5.5 |
500 |
|
|
|
|
|
|
· |
· |
· |
· |
|
305 | |
|
650 |
|
|
|
|
|
|
· |
· |
· |
· |
|
320 | ||
|
800 |
|
|
|
|
|
|
· |
· |
· |
· |
|
340 | ||
|
直徑(mm) |
功率(Kw) |
帶寬(mm) |
表 面 線 速 度 (m/s) |
質量(Kg) | |||||||||
|
500 |
|
|
0.40 |
0.55 |
0.63 |
0.8 |
1.0 |
1.25 |
1.6 |
2.0 |
2.5 |
3.15 |
|
|
1.5 |
500 |
· |
· |
· |
· |
· |
|
|
|
|
|
290 | |
|
650 |
· |
· |
· |
· |
· |
|
|
|
|
|
305 | ||
|
800 |
· |
· |
· |
· |
· |
|
|
|
|
|
320 | ||
|
2.2 |
500 |
|
|
· |
· |
· |
· |
· |
· |
|
|
295 | |
|
650 |
|
|
· |
· |
· |
· |
· |
· |
|
|
310 | ||
|
800 |
|
|
· |
· |
· |
· |
· |
· |
|
|
325 | ||
|
3 |
500 |
· |
· |
· |
· |
· |
· |
· |
· |
|
|
340 | |
|
650 |
· |
· |
· |
· |
· |
· |
· |
· |
|
|
360 | ||
|
800 |
· |
· |
· |
· |
· |
· |
· |
· |
|
|
375 | ||
|
4 |
500 |
· |
· |
· |
· |
· |
· |
· |
· |
|
|
350 | |
|
650 |
· |
· |
· |
· |
· |
· |
· |
· |
|
|
365 | ||
|
800 |
· |
· |
· |
· |
· |
· |
· |
· |
|
|
380 | ||
|
5.5 |
500 |
· |
· |
· |
· |
· |
· |
· |
· |
|
|
420 | |
|
650 |
· |
· |
· |
· |
· |
· |
· |
· |
|
|
430 | ||
|
800 |
· |
· |
· |
· |
· |
· |
· |
· |
|
|
450 | ||
|
7.5 |
500 |
· |
· |
· |
· |
· |
|
|
|
|
|
440 | |
|
650 |
· |
· |
· |
· |
· |
|
|
|
|
|
455 | ||
|
800 |
· |
· |
· |
· |
· |
|
|
|
|
|
470 | ||
|
11 |
500 |
|
· |
· |
· |
· |
· |
· |
· |
· |
· |
510 | |
|
650 |
|
· |
· |
· |
· |
· |
· |
· |
· |
· |
535 | ||
|
800 |
|
· |
· |
· |
· |
· |
· |
· |
· |
· |
560 | ||
|
15 |
500 |
|
· |
· |
· |
· |
· |
· |
· |
· |
· |
540 | |
|
650 |
|
· |
· |
· |
· |
· |
· |
· |
· |
· |
565 | ||
|
800 |
|
|
· |
· |
· |
· |
· |
· |
· |
· |
590 | ||
|
18.5 |
500 |
|
|
|
|
|
|
· |
· |
· |
· |
570 | |
|
650 |
|
|
|
|
|
|
· |
· |
· |
· |
600 | ||
|
800 |
|
|
|
|
|
|
· |
· |
· |
· |
635 | ||
|
22 |
500 |
|
|
|
|
|
|
· |
· |
· |
· |
605 | |
|
650 |
|
|
|
|
|
|
· |
· |
· |
· |
640 | ||
|
800 |
|
|
|
|
|
|
· |
· |
· |
· |
675 | ||
|
直徑(mm) |
功率(Kw) |
帶寬(mm) |
表 面 線 速 度 (m/s) |
質量(Kg) | ||||||||
|
630 |
|
|
0.55 |
0.63 |
0.8 |
1.0 |
1.25 |
1.6 |
2.0 |
2.5 |
3.15 |
|
|
7.5 |
650 |
· |
· |
· |
· |
· |
|
|
|
|
615 | |
|
800 |
· |
· |
· |
· |
· |
|
|
|
|
640 | ||
|
1000 |
· |
· |
· |
· |
· |
|
|
|
|
680 | ||
|
1200 |
· |
· |
· |
· |
· |
|
|
|
|
720 | ||
|
11 |
650 |
|
· |
· |
· |
· |
· |
· |
· |
· |
700 | |
|
800 |
|
· |
· |
· |
· |
· |
· |
· |
· |
725 | ||
|
1000 |
|
· |
· |
· |
· |
· |
· |
· |
· |
770 | ||
|
1200 |
|
· |
· |
· |
· |
· |
· |
· |
· |
820 | ||
|
15 |
800 |
|
· |
· |
· |
· |
· |
· |
· |
· |
750 | |
|
1000 |
|
· |
· |
· |
· |
· |
· |
· |
· |
790 | ||
|
1200 |
|
· |
· |
· |
· |
· |
· |
· |
· |
840 | ||
|
18.5 |
800 |
|
· |
· |
· |
· |
· |
· |
· |
· |
800 | |
|
1000 |
|
· |
· |
· |
· |
· |
· |
· |
· |
845 | ||
|
1200 |
|
· |
· |
· |
· |
· |
· |
· |
· |
890 | ||
|
1400 |
|
· |
· |
· |
· |
· |
· |
· |
· |
950 | ||
|
22 |
800 |
|
· |
· |
· |
· |
· |
· |
· |
· |
890 | |
|
1000 |
|
· |
· |
· |
· |
· |
· |
· |
· |
940 | ||
|
1200 |
|
· |
· |
· |
· |
· |
· |
· |
· |
995 | ||
|
1400 |
|
· |
· |
· |
· |
· |
· |
· |
· |
1050 | ||
|
30 |
800 |
|
|
|
· |
· |
· |
· |
· |
· |
1040 | |
|
1000 |
|
|
|
· |
· |
· |
· |
· |
· |
1090 | ||
|
1200 |
|
|
|
· |
· |
· |
· |
· |
· |
1150 | ||
|
1400 |
|
|
|
· |
· |
· |
· |
· |
· |
1210 | ||
|
37 |
800 |
|
|
|
|
|
· |
· |
· |
· |
1100 | |
|
1000 |
|
|
|
|
|
· |
· |
· |
· |
1160 | ||
|
1200 |
|
|
|
|
|
· |
· |
· |
· |
1220 | ||
|
1400 |
|
|
|
|
|
· |
· |
· |
· |
1280 | ||
|
45 |
800 |
|
|
|
|
|
· |
· |
· |
· |
1200 | |
|
1000 |
|
|
|
|
|
· |
· |
· |
· |
1280 | ||
|
1200 |
|
|
|
|
|
· |
· |
· |
· |
1360 | ||
|
1400 |
|
|
|
|
|
· |
· |
· |
· |
1430 | ||
|
直徑(mm) |
功率(Kw) |
帶寬(mm) |
表 面 線 速 度 (m/s) |
質量(Kg) | ||||||||
|
800 |
|
|
0.63 |
0.8 |
1.0 |
1.25 |
1.6 |
2.0 |
2.5 |
3.15 |
4.0 |
|
|
7.5 |
1000 |
· |
· |
· |
· |
|
|
|
|
|
840 | |
|
1200 |
· |
· |
· |
· |
|
|
|
|
|
880 | ||
|
1400 |
· |
· |
· |
· |
|
|
|
|
|
930 | ||
|
11 |
1000 |
|
· |
· |
· |
· |
· |
· |
· |
|
930 | |
|
1200 |
|
· |
· |
· |
· |
· |
· |
· |
|
970 | ||
|
1400 |
|
· |
· |
· |
· |
· |
· |
· |
|
1030 | ||
|
15 |
1000 |
|
· |
· |
· |
· |
· |
· |
· |
|
1010 | |
|
1200 |
|
· |
· |
· |
· |
· |
· |
· |
|
1060 | ||
|
1400 |
|
· |
· |
· |
· |
· |
· |
· |
|
1115 | ||
|
18.5 |
1000 |
|
· |
· |
· |
· |
· |
· |
· |
|
1060 | |
|
1200 |
|
· |
· |
· |
· |
· |
· |
· |
|
1120 | ||
|
1400 |
|
· |
· |
· |
· |
· |
· |
· |
|
1175 | ||
|
22 |
1000 |
|
· |
· |
· |
· |
· |
· |
· |
|
1160 | |
|
1200 |
|
· |
· |
· |
· |
· |
· |
· |
|
1220 | ||
|
1400 |
|
· |
· |
· |
· |
· |
· |
· |
|
1280 | ||
|
30 |
1000 |
|
|
· |
· |
· |
· |
· |
· |
|
1320 | |
|
1200 |
|
|
· |
· |
· |
· |
· |
· |
|
1380 | ||
|
1400 |
|
|
· |
· |
· |
· |
· |
· |
|
1430 | ||
|
37 |
1000 |
|
|
|
|
|
· |
· |
· |
|
1430 | |
|
1200 |
|
|
|
|
|
· |
· |
· |
|
1490 | ||
|
1400 |
|
|
|
|
|
· |
· |
· |
|
1550 | ||
|
45 |
1000 |
|
|
|
|
|
· |
· |
· |
|
1970 | |
|
1200 |
|
|
|
|
|
· |
· |
· |
|
2030 | ||
|
1400 |
|
|
|
|
|
· |
· |
· |
|
2100 | ||
|
1000 |
15 |
1000 |
|
|
· |
· |
· |
· |
· |
· |
|
1225 |
|
1200 |
|
|
· |
· |
· |
· |
· |
· |
|
1290 | ||
|
1400 |
|
|
· |
· |
· |
· |
· |
· |
|
1355 | ||
|
18.5 |
1000 |
|
|
· |
· |
· |
· |
· |
· |
|
1285 | |
|
1200 |
|
|
· |
· |
· |
· |
· |
· |
|
1350 | ||
|
1400 |
|
|
· |
· |
· |
· |
· |
· |
|
1410 | ||
|
直徑
(mm) |
功率
(Kw) |
帶寬
(mm) |
表 面 線 速 度 (m/s) |
質量(Kg) | ||||||||
|
1000 |
|
|
0.63 |
0.8 |
1.0 |
1.25 |
1.6 |
2.0 |
2.5 |
3.15 |
4.0 |
|
|
22 |
1000 |
|
|
· |
· |
· |
· |
· |
· |
|
1390 | |
|
1200 |
|
|
· |
· |
· |
· |
· |
· |
|
1470 | ||
|
1400 |
|
|
· |
· |
· |
· |
· |
· |
|
1535 | ||
|
30 |
1000 |
|
|
|
· |
· |
· |
· |
· |
|
1560 | |
|
1200 |
|
|
|
· |
· |
· |
· |
· |
|
1630 | ||
|
1400 |
|
|
|
· |
· |
· |
· |
· |
|
1700 | ||
|
37 |
1000 |
|
|
|
|
|
|
· |
· |
· |
1670 | |
|
1200 |
|
|
|
|
|
|
· |
· |
· |
1745 | ||
|
1400 |
|
|
|
|
|
|
· |
· |
· |
1820 | ||
|
45 |
1200 |
|
|
|
|
|
|
· |
· |
· |
2410 | |
|
1400 |
|
|
|
|
|
|
· |
· |
· |
2490 | ||
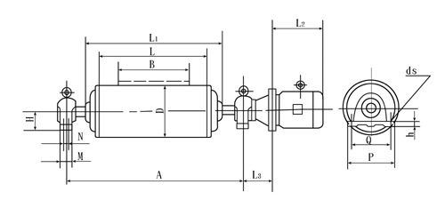
YZW型外裝式電動滾筒外形及安裝尺寸

|
D |
BB |
A |
L |
L1 |
L2 |
H |
M |
N |
P |
Q |
dS |
h |
L2 | |
|
315(320) |
500 |
850 |
600 |
≤732 |
按
電
機 |
120 |
90 |
|
340 |
280 |
27 |
35 |
Y100
Y112 |
131
|
|
650 |
1000 |
750 |
≤882 | |||||||||||
|
800 |
1300 |
950 |
≤1032 |
Y132 |
151 | |||||||||
|
400 |
500 |
850 |
600 |
≤744 |
120 |
90 |
|
340 |
280 |
27 |
35 |
Y100
Y112 |
131
| |
|
650 |
1000 |
750 |
≤894 | |||||||||||
|
800 |
1300 |
955 |
≤1044 |
Y132 |
151 | |||||||||
|
500 |
500 |
850 |
600 |
≤748 |
100 |
70 |
|
340 |
280 |
27 |
35 |
Y100
Y112 |
131
| |
|
620 |
Y132 |
147 | ||||||||||||
|
650 |
1000 |
750 |
≤900 |
120 |
90 |
Y160M |
187 | |||||||
|
800 |
1300 |
950 |
≤1100 |
120 |
90 |
Y160L
Y180 |
210 | |||||||
|
630 |
650 |
1000 |
750 |
≤868 |
120 |
90 |
|
340 |
280 |
27 |
35 |
Y160M |
194 | |
|
800 |
1300 |
950 |
≤1068 |
140 |
130 |
80 |
400 |
330 |
27 |
35 |
Y160L
Y180 |
205 | ||
|
1000 |
1500 |
1150 |
≤1268 |
140 |
130 |
80 |
400 |
330 |
27 |
35 | ||||
|
Y200 |
203 | |||||||||||||
|
1200 |
1750 |
1400 |
≤1514 |
160 |
160 |
90 |
440 |
360 |
34 |
50 | ||||
|
Y225 |
238 | |||||||||||||
|
1400 |
2000 |
1600 |
≤1720 |
160 |
160 |
90 |
440 |
360 |
34 |
50 | ||||
|
800 |
1000 |
1500 |
1150 |
≤1268 |
140 |
145 |
80 |
400 |
330 |
27 |
35 |
Y160
Y180 |
200 | |
|
1200 |
1750 |
1400 |
≤1514 |
160 |
160 |
90 |
440 |
360 |
34 |
50 |
Y200 |
210 | ||
|
1400 |
2000 |
1600 |
≤1720 |
160 |
160 |
90 |
440 |
360 |
34 |
50 |
Y225 |
240 | ||
|
1000 |
1000 |
1500 |
1150 |
≤1268 |
140 |
145 |
80 |
400 |
330 |
27 |
35 |
Y160
Y180 |
200 | |
|
1200 |
1750 |
1400 |
≤1514 |
160 |
160 |
90 |
440 |
360 |
34 |
50 |
Y200 |
210 | ||
|
1400 |
2000 |
1600 |
≤1720 |
160 |
160 |
90 |
440 |
360 |
34 |
50 |
Y225 |
240 | ||
| 頁次:1/1 每頁10條 共4條信息 分頁:[1] |

