產品展示
內徑10-15mm

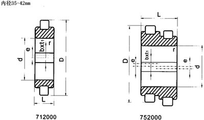
主要尺寸
(mm) |
軸承
型號 |
額定負荷
(N)
靜動 |
極限轉速
(rpm)
脂潤滑 油潤滑 |
鍵槽
b t1 |
重量
(kg)
(參考) | |||||||
d |
D |
L |
r |
e | ||||||||
10 |
33.9 |
12 |
0.7 |
0.5 |
50712200 |
13700 |
11600 |
14000 |
18000 |
4 |
1.8 |
0.059 |
33.9 |
12 |
0.7 |
0.65 |
70712200 |
13700 |
11600 |
14000 |
18000 |
4 |
1.8 |
0.059 | |
33.9 |
12 |
0.7 |
0.75 |
80712200 |
13700 |
11600 |
14000 |
18000 |
4 |
1.8 |
0.059 | |
33.9 |
12 |
0.7 |
1.0 |
100712200 |
13700 |
11600 |
14000 |
18000 |
4 |
1.8 |
0.059 | |
33.9 |
12 |
0.7 |
1.25 |
130712200 |
13700 |
11600 |
14000 |
18000 |
4 |
1.8 |
0.059 | |
33.9 |
12 |
0.7 |
1.5 |
150712200 |
13700 |
11600 |
14000 |
18000 |
4 |
1.8 |
0.059 | |
33.9 |
12 |
0.7 |
1.75 |
180712200 |
13700 |
11600 |
14000 |
18000 |
4 |
1.8 |
0.059 | |
33.9 |
12 |
0.7 |
2.0 |
200712200 |
13700 |
11600 |
14000 |
18000 |
4 |
1.8 |
0.059 | |
12 |
40 |
14 |
0.7 |
0.65 |
70712201 |
15500 |
14500 |
12000 |
16000 |
4 |
1.8 |
0.09 |
40 |
14 |
0.7 |
0.75 |
80712201 |
15500 |
14500 |
12000 |
16000 |
4 |
1.8 |
0.09 | |
40 |
14 |
0.7 |
1.0 |
100712201 |
15500 |
14500 |
12000 |
16000 |
4 |
1.8 |
0.09 | |
40 |
14 |
0.7 |
1.25 |
130712201 |
15500 |
14500 |
12000 |
16000 |
4 |
1.8 |
0.09 | |
40 |
14 |
0.7 |
1.5 |
150712201 |
15500 |
14500 |
12000 |
16000 |
4 |
1.8 |
0.09 | |
40 |
14 |
0.7 |
2.0 |
200712201 |
15500 |
14500 |
12000 |
16000 |
4 |
1.8 |
0.09 | |
40 |
14 |
0.7 |
2.5 |
250712201 |
15500 |
14500 |
12000 |
16000 |
4 |
1.8 |
0.09 | |
15 |
40 |
14 |
0.7 |
0.5 |
50712202 |
18000 |
17200 |
12000 |
16000 |
5 |
2.3 |
0.087 |
40 |
14 |
0.7 |
0.75 |
80712202 |
18000 |
17200 |
12000 |
16000 |
5 |
2.3 |
0.087 | |
40 |
14 |
0.7 |
1.0 |
100712202 |
18000 |
17200 |
12000 |
16000 |
5 |
2.3 |
0.087 | |
40 |
14 |
0.7 |
1.5 |
150712202 |
18000 |
17200 |
12000 |
16000 |
5 |
2.3 |
0.087 | |
40 |
14 |
0.7 |
1.75 |
180712202 |
18000 |
17200 |
12000 |
16000 |
5 |
2.3 |
0.087 | |
40 |
14 |
0.7 |
2.0 |
200712202 |
18000 |
17200 |
12000 |
16000 |
5 |
2.3 |
0.087 | |
40 |
14 |
0.7 |
2.5 |
250712202 |
18000 |
17200 |
12000 |
16000 |
5 |
2.3 |
0.087 | |
40 |
28 |
0.7 |
0.5 |
50752202 |
31300 |
34500 |
12000 |
16000 |
5 |
2.3 |
0.17 | |
40 |
28 |
0.7 |
0.65 |
70752202 |
31300 |
34500 |
12000 |
16000 |
5 |
2.3 |
0.17 | |
40 |
28 |
0.7 |
0.75 |
80752202 |
31300 |
34500 |
12000 |
16000 |
5 |
2.3 |
0.17 | |
40 |
28 |
0.7 |
1.0 |
10752202 |
31300 |
34500 |
12000 |
16000 |
5 |
2.3 |
0.17 | |
40 |
28 |
0.7 |
1.25 |
130752202 |
31300 |
34500 |
12000 |
16000 |
5 |
2.3 |
0.17 | |
40 |
28 |
0.7 |
1.5 |
150752202 |
31300 |
34500 |
12000 |
16000 |
5 |
2.3 |
0.17 | |
40 |
28 |
0.7 |
1.75 |
180752202 |
31300 |
34500 |
12000 |
16000 |
5 |
2.3 |
0.17 |
主要尺寸
(mm) |
軸承
型號 |
額定負荷
(N)
靜動 |
極限轉速
(rpm)
脂潤滑 油潤滑 |
鍵槽
b t1 |
重量
(kg)
(參考) | |||||||
d |
D |
L |
r |
e | ||||||||
15 |
40 |
28 |
0.7 |
2.0 |
200752202 |
31300 |
34500 |
12000 |
16000 |
5 |
2.3 |
0.17 |
40 |
28 |
0.7 |
2.5 |
250752202 |
31300 |
34500 |
12000 |
16000 |
5 |
2.3 |
0.17 | |
40 |
28 |
0.7 |
3.0 |
300752202 |
31300 |
34500 |
12000 |
16000 |
5 |
2.3 |
0.17 | |
45 |
30 |
0.7 |
0.65 |
70752205k |
40100 |
48000 |
11000 |
14000 |
5 |
2.3 |
0.25 | |
45 |
30 |
0.7 |
0.75 |
80752200k |
40100 |
48000 |
11000 |
14000 |
5 |
2.3 |
0.25 | |
45 |
30 |
0.7 |
1.0 |
100752202k |
40100 |
48000 |
11000 |
14000 |
5 |
2.3 |
0.25 | |
45 |
30 |
0.7 |
1.25 |
130752202k |
40100 |
48000 |
11000 |
14000 |
5 |
2.3 |
0.25 | |
45 |
30 |
0.7 |
1.5 |
150752202k |
40100 |
48000 |
11000 |
14000 |
5 |
2.3 |
0.25 | |
45 |
30 |
0.7 |
2.0 |
200752202k |
40100 |
48000 |
11000 |
14000 |
5 |
2.3 |
0.25 | |
45 |
30 |
0.7 |
2.5 |
250752202k |
40100 |
48000 |
11000 |
14000 |
5 |
2.3 |
0.25 | |
45 |
30 |
0.7 |
3.0 |
300752202k |
40100 |
48000 |
11000 |
14000 |
5 |
2.3 |
0.25 | |
19 |
53.3 |
32 |
1.0 |
0.65 |
70752904k2 |
48800 |
61300 |
8500 |
11000 |
6 |
2.8 |
0.38 |
53.3 |
32 |
1.0 |
0.75 |
80752904k2 |
48800 |
61300 |
8500 |
11000 |
6 |
2.8 |
0.38 | |
53.3 |
32 |
1.0 |
1.0 |
100752904k2 |
48800 |
61300 |
8500 |
11000 |
6 |
2.8 |
0.38 | |
53.3 |
32 |
1.0 |
1.25 |
130752904k2 |
48800 |
61300 |
8500 |
11000 |
6 |
2.8 |
0.38 | |
53.3 |
32 |
1.0 |
1.5 |
150752904k2 |
48800 |
61300 |
8500 |
11000 |
6 |
2.8 |
0.38 | |
53.3 |
32 |
1.0 |
2.0 |
200752904k2 |
48800 |
61300 |
8500 |
11000 |
6 |
2.8 |
0.38 | |
53.3 |
32 |
1.0 |
2.5 |
250752904k2 |
48800 |
61300 |
8500 |
11000 |
6 |
2.8 |
0.38 | |
53.3 |
32 |
1.0 |
3.0 |
300752904k2 |
48800 |
61300 |
8500 |
11000 |
6 |
2.8 |
0.38 | |
53.3 |
32 |
1.0 |
4.0 |
400752904k2 |
48800 |
61300 |
8500 |
11000 |
6 |
2.8 |
0.51 | |
61.8 |
34 |
1.1 |
0.75 |
80752904y1 |
66300 |
81800 |
7500 |
9500 |
6 |
2.8 |
0.51 | |
61.8 |
34 |
1.1 |
1.0 |
100752904y1 |
66300 |
81800 |
7500 |
9500 |
6 |
2.8 |
0.51 | |
61.8 |
34 |
1.1 |
1.25 |
130752904y1 |
66300 |
81800 |
7500 |
9500 |
6 |
2.8 |
0.51 | |
61.8 |
34 |
1.1 |
1.5 |
150752904y1 |
66300 |
81800 |
7500 |
9500 |
6 |
2.8 |
0.51 | |
61.8 |
34 |
1.1 |
2.0 |
200752904y1 |
66300 |
81800 |
7500 |
9500 |
6 |
2.8 |
0.51 | |
61.8 |
34 |
1.1 |
3.0 |
300752904y1 |
66300 |
81800 |
7500 |
9500 |
6 |
2.8 |
0.51 | |
70 |
36 |
1.1 |
0.75 |
80752904yk1 |
7800 |
98300 |
7000 |
9500 |
6 |
2.8 |
0.82 | |
70 |
36 |
1.1 |
1.0 |
100752904k1 |
7800 |
98300 |
7000 |
9500 |
6 |
2.8 |
0.82 | |
70 |
36 |
1.1 |
1.25 |
130752904k1 |
7800 |
98300 |
7000 |
9500 |
6 |
2.8 |
0.82 |
主要尺寸
(mm) |
軸承
型號 |
額定負荷
(N)
靜動 |
極限轉速
(rpm)
脂潤滑 油潤滑 |
鍵槽
b t1 |
重量
(kg)
(參考) | |||||||
d |
D |
L |
r |
e | ||||||||
19 |
70 |
36 |
1.1 |
1.5 |
150752904k1 |
7800 |
7800 |
7000 |
9500 |
6 |
2.8 |
0.82 |
70 |
36 |
1.1 |
2.0 |
200752904k1 |
7800 |
7800 |
7000 |
9500 |
6 |
2.8 |
0.82 | |
70 |
36 |
1.1 |
3.0 |
300752904k1 |
7800 |
7800 |
7000 |
9500 |
6 |
2.8 |
0.82 | |
22 |
53.5 |
32 |
1.1 |
0.65 |
70752904 |
50900 |
61300 |
8500 |
11000 |
6 |
2.8 |
0.35 |
53.5 |
32 |
1.1 |
0.75 |
80752904 |
50900 |
61300 |
8500 |
11000 |
6 |
2.8 |
0.35 | |
53.5 |
32 |
1.1 |
1.0 |
100752904 |
50900 |
61300 |
8500 |
11000 |
6 |
2.8 |
0.35 | |
53.5 |
32 |
1.1 |
1.25 |
130752904 |
50900 |
61300 |
8500 |
11000 |
6 |
2.8 |
0.35 | |
53.5 |
32 |
1.1 |
1.5 |
150752904 |
50900 |
61300 |
8500 |
11000 |
6 |
2.8 |
0.35 | |
53.5 |
32 |
1.1 |
1.75 |
180752904 |
50900 |
61300 |
8500 |
11000 |
6 |
2.8 |
0.35 | |
53.5 |
32 |
1.1 |
2.0 |
200752904 |
50900 |
61300 |
8500 |
11000 |
6 |
2.8 |
0.35 | |
53.5 |
32 |
1.1 |
2.5 |
250752904 |
50900 |
61300 |
8500 |
11000 |
6 |
2.8 |
0.35 | |
53.5 |
32 |
1.1 |
3.0 |
300752904 |
50900 |
61300 |
8500 |
11000 |
6 |
2.8 |
0.35 | |
53.5 |
32 |
1.1 |
3.5 |
350752904 |
50900 |
61300 |
8500 |
11000 |
6 |
2.8 |
0.35 | |
53.5 |
32 |
1.1 |
4.0 |
400752904 |
50900 |
61300 |
8500 |
11000 |
6 |
2.8 |
0.35 | |
53.5 |
32 |
1.1 |
4.25 |
430752904 |
50900 |
61300 |
8500 |
11000 |
6 |
2.8 |
0.35 | |
53.5 |
32 |
1.1 |
4.5 |
450752904 |
50900 |
61300 |
8500 |
11000 |
6 |
2.8 |
0.35 | |
53.5 |
32 |
1.1 |
5.0 |
500752904 |
50900 |
61300 |
8500 |
11000 |
6 |
2.8 |
0.35 | |
61.8 |
34 |
1.1 |
0.75 |
80752904k |
71000 |
83000 |
7500 |
9500 |
6 |
2.8 |
0.5 | |
61.8 |
34 |
1.1 |
1.0 |
100752904k |
71000 |
83000 |
7500 |
9500 |
6 |
2.8 |
0.5 | |
61.8 |
34 |
1.1 |
1.25 |
130752904k |
71000 |
83000 |
7500 |
9500 |
6 |
2.8 |
0.5 | |
61.8 |
34 |
1.1 |
1.5 |
150752904k |
71000 |
83000 |
7500 |
9500 |
6 |
2.8 |
0.5 | |
61.8 |
34 |
1.1 |
2.0 |
200752904k |
71000 |
83000 |
7500 |
9500 |
6 |
2.8 |
0.5 | |
61.8 |
34 |
1.1 |
2.5 |
250752904k |
71000 |
83000 |
7500 |
9500 |
6 |
2.8 |
0.5 | |
61.8 |
34 |
1.1 |
3.0 |
300752905k |
71000 |
83000 |
7500 |
9500 |
6 |
2.8 |
0.5 | |
24 |
61.8 |
34 |
1.1 |
0.75 |
80752905y1 |
71000 |
83000 |
7500 |
9500 |
8 |
3.3 |
0.5 |
61.8 |
34 |
1.1 |
1.0 |
100752905y1 |
71000 |
83000 |
7500 |
9500 |
8 |
3.3 |
0.5 | |
61.8 |
34 |
1.1 |
1.25 |
130752905y1 |
71000 |
83000 |
7500 |
9500 |
8 |
3.3 |
0.5 | |
61.8 |
34 |
1.1 |
1.5 |
150752905y1 |
71000 |
83000 |
7500 |
9500 |
8 |
3.3 |
0.5 |
主要尺寸
(mm) |
軸承
型號 |
額定負荷
(N)
靜動 |
極限轉速
(rpm)
脂潤滑 油潤滑 |
鍵槽
b t1 |
重量
(kg)
(參考) | |||||||
d |
D |
L |
r |
e | ||||||||
24 |
61.8 |
34 |
1.1 |
2.0 |
200752905y1 |
82300 |
98300 |
7000 |
9000 |
8 |
3.3 |
0.5 |
61.8 |
34 |
1.1 |
3.0 |
300752905y1 |
82300 |
98300 |
7000 |
9000 |
8 |
3.3 |
0.5 | |
70 |
36 |
1.1 |
0.75 |
80752905k |
82300 |
98300 |
7000 |
9000 |
8 |
3.3 |
0.75 | |
70 |
36 |
1.1 |
1.0 |
100752905k |
83000 |
98300 |
7000 |
9000 |
8 |
3.3 |
0.75 | |
70 |
36 |
1.1 |
1.25 |
130752905k |
83000 |
98300 |
7000 |
9000 |
8 |
3.3 |
0.75 | |
70 |
36 |
1.1 |
1.5 |
150752905k |
82300 |
98300 |
7000 |
9000 |
8 |
3.3 |
0.75 | |
70 |
36 |
1.1 |
2.0 |
200752905k |
82300 |
98300 |
7000 |
9000 |
8 |
3.3 |
0.75 | |
70 |
36 |
1.1 |
3.0 |
300752905k |
82300 |
98300 |
7000 |
9000 |
8 |
3.3 |
0.75 | |
70 |
36 |
1.1 |
4.0 |
400752905k |
83000 |
98300 |
7000 |
9000 |
8 |
3.3 |
0.75 | |
70 |
36 |
1.1 |
5.0 |
500752905k |
83000 |
98300 |
7000 |
9000 |
8 |
3.3 |
0.75 | |
25 |
68.2 |
42 |
1.3 |
0.75 |
80752305 |
93800 |
115000 |
7000 |
9000 |
8 |
3.3 |
0.76 |
68.2 |
42 |
1.3 |
1.0 |
100752305 |
93800 |
115000 |
7000 |
9000 |
8 |
3.3 |
0.76 | |
68.2 |
42 |
1.3 |
1.25 |
130752305 |
93800 |
115000 |
7000 |
9000 |
8 |
3.3 |
0.76 | |
68.2 |
42 |
1.3 |
1.5 |
150752305 |
93800 |
115000 |
7000 |
9000 |
8 |
3.3 |
0.76 | |
68.2 |
42 |
1.3 |
2.0 |
200752305 |
93800 |
115000 |
7000 |
9000 |
8 |
3.3 |
0.76 | |
68.2 |
42 |
1.3 |
2.5 |
250752305 |
93800 |
115000 |
7000 |
9000 |
8 |
3.3 |
0.76 | |
68.2 |
42 |
1.3 |
3.0 |
300752305 |
93800 |
115000 |
7000 |
9000 |
8 |
3.3 |
0.76 | |
68.2 |
42 |
1.3 |
3.5 |
350752305 |
93800 |
115000 |
7000 |
9000 |
8 |
3.3 |
0.76 | |
68.2 |
42 |
1.3 |
4.0 |
400752305 |
93800 |
115000 |
7000 |
9000 |
8 |
3.3 |
0.76 | |
68.2 |
42 |
1.3 |
5.0 |
500752305 |
93800 |
115000 |
7000 |
9000 |
8 |
3.3 |
0.76 | |
68.2 |
42 |
1.3 |
5.5 |
550752305 |
93800 |
115000 |
7000 |
9000 |
8 |
3.3 |
0.76 | |
28 |
68.2 |
42 |
1.3 |
0.75 |
80752906k1 |
92900 |
115000 |
7000 |
9000 |
8 |
3.3 |
0.76 |
68.2 |
42 |
1.3 |
1.0 |
100752906k1 |
92900 |
115000 |
7000 |
9000 |
8 |
3.3 |
0.76 | |
68.2 |
42 |
1.3 |
1.25 |
130752906k1 |
92900 |
115000 |
7000 |
9000 |
8 |
3.3 |
0.76 | |
68.2 |
42 |
1.3 |
1.5 |
150752906k1 |
92900 |
115000 |
7000 |
9000 |
8 |
3.3 |
0.76 | |
68.2 |
42 |
1.3 |
2.0 |
200752906k1 |
92900 |
115000 |
7000 |
9000 |
8 |
3.3 |
0.76 | |
68.2 |
42 |
1.3 |
2.5 |
250752906k1 |
92900 |
115000 |
7000 |
9000 |
8 |
3.3 |
0.76 | |
68.2 |
42 |
1.3 |
3.0 |
300752906k1 |
92900 |
115000 |
7000 |
9000 |
8 |
3.3 |
0.76 | |
68.2 |
42 |
1.3 |
3.5 |
350752906k1 |
92900 |
115000 |
7000 |
9000 |
8 |
3.3 |
0.76 | |
68.2 |
42 |
1.3 |
4.0 |
400752906k1 |
92900 |
115000 |
7000 |
9000 |
8 |
3.3 |
0.76 | |
68.2 |
42 |
1.3 |
5.0 |
500752906k1 |
92900 |
115000 |
7000 |
9000 |
8 |
3.3 |
0.76 | |
68.2 |
42 |
1.3 |
5.5 |
550752906k1 |
92900 |
115000 |
7000 |
9000 |
8 |
3.3 |
0.76 |
主要尺寸
(mm) |
軸承
型號 |
額定負荷
(N)
靜動 |
極限轉速
(rpm)
脂潤滑 油潤滑 |
鍵槽
b t1 |
重量
(kg)
(參考) | |||||||
d |
D |
L |
r |
e | ||||||||
28 |
70 |
36 |
1.3 |
3.0 |
300752906 |
82300 |
98300 |
7000 |
9000 |
8 |
3.3 |
0.73 |
70 |
36 |
1.3 |
4.0 |
400752906 |
82300 |
98300 |
7000 |
9000 |
8 |
3.3 |
0.73 | |
70 |
36 |
1.3 |
5.0 |
500752906 |
82300 |
98300 |
7000 |
9000 |
8 |
3.3 |
0.73 | |
95 |
54 |
1.3 |
0.75 |
80752906k |
162000 |
207000 |
5300 |
6700 |
8 |
3.3 |
2.1 | |
95 |
54 |
1.3 |
1.0 |
100752906k |
162000 |
207000 |
5300 |
6700 |
8 |
3.3 |
2.1 | |
95 |
54 |
1.3 |
1.5 |
150752906k |
162000 |
207000 |
5300 |
6700 |
8 |
3.3 |
2.1 | |
95 |
54 |
1.3 |
2.0 |
200752906k |
162000 |
207000 |
5300 |
6700 |
8 |
3.3 |
2.1 | |
95 |
54 |
1.3 |
3.0 |
300752906k |
162000 |
207000 |
5300 |
6700 |
8 |
3.3 |
2.1 | |
95 |
54 |
1.3 |
3.5 |
350752906k |
162000 |
207000 |
5300 |
6700 |
8 |
3.3 |
2.1 | |
95 |
54 |
1.3 |
4.0 |
400752906k |
162000 |
207000 |
5300 |
6700 |
8 |
3.3 |
2.1 | |
95 |
54 |
1.3 |
5.0 |
500752906k |
162000 |
207000 |
5300 |
6700 |
8 |
3.3 |
1.5 | |
35 |
86.5 |
50 |
1.8 |
0.75 |
80752307 |
143000 |
180000 |
5600 |
7000 |
10 |
3.3 |
1.5 |
86.5 |
50 |
1.8 |
0.85 |
90752307 |
143000 |
180000 |
5600 |
7000 |
10 |
3.3 |
1.5 | |
86.5 |
50 |
1.8 |
1.0 |
100752307 |
143000 |
180000 |
5600 |
7000 |
10 |
3.3 |
1.5 | |
86.5 |
50 |
1.8 |
1.25 |
130752307 |
143000 |
180000 |
5600 |
7000 |
10 |
3.3 |
1.5 | |
86.5 |
50 |
1.8 |
1.5 |
150752307 |
143000 |
180000 |
5600 |
7000 |
10 |
3.3 |
1.5 | |
86.5 |
50 |
1.8 |
2.0 |
200752307 |
143000 |
180000 |
5600 |
7000 |
10 |
3.3 |
1.5 | |
86.5 |
50 |
1.8 |
2.5 |
250752307 |
143000 |
180000 |
5600 |
7000 |
10 |
3.3 |
1.5 | |
86.5 |
50 |
1.8 |
3.0 |
300752307 |
143000 |
180000 |
5600 |
7000 |
10 |
3.3 |
1.5 | |
86.5 |
50 |
1.8 |
3.5 |
350752307 |
143000 |
180000 |
5600 |
7000 |
10 |
3.3 |
1.5 | |
86.5 |
50 |
1.8 |
4.0 |
400752307 |
143000 |
180000 |
5600 |
7000 |
10 |
3.3 |
1.5 | |
86.5 |
50 |
1.8 |
4.5 |
450752307 |
143000 |
180000 |
5600 |
7000 |
10 |
3.3 |
1.5 | |
86.5 |
50 |
1.8 |
5.0 |
500752307 |
143000 |
180000 |
5600 |
7000 |
10 |
3.3 |
1.5 | |
86.5 |
50 |
1.8 |
5.5 |
550752307 |
143000 |
180000 |
5600 |
7000 |
10 |
3.3 |
1.5 | |
86.5 |
50 |
1.8 |
6.0 |
600752307 |
143000 |
180000 |
5600 |
7000 |
10 |
3.3 |
1.5 | |
86.5 |
50 |
1.8 |
6.5 |
650752307 |
143000 |
180000 |
5600 |
7000 |
10 |
3.3 |
1.5 | |
86.5 |
50 |
1.8 |
7.0 |
700752307 |
143000 |
180000 |
5600 |
7000 |
10 |
3.3 |
1.5 | |
11.3 |
62 |
1.8 |
1.0 |
100752307k |
22000 |
291000 |
4500 |
5600 |
10 |
3.3 |
3.5 | |
11.3 |
62 |
1.8 |
1.25 |
130752307k |
22000 |
291000 |
4500 |
5600 |
10 |
3.3 |
3.5 | |
11.3 |
62 |
1.8 |
1.5 |
150752307k |
22000 |
291000 |
4500 |
5600 |
10 |
3.3 |
3.5 |
主要尺寸
(mm) |
軸承型號 |
額定負荷
(N)
靜動 |
極限轉速
(rpm)
脂潤滑 油潤滑 |
鍵槽
b t1 |
重量
(kg)
(參考) | |||||||
d |
D |
L |
r |
e | ||||||||
35 |
113 |
62 |
1.8 |
1.75 |
180752307k |
220000 |
291000 |
4500 |
5600 |
10 |
3.3 |
3.5 |
113 |
62 |
1.8 |
2.0 |
200752307k |
220000 |
291000 |
4500 |
5600 |
10 |
3.3 |
3.5 | |
113 |
62 |
1.8 |
2.5 |
250752307k |
220000 |
291000 |
4500 |
5600 |
10 |
3.3 |
3.5 | |
113 |
62 |
1.8 |
3.0 |
300752307k |
220000 |
291000 |
4500 |
5600 |
10 |
3.3 |
3.5 | |
113 |
62 |
1.8 |
3.5 |
350752307k |
220000 |
291000 |
4500 |
5600 |
10 |
3.3 |
3.5 | |
113 |
62 |
1.8 |
4.0 |
400752307k |
220000 |
291000 |
4500 |
5600 |
10 |
3.3 |
3.5 | |
113 |
62 |
1.8 |
5.0 |
500752307k |
220000 |
291000 |
4500 |
5600 |
10 |
3.3 |
3.5 | |
113 |
62 |
1.8 |
6.0 |
600752307k |
220000 |
291000 |
4500 |
5600 |
10 |
3.3 |
3.5 | |
113 |
62 |
1.8 |
7.0 |
700752307k |
220000 |
291000 |
4500 |
5600 |
10 |
3.3 |
3.5 | |
38 |
95 |
54 |
2.0 |
0.75 |
80752908 |
162000 |
207000 |
5300 |
6700 |
10 |
3.3 |
1.8 |
95 |
54 |
2.0 |
1.0 |
100752908 |
162000 |
207000 |
5300 |
6700 |
10 |
3.3 |
1.8 | |
95 |
54 |
2.0 |
1.5 |
150752908 |
162000 |
207000 |
5300 |
6700 |
10 |
3.3 |
1.8 | |
95 |
54 |
2.0 |
2.0 |
200752908 |
162000 |
207000 |
5300 |
6700 |
10 |
3.3 |
1.8 | |
95 |
54 |
2.0 |
2.5 |
250752908 |
162000 |
207000 |
5300 |
6700 |
10 |
3.3 |
1.8 | |
95 |
54 |
2.0 |
3.0 |
300752908 |
162000 |
207000 |
5300 |
6700 |
10 |
3.3 |
1.8 | |
95 |
54 |
2.0 |
3.5 |
350752908 |
162000 |
207000 |
5300 |
6700 |
10 |
3.3 |
1.8 | |
95 |
54 |
2.0 |
4.0 |
400752908 |
162000 |
207000 |
5300 |
6700 |
10 |
3.3 |
1.8 | |
95 |
54 |
2.0 |
5.0 |
500752908 |
162000 |
207000 |
5300 |
6700 |
10 |
3.3 |
1.8 | |
113 |
62 |
2.0 |
1.0 |
100752908k |
220000 |
291000 |
4500 |
5600 |
10 |
3.3 |
3.2 | |
113 |
62 |
2.0 |
2.0 |
200752908k |
220000 |
291000 |
4500 |
5600 |
10 |
3.3 |
3.2 | |
113 |
62 |
2.0 |
2.5 |
250752908k |
220000 |
291000 |
4500 |
5600 |
10 |
3.3 |
3.2 | |
113 |
62 |
2.0 |
3.0 |
300752908k |
220000 |
291000 |
4500 |
5600 |
10 |
3.3 |
3.2 | |
113 |
62 |
2.0 |
4.0 |
400752908k |
220000 |
291000 |
4500 |
5600 |
10 |
3.3 |
3.2 | |
113 |
62 |
2.0 |
5.0 |
500752908k |
220000 |
291000 |
4500 |
5600 |
10 |
3.3 |
3.2 | |
42 |
113 |
62 |
2.0 |
4.0 |
400752908k1 |
217000 |
291000 |
4500 |
5600 |
10 |
3.3 |
3.1 |
113 |
62 |
2.0 |
5.0 |
500752908k1 |
217000 |
291000 |
4500 |
5600 |
10 |
3.3 |
3.1 |
頁次:1/1 每頁10條 共6條信息 分頁:[1] |