產品展示
|
規格 |
許用轉速n1max(r/min)
用浸油潤滑 | ||||||||||||
|
公稱傳動比iN | |||||||||||||
|
MC2RV,MC2RE |
MC3RV,MC3RE | ||||||||||||
|
|
7.1 |
8 |
9 |
10 |
11.2 |
12.5 |
14 |
16 |
18 |
20 |
22.5 |
25 |
28 |
|
02
03 |
1568
1451 |
1568
1451 |
1568
1451 |
2131
2033 |
2131
2033 |
2131
2033 |
2652
2463 |
2652
2463 |
1652
2463 |
2652
2463 |
2652
2463 |
2652
2463 |
2652
2463 |
|
04
05 |
1319
1189 |
1319
1189 |
1319
1189 |
1814
1631 |
1814
1631 |
1814
1631 |
2366
2100 |
2366
2100 |
2366
2100 |
2366
2100 |
2366
2100 |
2366
2100 |
2366
2100 |
|
06
07 |
1047
929 |
1047
929 |
1047
929 |
1480
1298 |
1480
1298 |
1480
1298 |
1873
1785 |
1873
1785 |
1873
1785 |
1873
1785 |
1873
1785 |
1873
1785 |
1873
1785 |
|
08
09 |
872
773 |
872
773 |
872
773 |
1221
1084 |
1221
1084 |
1221
1084 |
1599
1447 |
1599
1447 |
1599
1447 |
1599
1447 |
1599
1447 |
1599
1477 |
1599
1477 |
|
規格
MC2RV,
MC2RE |
許用轉速n1max(r/min)
用浸油潤滑 | |||||||||||
|
公稱傳動比iN | ||||||||||||
|
31.5 |
35.5 |
40 |
45 |
50 |
56 |
63 |
71 |
80 |
90 |
100 |
112 | |
|
02
03 |
2652
2463 |
2652
3000 |
3000
3000 |
3000
3000 |
3000
3000 |
3000
3000 |
3000
3000 |
3000
3000 |
3000
3000 |
3000
3000 |
3000
3000 |
3000
3000 |
|
04
05 |
2366
2100 |
3000
2799 |
3000
2799 |
3000
2799 |
3000
2799 |
3000
3000 |
3000
3000 |
3000
3000 |
3000
3000 |
3000
3000 |
3000
3000 |
3000
3000 |
|
06
07 |
1873
1785 |
2491
2395 |
2491
2395 |
2491
2395 |
2491
2395 |
3000
2967 |
3000
2967 |
3000
3000 |
3000
3000 |
3000
3000 |
3000
3000 |
3000
3000 |
|
08
09 |
1599
1447 |
2141
1924 |
2141
1924 |
2141
1924 |
2141
1924 |
2715
2467 |
2715
2467 |
3000
2907 |
3000
2907 |
3000
2907 |
3000
3000 |
3000
3000 |
MC系列硬齒面中型齒輪減速機熱功率(規格MC2R、MC3R)
|
規格 |
風扇數 |
熱功率PTN(kWa) n1=1500 1/min的計算值 | |||||||||||
|
公稱傳動比iM/環境溫度 | |||||||||||||
|
MC2R |
MC3R | ||||||||||||
|
iN=7.1...12.5 |
iN=14...63 |
iN=71...112 | |||||||||||
|
20℃ |
30℃ |
40℃ |
50℃ |
20℃ |
30℃ |
40℃ |
50℃ |
20℃ |
30℃ |
40℃ |
50℃ | ||
|
02 |
-
1 |
34
76 |
23
55 |
14
33 |
*)
11 |
37
75 |
27
61 |
18
46 |
9
32 |
36
60 |
26
55 |
17
40 |
8
26 |
|
03 |
-
1 |
42
92 |
29
66 |
18
40 |
7
14 |
44
91 |
33
73 |
22
56 |
10
38 |
43
84 |
32
66 |
21
48 |
9
31 |
|
04 |
-
1 |
52
114 |
35
82 |
22
49 |
9
17 |
55
112 |
41
91 |
27
69 |
13
47 |
53
103 |
39
82 |
25
60 |
11
38 |
|
05 |
-
1 |
57
129 |
40
92 |
27
56 |
11
19 |
62
127 |
46
102 |
30
78 |
14
53 |
60
116 |
44
92 |
29
67 |
13
43 |
|
06 |
-
1 |
66
154 |
48
111 |
32
67 |
14
23 |
74
152 |
55
123 |
36
93 |
17
64 |
72
139 |
53
110 |
34
81 |
15
52 |
|
07 |
-
1 |
80
187 |
47
134 |
38
81 |
17
28 |
90
184 |
67
149 |
44
113 |
21
78 |
87
160 |
64
134 |
42
98 |
19
63 |
|
08 |
-
1 |
95
231 |
67
165 |
42
100 |
21
34 |
110
227 |
82
183 |
54
139 |
26
96 |
107
208 |
79
165 |
51
121 |
23
77 |
|
09 |
-
1 |
109
266 |
76
190 |
49
115 |
23
39 |
127
261 |
95
211 |
62
161 |
30
110 |
124
240 |
91
190 |
59
139 |
26
89 |
*)需要冷卻
尺寸 尺寸 尺寸
MC2PL...602- MC2RV...610- MC2RE...618-
MC2PL...604- MC2RV...612- MC3RE...620- 許用的持續外載荷FR
實心軸(LSS)
1.許用徑向力FR的確定

FR=實際許用徑向力
FRN=軸端中點許用額定徑向力,使用系數FS=1.0計算值
FS=使用系數
Kr=徑向力位置的影響系數
2.實心軸(LSS)的徑向外力
徑向外力可以為任意方向。表中所示的FRN是低速軸端最不利方向的許用徑向力。
表1:軸向力FA=0kN時,許用額定徑向力FRN
|
減速器
規格 |
低速軸端中點FRN[kN] | |||
|
低速軸速度n2[1/min] | ||||
|
≤17 |
≤30 |
≤60 |
≤90 | |
|
02 |
34 |
29 |
27 |
24 |
|
03 |
46 |
39 |
33 |
32 |
|
04 |
53 |
45 |
39 |
38 |
|
05 |
62 |
54 |
47 |
45 |
|
06 |
68 |
59 |
51 |
43 |
|
07 |
79 |
68 |
60 |
56 |
|
08 |
100 |
85 |
75 |
72 |
|
09 |
120 |
115 |
91 |
86 |

高速軸(HSS)端
假定徑向力作用在高速軸的中點,無軸向力FA,來確定減速器尺寸。
V型帶輪節圓直徑必須大于軸端直徑的6倍。
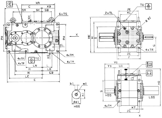
2級斜齒輪減速器
水平安裝

插圖僅僅作為例子,不是嚴格的裝配關系。
重量和油量僅是指導值。
減速器尺寸
|
規格 |
箱體尺寸(mm) | |||||||||||||||||||||||
|
A |
C |
E |
EBhⅡ |
GhⅡ |
H |
HK |
HO |
jhⅡ |
JE |
KG |
KL |
KT |
L |
LB |
LE |
LN |
N |
PH |
φRJ |
S |
SA |
SB |
SC | |
|
02
03 |
280
310 |
400
432 |
574
618 |
195
207 |
160
180 |
320
360 |
382
422 |
380
445 |
260
274 |
212
228 |
28
28 |
68
68 |
45
45 |
98
110 |
170
182 |
354
389 |
175
207 |
282
314 |
270
310 |
240
239 |
206
246 |
206
246 |
114
122 |
96
84 |
|
04
05 |
340
374 |
471
514 |
677
731 |
229
240 |
200
215 |
400
430 |
462
500 |
510
565 |
314
329 |
260
279 |
30
34 |
71
71 |
50
50 |
122
136 |
201
212 |
420
463 |
233
228 |
341
387 |
344
374 |
276
320 |
260
296 |
260
296 |
147
136 |
114
106 |
|
06
07 |
409
445 |
565
616 |
812
885 |
270
295 |
235
265 |
470
530 |
540
620 |
605
695 |
356
380 |
292
316 |
40
40 |
88
91 |
64
64 |
141
150 |
235
260 |
507
555 |
256
285 |
413
445 |
400
454 |
322
346 |
308
350 |
308
350 |
141
150 |
132
112 |
|
08
09 |
490
540 |
685
742 |
981
1049 |
322
335 |
300
335 |
600
670 |
690
779 |
760
870 |
431
451 |
353
373 |
52
52 |
103
103 |
78
78 |
174
187 |
280
293 |
617
672 |
318.5
373.5 |
511
566 |
516
588 |
366
392 |
406
476 |
406
476 |
174
187 |
115
100 |
|
規格 |
箱體尺寸(mm) |
HSS尺寸(mm) |
重量 |
油量 | |||||||||||||||||
|
TU |
TM |
TO |
TP H9 |
TR=TX |
TS |
XA |
XB |
XC |
XH |
U1 |
Y1 |
V1 |
φd1 |
b1 |
h1 |
m1 |
kg |
l | |||
|
02
03 |
R1
R1 |
24
24 |
R3/4
R3/4 |
24
24 |
M20
M20 |
35
35 |
M16
M16 |
32
32 |
355
384 |
135
147 |
182
196 |
18
18 |
170
177 |
120
120 |
290
297 |
48K6
50K6 |
14h9
14h9 |
51.5
53.5 |
M16
M16 |
201
256 |
9
12 |
|
04
05 |
R1
R1 |
28
28 |
R3/4
R3/4 |
28
28 |
M24
M24 |
42
42 |
M16
M20 |
32
35 |
430
460 |
168
182 |
211
226 |
22
22 |
197
205 |
130
135 |
327
340 |
55M6
60M6 |
16h9
18h9 |
59
64 |
M20
M20 |
353
455 |
16
28 |
|
06
07 |
R1
R1 |
33
33 |
R1
R1 |
33
33 |
M30
M30 |
53
53 |
M20
M24 |
35
42 |
525
561 |
195
219 |
248
262 |
22
22 |
218
230 |
140
140 |
358
370 |
70M6
75M6 |
20h9
20h9 |
74.5
79.5 |
M20
M20 |
560
726 |
36
46 |
|
08
09 |
R1
R1 |
39
39 |
R1
R1 |
39
39 |
M30
M30 |
53
53 |
M24
M30 |
42
53 |
597
652 |
234
247 |
289
309 |
22
22 |
256
266 |
160
160 |
416
426 |
80M6
85M6 |
22h9
22h9 |
85
90 |
M20
M20 |
969
1208 |
58
75 |

|
規格 |
LSS尺寸(mm) | |||||||||||
|
d2 |
b2 |
h2 |
m2 |
Y2 |
V2 |
U3 |
UC |
UD |
φD2 |
φD4 |
φD5 | |
|
02
03 |
80m6
100m6 |
22h9
28h9 |
85
106 |
M20
M24 |
140
170 |
304
341 |
164
171 |
257
274 |
158
163 |
80js7/H8
95js7/H8 |
86js6/H7
101js6/H7 |
85js6/H7
101js6/H7 |
|
04
05 |
105m6
120m6 |
28h9
32h9 |
111
127 |
M24
M24 |
210
210 |
403
411 |
193
201 |
302
311 |
187
193 |
105js7/H8
115js7/H8 |
111js6/H7
121js6/H7 |
110js6/H7
120js6/H7 |
|
06
07 |
130m6
140m6 |
32h9
36h9 |
137
148 |
M24
M24 |
220
250 |
434
478 |
214
228 |
331
354 |
210
224 |
125js7/H8
135js7/H8 |
131js6/H7
141js6/H7 |
130js6/H7
140js6/H7 |
|
08
09 |
160m6
170m6 |
40h9
40h9 |
169
179 |
M24
M24 |
250
310 |
504
574 |
254
264 |
397
407 |
246
262 |
150js7/H8
165js7/H8 |
151js6/H7
166js6/H7 |
150js6/H7
165js6/H7 |
軸的位置

3級斜齒輪減速器
水平安裝

插圖僅僅作為例子,不是嚴格的裝配關系。
重量和油量僅是指導值。
|
規格 |
箱體尺寸(mm) | |||||||||||||||||||||
|
A |
C |
EBhⅡ |
GhⅡ |
H |
HK |
HO |
JhⅡ |
JE |
KG |
KL |
KT |
L |
LB |
LE |
LN |
N |
PH |
S |
SA |
SB |
SC | |
|
02
03 |
368
408 |
467
513 |
195
207 |
160
180 |
320
360 |
382
422 |
380
445 |
260
274 |
212
228 |
28
28 |
68
68 |
45
45 |
98
110 |
170
182 |
442
488 |
263
306 |
369
416 |
270
310 |
206
246 |
206
246 |
114
122 |
175
181 |
|
04
05 |
444
486 |
558
605 |
229
240 |
200
215 |
400
430 |
462
500 |
510
565 |
314
329 |
260
279 |
30
34 |
71
71 |
50
50 |
122
136 |
201
212 |
524
575 |
337
340 |
449
499 |
344
374 |
260
296 |
260
296 |
147
136 |
218
218 |
|
06
07 |
529
575 |
665
720 |
270
295 |
235
265 |
470
530 |
540
620 |
605
695 |
356
380 |
292
316 |
40
40 |
88
91 |
64
64 |
141
150 |
235
260 |
627
685 |
376
415 |
533
575 |
400
454 |
308
350 |
308
350 |
141
150 |
252
242 |
|
08
09 |
630
694 |
803
872 |
322
335 |
300
335 |
600
670 |
690
779 |
760
870 |
431
451 |
353
373 |
52
52 |
103
103 |
78
78 |
174
187 |
280
293 |
757
826 |
458.5
527.5 |
651
720 |
516
586 |
406
476 |
406
476 |
174
187 |
255
254 |
|
規格 |
箱體尺寸(mm) |
HSS尺寸(mm) |
重量 |
油量 | |||||||||||||||||
|
TU |
TM |
TO |
TP H9 |
TX |
TS |
XA |
XB |
XC |
XH |
U1 |
Y1 |
V1 |
φd1 |
b1 |
h1 |
m1 |
kg |
l | |||
|
02
03 |
R1
R1 |
24
24 |
R3/4
R3/4 |
24
24 |
M20
M20 |
35
35 |
M16
M16 |
32
32 |
355
384 |
135
147 |
182
196 |
18
18 |
170
177 |
120
120 |
290
297 |
32k6
38k6 |
10h9
10h9 |
35
41 |
M12
M12 |
222
292 |
13
17 |
|
04
05 |
R1
R1 |
28
28 |
R3/4
R3/4 |
28
28 |
M24
M24 |
42
42 |
M16
M20 |
32
35 |
430
460 |
168
182 |
211
226 |
22
22 |
197
205 |
130
135 |
327
340 |
38k6
48k6 |
10h9
14h9 |
41
51.5 |
M12
M16 |
296
517 |
24
34 |
|
06
07 |
R1
R1 |
33
33 |
R1
R1 |
33
33 |
M30
M30 |
53
53 |
M20
M24 |
35
42 |
525
561 |
195
219 |
248
262 |
22
22 |
218
230 |
140
140 |
358
370 |
48k6
50k6 |
14h9
14h9 |
51.5
53.5 |
M16
M16 |
614
797 |
45
53 |
|
08
09 |
R1
R1 |
39
39 |
R1
R1 |
39
39 |
M30
N30 |
53
53 |
M24
M30 |
42
53 |
597
652 |
234
247 |
289
309 |
22
22 |
256
266 |
160
160 |
416
426 |
55m6
60m6 |
16h9
18h9 |
59
64 |
M20
M20 |
1085
1297 |
68
85 |

|
規格 |
LSS尺寸(mm) | |||||||||||
|
d2 |
b2 |
h2 |
m2 |
Y2 |
V2 |
U3 |
UC |
UD |
φD2 |
φD4 |
φD5 | |
|
02
03 |
80m6
100m6 |
22h9
28h9 |
85
106 |
M20
M24 |
140
170 |
304
341 |
164
171 |
257
274 |
156
163 |
80js7/H8
95js7/H8 |
86js6/H7
101js6/H7 |
85js6/H7
100js6/H7 |
|
04
05 |
105m6
120m6 |
28h9
32h9 |
111
127 |
M24
M24 |
210
210 |
403
411 |
193
201 |
302
311 |
187
193 |
105js7/H8
115js7/H8 |
111js6/H7
121js6/H7 |
110js6/H7
120js6/H7 |
|
06
07 |
130m6
140m6 |
32h9
36h9 |
137
148 |
M24
M24 |
220
250 |
434
478 |
214
228 |
331
354 |
210
224 |
125js7/H8
135js7/H8 |
131js6/H7
141js6/H7 |
130js6/H7
140js6/H7 |
|
08
09 |
160m6
170m6 |
40h9
40h9 |
169
179 |
M24
M24 |
250
310 |
504
574 |
254
264 |
397
407 |
246
262 |
150js7/H8
165js7/H8 |
151js6/H7
166js6/H7 |
150js6/H7
165js6/H7 |
軸的位置

水平安裝

插圖僅僅作為例子,不是嚴格的裝配關系。
重量和油量僅是指導值。
|
規格 |
箱體尺寸(mm) | |||||||||||||||||||||
|
E |
EBhⅡ |
GhⅡ |
H |
HK |
HO |
JhⅡ |
JE |
KG |
KL |
KT |
L |
LB |
LE |
LN |
N |
PH |
φRJ |
S |
SA |
SB |
SC | |
|
02
03 |
574
518 |
195
207 |
160
180 |
320
360 |
382
422 |
395
460 |
260
274 |
212
228 |
28
28 |
68
68 |
45
45 |
98
110 |
170
182 |
354
389 |
175
207 |
282
314 |
270
310 |
240
240 |
206
246 |
206
246 |
114
122 |
96
84 |
|
04
05 |
677
731 |
229
240 |
200
215 |
400
430 |
462
500 |
520
575 |
314
329 |
260
279 |
30
34 |
71
71 |
50
50 |
122
136 |
201
212 |
420
463 |
233
228 |
341
387 |
344
374 |
276
320 |
260
296 |
253
296 |
147
136 |
114
106 |
|
06
07 |
812
885 |
270
295 |
235
265 |
470
530 |
540
620 |
615
705 |
356
380 |
292
316 |
40
40 |
88
91 |
64
64 |
141
150 |
235
260 |
507
555 |
256
285 |
413
445 |
400
454 |
322
346 |
308
350 |
308
350 |
141
150 |
132
112 |
|
08
09 |
981
1049 |
322
335 |
300
335 |
600
670 |
690
779 |
775
885 |
431
451 |
353
373 |
52
52 |
103
103 |
78
78 |
174
187 |
280
293 |
617
672 |
318.5
373.5 |
511
566 |
516
586 |
385
392 |
406
476 |
406
476 |
174
187 |
115
100 |
|
規格 |
箱體尺寸(mm) |
HSS尺寸(mm) |
重量 |
油量 | |||||||||||||||||
|
TU |
TM |
TO |
TP H9 |
TR=TX |
TS |
XA |
XB |
XC |
XH |
U1 |
Y1 |
V1 |
φd1 |
b1 |
h1 |
m1 |
kg |
l | |||
|
02
03 |
R1
R1 |
24
24 |
R3/4
R3/4 |
24
24 |
M20
M20 |
35
35 |
M16
M16 |
32
32 |
355
384 |
135
147 |
182
196 |
18
18 |
509
549 |
130
135 |
639
684 |
50k6
55m6 |
14h9
16h9 |
53.5
59 |
M16
M20 |
221
280 |
10
14 |
|
04
05 |
R1
R1 |
28
28 |
R3/4
R3/4 |
28
28 |
M24
M24 |
42
42 |
M16
M20 |
32
35 |
430
460 |
168
182 |
211
226 |
22
22 |
600
655 |
135
138 |
735
793 |
60m6
65m6 |
18h9
18h9 |
64
69 |
M20
M20 |
381
505 |
19
22 |
|
06
07 |
R1
R1 |
33
33 |
R1
R1 |
33
33 |
M30
M30 |
53
53 |
M20
M24 |
35
42 |
525
561 |
195
219 |
248
262 |
22
22 |
698
752 |
140
160 |
838
912 |
70m6
75m6 |
20h9
20h9 |
74.5
79.5 |
M20
M20 |
615
793 |
26
32 |
|
08
09 |
R1
R1 |
39
39 |
R1
R1 |
39
39 |
M30
M30 |
53
53 |
M24
M30 |
42
53 |
597
652 |
234
247 |
289
309 |
22
22 |
822
921 |
160
195 |
982
1116 |
85m6
90m6 |
22h9
22h9 |
90
95 |
M20
M24 |
1055
1330 |
58
84 |

|
規格 |
LSS尺寸(mm) | |||||||||||
|
d2 |
b2 |
h2 |
m2 |
Y2 |
V2 |
U3 |
UC |
UD |
φD2 |
φD4 |
φD5 | |
|
02
03 |
80m6
100m6 |
22h9
28h9 |
85
106 |
M20
M24 |
140
170 |
304
341 |
164
171 |
257
274 |
156
163 |
80js7/H8
85js7/H8 |
86js6/H7
101js6/H7 |
85js6/H7
100js6/H7 |
|
04
05 |
105m6
120m6 |
28h9
32h9 |
111
127 |
M24
M24 |
210
210 |
403
411 |
193
201 |
302
311 |
187
193 |
105js7/H8
115js7/H8 |
111js6/H7
121js6/H7 |
110js6/H7
120js6/H7 |
|
06
07 |
130m6
140m6 |
32h9
36h9 |
137
148 |
M24
M24 |
220
250 |
434
478 |
214
228 |
331
354 |
210
224 |
125js7/H8
135js7/H8 |
131js6/H7
141js6/H7 |
130js6/H7
140js6/H7 |
|
08
09 |
160m6
170m6 |
40h9
40h9 |
169
179 |
M24
M24 |
250
310 |
504
574 |
254
264 |
397
407 |
246
262 |
150js7/H8
165js7/H8 |
151js6/H7
166js6/H7 |
150js6/H7
165js6/H7 |
軸的位置

水平安裝

插圖僅僅作為例子,不是嚴格的裝配關系。
重量和油量僅是指導值。
|
規格 |
箱體尺寸(mm) | ||||||||||||||||||||||||
|
E |
EBhⅡ |
GhⅡ |
H |
HK |
HO |
JhⅡ |
JE |
KG |
KL |
KT |
L |
LB |
LE |
LN |
N |
PH |
φRJ |
S |
SA |
SB |
SC |
TL=TU |
TM |
TO | |
|
02
03 |
574
618 |
195
207 |
160
180 |
320
360 |
382
422 |
380
445 |
260
274 |
212
228 |
28
28 |
68
68 |
45
45 |
98
110 |
170
182 |
354
389 |
175
207 |
282
314 |
270
310 |
240
240 |
206
246 |
206
246 |
114
122 |
96
84 |
R1
R1 |
24
24 |
R3/4
R3/4 |
|
04
05 |
677
731 |
229
240 |
200
215 |
400
430 |
462
500 |
510
565 |
314
329 |
260
279 |
30
34 |
71
71 |
50
50 |
122
136 |
201
212 |
420
463 |
233
228 |
341
387 |
344
374 |
276
320 |
260
296 |
260
296 |
147
136 |
114
106 |
R1
R1 |
28
28 |
R3/4
R3/4 |
|
06
07 |
812
885 |
270
295 |
235
265 |
470
530 |
540
620 |
605
695 |
356
380 |
292
316 |
40
40 |
88
91 |
64
64 |
141
150 |
235
260 |
507
555 |
256
285 |
413
445 |
400
454 |
322
346 |
308
350 |
308
350 |
141
150 |
132
112 |
R1
R1 |
33
33 |
R1
R1 |
|
08
09 |
981
1049 |
322
335 |
300
335 |
600
670 |
690
779 |
760
870 |
431
451 |
353
373 |
52
52 |
103
103 |
78
78 |
174
187 |
280
293 |
617
672 |
318
373 |
511
566 |
516
586 |
385
392 |
406
476 |
406
476 |
174
187 |
115
100 |
R1
R1 |
39
39 |
R1
R1 |
|
規格 |
箱體尺寸(mm) |
|
HSS尺寸(mm) |
重量 |
油量 | |||||||||||||||||||||
|
i=14~63 |
i=71~90 |
i=100~112 | ||||||||||||||||||||||||
|
TP H9 |
TR=TX |
TS |
XA |
XB |
XC |
XH |
U1 |
Y1 |
V1 |
φd1 |
b1 |
h1 |
m1 |
φd1 |
b1 |
h1 |
m1 |
φd1 |
b1 |
h1 |
m1 |
kg |
l | |||
|
02
03 |
24
24 |
M20
M20 |
35
35 |
M16
M16 |
32
32 |
355
384 |
135
147 |
182
196 |
18
18 |
533
584 |
100
112 |
633
696 |
35k6
40k6 |
10h9
12h9 |
38
43 |
M12
M16 |
30k6
30k6 |
8h9
8h9 |
33
33 |
M10
M10 |
25k6
25k6 |
8h9
8h9 |
28
28 |
M10
M10 |
219
279 |
11
14 |
|
04
05 |
28
28 |
M24
M24 |
42
42 |
M16
M20 |
32
35 |
430
460 |
168
182 |
211
226 |
22
22 |
642
695 |
120
125 |
762
818 |
42k6
50k6 |
12h9
14h9 |
43
45 |
M16
M16 |
35k6
40k6 |
10h9
12h9 |
38
43 |
M10
M10 |
25k6
30k6 |
8h9
8h9 |
28
33 |
M10
M10 |
382
492 |
20
30 |
|
06
07 |
33
33 |
M30
M30 |
53
53 |
M20
M24 |
35
42 |
525
561 |
195
219 |
248
262 |
22
22 |
758
814 |
130
135 |
888
949 |
50k6
60m6 |
14h9
18h9 |
53.5
64 |
M16
M20 |
45k6
45k6 |
14h9
14h9 |
48.5
48.5 |
M12
M16 |
35k6
40k6 |
10h9
12h9 |
38
43 |
M12
M16 |
601
779 |
40
50 |
|
08
09 |
39
39 |
M30
M30 |
53
53 |
M24
M30 |
42
53 |
597
652 |
234
247 |
269
309 |
22
22 |
890
969 |
135
140 |
1025
1109 |
60m6
70m6 |
18h9
20h9 |
64
74.5 |
M20
M20 |
55k6
60k6 |
16h9
18h9 |
59
64 |
M20
M20 |
40k6
45k6 |
12h9
14h9 |
43
48.5 |
M16
M16 |
1037
1299 |
65
80 |

|
規格 |
LSS尺寸(mm) | |||||||||||
|
d2 |
b2 |
h2 |
m2 |
Y2 |
V2 |
U3 |
UC |
UD |
φD2 |
φD4 |
φD5 | |
|
02
03 |
80m6
100m6 |
22h9
28h9 |
85
106 |
M20
M24 |
140
170 |
304
341 |
164
171 |
257
274 |
158
163 |
80js7/H8
95js7/H8 |
86js6/H7
100js6/H7 |
85js6/H7
101js6/H7 |
|
04
05 |
105m6
120m6 |
28h9
32h9 |
111
127 |
M24
M24 |
210
210 |
403
411 |
193
201 |
302
311 |
187
193 |
105js7/H8
115js7/H8 |
111js6/H7
121js6/H7 |
110js6/H7
120js6/H7 |
|
06
07 |
130m6
140m6 |
32h9
36h9 |
137
148 |
M24
M24 |
220
250 |
434
478 |
214
228 |
331
354 |
210
224 |
125js7/H8
135js7/H8 |
131js6/H7
141js6/H7 |
130js6/H7
140js6/H7 |
|
08
09 |
160m6
170m6 |
40h9
40h9 |
169
179 |
M24
M24 |
250
310 |
504
574 |
254
264 |
397
407 |
246
262 |
150js7/H8
165js7/H8 |
151js6/H7
166js6/H7 |
150js6/H7
165js6/H7 |
軸的位置

2級斜齒輪減速器
垂直安裝

插圖僅僅作為例子,不是嚴格的裝配關系。
重量和油量僅是指導值。
主要附件可供垂直安裝選用

|
附件尺寸 | ||||||
|
規格 |
HK |
LC |
LH |
X |
JX |
JW |
|
02
03 |
620
640 |
460
490 |
600
620 |
-
- |
-
- |
-
- |
|
04
05 |
680
690 |
530
560 |
620
630 |
250
250 |
162
169 |
380
420 |
|
06
07 |
710
740 |
600
620 |
650
680 |
250
250 |
182
204 |
454
499 |
|
08
09 |
790
810 |
690
740 |
640
670 |
316
386 |
219
232 |
556
611 |
|
規格 |
箱體尺寸(mm) | |||||||||||||||||||||||
|
A |
EBhⅡ |
C |
E |
HhⅡ |
J |
JE |
KG |
KH |
KL |
KT |
L |
LB |
LE |
LN |
N |
PH |
RH |
φRJ |
RK |
S |
SA |
SB |
SC | |
|
02
03 |
280
310 |
195
207 |
340
432 |
574
618 |
260
274 |
320
360 |
212
228 |
28
28 |
90
100 |
68
68 |
45
45 |
98
110 |
170
182 |
354
389 |
175
207 |
282
314 |
270
310 |
107
127 |
240
240 |
73
78 |
206
246 |
206
246 |
114
122 |
95
84 |
|
04
05 |
340
374 |
229
240 |
471
514 |
677
731 |
314
329 |
400
430 |
260
279 |
30
34 |
118
118 |
71
71 |
50
50 |
122
136 |
201
212 |
420
463 |
233
228 |
341
387 |
344
374 |
136
146 |
276
320 |
83
90 |
260
296 |
260
296 |
147
136 |
114
106 |
|
06
07 |
409
445 |
270
295 |
565
616 |
612
885 |
356
380 |
470
530 |
292
316 |
40
40 |
131
152 |
88
91 |
64
64 |
141
150 |
235
260 |
507
555 |
256
285 |
413
445 |
400
454 |
156
173 |
322
346 |
97
102 |
308
350 |
308
350 |
141
150 |
132
112 |
|
08
09 |
490
540 |
322
335 |
685
742 |
981
1049 |
431
451 |
600
670 |
353
373 |
52
52 |
153
153 |
103
103 |
78
78 |
174
187 |
280
293 |
617
672 |
318.5
373.5 |
511
566 |
516
586 |
178
196 |
385
392 |
107
112 |
406
476 |
406
476 |
174
187 |
115
100 |
|
規格 |
箱體尺寸(mm) |
HSS尺寸(mm) |
重量 |
油量 | |||||||||||||||||
|
TL |
TM |
TO |
TP H9 |
TR=TX |
TS |
XA |
XB |
XC |
XH |
U1 |
Y1 |
V1 |
φd1 |
b1 |
h1 |
m1 |
kg |
l | |||
|
02
03 |
R1
R1 |
24
24 |
R3/4
R3/4 |
24
24 |
M20
M20 |
35
35 |
M16
M16 |
32
32 |
355
384 |
135
147 |
182
196 |
18
18 |
300
314 |
120
120 |
420
434 |
48k6
50k6 |
14h9
16h9 |
51.5
53.5 |
M16
M20 |
201
256 |
25
30 |
|
04
05 |
R1
R1 |
28
28 |
R3/4
R3/4 |
28
28 |
M24
M24 |
42
42 |
M16
M20 |
32
35 |
430
460 |
168
182 |
211
226 |
22
22 |
354
370 |
130
135 |
484
505 |
55m6
60m6 |
18h9
18h9 |
59
64 |
M20
M20 |
353
455 |
40
58 |
|
06
07 |
R1
R1 |
33
33 |
R1
R1 |
33
33 |
M30
M30 |
53
53 |
M20
M24 |
35
42 |
525
561 |
195
219 |
248
262 |
22
22 |
396
420 |
140
140 |
436
560 |
70m6
75m6 |
20h9
20h9 |
74.5
79.5 |
M20
M20 |
560
726 |
70
95 |
|
08
09 |
R1
R1 |
39
39 |
R1
R1 |
39
39 |
M30
M30 |
53
53 |
M24
M30 |
42
53 |
597
852 |
234
247 |
289
309 |
22
22 |
472
492 |
160
160 |
632
652 |
80m6
85m6 |
22h9
22h9 |
85
90 |
M20
M24 |
969
1208 |
110
130 |

|
規格 |
LSS尺寸(mm) | |||||||||||||
|
d2 |
b2 |
h2 |
m2 |
Y2 |
V3 |
U2 |
U3 |
U4 |
UC |
UD |
φD2 |
φD4 |
φD5 | |
|
02
03 |
80m6
100m6 |
22h9
28h9 |
85
106 |
M20
M24 |
140
170 |
174
204 |
34
34 |
164
171 |
34
34 |
257
274 |
156
163 |
80js7/H8
85js7/H8 |
86js6/H7
100js6/H7 |
85js6/H7
101js6/H7 |
|
04
05 |
105m6
120m6 |
28h9
32h9 |
111
127 |
M24
M24 |
210
210 |
246
246 |
36
36 |
193
201 |
36
36 |
302
311 |
187
193 |
105js7/H8
115js7/H8 |
111js6/H7
121js6/H7 |
110js6/H7
120js6/H7 |
|
06
07 |
130m6
140m6 |
32h9
36h9 |
137
148 |
M24
M24 |
220
250 |
256
288 |
36
38 |
214
228 |
36
38 |
331
354 |
210
224 |
125js7/H8
135js7/H8 |
131js6/H7
141js6/H7 |
130js6/H7
140js6/H7 |
|
08
09 |
160m6
170m6 |
40h9
40h9 |
169
179 |
M24
M24 |
250
310 |
288
348 |
38
38 |
254
264 |
38
38 |
397
407 |
246
262 |
150js7/H8
165js7/H8 |
151js6/H7
166js6/H7 |
150js6/H7
165js6/H7 |
軸的位置

3級斜齒輪減速器
垂直安裝

插圖僅僅作為例子,不是嚴格的裝配關系。
重量和油量僅是指導值。
主要附件可供垂直安裝選用
|
附件尺寸(mm) | ||||||
|
規格 |
HK |
LC |
LH |
X |
JX |
JW |
|
02
03 |
620
640 |
540
580 |
600
620 |
-
- |
-
- |
-
- |
|
04
05 |
680
690 |
640
680 |
620
630 |
250
250 |
162
169 |
488
532 |
|
06
07 |
710
740 |
720
750 |
650
680 |
250
250 |
182
204 |
574
629 |
|
08
09 |
790
810 |
830
900 |
640
670 |
316
386 |
219
232 |
696
765 |
|
規格 |
箱體尺寸(mm) | |||||||||||||||||||||
|
A |
EBhⅡ |
C |
HhⅡ |
J |
JE |
KG |
KH |
KL |
KT |
L |
LB |
LE |
LN |
N |
PH |
RH |
RK |
S |
SA |
SB |
SC | |
|
02
03 |
368
408 |
195
207 |
467
513 |
260
274 |
320
360 |
212
228 |
28
28 |
90
100 |
68
68 |
45
45 |
98
110 |
170
182 |
442
488 |
263
306 |
369
416 |
270
310 |
107
127 |
73
78 |
206
246 |
206
246 |
114
122 |
175
181 |
|
04
05 |
444
486 |
229
240 |
556
603 |
314
329 |
400
430 |
260
279 |
30
34 |
118
118 |
71
71 |
50
50 |
122
136 |
201
212 |
524
575 |
337
340 |
449
499 |
344
374 |
136
146 |
83
90 |
260
296 |
260
296 |
147
136 |
218
218 |
|
06
07 |
529
575 |
270
295 |
665
720 |
356
380 |
470
530 |
292
316 |
40
40 |
131
152 |
88
91 |
64
64 |
141
150 |
235
260 |
627
685 |
376
415 |
533
575 |
400
454 |
156
173 |
97
102 |
308
350 |
308
350 |
141
150 |
252
242 |
|
08
09 |
630
694 |
322
335 |
803
872 |
431
451 |
600
670 |
353
373 |
52
52 |
153
153 |
103
103 |
78
78 |
174
187 |
280
293 |
757
826 |
458.5
527.5 |
651
720 |
516
586 |
178
196 |
107
112 |
406
476 |
406
476 |
174
187 |
255
254 |
|
規格 |
箱體尺寸(mm) |
HSS尺寸(mm) |
重量 |
油量 | ||||||||||||||||
|
TM |
TO |
TP H9 |
TX |
TS |
XA |
XB |
XC |
XH |
U1 |
Y1 |
V1 |
φd1 |
b1 |
h1 |
m1 |
kg |
l | |||
|
02
03 |
24
24 |
R3/4
R3/4 |
24
24 |
M20
M20 |
35
35 |
M16
M16 |
32
32 |
355
384 |
135
147 |
182
196 |
18
18 |
300
314 |
120
120 |
420
434 |
32k6
38k6 |
10h9
10h9 |
35
41 |
M12
M12 |
222
292 |
36
42 |
|
04
05 |
28
28 |
R3/4
R3/4 |
28
28 |
M24
M24 |
42
42 |
M16
M20 |
32
35 |
430
460 |
168
182 |
211
226 |
22
22 |
354
370 |
130
135 |
484
505 |
38k6
48k6 |
10h9
14h9 |
41
51.5 |
M12
M16 |
396
517 |
55
70 |
|
06
07 |
33
33 |
R1
R1 |
33
33 |
M30
M30 |
53
53 |
M20
M24 |
35
42 |
525
561 |
195
219 |
248
262 |
22
22 |
396
420 |
140
140 |
436
560 |
48k6
50k6 |
14h9
14h9 |
51.5
53.5 |
M16
M16 |
614
797 |
90
130 |
|
08
09 |
39
39 |
R1
R1 |
39
39 |
M30
M30 |
53
53 |
M24
M30 |
42
53 |
597
652 |
234
247 |
289
309 |
22
22 |
472
492 |
160
160 |
632
652 |
55k6
60k6 |
16h9
18h9 |
59
64 |
M20
M20 |
1085
1297 |
135
160 |

|
規格 |
LSS尺寸(mm) | |||||||||||||
|
d2 |
b2 |
h2 |
m2 |
Y2 |
V3 |
U2 |
U3 |
U4 |
UC |
UD |
φD2 |
φD4 |
φD5 | |
|
02
03 |
80m6
100m6 |
22h9
28h9 |
85
106 |
M20
M24 |
140
170 |
174
204 |
34
34 |
164
171 |
34
34 |
257
274 |
156
165 |
80js7/H8
95js7/H8 |
86js6/H7
101js6/H7 |
85h6/H7
100h6/H7 |
|
04
05 |
105m6
120m6 |
28h9
32h9 |
111
127 |
M24
M24 |
210
210 |
246
246 |
36
36 |
193
201 |
36
36 |
302
311 |
187
193 |
105js7/H8
115js7/H8 |
111js6/H7
121js6/H7 |
110h6/H7
120h6/H7 |
|
06
07 |
130m6
140m6 |
32h9
36h9 |
137
148 |
M24
M24 |
220
250 |
256
288 |
36
38 |
214
228 |
36
38 |
331
354 |
210
224 |
125js7/H8
135js7/H8 |
131js6/H7
141js6/H7 |
130h6/H7
140h6/H7 |
|
08
09 |
160m6
170m6 |
40h9
40h9 |
169
179 |
M24
M24 |
250
310 |
288
348 |
38
38 |
254
264 |
38
38 |
397
407 |
246
262 |
150js7/H8
165js7/H8 |
151js6/H7
166js6/H7 |
150h6/H7
165h6/H7 |
軸的位置

垂直安裝

插圖僅僅作為例子,不是嚴格的裝配關系。
重量和油量僅是指導值。
主要附件可供垂直安裝選用

|
附件尺寸(mm) | ||||||
|
規格 |
HK |
LC |
LH |
X |
JX |
JW |
|
02
03 |
710
730 |
430
440 |
310
330 |
-
- |
-
- |
-
- |
|
04
05 |
770
780 |
480
510 |
350
370 |
250
250 |
162
169 |
380
420 |
|
06
07 |
810
830 |
540
580 |
380
410 |
250
250 |
182
204 |
454
499 |
|
08
09 |
880
900 |
620
670 |
450
480 |
316
386 |
219
232 |
556
611 |
|
規格 |
箱體尺寸(mm) | |||||||||||||||||||||
|
EHhⅡ |
E |
HhⅡ |
J |
JE |
KG |
KH |
KL |
KT |
L |
LB |
LE |
LN |
N |
PH |
RH |
φRK |
RK |
S |
SA |
SB |
SC | |
|
02
03 |
195
207 |
574
618 |
260
274 |
320
360 |
212
228 |
28
28 |
90
100 |
68
68 |
45
45 |
98
110 |
170
182 |
354
389 |
175
207 |
282
314 |
270
310 |
107
127 |
240
240 |
73
78 |
206
246 |
206
246 |
114
122 |
96
84 |
|
04
05 |
229
240 |
677
731 |
314
329 |
400
430 |
260
279 |
30
34 |
118
118 |
71
71 |
50
50 |
122
136 |
201
212 |
420
463 |
235
228 |
341
387 |
344
374 |
136
146 |
276
320 |
83
90 |
260
296 |
260
296 |
147
136 |
114
106 |
|
06
07 |
270
295 |
812
885 |
356
380 |
470
530 |
292
316 |
40
40 |
131
152 |
88
91 |
64
64 |
141
150 |
235
260 |
507
555 |
256
285 |
413
445 |
400
454 |
156
173 |
322
346 |
97
102 |
308
350 |
308
350 |
141
150 |
132
112 |
|
08
09 |
322
335 |
981
1049 |
431
451 |
600
670 |
353
373 |
52
52 |
153
153 |
103
103 |
78
78 |
174
187 |
280
293 |
617
672 |
318.5
373.5 |
511
566 |
516
586 |
178
196 |
385
392 |
107
112 |
406
476 |
406
476 |
174
187 |
115
100 |
|
規格 |
箱體尺寸(mm) |
HSS尺寸(mm) |
重量 |
油量 | ||||||||||||||||
|
TM |
TO |
TP H9 |
TX |
TS |
XA |
XB |
XC |
XH |
U1 |
Y1 |
V1 |
φd1 |
b1 |
h1 |
m1 |
kg |
l | |||
|
02
03 |
24
24 |
R3/4
R3/4 |
24
24 |
M20
M20 |
35
35 |
M16
M16 |
32
32 |
355
384 |
135
147 |
182
196 |
18
18 |
509
549 |
130
135 |
639
684 |
50k6
55m6 |
14h9
16h9 |
53.5
59 |
M16
M20 |
221
280 |
21
38 |
|
04
05 |
28
28 |
R3/4
R3/4 |
28
28 |
M24
M24 |
42
42 |
M16
M20 |
32
35 |
430
460 |
168
182 |
211
226 |
22
22 |
622
655 |
135
138 |
735
793 |
60m6
65m6 |
18h9
18h9 |
64
69 |
M20
M20 |
381
505 |
50
65 |
|
06
07 |
33
33 |
R1
R1 |
33
33 |
M30
M30 |
53
53 |
M20
M24 |
35
42 |
525
561 |
195
219 |
248
262 |
22
22 |
698
752 |
140
160 |
838
912 |
70m6
75m6 |
20h9
20h9 |
74.5
79.5 |
M20
M20 |
615
793 |
84
120 |
|
08
09 |
39
39 |
R1
R1 |
39
39 |
M30
M30 |
53
53 |
M24
M30 |
42
53 |
597
652 |
234
247 |
289
309 |
22
22 |
822
921 |
160
195 |
982
1116 |
85m6
90m6 |
22h9
25h9 |
90
95 |
M20
M24 |
1055
1330 |
120
145 |

|
規格 |
LSS尺寸(mm) | |||||||||||||
|
d2 |
b2 |
h2 |
m2 |
Y2 |
V3 |
U2 |
U3 |
U4 |
UC |
UD |
φD2 |
φD4 |
φD5 | |
|
02
03 |
80m6
100m6 |
22h9
28h9 |
85
106 |
M20
M24 |
140
170 |
174
204 |
34
34 |
164
171 |
34
34 |
257
274 |
156
165 |
80js7/H8
95js7/H8 |
86js6/H7
101js6/H7 |
85h6/H7
100h6/H7 |
|
04
05 |
105m6
120m6 |
28h9
32h9 |
111
127 |
M24
M24 |
210
210 |
246
246 |
36
36 |
193
201 |
36
36 |
302
311 |
187
193 |
105js7/H8
115js7/H8 |
111js6/H7
121js6/H7 |
110h6/H7
120h6/H7 |
|
06
07 |
130m6
140m6 |
32h9
36h9 |
137
148 |
M24
M24 |
220
250 |
256
288 |
36
38 |
214
228 |
36
38 |
331
354 |
210
224 |
125js7/H8
135js7/H8 |
131js6/H7
141js6/H7 |
130h6/H7
140h6/H7 |
|
08
09 |
160m6
170m6 |
40h9
40h9 |
169
179 |
M24
M24 |
250
310 |
288
348 |
38
38 |
254
264 |
38
38 |
397
407 |
246
262 |
150js7/H8
165js7/H8 |
151js6/H7
166js6/H7 |
150h6/H7
165h6/H7 |

| 頁次:3/6 每頁10條 共53條信息 分頁:[1][2][3][4][5][6] |
