產品展示
DC系列卷筒用鼓形齒式聯軸器的特點是:能傳遞較大轉矩,徑向承載能力大,可補償軸線偏移,能適用于普通軸伸減速器,結構緊湊,裝折調整方便,帶有磨損指示,安全可靠,特別適用于起重設備的起升機構。
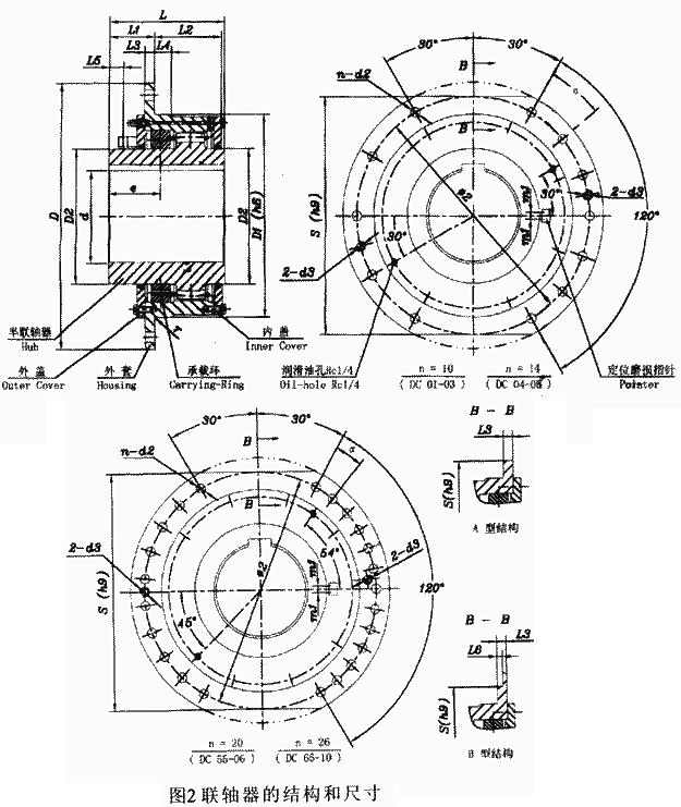
DC系列卷筒用聯軸器的基本參數和主要尺寸
表1
|
型號 |
許用
轉速 |
公稱
轉矩 |
徑向
載荷 |
軸孔 |
外形尺寸 |
卷筒聯結尺寸 |
磨損
刻度 |
軸向
間隙 |
載荷
位置 |
轉動
慣量 |
質
量 | |||||||||||||||
|
直徑 |
長度 | |||||||||||||||||||||||||
|
nmax |
Tmax |
Frmax |
dmax
(H7) |
Lmin |
D |
D1(h6) |
D2(h9) |
L1 |
L2 |
L3 |
L4 |
L5 |
L6 |
S
(h9) |
φ2 |
n-d2 |
螺
栓 |
α |
d3 |
r |
m1 |
xmax |
e |
I |
m | |
|
r/min |
Nm |
N |
mm |
mm |
mm |
mm |
kg.m2 |
kg | ||||||||||||||||||
|
DC01A
DC01B |
200 |
1600 |
18000 |
110 |
185 |
400 |
280 |
180 |
80 |
85 |
15
20 |
25 |
26 |
11 |
360 |
360 |
10-18 |
M16 |
30 |
M16 |
2.5 |
1.0 |
±2.5 |
88 |
1.0 |
80 |
|
DC02A
DC02B |
200 |
22400 |
25000 |
125 |
200 |
420 |
310 |
212 |
80 |
95 |
15
20 |
25 |
26 |
11 |
380 |
380 |
10-18 |
M16 |
30 |
M16 |
2.5 |
1.0 |
±2.5 |
88 |
1.5 |
100 |
|
DC03A
DC03B |
200 |
31500 |
35500 |
150 |
225 |
450 |
340 |
230 |
80 |
105 |
25 |
25 |
34 |
11 |
400 |
400 |
10-22 |
M20 |
30 |
M20 |
2.5 |
1.0 |
±2.5 |
88 |
2.5 |
120 |
|
DC35A
DC35B |
200 |
45000 |
50000 |
160 |
235 |
510 |
400 |
250 |
95 |
115 |
25
30 |
30 |
34 |
15 |
460 |
460 |
10-22 |
M20 |
30 |
M20 |
2.5 |
1.4 |
±2.5 |
106 |
3.0 |
150 |
|
DC04A
DC04B |
200 |
63000 |
71000 |
200 |
250 |
550 |
420 |
280 |
95 |
130 |
25
30 |
30 |
34 |
15 |
500 |
500 |
14-22 |
M20 |
20 |
M20 |
2.5 |
1.4 |
±2.5 |
106 |
4.5 |
190 |
|
DC05A
DC05B |
200 |
90000 |
90000 |
220 |
265 |
580 |
450 |
315 |
95 |
145 |
25
30 |
30 |
34 |
15 |
530 |
530 |
14-22 |
M20 |
20 |
M20 |
2.5 |
1.4 |
±2.5 |
110 |
7.25 |
245 |
|
DC55A
DC55B |
200 |
125000 |
112000 |
240 |
290 |
620 |
500 |
345 |
101 |
160 |
25
30 |
35 |
35 |
19 |
560 |
560 |
20-22 |
M20 |
13.3 |
M20 |
2.5 |
1.8 |
±2.5 |
110 |
10.3 |
330 |
|
DC06A
DC06B |
200 |
160000 |
140000 |
260 |
300 |
650 |
530 |
375 |
101 |
170 |
25
30 |
35 |
35 |
19 |
580 |
600 |
20-22 |
M20 |
13.3 |
M20 |
2.5 |
1.8 |
±2.5 |
116 |
15.5 |
385 |
|
DC65A
DC65B |
200 |
190000 |
165000 |
270 |
300 |
665 |
545 |
387 |
101 |
175 |
25
30 |
35 |
35 |
19 |
590 |
615 |
26-22 |
M20 |
10 |
M20 |
4 |
1.8 |
±2.5 |
116 |
18.3 |
435 |
|
DC07A
DC07B |
200 |
224000 |
180000 |
280 |
310 |
680 |
560 |
400 |
101 |
180 |
25
30 |
35 |
35 |
19 |
600 |
630 |
26-22 |
M20 |
10 |
M20 |
4 |
1.8 |
±2.5 |
116 |
21.4 |
485 |
|
DC08A
DC08B |
200 |
315000 |
224000 |
300 |
345 |
720 |
600 |
437 |
111 |
185 |
35 |
43 |
35 |
21 |
640 |
660 |
26-26 |
M24 |
10 |
M24 |
4 |
2.2 |
±2.5 |
118 |
30.6 |
550 |
|
DC09A
DC09B |
200 |
450000 |
280000 |
340 |
380 |
780 |
670 |
487 |
111 |
200 |
35 |
43 |
35 |
21 |
700 |
730 |
26-26 |
M24 |
10 |
M24 |
4 |
2.2 |
±2.5 |
118 |
40.2 |
650 |
|
DC10A
DC10B |
200 |
560000 |
355000 |
380 |
420 |
850 |
730 |
545 |
111 |
215 |
35 |
43 |
35 |
21 |
760 |
800 |
26-26 |
M24 |
10 |
M24 |
4 |
2.2 |
±2.5 |
120 |
65.1 |
890 |
訂購卷筒用鼓形齒式聯軸器時,規定的標記方法如下:

表2 軸孔及其聯接的型式和代號
|
軸孔型式和代號 |
鍵槽型式和代號 |
![]() |
![]() |
![]() | |
|
軸孔與軸伸的配合選用
H7/m6
根據使用要求,也可選用如下配合
H7/n6 H7/p6 H7/r6 |
![]() |
標記示例:
例1 欲訂購DC08B型卷筒用鼓形齒式聯軸器,要求:主動端Y型軸孔,A型鍵槽,d=250mm,L=350mm,標準配合;從動端按樣本標準聯接。
標記為:
DC08B/YA250×350
例2 欲訂購DC08A型卷筒用鼓形齒式聯軸器,要求:主動端Y型軸孔,B型鍵槽,d=300mm,L=410mm,標準配合;從動端按上表標準聯接。
標記為:
DC08A/YB300×410
DC系列卷筒用聯軸器的選型和計算
卷筒用鼓形齒式聯軸器的選型,一般是根據起重設備的實際工況,減速器的軸伸配合以及卷筒的聯接尺寸來進行的。必要時應校核軸伸配合和卷筒聯接的強度以及可靠性。
聯軸器的選型可按計算轉矩和最大徑向載荷進行計算:
TK≤TK max
Fr≤Fr max+(TK max-TK)×K1
式中:TK聯接處的計算轉矩,由下式給出:
TK=9550(NT/nT×ηT)×K2×φ6
Tkmax——標準聯軸器的許用最大轉矩,Nm,由表1給出;
Fr——聯接處實際隨的徑向載荷,N,單聯滑輪組:ΣS(1-b/1)+P/2 雙滑輪組ΣS/2+P/2 其中P為卷筒自重(N);
Fmax——標準聯軸器的許用最大徑向載荷,N,由表1給出;
NT——減速器輸出功率,或鋼絲繩卷筒的纏繞功率,Kw,計算方式:
起升機構鋼絲繩卷筒纏繞功率NT為:
NT=ΣS·VT/60000(kW) (A2)
式中:
VT——穩定運行時卷筒鋼繩的線速度m/min,由下式給出:
VT=πDT·nT(m/min) (A3)
DT——折算到鋼絲繩中心的卷筒直徑,m;
nT——穩定運行時卷筒轉速,r/min;
ηT——卷筒支承軸承的效率:
滾動軸承為0.98,
滑動軸承為0.96;
滾動軸承為0.98,
滑動軸承為0.96;
K1——徑向載荷補償系數,由表3給出;
K2——工作級別系數,由表4給出;
φ6——動載系數,同下式給出:
φ6=(1+φ2)/2
φ2——起升載荷系數,一般在1-2之間。當起升速度快、系統剛度大、操作猛烈時,φ2取較大值
表3 徑向載荷補償系數K1
|
規格 |
DC01
DCL01 |
DC02
DCL02 |
DC03
DCL03 |
DC035
DCL035 |
DC04
DCL04 |
DC05
DCL05 |
|
系數K1 |
5.2 |
4.7 |
4.1 |
3.7 |
3.4 |
3.0 |
|
規格 |
DC55
DCL55 |
DC06
DCL06 |
DC07
DCL07 |
DC08
DCL08 |
DC09
DCL09 |
DC10
DCL10 |
|
系數K1 |
2.8 |
2.6 |
2.4 |
2.2 |
2.0 |
1.8 |
表4 工作級別系數K2
|
工作級別C |
M2 |
M3 |
M4 |
M5 |
M6 |
M7 |
M8 |
|
系數K2 |
1.0 |
1.12 |
1.25 |
1.4 |
1.6 |
1.8 |
2.0 |
表5 工作級別C
|
利用
等級 |
縮寫 |
V000 |
V012 |
V025 |
V05 |
V1 |
V2 |
V3 |
V4 |
V5 | ||
|
根據一年每天平均利用時間(小時計) |
≤0.125 |
>0.125-0.25 |
>0.25-0.5 |
>0.5-1 |
>1-2 |
>2-4 |
>4-8 |
>8-16 |
>16 | |||
|
載荷譜 |
編號 |
級別 |
說明 |
工作級別C | ||||||||
|
1 |
輕級 |
很少承受最大載荷 |
M0 |
M0 |
M1 |
M2 |
M3 |
M4 |
M5 |
M6 |
M7 | |
|
2 |
中級 |
承受最小中等和最大載荷的頻率大致相等 |
M0 |
M1 |
M2 |
M3 |
M4 |
M5 |
M6 |
M7 |
M8 | |
|
3 |
重級 |
持續承受最大載荷 |
M1 |
M2 |
M3 |
M4 |
M5 |
M6 |
M7 |
M8 |
M8 | |
當一個工作循環時間為12分鐘或更長時,工作級別應比按利用等級和載荷譜求得的級別低一級選取。
聯軸器與鋼絲繩卷筒的聯接采用楔鍵聯結結構,有中間法蘭聯接和直接聯接兩種方式,具有結構和要求如圖所示,聯接尺寸見表6。

表6 聯接法蘭尺寸
|
型號 |
L(mm) |
C1(mm) |
S(F8)(mm) |
φ2(mm) |
D1(F8)(mm) |
α(°) |
n-d2(mm) | |
|
DC01A
DC01B |
≥20 |
4 |
360 |
360 |
280 |
30 |
10-18 |
10-M16 |
|
DC02A DC02B |
380 |
380 |
310 | |||||
|
DC03A DC03B |
400 |
400 |
340 |
10-22 |
10-M20 | |||
|
DC35A DC35B |
≥25 |
460 |
460 |
400 | ||||
|
DC04A DC04B |
500 |
500 |
420 |
20 |
14-22 |
14-M20 | ||
|
DC05A DC05B |
≥30 |
5 |
530 |
530 |
450 | |||
|
DC55A DC55B |
≥35 |
560 |
560 |
500 |
13.3 |
20-22 |
20-M20 | |
|
DC06A DC06B |
580 |
600 |
530 | |||||
|
DC65A DC65B |
590 |
615 |
545 |
10 |
26-22 |
26-M22 | ||
|
DC07A DC07B |
600 |
630 |
560 | |||||
|
DC08A DC08B |
≥45 |
640 |
660 |
600 |
26-26 |
26-M24 | ||
|
DC09A DC09B |
700 |
730 |
670 | |||||
|
DC10A DC10B |
760 |
800 |
730 | |||||
聯軸器與鋼絲繩卷筒的聯接方式也可采用下圖所示結構,也有中間法蘭聯接和直接聯接兩種,具體要求如圖示,聯接尺寸見表7。

表7 聯接法蘭尺寸
|
型號 |
l
(mm) |
L3
(mm) |
C1
(mm) |
S(F8)
(mm) |
φ2
(mm) |
D1(F8)
(mm) |
α
(°) |
n-d2
(mm) | |
|
DC01A |
≥25 |
≥10 |
4 |
360 |
360 |
280 |
30 |
10-18 |
10-M16 |
|
DC02A |
380 |
380 |
310 | ||||||
|
DC03A |
400 |
400 |
340 |
10-22 |
10-M20 | ||||
|
DC35A |
≥30 |
≥15 |
460 |
460 |
400 | ||||
|
DC04A |
500 |
500 |
420 |
20 |
14-22 |
14-M20 | |||
|
DC05A |
≥40 |
≥20 |
5 |
530 |
530 |
450 | |||
|
DC55A |
≥50 |
≥25 |
560 |
560 |
500 |
13.3 |
20-22 |
20-M20 | |
|
DC06A |
580 |
600 |
530 | ||||||
|
DC65A |
590 |
615 |
545 |
10 |
26-22 |
26-M22 | |||
|
DC07A |
600 |
630 |
560 | ||||||
|
DC08A |
≥60 |
≥35 |
640 |
660 |
600 |
26-26 |
26-M24 | ||
|
DC09A |
700 |
730 |
670 | ||||||
|
DC10A |
760 |
800 |
730 | ||||||
| 頁次:1/1 每頁10條 共6條信息 分頁:[1] |





