Product list產品列表
Customer service在線客服
產品展示
性能特點
1.優質鋁合金壓力鑄造,重量輕。
2.外形美觀,結構緊湊,體積小。
3.散熱效率高,輸出馬力強,扭矩大。
4.安裝型式靈活,維護容易。
5.傳動平穩,噪音低。
6.安全可靠,效率高。
維護要求
1.蝸桿減速器開始運行到400小時,應重新更換潤滑油。以后的換油周期約為4000小時。
2.箱體內應保留足夠的460#蝸輪蝸桿專用的潤滑油,并定期檢查。
根據圖表1及表2,可找出有關減速機的工作系數(sf)
圖表1
每小時間斷性操作次數少于10次 | |||
加于減速機的負荷性質 |
每日工作時數 | ||
<2 |
2—8 |
8—16 | |
帶均衡負荷 |
Sf=0.8 |
sf=1 |
sf=1.25 |
帶中級震蕩 |
Sf=1 |
sf=1.25 |
sf=1.5 |
帶重級震蕩 |
Sf=1.25 |
sf=1.5 |
sf=1.75 |
圖表2
每小時連續或間斷性操作次數大于10次 | |||
加于減速機的負荷性質 |
每日工作時數 | ||
<2 |
2—8 |
8—24 | |
帶均衡負荷 |
Sf=1 |
sf=1.25 |
sf=1.75 |
帶中級震蕩 |
Sf=1.5 |
sf=1.75 |
sf=2 |
帶重級震蕩 |
Sf=1.75 |
sf=2 |
sf=2.25 |
參數表(*工作系數1)
i |
|
n2 |
n1=1400 | ||||||||
025 |
030 |
040 |
050 |
063 |
075 |
090 |
110 |
130 | |||
5 |
KW1
M2 |
280 |
0.27 |
0.38 |
0.67 |
1.45 |
2.5 |
4.8 |
6 |
12 |
15 |
9 |
10 |
18 |
42 |
77 |
144 |
189 |
365 |
460 | |||
7.5 |
KW1
M2 |
187 |
0.25 |
0.34 |
0.6 |
1.3 |
2.25 |
4 |
5.2 |
10.5 |
13.5 |
11 |
13 |
23 |
56 |
102 |
182 |
234 |
483 |
617 | |||
10 |
KW1
M2 |
140 |
0.21 |
0.27 |
0.48 |
0.95 |
1.8 |
3.3 |
4.4 |
8.25 |
11.2 |
12 |
13 |
35 |
55 |
106 |
198 |
326 |
500 |
680 | |||
15 |
KW1
M2 |
93 |
0.15 |
0.18 |
0.33 |
0.75 |
1.35 |
3.4 |
3.6 |
6.6 |
8.25 |
12 |
13 |
25 |
58 |
113 |
209 |
308 |
581 |
730 | |||
20 |
KW1
M2 |
70 |
0.12 |
0.15 |
0.37 |
0.68 |
1.20 |
2.2 |
3.2 |
4.95 |
6 |
12 |
14 |
39 |
73 |
133 |
240 |
366 |
574 |
691 | |||
25 |
KW1
M2 |
56 |
— |
0.18 |
0.30 |
0.6 |
0.98 |
1.5 |
2.4 |
4.95 |
6.75 |
— |
21 |
38 |
78 |
131 |
205 |
336 |
711 |
967 | |||
30 |
KW1
M2 |
47 |
0.10 |
0.15 |
0.30 |
0.55 |
1.1 |
1.76 |
2.7 |
4 |
6.6 |
13 |
20 |
42 |
81 |
167 |
270 |
431 |
647 |
1080 | |||
40 |
KW1
M2 |
35 |
0.08 |
0.11 |
0.23 |
0.44 |
0.88 |
1.1 |
2.2 |
3 |
4.95 |
13 |
17 |
40 |
81 |
166 |
216 |
433 |
638 |
1053 | |||
50 |
KW1
M2 |
28 |
0.06 |
0.09 |
0.18 |
0.34 |
0.60 |
1.1 |
1.76 |
2.4 |
4.4 |
11 |
18 |
38 |
72 |
136 |
264 |
394 |
614 |
1103 | |||
60 |
KW1
M2 |
23 |
0.04 |
0.08 |
0.15 |
0.3 |
0.5 |
0.88 |
1.2 |
1.98 |
3.2 |
10 |
17 |
35 |
71 |
126 |
221 |
339 |
583 |
943 | |||
80 |
KW1
M2 |
18 |
— |
0.05 |
0.12 |
0.22 |
0.40 |
0.6 |
0.99 |
1.35 |
2.2 |
— |
13 |
34 |
65 |
126 |
198 |
328 |
493 |
816 | |||
100 |
KW1
M2 |
14 |
— |
— |
0.09 |
0.16 |
0.34 |
0.5 |
0.67 |
1.1 |
1.98 |
— |
— |
30 |
54 |
116 |
185 |
272 |
473 |
869 |
參數表(*配4極1400RPM 電機)
型號 |
i |
n2 |
kw |
M2 |
sf |
025 |
5 |
280 |
0.09 |
3 |
3 |
7.5 |
186.7 |
0.09 |
4 |
2.8 | |
10 |
140 |
0.09 |
5 |
2.4 | |
15 |
93.3 |
0.09 |
7 |
1.6 | |
20 |
70 |
0.09 |
9 |
1.3 | |
30 |
46.7 |
0.09 |
12 |
1.1 | |
40 |
35 |
0.09 |
15 |
0.9 | |
50 |
28 |
0.06 |
12 |
0.9 | |
60 |
23.3 |
0.06 |
14 |
0.7 |
型號 |
i |
n2 |
kw |
M2 |
sf |
030 |
5 |
280 |
0.18 |
5 |
2.1 |
7.5 |
186.7 |
0.18 |
7 |
1.9 | |
10 |
140 |
0.18 |
9 |
1.5 | |
15 |
93.3 |
0.18 |
13 |
1.0 | |
20 |
70 |
0.18 |
17 |
0.8 | |
25 |
56 |
0.18 |
21 |
1.0 | |
30 |
46.7 |
0.18 |
24 |
0.8 | |
40 |
35 |
0.12 |
19 |
0.9 | |
50 |
28 |
0.12 |
23 |
0.8 | |
60 |
23.3 |
0.09 |
19 |
0.9 | |
80 |
17.5 |
0.06 |
14 |
0.9 |
型號 |
i |
n2 |
kw |
M2 |
sf |
040 |
5 |
280 |
0.37 |
10 |
1.8 |
7.5 |
186.7 |
0.37 |
16 |
1.6 | |
10 |
140 |
0.37 |
27 |
1.3 | |
15 |
93.3 |
0.37 |
28 |
0.9 | |
20 |
70 |
0.37 |
39 |
1.0 | |
25 |
56 |
0.37 |
47 |
0.8 | |
30 |
46.7 |
0.37 |
53 |
0.8 | |
40 |
35 |
0.25 |
44 |
0.9 | |
50 |
28 |
0.22 |
47 |
0.8 | |
60 |
23.3 |
0.18 |
43 |
0.8 | |
80 |
17.5 |
0.12 |
34 |
1.0 | |
100 |
14 |
0.12 |
38 |
0.8 |
型號 |
i |
n2 |
kw |
M2 |
sf |
050 |
5 |
280 |
0.75 |
22 |
1.9 |
7.5 |
186.7 |
0.75 |
33 |
1.7 | |
10 |
140 |
0.75 |
42 |
1.3 | |
15 |
93.3 |
0.75 |
58 |
1.0 | |
20 |
70 |
0.75 |
81 |
0.9 | |
25 |
56 |
0.55 |
71 |
1.1 | |
30 |
46.7 |
0.55 |
81 |
1.0 | |
40 |
35 |
0.55 |
101 |
0.8 | |
50 |
28 |
0.37 |
80 |
0.9 | |
60 |
23.3 |
0.37 |
89 |
0.8 | |
80 |
17.5 |
0.25 |
72 |
0.9 | |
100 |
14 |
0.18 |
80 |
0.9 |
型號 |
i |
n2 |
kw |
M2 |
sf |
063 |
5 |
280 |
1.5 |
45 |
1.7 |
7.5 |
186.7 |
1.50 |
68 |
1.5 | |
10 |
140 |
1.50 |
88 |
1.2 | |
15 |
93.3 |
1.50 |
126 |
0.9 | |
20 |
70 |
1.50 |
166 |
0.8 | |
25 |
56 |
1.10 |
146 |
0.9 | |
30 |
46.7 |
1.10 |
167 |
1.0 | |
40 |
35 |
1.10 |
207 |
0.8 | |
50 |
28 |
0.55* |
124 |
1.1 | |
60 |
23.3 |
0.55* |
140 |
0.9 | |
80 |
17.5 |
0.37 |
115 |
1.1 | |
100 |
14 |
0.37 |
129 |
0.9 |
型號 |
i |
n2 |
kw |
M2 |
sf |
075 |
5 |
280 |
4 |
120 |
1.2 |
7.5 |
186.7 |
4 |
182 |
1.0 | |
10 |
140 |
3 |
180 |
1.1 | |
15 |
93.3 |
3 |
261 |
0.8 | |
20 |
70 |
2.20 |
240 |
1.0 | |
25 |
56 |
1.50 |
205 |
1.0 | |
30 |
46.7 |
2.20 |
337 |
0.8 | |
40 |
35 |
1.10 |
216 |
1.0 | |
50 |
28 |
1.10 |
264 |
1.0 | |
60 |
23.3 |
1.10 |
279 |
0.8 | |
80 |
17.5 |
0.55 |
180 |
1.0 | |
100 |
14 |
0.55 |
206 |
0.9 |
型號 |
i |
n2 |
kw |
M2 |
sf |
090 |
5 |
260 |
4 |
126 |
1.5 |
7.5 |
186.7 |
4 |
180 |
1.3 | |
10 |
140 |
4 |
236 |
1.1 | |
15 |
93.3 |
4 |
342 |
0.9 | |
20 |
70 |
4 |
458 |
0.8 | |
25 |
56 |
3 |
420 |
0.8 | |
30 |
46.7 |
3 |
479 |
0.9 | |
40 |
35 |
2.20 |
433 |
1.0 | |
50 |
26 |
2.20 |
492 |
0.8 | |
60 |
23.3 |
1.50 |
424 |
0.8 | |
80 |
17.5 |
1.10 |
365 |
0.9 | |
100 |
14 |
0.75 |
302 |
0.9 |
型號 |
i |
n2 |
kw |
M2 |
sf |
110 |
5 |
260 |
7.50 |
228 |
1.6 |
7.5 |
186.7 |
7.50 |
345 |
1.4 | |
10 |
140 |
7.50 |
455 |
1.1 | |
15 |
93.3 |
5.50 |
484 |
1.2 | |
20 |
70 |
5.50 |
636 |
0.9 | |
25 |
56 |
5.50 |
790 |
0.9 | |
30 |
46.7 |
4 |
647 |
1.0 | |
40 |
35 |
3 |
638 |
1.0 | |
50 |
28 |
3 |
767 |
0.8 | |
60 |
23.3 |
2.20 |
648 |
0.9 | |
80 |
17.5 |
1.50 |
548 |
0.9 | |
100 |
14 |
1.10 |
473 |
1.0 |
型號 |
i |
n2 |
kw |
M2 |
sf |
130 |
5 |
280 |
7.50 |
230 |
2 |
7.5 |
186.7 |
7.5 |
343 |
1.6 | |
10 |
140 |
7.5 |
453 |
1.5 | |
15 |
93.3 |
7.50 |
664 |
1.1 | |
20 |
70 |
7.50 |
864 |
0.6 | |
25 |
56 |
7.50 |
1074 |
0.9 | |
30 |
46.7 |
5.50 |
900 |
1.2 | |
40 |
35 |
5.50 |
1171 |
0.9 | |
50 |
26 |
5.50 |
1379 |
0.8 | |
60 |
23.3 |
4 |
1179 |
0.8 | |
80 |
17.5 |
2.20 |
816 |
1.0 | |
100 |
14 |
2.20 |
966 |
0.9 |
注 |
單位 |
|
單位 |
n1—輸入速度 |
RPM |
M2—輸出扭矩Nm |
Nm |
n2—輸出速度 |
RPM |
sf—工作系數 |
|

型號 |
A1 |
B1 |
型號 |
A1 |
B1 |
型號 |
A1 |
B1 |
030/030 |
111 |
153.5 |
040/075 |
171 |
296 |
050/110 |
235.5 |
407.5 |
030/040 |
120 |
201.5 |
040/090 |
188 |
330 |
063/110 |
245 |
427 |
030/050 |
124 |
315.5 |
040/110 |
229 |
394 |
063/130 |
265 |
467 |
030/075 |
158 |
275.5 |
040/130 |
249 |
434 |
075/090 |
213 |
375 |
040/040 |
127 |
216 |
050/063 |
165.5 |
283.5 |
075/110 |
249 |
434 |
040/050 |
139 |
238 |
050/075 |
189.5 |
321.5 |
075/130 |
269 |
474 |
040/063 |
153 |
264 |
050/090 |
206.5 |
355.5 |
090/130 |
279.5 |
495.5 |

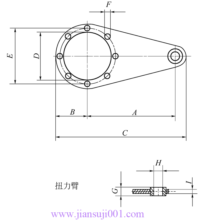
型號 |
A |
B |
C |
D |
E |
F |
G |
H |
I |
025 |
70 |
33 |
118 |
45 |
55 |
7 |
14 |
8 |
4 |
030 |
85 |
38 |
138 |
55 |
65 |
7 |
14 |
8 |
4 |
040 |
85 |
48.5 |
151.5 |
60 |
75 |
6.5 |
14 |
10 |
4 |
050 |
100 |
50 |
168 |
70 |
85 |
9 |
14 |
10 |
4 |
063 |
150 |
55 |
223 |
80 |
95 |
9 |
14 |
10 |
6 |
075 |
200 |
70 |
300 |
95 |
115 |
9 |
25 |
20 |
6 |
090 |
200 |
80 |
310 |
110 |
130 |
11 |
25 |
20 |
6 |
110 |
250 |
100 |
385 |
130 |
165 |
11 |
30 |
25 |
6 |
130 |
250 |
125 |
410 |
180 |
215 |
14 |
30 |
25 |
8 |

型號 |
法蘭規格 |
P |
M |
N |
5 |
7.5 |
10 |
15 |
20 |
25 |
30 |
40 |
50 |
60 |
80 |
100 |
G1 |
b1 |
h1 |
軸芯尺寸—D(F6) | |||||||||||||||||||
025 |
56B14 |
80 |
65 |
50 |
9 |
9 |
9 |
9 |
9 |
- |
9 |
9 |
9 |
9 |
- |
- |
45 |
3 |
10.4 |
030 |
63B5
63B14
56B14 |
140
90
80 |
115
75
65 |
95
60
50 |
11
11
- |
11
11
- |
11
11
- |
11
11
- |
11
11
- |
11
11
- |
11
11
- |
11
11
- |
11
11
- |
-
-
9 |
-
-
9 |
-
-
- |
58 |
4
3 |
12.8
12.8
10.4 |
040 |
71B5
63B5 |
160
140 |
130
115 |
110
95 |
14
- |
14
- |
14
- |
14
- |
14
- |
14
- |
14
- |
14
- |
14
- |
-
11 |
-
11 |
-
11 |
70
72 |
5
4 |
16.3
12.8 |
050 |
80B5
71B5
63B5 |
200
160
140 |
165
130
115 |
130
110
95 |
19
-
- |
19
-
- |
19
-
- |
19
-
- |
19
-
- |
19
-
- |
19
-
- |
19
-
- |
-
14
- |
-
14
- |
-
14
- |
-
-
11 |
88
80
82 |
6
5
4 |
20.8
16.3
12.8 |
063 |
90B35
80B5
71B5 |
200
200
160 |
165
165
130 |
130
130
110 |
24
-
- |
24
-
- |
24
-
- |
24
-
- |
24
-
- |
24
-
- |
24
-
- |
24
-
- |
-
19
- |
-
19
- |
-
-
14 |
-
-
14 |
102
102
96 |
8
6
5 |
26.3
21.8
16.3 |
075 |
100/112B35
90B35
80B5 |
250
200
200 |
215
165
165 |
180
130
130 |
28
-
- |
28
-
- |
28
-
- |
28
-
- |
28
-
- |
-
24
- |
28
-
- |
-
24
- |
-
24
- |
-
24
- |
-
-
19 |
-
-
19 |
123
115
115 |
8
8
6 |
30.3
27.3
21.8 |
090 |
100/112B35
90B35
80B5 |
250
200
200 |
215
165
165 |
180
130
130 |
28
-
- |
28
-
- |
28
-
- |
28
-
- |
28
-
- |
28
-
- |
28
-
- |
28
-
- |
28
-
- |
-
24
- |
-
24
- |
-
-
19 |
139
132
132 |
8
8
6 |
30.3
27.3
21.8 |
110 |
132B2
100/112B35
90B35 |
300
250
200 |
265
215
165 |
230
180
130 |
38
-
- |
38
-
- |
38
-
- |
38
-
- |
38
-
- |
38
-
- |
-
28
- |
-
28
- |
-
28
- |
-
28
- |
-
-
24 |
-
-
24 |
160 |
10
8
8 |
40.8
31.3
27.3 |
130 |
132B2
100/112B35
90B35 |
300
250
200 |
265
215
165 |
230
180
130 |
38
-
- |
38
-
- |
38
-
- |
38
-
- |
38
-
- |
38
-
- |
38
-
- |
38
-
- |
38
-
- |
-
28
- |
-
28
24 |
-
28
24 |
180 |
10
8
8 |
40.8
31.3
27.3 |

型號 |
G3 |
d(js6) |
T |
G2 |
h2 |
b2 |
030 |
45 |
9 |
20 |
51 |
10.2 |
3 |
040 |
53 |
11 |
23 |
60 |
12.5 |
4 |
050 |
64 |
14 |
30 |
74 |
16 |
5 |
063 |
75 |
19 |
40 |
90 |
21.5 |
6 |
075 |
90 |
24 |
50 |
105 |
27 |
8 |
090 |
108 |
24 |
50 |
125 |
27 |
8 |
110 |
135 |
28 |
60 |
142 |
31 |
8 |
130 |
155 |
30 |
80 |
162 |
33 |
8 |
頁次:1/3 每頁10條 共22條信息 分頁:[1][2][3] |