Product list產品列表
Customer service在線客服
產品展示
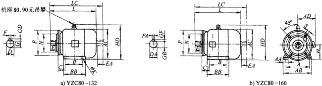
YZC系列外形尺寸圖(B3)

|
型 號 |
國際標準(IEC)
機座號 |
A |
AA |
AB |
AC |
AD |
B |
BB |
C |
H |
HC |
HD |
K |
L |
LC |
LD |
|
YZC80 |
80-19 |
125 |
37 |
165 |
165 |
150 |
100 |
135 |
50 |
80 |
170 |
— |
10 |
285 |
332 |
— |
|
YZC90S |
90S24 |
140
140 |
37
37 |
180
180 |
175
175 |
155
155 |
100
125 |
135
160 |
56
56 |
90 |
190
190 |
— |
10
10 |
310
335 |
368
393 | |
|
YZC90L |
90L24 | |||||||||||||||
|
YZC100L |
100L28 |
160 |
42 |
205 |
205 |
180 |
140 |
180 |
63 |
100 |
— |
245 |
12 |
380 |
445 |
— |
|
YZC112M |
112M28 |
190 |
52 |
245 |
230 |
190 |
140 |
185 |
70 |
112 |
— |
265 |
12 |
400 |
463 |
— |
|
YZC132S |
132S38 |
216
216 |
63
63 |
280
280 |
270
270 |
210
210 |
140
178 |
205
248 |
89
89 |
132 |
— |
315
315 |
12
12 |
475
515 |
559
597 |
— |
|
YZC132M |
132M38 | |||||||||||||||
|
YZC160M |
160M42 |
254
254 |
73
73 |
330
330 |
325
325 |
255
255 |
210
254 |
275
320 |
108
108 |
160 |
— |
385
385 |
15
15 |
600
645 |
717
761 |
— |
|
YZC160L |
160L42 |
注:第二軸伸肩到風罩距離約8mm,表中L、LC等外形尺寸為最大值。
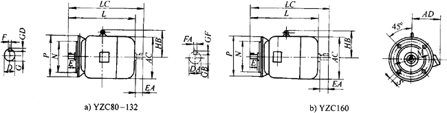
YZC系列外形尺寸圖(B35)

|
型 號 |
國際標準
(IEC)機座號 |
A |
AA |
AB |
AC |
AD |
B |
BB |
C1 |
H |
HD |
K |
L |
LC |
M |
N |
P |
S |
|
YZC80 |
80-19F165 |
125 |
37 |
165 |
165 |
150 |
100 |
135 |
50 |
80 |
— |
10 |
285 |
332 |
165 |
130 |
200 |
4×ф12 |
|
YZC90S |
90S24F165 |
140 |
37 |
180 |
175 |
155 |
100 |
135 |
56 |
90 |
— |
10 |
310 |
368 |
165 |
130 |
200 |
4×ф12 |
|
YZC90L |
90L24F165 |
175 |
125 |
160 |
335 |
393 | ||||||||||||
|
YZC100L |
100L28F215 |
160 |
42 |
205 |
205 |
180 |
140 |
180 |
63 |
100 |
245 |
12 |
380 |
445 |
215 |
180 |
250 |
4×ф15 |
|
YZC112M |
112M28F215 |
190 |
52 |
245 |
230 |
190 |
140 |
185 |
70 |
112 |
265 |
12 |
400 |
463 |
215 |
180 |
250 |
4×ф15 |
|
YZC132S |
132S28F265 |
216 |
63 |
280 |
270 |
210 |
140 |
205 |
89 |
132 |
315 |
12 |
475 |
559 |
265 |
230 |
300 |
4×ф15 |
|
YZC132M |
132H38F265 |
178 |
243 |
515 |
597 | |||||||||||||
|
YZC160M |
160M42F300 |
254 |
73 |
325 |
325 |
255 |
210 |
275 |
108 |
160 |
385 |
15 |
600 |
717 |
300 |
250 |
350 |
4×ф19 |
|
YZC160L |
160L42F300 |
254 |
320 |
645 |
761 |
注:第二軸伸肩到風罩距離約8mm,表中L、LC等外形尺寸為最大值。
B3、B35軸伸尺寸與第二軸伸尺寸 碼
|
中心高 |
國際標準(IAEC)機座號 |
D |
DA |
E |
EA |
F |
FA |
G |
GB |
GD |
GF | |
|
80 |
80-19 |
80-19F165 |
19 |
19 |
40 |
40 |
6 |
6 |
15.5 |
15.5 |
6 |
6 |
|
90S |
90S24 |
90S24F165 |
24 |
24 |
50 |
50 |
8 |
8 |
20 |
20 |
7 |
7 |
|
90L |
90L24 |
90L24F165 | ||||||||||
|
100L |
100L28 |
100L28F215 |
28 |
28 |
60 |
60 |
24 |
24 | ||||
|
112M |
112M28 |
112M28F215 | ||||||||||
|
132S |
132S38 |
132S38F265 |
38 |
38 |
80 |
80 |
10 |
10 |
33 |
33 |
8 |
8 |
|
132M |
132M38 |
132M38F265 | ||||||||||
|
160M |
160M42 |
160M42F300 |
42 |
42 |
110 |
110 |
12 |
12 |
37 |
37 | ||
|
160L |
160L42 |
160L42F300 | ||||||||||
YZC系列(80~160L)外形尺寸(B5)

|
型號 |
國際標準(IEC)機座號 |
AC |
AD |
HB |
L |
LC |
M |
N |
P |
S |
|
YZC80 |
8019F165 |
165 |
150 |
— |
285 |
332 |
165 |
130 |
200 |
4×ф12 |
|
YZC90S
YZC90L |
90S24F165
90L24F165 |
175 |
155 |
— |
310
335 |
368
393 |
165 |
130 |
200 |
4×ф12 |
|
YZC100L
YZC112M |
100L28F215
112M28F215 |
205
230 |
180
190 |
145
160 |
380
400 |
445
463 |
215 |
180 |
250 |
4×ф15 |
|
YZC132S
YZC132M |
132S38F265
132M38F265 |
270 |
210 |
178 |
475
515 |
559
597 |
265 |
230 |
300 |
4×ф15 |
|
YZC160M
YZC160L |
160M42F300
160L42F300 |
325 |
255 |
255 |
600
645 |
717
761 |
300 |
250 |
350 |
4×ф19 |
注:第二軸伸肩到風罩距離約8mm,表L、LC等外形尺寸為最大值。
YZC系列(80~160L)B5軸伸尺寸與第二軸伸尺寸
|
中心高 |
國際標準(IEC)機座號 |
D |
DA |
E |
EA |
F |
FA |
G |
GB |
GD |
GF |
|
80 |
19F165 |
19 |
19 |
40 |
40 |
6 |
6 |
15.5 |
15.5 |
6 |
6 |
|
90S
90L |
24F165
24F165 |
24
24 |
24
24 |
50 |
50 |
8 |
8 |
20 |
20 |
7 |
7 |
|
100L
112M |
28F215
28F215 |
28
28 |
28
28 |
60 |
60 |
8 |
8 |
24 |
24 |
7 |
7 |
|
132S
132M |
38F265
38F265 |
38
38 |
38
38 |
80 |
80 |
10 |
10 |
33 |
33 |
8 |
8 |
|
160M
160L |
42F300
42F300 |
42
42 |
42
42 |
110 |
110 |
12 |
12 |
37 |
37 |
8 |
8 |
一、概述
YH系列高轉差率異步電動機是Y系列電動機的派生產品,也是取代JHO2系列的更新換代產品。該系列電動機的安裝尺寸、功率等級和負載持續(xù)率完全符合IEC標準和DIN42673標準。起動性能和力能指標與國際同類高轉差率電動機的先進水平相近。
該電動機具有體積小、重量輕、性能優(yōu)良、運行可靠的特點。與JGO2系列高轉差率電動機相比,起動性能有顯著提高。
電動機采用高電阻率鋁合金鑄造轉子,具有轉差率高、堵轉轉矩大、堵轉電流小、機械特性軟、能承受沖擊負載的特點,適用于傳動飛輪力矩較大和不均勻沖擊負載以及反轉次數較多的金屬加工機床,如錘擊機、剪切機、沖壓機,鍛冶機等。
電動機的工作方式為斷續(xù)周期性工作制S3。如果電動機不能按其額定負載持續(xù)率(FC)使用,可以調整電動機的輸出功率,保證電動機正常使用。
電動機的額定電壓為380V,額定頻率50Hz。3kW及以下為Y聯結,4kW及以上為△聯結。
型號含義

二、結構簡介
YH系列電動機的結構基本與Y 系列電動機相同,但轉子采用高電阻鋁合金制造。電動機的絕緣等級為B級,外殼防護等級為IP44,冷卻方式為IC0141。
電動機有三種基本結構型式如下。
B3:機座帶底腳,端蓋上無凸緣的結構型式;
B5:機座不帶底腳,端蓋上帶大于機座的凸緣的結構型式;
B35:機座帶底腳,端蓋上帶大于機座的凸緣的結構型式。

注:表中“√”者為結構型式對應的機座號(制造范圍)。
|
型 號 |
額定功
率/kW |
在額定功率時 |
堵轉
電流 |
堵轉
轉矩 |
最大
轉矩 |
轉動慣量
/(kg·m2) |
凈重
/kg | |||||
|
轉速
/(r/min) |
電流/A |
負載持續(xù)率(%) |
轉差率
(%) |
效率
(%) |
功率
因數 |
額定
電流 |
額定
轉矩 |
額定
轉矩 | ||||
|
同步轉速 3000r/min | ||||||||||||
|
YH801-2
YH802-2
YH90S-2
YH90L-2
YH100L-2
YH112M-2
YH132S1-2
YH132S2-2
YH160M1-2
YH160M2-2
YH160L-2 |
0.75
1.1
1.5
2.2
3
4
5.5
7.5
11
15
18.5 |
2670
2670
2670
2670
2700
2730
2730
2730
2760
2760
2760 |
1.87
2.63
3.67
5.15
6.89
8.81
11.9
16.0
22.9
30.5
37.4 |
60
60
40
40
40
40
40
25
25
25
25 |
11
11
11
11
10
9
9
9
8
8
8 |
71.0
73.0
73.0
75.5
76.0
77.5
78.0
78.5
81.0
82.0
82.5 |
0.86
0.87
0.85
0.86
0.87
0.89
0.90
0.91
0.90
0.91
0.91 |
5.5 |
2.7 |
2.7 |
0.00075
0.0009
0.0012
0.0014
0.00290
0.0055
0.0109
0.0126
0.0377
0.0449
0.055 |
16
17
22
25
33
45
64
70
117
125
147 |
|
同步轉速1500r/min | ||||||||||||
|
YH801-4
YH802-4
YH90S-4
YH90L-4
YH100L1-4
YH100L2-4
YH112M-4
YH132S-4
YH132M-4
YH160M-4
YH160L-4
YH180M-4
YH200L-4
YH225S-4
YH225M-4
YH255M-4
YH250M-4
YH280S-4
YH280M-4 |
0.55
0.75
1.1
1.5
2.2
3.0
4.0
5.5
7.5
11
15
18.5
22
30
37
45
55
75
90 |
1305
1305
1305
1305
1305
1305
1335
1350
1350
1365
1380
1380
1380
1380
1395
1395
1395
1395
1395 |
1.65
2.18
2.98
3.96
5.52
7.42
9.51
12.5
17.0
24.3
32.3
38.5
45.2
61.0
74.4
88.9
108
144
172 |
60
60
60
60
40
40
40
40
40
25
25
25
25
25
25
25
25
15
15 |
13
13
13
13
13
13
11
10
10
9
8
8
8
8
7
7
7
7
7 |
66.5
68.0
70.0
72
73
74
77
77.5
78
80
82.0
82.0
83.0
84.0
84.0
84.5
86.0
86.0
86.5 |
0.76
0.77
0.80
0.80
0.83
0.83
0.83
0.86
0.87
0.86
0.86
0.89
0.89
0.89
0.90
0.91
0.90
0.92
0.92 |
5.5 |
2.7 |
2.7 |
0.0018
0.0021
0.0021
0.0027
0.0054
0.0067
0.0095
0.0214
0.0296
0.0747
0.0918
0.139
0.158
0.262
0.406
0.469
0.66
1.12
1.46 |
17
18
22
27
34
38
43
68
81
123
144
182
190
270
284
320
427
562
667 |
|
同步轉速1000r/min | ||||||||||||
|
YH90S-6
YH90L-6
YH100L-6
YH112M-6
YH132S-6
YH132M1-6
YH132M2-6
YH160M-6
YH160L-6
YH180L-6
YH200L1-6
YH200L2-6
YH225M-6
YH250M-6
YH280S-6
YH280M-6 |
0.75
1.1
1.5
2.2
3.0
4.0
5.5
7.5
11
15
18.5
22
30
37
45
55 |
870
870
880
880
900
900
900
890
890
910
920
920
930
930
930
930 |
2.48
3.46
4.28
6.02
7.69
10
13.6
17.8
25.8
33.5
39.8
46.6
62.7
75.2
90.9
110 |
60
60
40
40
40
40
40
25
25
25
25
25
25
25
25
25 |
13
13
12
12
10
10
10
11
11
9
8
8
8
7
7
7 |
66.5
67
70
73
76
77
78
79
80
82
82
82.5
83
84
84.5
85 |
0.69
0.72
0.76
0.76
0.78
0.79
0.79
0.81
0.81
0.83
0.86
0.87
0.87
0.89
0.89
0.89 |
5.0
5.0
5.0
5.0
5.0
5.0
5.0
5.0
5.0
5.0
5.0
5.0
5.5
5.5
5.5
5.5 |
2.7
2.7
2.7
2.7
2.7
2.7
2.7
2.5
2.5
2.5
2.5
2.5
2.5
2.5
2.5
2.5 |
2.7
2.7
2.7
2.7
2.7
2.7
2.7
2.5
2.5
2.5
2.5
2.5
2.5
2.5
2.5
2.5 |
0.0029
0.0035
0.0069
0.0138
0.0286
0.0357
0.0449
0.0881
0.116
0.207
0.315
0.360
0.547
0.834
139
1.65 |
23
25
33
45
63
73
84
119
147
195
220
250
292
408
536
595 |
|
同步轉速750r/min | ||||||||||||
|
YH132S-8
YH132M-8
YH160M1-8
YH160M2-8
YH160L-8
YH180L-8
YH200L-8
YH225S-8
YH225M-8
YH250M-8
YH280S-8
YH280M-8 |
2.2
3.0
4.0
5.5
7.5
11
15
18.5
22
30
37
45 |
660
660
670
670
670
675
683
683
683
690
690
690 |
6.27
8.21
10.5
13.9
18.5
27.3
36.6
45
51.6
67.4
84.6
99.8 |
60
60
60
60
60
25
25
25
25
25
25
25 |
12
12
11
11
11
10
9
9
9
8
8
8 |
73
74
77
78
79
76.5
77.5
80
81
81.5
82.0
82.5 |
0.73
0.75
0.75
0.77
00.78
0.80
0.80
0.78
0.80
0.83
0.81
0.83 |
4.5
4.5
4.5
4.5
4.5
4.5
4.5
4.5
4.5
4.5
4.5
4.5 |
2.6
2.6
2.4
2.4
2.4
2.4
2.4
2.4
2.4
2.4
2.4
2.4 |
2.6
2.6
2.4
2.4
2.4
2.4
2.4
2.4
2.4
2.4
2.4
2.4 |
0.0314
0.0395
0.0753
0.0931
0.126
0.203
0.339
0.491
0.547
0.834
1.39
1.65 |
63
79
118
119
145
184
250
266
292
405
520
592 |
在不同負載下電動機的輸出功率
|
型 號 |
YH系列在不同負載下電動機的輸出功率 | ||||
|
Fc=15% |
Fc=25% |
Fc=40% |
Fc=60% |
Fc=100% | |
|
YH801-2
YH802-2
YH90S-2
YH90L-2
YH100L-2
YH112M-2
YH132S1-2
YH132S2-2
YH160M1-2
YH160M2-2
YH160L-2 |
1.0
1.5
1.8
2.7
3.8
5.0
7.0
8.5
12.5
17
21 |
0.9
1.3
1.6
2.4
3.3
4.4
6.0
7.5
11
15
18.5 |
0.8
1.2
1.5
2.2
3.0
4.0
5.5
6.7
9.8
13.5
16.5 |
0.75
1.1
1.3
2.0
2.7
3.6
5.0
6.0
8.8
12
14.5 |
0.65
1.0
1.1
1.8
2.4
3.2
4.4
5.3
7.8
10.6
13 |
|
YH801-4
YH802-4
YH90S-4
YH90L-4
YH100L1-4
YH100L2-4
YH112M-4
YH132S-4
YH132M-4
YH160M-4
YH160L-4
YH180M-4
YH180L-4
YH200L-4
YH225S-4
YH225M-4
YH250M-4
YH280S-4
YH280M-4 |
0.75
1.0
1.5
2.0
2.8
3.8
5.0
7.0
9.5
12.5
16
21
25
34
42
51
62
75
90 |
0.65
0.9
1.4
1.8
2.5
3.3
4.5
6.0
8.4
11
15
18.5
22
30
37
45
55
66
79 |
0.6
0.8
1.2
1.6
2.2
3.0
4.0
5.5
7.5
9.8
13
16.5
20
27
33
40
49
59
70 |
0.55
0.75
1.1
1.5
2.0
2.7
3.6
5.0
6.6
8.8
11.5
14.8
17.8
24
29
35
43
52
62 |
0.48
0.66
1.0
1.3
0.8
2.4
3.2
4.3
6.0
7.6
10
13
15.8
21
25
30
37
45
54 |
|
YH90S-6
YH90L-6
YH100L-6
YH112M-6
YH132S-6
YH132M1-6
YH132M2-6
YH160M-6
YH160L-6
YH180L-6
YH200L1-6
YH200L2-6
YH225M-6
YH250M-6
YH280S-6
YH280M-6 |
1.0
1.5
1.9
2.7
3.7
5.0
6.5
8.5
12.5
17
21
25
34
42
51
62 |
0.9
1.3
1.7
2.4
3.2
4.3
6.0
7.5
11
15
18.5
22
30
37
45
55 |
0.8
1.2
1.5
2.2
3.0
4.0
5.5
7.0
10
13.5
17
20
27
34
41
50 |
0.75
1.1
1.3
1.9
2.6
3.5
4.5
6.0
8.5
11.5
14.5
17
23
29
35
42 |
0.6
0.9
1.1
1.7
2.3
3.0
4.0
5.0
7.5
10
12.5
15
20
25
31
37 |
|
YH132S-8
YH132M-8
YH160M1-8
YH160M2-8
YH160L-8
YH180L-8
YH200L-8
YH225S-8
YH225M-8
YH250M-8
YH280S-8
YH280M-8 |
3.2
4.4
6.0
8.1
10.1
12.5
17
21
25
34
42
52 |
2.8
3.8
5.1
7.1
8.7
11
15
18.5
22
30
37
45 |
2.7
3.7
5.0
6.5
8.5
10.5
14
18
21
29
35
43 |
2.2
3.0
4.0
5.5
7.5
8.5
11.5
14.5
17
23
28
34 |
1.9
2.6
3.4
4.7
6.5
7.2
10
12.5
14.5
20
24
29 |
注:表中各FC下的輸出功率為近似計算值;FC為100%,則表示電動機作為連續(xù)工作制(S1)運行。
接線盒管螺紋直徑
|
型 號 |
管螺紋直徑 |
出線孔直徑 |
|
YH80~90
YH100~132
YH160~180
YH200~225
YH250~280 |
M24×1.5—6H
M30×2—6H
M36×2—6H
M48×2—6H
M64×2—6H |
11
13
25
36
51 |
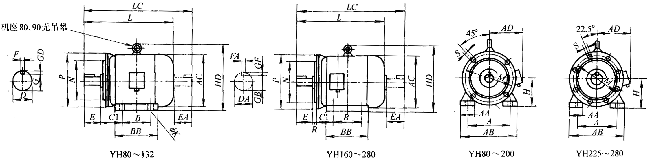
YH系列電動機外形及安裝尺寸圖(B3)

|
中心高 |
國際標準
機座號 |
A |
AA |
AB |
AC |
AD |
B |
BB |
C |
H |
HC |
HD |
K |
L |
LC |
|
80 |
80-19 |
125 |
37 |
165 |
165 |
150 |
100 |
135 |
50 |
80 |
170 |
245 |
10
12 |
285 |
332 |
|
90S |
90S24 |
140 |
180 |
175 |
155 |
56 |
90 |
190 |
310 |
368 | |||||
|
90L |
90L-24 |
42 |
125 |
160 |
— |
335 |
393 | ||||||||
|
100L |
100L28 |
160 |
205 |
205 |
180 |
140 |
180 |
63 |
100 |
380 |
445 | ||||
|
112M |
112M28 |
190 |
52 |
245 |
230 |
190 |
185 |
70 |
112 |
265 |
400 |
463 | |||
|
132S |
132S38 |
216 |
63 |
280 |
270 |
210 |
205 |
89 |
132 |
315 |
475 |
559 | |||
|
132M |
132M38 |
178 |
243 |
515 |
597 | ||||||||||
|
160M |
160M42 |
254 |
73 |
330 |
335 |
255 |
210 |
275 |
108 |
160 |
385 |
15 |
600 |
717 | |
|
160L |
160L42 |
254 |
320 |
645 |
761 | ||||||||||
|
180M |
180M48 |
279 |
355 |
360 |
285 |
241 |
315 |
121 |
180 |
430 |
670 |
783 | |||
|
180L |
180L48 |
279 |
353 |
710 |
821 | ||||||||||
|
200L |
200L55 |
318 |
395 |
400 |
310 |
305 |
378 |
133 |
200 |
475 |
19 |
775 |
881 | ||
|
225S |
225S60 |
356 |
83 |
435 |
450 |
345 |
286 |
382 |
149 |
225 |
530 |
820 |
934 | ||
|
225M |
225M60 |
311 |
407 |
845 |
959 | ||||||||||
|
250M |
250M65 |
406 |
88 |
490 |
495 |
385 |
349 |
458 |
168 |
250 |
575 |
24 |
930 |
1036 | |
|
280S |
280S75 |
457 |
93 |
550 |
555 |
410 |
368 |
535 |
190 |
280 |
640 |
1000 |
1147 | ||
|
280M |
280M75 |
419 |
586 |
1050 |
1198 |
YH系列電動機外形及安裝尺寸圖(B35)

|
中心高 |
國際標準機座號 |
A |
AA |
AB |
AC |
AD |
B |
BB |
C1 |
H |
HD |
K |
L |
LC |
M |
N |
P |
S |
|
80 |
80-19F165 |
125 |
37 |
165 |
165 |
150 |
100 |
135 |
50 |
80 |
— |
10 |
285 |
332 |
165 |
130 |
200 |
4×ф12 |
|
90S |
90S24F165 |
140 |
180 |
175 |
155 |
56 |
90 |
310 |
368 | |||||||||
|
90L |
90L24F165 |
125 |
160 |
335 |
393 | |||||||||||||
|
100L |
100L28F215 |
160 |
42 |
205 |
205 |
180 |
140 |
180 |
63 |
100 |
245 |
12 |
380 |
445 |
215 |
180 |
250 |
4×ф15 |
|
112M |
112M28F215 |
190 |
52 |
245 |
230 |
190 |
185 |
70 |
112 |
265 |
400 |
463 | ||||||
|
132S |
132S38F265 |
216 |
63 |
280 |
270 |
210 |
205 |
89 |
132 |
315 |
475 |
559 |
265 |
230 |
300 | |||
|
132M |
132M38F265 |
178 |
243 |
515 |
597 | |||||||||||||
|
160M |
160M42F300 |
254 |
73 |
330 |
325 |
255 |
210 |
275 |
108 |
160 |
385 |
15 |
600 |
717 |
300 |
250 |
350 |
4×ф19 |
|
160L |
160L42F300 |
254 |
320 |
645 |
761 | |||||||||||||
|
180M |
180M48F300 |
279 |
355 |
360 |
285
|
241 |
315 |
121 |
180 |
430 |
670 |
783 | ||||||
|
180L |
180L48F300 |
279 |
353 |
710 |
821 | |||||||||||||
|
200L |
200L55F350 |
318 |
395 |
400 |
310 |
305 |
378 |
133 |
200 |
475 |
19 |
775 |
881 |
350 |
300 |
400 | ||
|
225S |
225S60F400 |
356 |
83 |
435 |
450 |
345 |
286 |
382 |
149 |
225 |
530 |
820 |
934 |
400 |
350 |
450 |
8×ф19 | |
|
225M |
225M60F500 |
311 |
407 |
845 |
959 | |||||||||||||
|
250M |
250M65F500 |
406 |
88 |
490 |
495 |
385 |
349 |
458 |
168 |
250 |
575 |
24 |
930 |
1036 |
500 |
450 |
550
| |
|
280S |
280S75F500 |
457 |
93 |
550 |
555 |
410 |
368 |
535 |
190 |
280 |
640 |
1000 |
1147 | |||||
|
280M |
280M75F500 |
419 |
586 |
1050 |
1198 |
YH系列電動機B3、B35安裝的軸伸尺寸與第二軸伸尺寸表
|
中心高 |
國際標準機座號 |
D |
DA |
E |
EA |
F |
FA |
G |
GB |
GD |
GF | |
|
80 |
80-19 |
80-19F165 |
19 |
19 |
40 |
40 |
6 |
6 |
15.5 |
15.5 |
6 |
6 |
|
90S |
90S24 |
90S24F165 |
24 |
24 |
50 |
50 |
8 |
8 |
20 |
20 |
7 |
|
|
90L |
90L24 |
90L24F165 | ||||||||||
|
100L |
100L28 |
100L28F215 |
28 |
28 |
60 |
60 |
24 |
24 | ||||
|
112M |
112M28 |
112M28F215 | ||||||||||
|
132S |
132S38 |
132S38F265 |
38 |
38 |
80 |
80 |
10 |
10 |
33 |
33 |
8 |
|
|
132M |
132M38 |
132M38F265 | ||||||||||
|
160M |
160M42 |
160M42F300 |
42 |
42 |
110 |
110 |
12 |
12 |
37 |
37 | ||
|
160L |
160L42 |
160L42F300 | ||||||||||
|
180M |
180M48 |
180M48F300 |
48 |
48 |
14 |
14 |
42.5 |
42.5 |
9 |
9 | ||
|
180L |
180L48 |
180L48F300 | ||||||||||
|
200L |
200L55 |
200L55F350 |
55 |
55 |
16 |
16 |
49 |
49 |
10 |
10 | ||
|
225S |
225S60 |
225S60F400 |
60 |
140 |
18 |
53 |
11 | |||||
|
225M |
225M65 |
225M60F400 | ||||||||||
|
250M |
250M65 |
250M65F500 |
65 |
55 |
58 | |||||||
|
280S |
280S75 |
280S75F500 |
75 |
60 |
140 |
20 |
18 |
67.5 |
53 |
12 |
11 | |
|
280M |
280M75 |
280M75F500 | ||||||||||
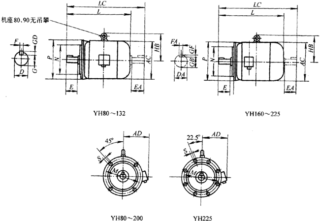
YH系列電動機外形及安裝尺寸圖(B5)

|
中心高 |
國際標準機座號 |
AC |
AD |
HB |
L |
LC |
M |
N |
P |
S |
|
80 |
19F165 |
165 |
150 |
|
285 |
332 |
165 |
130 |
200 |
4×ф12 |
|
90S |
24F165 |
175 |
155 |
|
310 |
368 | ||||
|
90L |
335 |
393 | ||||||||
|
100L |
28F215 |
205 |
180 |
145 |
380 |
445 |
215 |
180 |
250 |
4×ф15 |
|
112M |
230 |
190 |
160 |
400 |
463 | |||||
|
132S |
38F265 |
270 |
210 |
178 |
475 |
559 |
265 |
230 |
300 | |
|
132M |
515 |
597 | ||||||||
|
160M |
42F300 |
325 |
255 |
215 |
600 |
717 |
300 |
250 |
350 |
4×ф19 |
|
160L |
645 |
761 | ||||||||
|
180M |
48F300 |
360 |
285 |
250 |
670 |
783 | ||||
|
180L |
710 |
821 | ||||||||
|
200L |
55F350 |
400 |
310 |
280 |
775 |
881 |
350 |
300 |
400 | |
|
225S |
60F400 |
450 |
345 |
298 |
820 |
934 |
400 |
350 |
450 | |
|
225M |
845 |
959 |
注:第二軸伸肩到風罩距離約8mm,其中L、LC等外形尺寸為最大值。
YH系列電動機B5安裝軸伸尺寸與第二軸伸尺寸
|
中心高 |
國際標準機座號 |
D |
DA |
E |
EA |
F |
FA |
G |
GB |
GD |
GF |
|
80 |
19F165 |
19 |
19 |
40 |
40 |
6 |
6 |
15.5 |
15.5 |
|
|
|
90S
90L |
24F165 |
24 |
24 |
50 |
50 |
8 |
8 |
20 |
20 |
7 |
7 |
|
100L
112M |
28F215 |
28 |
28 |
60 |
60 |
24 |
24 | ||||
|
132S
132M |
38D265 |
38 |
38 |
80 |
80 |
10 |
10 |
33 |
33 |
8 |
8 |
|
160M
160L |
42F300 |
42 |
42 |
110 |
110 |
12 |
12 |
,
37 |
37 | ||
|
180M
180L |
48F300 |
48 |
48 |
14 |
14 |
42.5 |
42.5 |
9 |
9 | ||
|
200L
|
55F350 |
55 |
55 |
16 |
16 |
49 |
49 |
10 |
10 | ||
|
225S
225M |
60F400 |
60 |
60 |
140 |
18 |
53 |
11 |
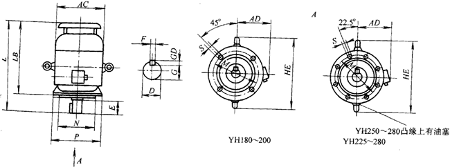
YH系列電動機外形及安裝尺寸圖(V1)

|
中心高 |
國際標準機座號 |
AC |
AD |
L |
LB |
D |
E |
F |
G |
GD |
HE |
M |
N |
P |
S |
|
180M |
48F300 |
360 |
285 |
730 |
620 |
48 |
110 |
14 |
42.5 |
9 |
500 |
300 |
250 |
350 |
4×ф19 |
|
180L |
770 |
660 | |||||||||||||
|
200L |
55F350 |
400 |
310 |
850 |
740 |
55 |
16 |
49 |
10 |
550 |
350 |
300 |
400 | ||
|
225S |
60F400 |
450 |
345 |
910 |
770 |
60 |
140 |
18 |
53 |
11 |
610 |
400 |
350 |
450 |
8×ф19 |
|
225M |
935 |
795 | |||||||||||||
|
250M |
65F500 |
495 |
385 |
1035 |
895 |
65 |
58 |
650 |
500 |
450 |
550 | ||||
|
280S |
75F500 |
555 |
410 |
1120 |
980 |
75 |
20 |
67.5
|
12 |
720 | |||||
|
280M |
1170 |
1030 |
| 頁次:1/1 每頁10條 共4條信息 分頁:[1] |
