Product list產品列表
Customer service在線客服
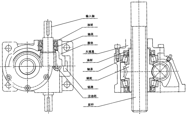
產品展示
產品結構

型號說明

2 |
產品代碼
RSS--蝸輪絲桿升降機 |
3 |
輸入軸聯接方式
D—帶電機法蘭
無代碼—基本型 |
4 |
規格用蝸輪副
中心距表示100 |
5 |
傳動比
12 |
6 |
安裝方式代碼
A、B-基本型
C、D-止旋構造型
E、F-活動螺母構造型
詳見“安裝方式” |
7 |
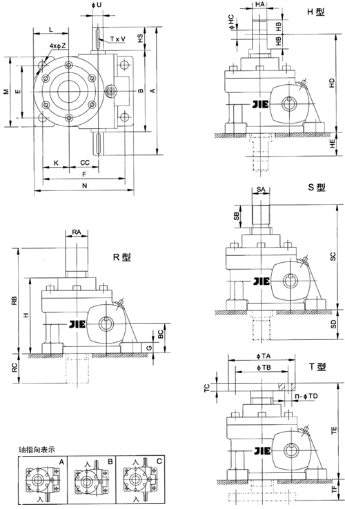
絲桿頭部型式代碼
R型(圓柱式)
H型(栓孔式)
S型(螺紋式)
T型(頂板式) |
8 |
絲桿行程300mm
共有100、200、300、400、500、600、800、1000mm8種規格,根據使用情況選擇,如需要其它長度行程,也可定做 |
9 |
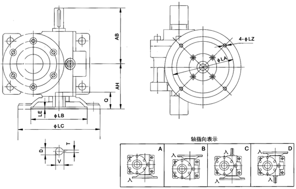
軸指向
JRSS系列共有A、B、C三種
JRSSD系列共有A、B、C、D四種
詳見“軸指向表示” |
10 |
護管
P-帶護管
無代-不帶護管 |
JRSS安裝尺寸

型號
規格 |
A
B
HS |
E
F
Z |
BC
G
H |
CC
K |
Tr |
L
M
N |
U
T×V |
絲桿頭部型式 | ||||||
R型 |
H型 |
S型 |
T型 | |||||||||||
RA
RB
RC |
HA
HB
HC |
HD
HE |
SA |
SB
SC
SD |
TA
TB
TC |
n-TD
TE
TF | ||||||||
JRSS35 |
170
110
30 |
66
111
12 |
40
15
110 |
35
38 |
Tr26×5 |
50
90
135 |
15
5×3 |
26
165
55 |
16
20
12 |
165
55 |
M16×1.5 |
28
150
40 |
88
70
10 |
4-ф10
135
25 |
JRSS40 |
220
140
40 |
80
125
12 |
50
18
130 |
40
42 |
Tr32×6 |
57
110
155 |
18
6×3.5 |
32
195
65 |
20
25
14 |
195
65 |
M22×1.5 |
32
180
50 |
98
80
13 |
4-ф10
160
30 |
JRSS50 |
220
140
40 |
90
140
14 |
50
18
130 |
50
45 |
Tr38×6 |
60
120
170 |
18
6×3.5 |
38
195
65 |
25
25
16 |
195
65 |
M30×1.5 |
35
180
50 |
114
90
13 |
4-ф12
160
30 |
JRSS60 |
256
176
40 |
100
190
18 |
60
20
160 |
60
70 |
Tr46×8 |
90
140
230 |
25
8×4 |
46
225
65 |
32
32
20 |
255
95 |
M33×1.5 |
40
220
60 |
138
100
16 |
4-ф14
200
40 |
JRSS60B |
264
184
40 |
110
190
18 |
60
20
160 |
60
70 |
Tr52×8 |
90
150
230 |
25
8×4 |
52
225
65 |
36
32
24 |
255
95 |
M39×1.5 |
45
220
60 |
148
110
20 |
4-ф18
210
50 |
JRSS70 |
316
216
50 |
140
210
18 |
70
25
180 |
70
75 |
Tr65×10 |
95
180
250 |
28
8×4 |
65
250
70 |
44
35
26 |
295
115 |
M45×1.5 |
55
260
80 |
178
125
25 |
4-ф21
235
55 |
JRSS100 |
390
260
65 |
190
260
22 |
85
30
220 |
100
85 |
Tr75×12 |
110
230
310 |
32
10×5 |
75
295
75 |
56
44
35 |
355
135 |
M60×2 |
65
300
80 |
188
140
28 |
4-ф21
285
65 |
JRSS120 |
420
290
65 |
210
305
22 |
100
30
260 |
120
105 |
Tr80×12 |
130
260
355 |
35
10×5 |
80
355
95 |
60
54
38 |
410
150 |
M64×2 |
70
360
100 |
218
170
30 |
4-ф25
330
70 |
JRSS130 |
480
340
70 |
240
355
22 |
120
30
315 |
130
130 |
Tr90×14 |
160
300
415 |
45
14×5.5 |
90
430
115 |
70
64
45 |
480
165 |
M76×2 |
75
435
120 |
248
200
32 |
4-ф27
390
75 |
JRSS150 |
550
360
95 |
250
385
27 |
125
35
345 |
150
135 |
Tr100×16 |
170
320
455 |
50
14×5.5 |
100
485
140 |
80
70
55 |
545
200 |
M90×2 |
100
495
150 |
358
280
35 |
6-ф27
445
100 |
JRSSD安裝尺寸

型號規格 |
法蘭規格 |
AB |
AH |
LA |
LB |
LC |
LE |
LZ |
D |
Q |
T×V |
JRSSD40 |
71B5 |
110 |
72 |
130 |
110 |
160 |
4 |
M8 |
ф14 |
33 |
5×16.3 |
JRSSD50 |
71B5 |
110 |
80 |
130 |
110 |
160 |
4 |
M8 |
ф14 |
33 |
5×16.3 |
JRSSD60 |
80B5 |
128 |
100 |
165 |
130 |
200 |
4.5 |
M10 |
ф19 |
43 |
6×21.8 |
90B5 |
ф24 |
53 |
8×27.3 | ||||||||
JRSSD60B |
80B5 |
132 |
100 |
165 |
130 |
200 |
4.5 |
M10 |
ф19 |
43 |
6×21.8 |
90B5 |
ф24 |
53 |
8×27.3 | ||||||||
JRSSD70 |
90B5 |
158 |
120 |
165 |
130 |
200 |
4.5 |
M10 |
ф24 |
53 |
8×27.3 |
JRSSD100 |
100/112B5 |
195 |
150 |
215 |
180 |
250 |
5 |
M12 |
ф28 |
63 |
8×31.3 |
JRSSD120 |
100/112B5 |
210 |
165 |
215 |
180 |
250 |
5 |
M12 |
ф28 |
63 |
8×31.3 |
JRSSD130 |
132B5 |
240 |
194 |
265 |
230 |
300 |
5 |
M12 |
ф38 |
83 |
10×41.3 |
JRSSD150 |
132B5 |
275 |
218 |
265 |
230 |
300 |
5 |
M12 |
ф38 |
83 |
10×41.3 |
選型方法
選型要素
總當量載荷計算
WS=Wmax×fs
WS—當量載荷 Wmax—最大載荷 fs—使用系數(詳見附表1)
表1 使用系數fs
使用工況 |
平穩載荷,負荷慣性小 |
輕微沖擊載荷,負荷慣性中等 |
強沖擊負荷,負荷慣性大 |
使用系數 |
1.0~1.3 |
1.3~1.5 |
1.5~3.0 |
單臺升降機的當量載荷的計算
W=WS/(S×fd)
W—單臺當量載荷 WS—當量載荷 S—聯動臺數 fd—聯動系數(詳見附表2)
表2 聯動系數fd
聯動臺數 |
1 |
2 |
3 |
4 |
5-8 |
使用系數 |
1 |
0.95 |
0.9 |
0.85 |
0.8 |
絲桿行程選定
在充分考慮絲桿運動慣性、各種頂端輸出部件等各種情況下,選擇有充分余量的絲桿行程。
暫定升降機型號
根據載重、升降速度、行程、驅動源暫時選定升降機型號。
絲桿計算(詳見表3,絲桿行程用L表示,單位:mm)
表3 絲桿計算
型號 |
絲桿直徑 |
護管長 |
絲桿頭部S型 |
絲桿頭部H型 |
絲桿頭部R型 |
絲桿頭部T型 | ||||
總長=
L+SC |
牙長=
總長-SD |
總長=
L+HB+HD |
牙長=
總長-HB-HE |
總長=
L+RB |
牙長=
總長-RC |
總長=
L+TE |
牙長=
總長-TF | |||
JRSS35 |
Tr26×5 |
L+55 |
L+150 |
總長-40 |
L+20+165 |
總長-20-55 |
L+165 |
總長-55 |
L+135 |
總長-25 |
JRSS40 |
Tr32×6 |
L+60 |
L+180 |
總長-50 |
L+25+195 |
總長-25-65 |
L+195 |
總長-65 |
L+160 |
總長-30 |
JRSS50 |
Tr38×6 |
L+60 |
L+180 |
總長-50 |
L+25+195 |
總長-25-65 |
L+195 |
總長-65 |
L+160 |
總長-30 |
JRSS60 |
Tr46×8 |
L+65 |
L+220 |
總長-60 |
L+32+255 |
總長-32-95 |
L+225 |
總長-65 |
L+200 |
總長-40 |
JRSS60B |
Tr52×8 |
L+65 |
L+220 |
總長-60 |
L+32+255 |
總長-32-95 |
L+225 |
總長-65 |
L+210 |
總長-50 |
JRSS70 |
Tr65×10 |
L+75 |
L+260 |
總長-80 |
L+35+295 |
總長-35-115 |
L+250 |
總長-70 |
L+235 |
總長-55 |
JRSS100 |
Tr75×12 |
|
L+300 |
總長-80 |
L+44+355 |
總長-44-135 |
L+295 |
總長-75 |
L+285 |
總長-65 |
JRSS120 |
Tr80×12 |
|
L+360 |
總長-100 |
L+54+410 |
總長-54-150 |
L+355 |
總長-95 |
L+330 |
總長-70 |
JRSS130 |
Tr90×14 |
|
L+435 |
總長-120 |
L+64+480 |
總長-64-165 |
L+430 |
總長-115 |
L+390 |
總長-75 |
JRSS150 |
Tr100×16 |
|
L+495 |
總長-150 |
L+70+545 |
總長-70-200 |
L+485 |
總長-140 |
L+445 |
總長-100 |
絲桿穩定性校核
Pcr=fm×(d2/La)2
應確保Pcr>W×Sf(一般Sf=4)
Pcr—絲桿臨界載荷(N) fm—長度系數(詳見附表4) d—絲桿底徑(mm)(詳見附表5)
La—作用點間距離(mm) W—單臺升降機當量載荷(N) Sf—安全系數(一般取4)
表4 長度系數(fm)

絲桿速度校核
nc=96×106×fn×d/Lb2
ns=n1/i 應確保nc>ns
nc--絲桿許用轉速(r/min) ns--絲桿回轉轉速(r/min) d--絲桿底徑(mm) i--減速比
n1--輸入軸回轉轉速(r/min) fn--支撐系數(詳見附表6) Lb--支撐間距離(mm)
輸入功率校核
P=n1×P1×W×10-3/(60×i×η)應確保P<P額
P--所需輸入功率(KW) P1--絲桿螺距(mm) n1--輸入軸回轉轉速(r/min)
W--當量載荷(KN) i--減速比 η--綜合效率
表5 絲桿底徑d
型號 |
JRSS35 |
JRSS40 |
JRSS50 |
JRSS60 |
JRSS60B |
JRSS70 |
JRSS100 |
JRSS120 |
JRSS130 |
JRSS150 |
絲桿底徑 |
20.5 |
25 |
31 |
37 |
43 |
54 |
62 |
67 |
74 |
82 |
表6 支撐系數fn

選型示例
兩臺聯動

四臺聯動

八臺聯動


安裝方式

說明:
1、基本形式:螺母(蝸輪)轉動絲桿上下移動,此為普通型升降機安裝方式。
注意:絲桿在升降時,會產生旋轉力,所以必須做好防止旋轉的措施。
2、止旋構造型:適用于頂端無連接下運轉等各種不能實現防止旋轉的場合。
3、若想在有限的空間增長行程,可選用活動螺母構造型。此構造為絲桿旋轉,活動螺母移動。若行程較長時,軸端應采用支撐方式,可得到很好的傳動效果。
選型參數
型號
規格 |
傳動比 |
入力軸轉速
1800r/min |
入力軸轉速
1500r/min |
入力軸轉速
1200r/min | ||||||
入功率
(kw) |
起升力
(kg) |
起升速度
(m/min) |
入功率
(kw) |
起升力
(kg) |
起升速度
(m/min) |
入功率
(kw) |
起升力
(kg) |
起升速度
(m/min) | ||
JRSS35 |
1/5 |
0.69 |
500 |
1.80 |
0.64 |
550 |
1.50 |
0.65 |
700 |
1.20 |
1/10 |
0.37 |
500 |
0.90 |
0.37 |
550 |
0.75 |
0.37 |
700 |
0.60 | |
1/20 |
0.37 |
600 |
0.45 |
0.37 |
700 |
0.38 |
0.37 |
900 |
0.30 | |
JRSS40 |
1/6 |
0.98 |
700 |
1.80 |
0.93 |
800 |
1.50 |
0.88 |
950 |
1.20 |
1/12 |
0.66 |
950 |
0.90 |
0.64 |
1100 |
0.75 |
0.61 |
1300 |
0.60 | |
1/24 |
0.37 |
950 |
0.45 |
0.37 |
1100 |
0.38 |
0.37 |
1300 |
0.30 | |
JRSS50 |
1/6 |
1.39 |
900 |
1.80 |
1.28 |
1000 |
1.50 |
1.24 |
1200 |
1.20 |
1/12 |
1.10 |
1350 |
0.90 |
1.01 |
1500 |
0.75 |
0.98 |
1800 |
0.60 | |
1/24 |
0.78 |
1800 |
0.45 |
0.72 |
2000 |
0.38 |
0.69 |
2400 |
0.30 | |
JRSS60 |
1/8 |
2.12 |
1300 |
1.80 |
1.97 |
1450 |
1.50 |
1.85 |
1700 |
1.20 |
1/16 |
1.12 |
1300 |
0.90 |
1.04 |
1450 |
0.75 |
0.98 |
1700 |
0.60 | |
1/32 |
0.80 |
1750 |
0.45 |
0.75 |
1950 |
0.38 |
0.69 |
2250 |
0.30 | |
JRSS60B |
1/8 |
2.00 |
1300 |
1.80 |
1.86 |
1450 |
1.50 |
1.75 |
1700 |
1.20 |
1/16 |
1.06 |
1300 |
0.90 |
0.98 |
1450 |
0.75 |
0.93 |
1700 |
0.60 | |
1/32 |
0.75 |
1750 |
0.45 |
0.70 |
1950 |
0.38 |
0.65 |
2250 |
0.30 | |
JRSS70 |
1/10 |
2.66 |
1400 |
1.80 |
2.42 |
1850 |
1.50 |
2.25 |
1950 |
1.20 |
1/20 |
1.42 |
1600 |
0.90 |
1.47 |
1850 |
0.75 |
1.37 |
2250 |
0.60 | |
1/40 |
1.14 |
2400 |
0.45 |
1.17 |
2800 |
0.38 |
1.09 |
3350 |
0.30 | |
JRSS100 |
1/12 |
3.62 |
1850 |
1.80 |
3.51 |
2150 |
1.50 |
3.39 |
2600 |
1.20 |
1/18 |
2.65 |
1900 |
1.20 |
2.68 |
2300 |
1.00 |
2.57 |
2750 |
0.80 | |
1/36 |
1.66 |
2200 |
0.60 |
1.63 |
2600 |
0.50 |
1.60 |
3200 |
0.40 | |
JRSS120 |
1/12 |
4.15 |
1975 |
1.80 |
4.02 |
2300 |
1.50 |
3.81 |
2725 |
1.20 |
1/18 |
3.20 |
2125 |
1.20 |
3.20 |
2550 |
1.00 |
3.04 |
3025 |
0.80 | |
1/36 |
2.14 |
2625 |
0.60 |
2.07 |
3050 |
0.50 |
1.98 |
3650 |
0.40 | |
JRSS130 |
1/7 |
9.47 |
2100 |
3.60 |
9.17 |
2450 |
3.00 |
9.02 |
2850 |
2.40 |
1/14 |
5.76 |
2350 |
1.80 |
5.71 |
2800 |
1.50 |
5.57 |
3300 |
1.20 | |
1/28 |
4.07 |
3050 |
0.90 |
3.89 |
3500 |
0.75 |
3.91 |
4100 |
0.60 | |
JRSS150 |
1/8 |
16.3 |
3500 |
3.60 |
16.1 |
4000 |
3.00 |
15.8 |
5400 |
2.40 |
1/16 |
11.7 |
4300 |
1.80 |
11.6 |
5400 |
1.50 |
10.5 |
7200 |
1.20 | |
1/32 |
8.65 |
5500 |
0.90 |
9.55 |
6800 |
0.75 |
7.35 |
10000 |
0.60 |
型號
規格 |
傳動比 |
入力軸轉速
900r/min |
入力軸轉速
600r/min |
入力軸轉速
300r/min | ||||||
入功率
(kw) |
起升力
(kg) |
起升速度
(m/min) |
入功率
(kw) |
起升力
(kg) |
起升速度
(m/min) |
入功率
(kw) |
起升力
(kg) |
起升速度
(m/min) | ||
JRSS35 |
1/5 |
0.63 |
900 |
0.90 |
0.46 |
1000 |
0.60 |
0.37 |
1000 |
0.30 |
1/10 |
0.37 |
950 |
0.45 |
0.37 |
1000 |
0.30 |
0.19 |
1350 |
0.15 | |
1/20 |
0.37 |
1200 |
0.23 |
0.19 |
1350 |
0.15 |
0.19 |
1350 |
0.08 | |
JRSS40 |
1/6 |
0.91 |
1300 |
0.90 |
0.84 |
1800 |
0.60 |
0.42 |
1800 |
0.30 |
1/12 |
0.57 |
1650 |
0.45 |
0.46 |
2000 |
0.30 |
0.37 |
2000 |
0.15 | |
1/24 |
0.37 |
1650 |
0.23 |
0.37 |
2000 |
0.15 |
0.19 |
2000 |
0.08 | |
JRSS50 |
1/6 |
1.16 |
1500 |
0.90 |
0.87 |
1700 |
0.60 |
0.54 |
2100 |
0.30 |
1/12 |
0.87 |
2150 |
0.45 |
0.58 |
2150 |
0.30 |
0.37 |
2500 |
0.15 | |
1/24 |
0.55 |
2550 |
0.23 |
0.42 |
2900 |
0.15 |
0.37 |
2850 |
0.08 | |
JRSS60 |
1/8 |
1.72 |
2100 |
0.90 |
1.66 |
3050 |
0.60 |
1.31 |
4800 |
0.30 |
1/16 |
0.95 |
2200 |
0.45 |
0.87 |
3050 |
0.30 |
0.69 |
4800 |
0.15 | |
1/32 |
0.64 |
2800 |
0.23 |
0.63 |
4100 |
0.15 |
0.48 |
6400 |
0.08 | |
JRSS60B |
1/8 |
1.62 |
2100 |
0.90 |
1.57 |
3050 |
0.60 |
1.24 |
4800 |
0.30 |
1/16 |
0.89 |
2200 |
0.45 |
0.83 |
3050 |
0.30 |
0.65 |
4800 |
0.15 | |
1/32 |
0.61 |
2800 |
0.23 |
0.59 |
4100 |
0.15 |
0.46 |
6400 |
0.08 | |
JRSS70 |
1/10 |
2.12 |
2450 |
0.90 |
1.93 |
3350 |
0.60 |
1.41 |
4900 |
0.30 |
1/20 |
1.28 |
2800 |
0.45 |
1.18 |
3850 |
0.30 |
0.86 |
5600 |
0.15 | |
1/40 |
1.07 |
4400 |
0.23 |
0.93 |
5750 |
0.15 |
0.69 |
8400 |
0.08 | |
JRSS100 |
1/12 |
3.18 |
3250 |
0.90 |
2.94 |
4500 |
0.60 |
2.09 |
6400 |
0.30 |
1/18 |
2.45 |
3500 |
0.60 |
2.19 |
4700 |
0.40 |
1.56 |
6700 |
0.20 | |
1/36 |
1.47 |
3900 |
0.30 |
1.36 |
5400 |
0.20 |
1.20 |
9600 |
0.10 | |
JRSS120 |
1/12 |
3.80 |
3625 |
0.90 |
3.48 |
4975 |
0.60 |
2.48 |
7050 |
0.30 |
1/18 |
3.03 |
4025 |
0.60 |
2.74 |
5450 |
0.40 |
1.94 |
7725 |
0.20 | |
1/36 |
1.99 |
4875 |
0.30 |
1.80 |
6600 |
0.20 |
1.40 |
10300 |
0.10 | |
JRSS130 |
1/7 |
8.58 |
4000 |
1.80 |
8.20 |
5450 |
1.20 |
5.84 |
7750 |
0.60 |
1/14 |
5.39 |
4550 |
0.90 |
5.06 |
6200 |
0.60 |
3.57 |
8750 |
0.30 | |
1/28 |
3.65 |
5850 |
0.45 |
3.48 |
7800 |
0.30 |
2.45 |
11000 |
0.15 | |
JRSS150 |
1/8 |
15.1 |
7100 |
1.80 |
14.8 |
9850 |
1.20 |
9.70 |
12950 |
0.60 |
1/16 |
11.00 |
9450 |
0.90 |
9.62 |
11800 |
0.60 |
7.08 |
17350 |
0.30 | |
1/32 |
7.53 |
14300 |
0.45 |
7.02 |
15750 |
0.30 |
5.80 |
26050 |
0.15 |
使用說明
產品說明
JRSS系列蝸輪絲桿升降機(又名千斤頂);
具有結構緊湊、體積小的特點;
安裝方便、形式多;
可靠性高、壽命長;
具有起升、下降及借助輔件推進、翻轉等多種功能;
可單臺使用,也可多臺組成使用;
動力源廣泛,可用電動機或其它動力直接帶動,也可以用手動;
通常用于低速重載的場合。廣泛應用于冶金、機械、建筑、水利、醫療、化工等各個行業。
使用注意事項
請嚴格按承載能力表選擇合適的速比和與之對應的具有充分裕度的載荷的升降機;
升降機工作時應控制減速機表面和升降螺母表面溫度在-15℃~80℃;
升降機不得連續運轉,單臺升降機的負荷時間率(T%)以30分鐘為單位計算,不得超過20%;

必須保證有充足的驅動源動力;
升降機理論上有自鎖功能,但在振動沖擊較大的場合會造成自鎖功能失靈,請務必加制動裝置;
升降機使用環境:
使用環境 |
室內無雨水侵入的場所 |
周圍空氣 |
灰塵為一般工廠狀況 |
環境濕度 |
-15℃~40℃ |
相對濕度 |
85%以下 |
升降機工作時一般不允許有橫向載荷,若有橫向載荷時,請加導向裝置。
油品潤滑
潤滑油(脂)選用表
蝸桿轉速(r/min) |
潤滑(脂)類型 |
1500~1800 |
ISO VG680 |
300~1500 |
ZNG-1或ZNG-2 |
注:合成鈣鈉基潤滑脂溫度范圍-20℃~100℃
潤滑油(脂)注油量(L)
規格 |
型號 | |||||||||
JRSS35 |
JRSS40 |
JRSS50 |
JRSS60 |
JRSS60B |
JRSS70 |
JRSS100 |
JRSS120 |
JRSS130 |
JRSS150 | |
注油量 |
0.06 |
0.1 |
0.2 |
0.35 |
0.4 |
0.5 |
1.5 |
2.2 |
3.5 |
4.0 |
故障分析
故障情況 |
故障原因 |
解決辦法 |
振動 |
原動機與升降機連接不當 |
調整至適當位置,重新正確固緊 |
蝸輪副齒部磨耗或損傷 |
更換蝸輪副 | |
軸承磨損 |
更換軸承 | |
螺栓松脫 |
固緊螺栓 | |
雜音 |
軸承損傷或間隙過大 |
更換軸承 |
蝸輪副嚙合不良 |
修整齒面或更換蝸輪副 | |
潤滑油(脂)過少 |
補加潤滑油(脂) | |
漏油 |
油封唇口磨損 |
更換油封 |
油封檔軸頸磨損 |
更換輸入軸或蝸輪 | |
蝸輪副齒面
磨損過快 |
超負荷運轉 |
調整至適當負荷 |
潤滑油(脂)不符合要求 |
按油品潤滑更換潤滑油(脂) | |
潤滑油(脂)過少 |
補加潤滑油(脂) | |
未按規定適時換油,潤滑油劣化 |
按規定要求適時換油 | |
運轉溫度過高 |
采取合適措施,降低環境溫度 | |
絲桿副齒面
磨損過快 |
超負荷運轉 |
調整至適當負荷 |
潤滑脂干枯或變質 |
去污擦凈,重新加潤滑脂 | |
有橫向載荷 |
加導向裝置 |
注:如果發生其他故障無法解決時,請隨時與廠家聯系,以便提供咨詢服務。
頁次:1/1 每頁10條 共9條信息 分頁:[1] |