Product list產品列表
Customer service在線客服
產品展示
ZZ行星齒輪減速器
(JB/T9043.2-1999,替代ZBJ19020-89)
ZZ行星齒輪減速器適用于礦山、冶金、水泥、輕化、能源、建材、起重運輸等行業的機械設備中。
(1) 標記與示例
減速器分單級傳動(ZZD)、二級傳動(ZZL)、三級傳動(ZZS)、單級派生傳動(ZZDP)和兩級派生傳動(ZZLP)幾種型式。兩個派生系列各有1~4種裝配型式。
1)標記方法

資料整理中
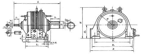
ZZD355~ZZD1800減速器外形尺寸

ZZD355~ZZD1800減速器外形尺寸 (mm)
|
型號 |
外形尺寸及中心高 |
軸伸尺寸 |
地腳尺寸 |
質量(kg) | ||||||||||||||||||||
|
L |
B |
H |
HB0B |
R |
d |
D |
lB1B |
lB2B |
tB1B |
tB2B |
tB3B |
bB1B |
bB2B |
bB3B |
LB0B |
LB1B |
LB2B |
LB3B |
BB1B |
BB2B |
dB1B |
h | ||
|
ZZD355 |
974 |
748 |
594 |
280 |
280 |
85 |
140 |
115 |
165 |
90 |
- |
14 |
22 |
- |
42 |
146 |
450 |
350 |
50 |
600 |
700 |
50 |
45 |
545 |
|
ZZD400 |
1057 |
838 |
676 |
315 |
320 |
95 |
150 |
125 |
180 |
100 |
- |
15 |
25 |
- |
45 |
143 |
520 |
400 |
60 |
675 |
790 |
50 |
55 |
800 |
|
ZZD450 |
1122 |
912 |
746 |
355 |
350 |
100 |
170 |
140 |
180 |
106 |
- |
17 |
28 |
- |
51 |
169 |
520 |
400 |
60 |
745 |
860 |
50 |
55 |
949 |
|
ZZD500 |
1173 |
1042 |
868 |
400 |
405 |
120 |
200 |
160 |
200 |
127 |
- |
20 |
32 |
- |
60 |
180 |
580 |
450 |
65 |
860 |
990 |
55 |
65 |
1476 |
|
ZZD560 |
1366 |
1122 |
992 |
450 |
450 |
130 |
220 |
165 |
240 |
- |
13 |
22 |
- |
39 |
66 |
225 |
580 |
480 |
50 |
940 |
1070 |
55 |
65 |
1851 |
|
ZZD630 |
1500 |
1268 |
1072 |
500 |
495 |
140 |
240 |
180 |
260 |
- |
14 |
24 |
- |
42 |
72 |
228 |
680 |
530 |
75 |
1050 |
1286 |
65 |
75 |
2520 |
|
ZZD710 |
1622 |
1366 |
1177 |
560 |
545 |
160 |
260 |
180 |
280 |
- |
16 |
26 |
- |
48 |
78 |
258 |
720 |
570 |
75 |
1150 |
1300 |
65 |
75 |
3412 |
|
ZZD800 |
1775 |
1540 |
1358 |
630 |
600 |
180 |
300 |
200 |
320 |
- |
18 |
30 |
- |
54 |
90 |
263 |
840 |
650 |
95 |
1320 |
1510 |
75 |
90 |
4683 |
|
ZZD900 |
1953 |
1700 |
1470 |
710 |
665 |
190 |
340 |
240 |
350 |
- |
19 |
34 |
- |
57 |
102 |
235 |
980 |
770 |
105 |
1420 |
1630 |
80 |
100 |
6582 |
|
ZZD1000 |
2184 |
1930 |
1644 |
800 |
755 |
220 |
360 |
260 |
400 |
- |
22 |
36 |
- |
66 |
108 |
308 |
1050 |
810 |
120 |
1640 |
1860 |
95 |
110 |
8208 |
|
ZZD1120 |
2387 |
2204 |
1869 |
900 |
850 |
240 |
400 |
260 |
400 |
- |
24 |
40 |
- |
72 |
120 |
322 |
1130 |
930 |
100 |
1870 |
2120 |
100 |
125 |
11453 |
|
ZZD1250 |
2618 |
2470 |
2060 |
1000 |
950 |
260 |
450 |
280 |
485 |
- |
26 |
45 |
- |
78 |
135 |
356 |
1330 |
1020 |
155 |
2120 |
2430 |
120 |
150 |
15795 |
|
ZZD1400 |
3067 |
2706 |
2267 |
1100 |
1035 |
280 |
500 |
350 |
670 |
- |
28 |
50 |
- |
84 |
150 |
372 |
1430 |
1120 |
155 |
2300 |
2610 |
120 |
150 |
20743 |
|
ZZD1600 |
3344 |
2946 |
2570 |
1250 |
1135 |
320 |
560 |
350 |
750 |
- |
32 |
56 |
- |
96 |
168 |
459 |
1500 |
1180 |
160 |
2540 |
2580 |
145 |
170 |
27313 |
|
ZZD1800 |
3644 |
3324 |
2742 |
1360 |
1290 |
340 |
630 |
400 |
850 |
- |
34 |
63 |
- |
102 |
189 |
434 |
1720 |
1350 |
185 |
2850 |
3220 |
165 |
200 |
37667 |
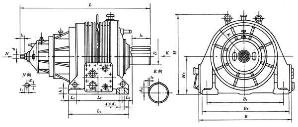
ZZL355~ZZL1800減速器外形尺寸

ZZL355~ZZL1800減速器外形尺寸 (mm)
|
型號 |
外形尺寸及中心高 |
軸伸尺寸 |
地腳尺寸 |
質量(kg) | ||||||||||||||||||||
|
L |
B |
H |
H0 |
R |
d |
D |
lB1 |
l2 |
t1 |
t2 |
t3 |
b1 |
b2 |
b3 |
L0 |
L1 |
L2 |
L3 |
B1 |
B2 |
d1 |
h | ||
|
ZZL355 |
1151 |
784 |
594 |
280 |
280 |
55 |
140 |
85 |
165 |
59 |
- |
14 |
16 |
- |
42 |
146 |
450 |
350 |
50 |
600 |
700 |
50 |
45 |
633 |
|
ZZL400 |
1213 |
838 |
676 |
315 |
320 |
60 |
150 |
85 |
180 |
64 |
- |
15 |
18 |
- |
45 |
153 |
520 |
400 |
60 |
675 |
790 |
50 |
55 |
883 |
|
ZZL450 |
1325 |
912 |
746 |
355 |
350 |
70 |
170 |
105 |
180 |
74.5 |
- |
17 |
20 |
- |
51 |
169 |
520 |
400 |
60 |
745 |
860 |
50 |
55 |
1106 |
|
ZZL500 |
1441 |
1042 |
868 |
400 |
405 |
80 |
200 |
115 |
200 |
85 |
- |
20 |
22 |
- |
60 |
180 |
580 |
450 |
65 |
860 |
990 |
55 |
65 |
1631 |
|
ZZL560 |
1599 |
1122 |
992 |
450 |
450 |
90 |
220 |
115 |
240 |
95 |
- |
22 |
25 |
- |
66 |
225 |
580 |
480 |
50 |
940 |
1070 |
55 |
65 |
2137 |
|
ZZL630 |
1767 |
1268 |
1072 |
500 |
495 |
100 |
240 |
125 |
260 |
106 |
- |
24 |
28 |
- |
72 |
228 |
680 |
530 |
75 |
1050 |
1286 |
65 |
75 |
2914 |
|
ZZL710 |
1947 |
1366 |
1177 |
560 |
545 |
110 |
260 |
140 |
280 |
116 |
- |
26 |
28 |
- |
78 |
258 |
720 |
570 |
75 |
1150 |
1300 |
65 |
75 |
4037 |
|
ZZL800 |
2099 |
1540 |
1358 |
630 |
600 |
120 |
300 |
140 |
280 |
127 |
- |
30 |
32 |
- |
90 |
263 |
840 |
650 |
95 |
1320 |
1510 |
75 |
90 |
5562 |
|
ZZL900 |
2208 |
1700 |
1470 |
710 |
665 |
130 |
340 |
160 |
350 |
137 |
- |
34 |
32 |
- |
102 |
285 |
980 |
770 |
105 |
1420 |
1630 |
80 |
100 |
7339 |
|
ZZL1000 |
2584 |
1930 |
1644 |
800 |
755 |
140 |
360 |
180 |
320 |
- |
14 |
36 |
- |
42 |
108 |
308 |
1050 |
810 |
120 |
1640 |
1860 |
95 |
110 |
9732 |
|
ZZL1120 |
2774 |
2204 |
1869 |
900 |
850 |
160 |
400 |
180 |
400 |
- |
16 |
40 |
- |
48 |
120 |
322 |
1130 |
930 |
100 |
1870 |
2120 |
100 |
125 |
14165 |
|
ZZL1250 |
3115 |
2470 |
2060 |
1000 |
950 |
170 |
450 |
200 |
485 |
- |
17 |
45 |
- |
51 |
135 |
356 |
1330 |
1020 |
155 |
2120 |
2430 |
120 |
150 |
18862 |
|
ZZL1400 |
3586 |
2708 |
2267 |
1100 |
1035 |
200 |
500 |
240 |
670 |
- |
20 |
50 |
- |
60 |
150 |
372 |
1430 |
1120 |
155 |
2300 |
2610 |
120 |
150 |
25122 |
|
ZZL1600 |
3952 |
2941 |
2570 |
1250 |
1135 |
220 |
560 |
240 |
750 |
- |
22 |
56 |
- |
66 |
168 |
459 |
1500 |
1160 |
160 |
2540 |
2580 |
145 |
170 |
33488 |
|
ZZL1800 |
4314 |
3324 |
2742 |
1360 |
1290 |
240 |
630 |
260 |
850 |
- |
24 |
63 |
- |
72 |
189 |
454 |
1720 |
1350 |
185 |
2850 |
3220 |
165 |
200 |
45051 |
ZZS355~ZZS1800型減速器外形尺寸

ZZS355~ZZS1800減速器外形尺寸 (mm)
|
型號 |
外形尺寸及中心高 |
軸伸尺寸 |
地腳尺寸 |
質量(kg) | ||||||||||||||||||
|
L |
B |
H |
H0 |
R |
d |
D |
l1 |
l2 |
t1 |
t3 |
b1 |
b3 |
L0 |
L1 |
L2 |
L3 |
B1 |
B2 |
d1 |
h | ||
|
ZZS355 |
1266 |
748 |
594 |
280 |
280 |
30 |
140 |
55 |
165 |
33 |
14 |
8 |
42 |
146 |
450 |
350 |
50 |
600 |
700 |
50 |
45 |
648 |
|
ZZS400 |
1344 |
838 |
676 |
315 |
320 |
35 |
150 |
55 |
180 |
38 |
15 |
10 |
45 |
153 |
520 |
400 |
60 |
675 |
790 |
50 |
55 |
915 |
|
ZZS450 |
1411 |
912 |
746 |
355 |
350 |
40 |
170 |
55 |
180 |
43 |
17 |
12 |
51 |
169 |
520 |
400 |
60 |
745 |
860 |
50 |
55 |
1155 |
|
ZZS500 |
1619 |
1042 |
868 |
400 |
405 |
45 |
200 |
70 |
200 |
48.5 |
20 |
14 |
60 |
180 |
580 |
450 |
65 |
860 |
990 |
55 |
65 |
1074 |
|
ZZS560 |
1773 |
1122 |
992 |
450 |
450 |
50 |
220 |
70 |
240 |
53.5 |
22 |
14 |
66 |
225 |
580 |
480 |
50 |
940 |
1070 |
55 |
65 |
2237 |
|
ZZS630 |
1969 |
1268 |
1072 |
500 |
495 |
55 |
240 |
85 |
260 |
59 |
24 |
16 |
72 |
228 |
680 |
530 |
75 |
1050 |
1286 |
65 |
75 |
3057 |
|
ZZS710 |
2140 |
1366 |
1177 |
560 |
545 |
60 |
260 |
85 |
280 |
64 |
26 |
18 |
78 |
258 |
720 |
570 |
75 |
1150 |
1300 |
65 |
75 |
4234 |
|
ZZS800 |
2317 |
1540 |
1358 |
630 |
600 |
65 |
300 |
105 |
280 |
69 |
30 |
18 |
90 |
263 |
840 |
650 |
95 |
1320 |
1510 |
75 |
90 |
5832 |
|
ZZS900 |
2384 |
1700 |
1470 |
710 |
665 |
70 |
340 |
105 |
350 |
74.5 |
34 |
20 |
102 |
285 |
980 |
770 |
105 |
1420 |
1630 |
80 |
90 |
7323 |
|
ZZS1000 |
2842 |
1930 |
1644 |
800 |
755 |
75 |
360 |
105 |
320 |
79.5 |
36 |
20 |
108 |
308 |
1050 |
810 |
120 |
1640 |
1860 |
95 |
110 |
10339 |
|
ZZS1120 |
3125 |
2204 |
1869 |
900 |
850 |
80 |
400 |
115 |
400 |
85 |
40 |
22 |
120 |
322 |
1130 |
930 |
100 |
1870 |
2120 |
100 |
125 |
74570 |
|
ZZS1250 |
3458 |
2470 |
2060 |
1000 |
950 |
90 |
450 |
115 |
485 |
95 |
45 |
25 |
135 |
356 |
1330 |
1020 |
155 |
2120 |
2430 |
120 |
150 |
19935 |
|
ZZS1400 |
3926 |
2706 |
2267 |
1100 |
1035 |
100 |
500 |
125 |
670 |
106 |
50 |
28 |
150 |
372 |
1430 |
1120 |
155 |
2300 |
2610 |
120 |
150 |
25014 |
|
ZZS1600 |
4335 |
2948 |
2570 |
1250 |
1135 |
110 |
560 |
140 |
750 |
116 |
56 |
28 |
168 |
459 |
1500 |
1180 |
160 |
2540 |
2580 |
145 |
170 |
35571 |
|
ZZS1800 |
4742 |
3324 |
2742 |
1360 |
1290 |
120 |
630 |
140 |
850 |
127 |
63 |
32 |
189 |
434 |
1720 |
1350 |
185 |
2850 |
3220 |
165 |
200 |
47850 |
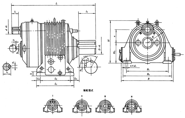
ZZDP型行星齒輪減速機外形及安裝尺寸

ZZDP355~ZZDP1800減速器外形尺寸 (mm)
|
|||||||||||||||||||||||||||||||||||||||||||||||||||||||||||||||||||||||||||||||||||||||||||||||||||||||||||||||||||||||||||||||||||||||||||||||||||||||||||||||||||||||||||||||||||||||||||||||||||||||||||||||||||||||||||||||||||||||||||||||||||||||||||||||||||||||||||||||||||||||||||||||||||||||||||||||||||||||||||||||||||||||||||||||||||||||||||||||||||||||||||||||||||||||||||||||||||||||||||||||||||||||||||||||||||||||||||||||||||||||||
ZZLP型行星齒輪減速機外形及安裝尺寸

ZZLP355~ZZLP1800減速器外形尺寸 (mm)
|
型號 |
外形尺寸及中心高 |
軸伸尺寸 |
地腳尺寸 |
質量(kg) | |||||||||||||||||||||
|
L |
B |
H |
H0 |
R |
a |
d |
D |
l1 |
l2 |
t1 |
t2 |
t3 |
b1 |
b2 |
b3 |
L0 |
L1 |
L2 |
L3 |
B1 |
B2 |
d1 |
h | ||
|
ZZLP355 |
1165 |
748 |
594 |
280 |
280 |
100 |
35 |
140 |
55 |
165 |
38 |
- |
14 |
10 |
- |
42 |
146 |
450 |
350 |
50 |
600 |
700 |
50 |
45 |
626 |
|
ZZLP400 |
1243 |
838 |
676 |
315 |
320 |
112 |
40 |
150 |
55 |
180 |
43 |
- |
15 |
12 |
- |
45 |
153 |
520 |
400 |
60 |
670 |
790 |
50 |
55 |
881 |
|
ZZLP450 |
1323 |
912 |
746 |
355 |
350 |
125 |
45 |
170 |
70 |
180 |
48.5 |
- |
17 |
14 |
- |
51 |
169 |
520 |
400 |
60 |
745 |
860 |
50 |
55 |
1103 |
|
ZZLP500 |
1447 |
1042 |
868 |
400 |
405 |
140 |
48 |
200 |
70 |
200 |
51.5 |
- |
20 |
14 |
- |
60 |
180 |
580 |
450 |
65 |
865 |
990 |
55 |
65 |
1666.5 |
|
ZZLP560 |
1626 |
1122 |
992 |
450 |
450 |
160 |
50 |
220 |
85 |
240 |
54 |
- |
22 |
16 |
- |
66 |
225 |
580 |
480 |
50 |
940 |
1070 |
55 |
65 |
2185 |
|
ZZLP630 |
1762 |
1268 |
1072 |
500 |
495 |
180 |
60 |
240 |
85 |
260 |
64 |
- |
24 |
18 |
- |
72 |
228 |
680 |
530 |
75 |
1050 |
1286 |
65 |
75 |
2983 |
|
ZZLP710 |
1953 |
1366 |
1177 |
560 |
545 |
200 |
70 |
260 |
105 |
280 |
74.5 |
- |
26 |
20 |
- |
78 |
258 |
720 |
570 |
75 |
1150 |
1300 |
65 |
75 |
4107.5 |
|
ZZLP800 |
2083 |
1540 |
1358 |
630 |
600 |
224 |
75 |
300 |
105 |
320 |
79.5 |
- |
30 |
20 |
- |
90 |
263 |
840 |
650 |
95 |
1320 |
1510 |
75 |
90 |
5660 |
|
ZZLP900 |
2217 |
1700 |
1470 |
710 |
665 |
236 |
80 |
340 |
115 |
350 |
85 |
- |
34 |
22 |
- |
102 |
285 |
980 |
770 |
105 |
1420 |
1630 |
80 |
100 |
7183 |
|
ZZLP1000 |
2598 |
1930 |
1644 |
800 |
755 |
265 |
95 |
360 |
125 |
400 |
100 |
- |
36 |
25 |
- |
108 |
308 |
1050 |
810 |
120 |
1640 |
1860 |
95 |
110 |
9981 |
|
ZZLP1120 |
2869 |
2204 |
1869 |
900 |
850 |
300 |
100 |
400 |
140 |
400 |
106 |
- |
40 |
28 |
- |
120 |
322 |
1130 |
930 |
100 |
1870 |
2120 |
100 |
125 |
14082 |
|
ZZLP1250 |
3056 |
2470 |
2060 |
1000 |
950 |
335 |
120 |
450 |
140 |
485 |
127 |
- |
45 |
32 |
- |
135 |
356 |
1330 |
1020 |
155 |
2120 |
2430 |
120 |
150 |
18799 |
|
ZZLP1400 |
3598 |
2706 |
2267 |
1100 |
1035 |
375 |
130 |
500 |
165 |
670 |
137 |
- |
50 |
32 |
- |
150 |
372 |
1430 |
1120 |
155 |
2300 |
2610 |
120 |
150 |
25657 |
|
ZZLP1600 |
3963 |
2946 |
2570 |
1250 |
1135 |
400 |
140 |
560 |
180 |
750 |
- |
14 |
56 |
- |
42 |
168 |
459 |
1500 |
1180 |
160 |
2540 |
2580 |
145 |
170 |
34042 |
|
ZZLP1800 |
4321 |
3324 |
2742 |
1360 |
1290 |
450 |
150 |
630 |
180 |
850 |
- |
15 |
63 |
- |
45 |
189 |
434 |
1720 |
1350 |
185 |
2850 |
3220 |
165 |
200 |
45978 |
注:1. 上述減速器齒寬系數bBaB*=b/a(a為中心距),行星傳動齒輪bBaB*=0.7,平行軸傳動齒輪bBaB*=0.4。
2. 行星輪個數nBp=3。
ZZD型行星齒輪減速器許用輸入功率P1
|
公稱傳動比 |
轉速(r/min) |
ZZD型行星減速器 | |||||||||||||||
|
355 |
400 |
450 |
500 |
560 |
630 |
710 |
800 |
900 |
1000 |
1120 |
1250 |
1400 |
1600 |
1800 | |||
|
nB1B |
nB2B |
許用輸入功率P1(kW) | |||||||||||||||
|
3.15 |
1000 |
317 |
606 |
747 |
1222 |
1527 |
2375 |
2929 |
4785 |
5973 |
9604 |
12047 |
18251 |
23925 |
30005 |
42062 |
60304 |
|
750 |
238 |
449 |
555 |
911 |
1143 |
1764 |
2191 |
3563 |
4378 |
7152 |
8984 |
13687 |
18071 |
23380 |
33201 |
47449 | |
|
500 |
159 |
297 |
270 |
641 |
762 |
1174 |
1459 |
2359 |
2901 |
4734 |
5973 |
9132 |
11877 |
15504 |
21972 |
33449 | |
|
3.55 |
1000 |
282 |
563 |
747 |
1168 |
1307 |
2349 |
2909 |
4396 |
5888 |
8732 |
11653 |
16953 |
23631 |
28133 |
39548 |
58378 |
|
750 |
211 |
420 |
553 |
869 |
970 |
1762 |
2168 |
3252 |
4364 |
6595 |
8695 |
12692 |
18378 |
22031 |
31055 |
45989 | |
|
500 |
141 |
279 |
366 |
581 |
647 |
1171 |
1453 |
2138 |
2865 |
4442 |
5766 |
8507 |
12725 |
15389 |
21755 |
32315 | |
|
4 |
1000 |
250 |
510 |
678 |
1042 |
1561 |
2138 |
3042 |
4113 |
5478 |
8178 |
10904 |
16071 |
21857 |
25873 |
36471 |
53039 |
|
750 |
188 |
396 |
517 |
794 |
1193 |
1603 |
2314 |
3165 |
4149 |
6173 |
8458 |
12053 |
16980 |
20298 |
28685 |
41877 | |
|
500 |
125 |
265 |
340 |
516 |
812 |
1064 |
1505 |
2170 |
2806 |
4142 |
5826 |
7898 |
11751 |
14192 |
20117 |
29477 | |
|
4.5 |
1000 |
222 |
428 |
570 |
874 |
1140 |
1884 |
2209 |
3326 |
4550 |
6651 |
8374 |
13897 |
16438 |
21328 |
28099 |
43472 |
|
750 |
167 |
326 |
431 |
654 |
864 |
1424 |
1669 |
2564 |
3474 |
5042 |
6469 |
10387 |
12560 |
16124 |
22042 |
32604 | |
|
500 |
111 |
220 |
289 |
434 |
580 |
962 |
1116 |
1698 |
2357 |
3385 |
4397 |
6960 |
8350 |
11215 |
15389 |
21736 | |
|
5 |
1000 |
200 |
323 |
470 |
727 |
890 |
1342 |
1762 |
2950 |
3848 |
5517 |
7434 |
10983 |
14260 |
18667 |
25293 |
34954 |
|
750 |
150 |
245 |
355 |
542 |
674 |
1015 |
1335 |
2181 |
2902 |
4187 |
5647 |
8340 |
10743 |
14619 |
19985 |
26782 | |
|
500 |
100 |
167 |
237 |
357 |
453 |
682 |
898 |
1443 |
1956 |
2823 |
3813 |
5630 |
7216 |
10000 |
13625 |
18232 | |
|
5.6 |
1000 |
179 |
288 |
382 |
592 |
764 |
1166 |
1517 |
2247 |
3226 |
4581 |
5918 |
9518 |
11366 |
16673 |
22788 |
30417 |
|
750 |
134 |
219 |
251 |
450 |
577 |
881 |
1147 |
1701 |
2420 |
3479 |
4467 |
7219 |
8681 |
12689 |
17458 |
23247 | |
|
500 |
89 |
148 |
195 |
304 |
387 |
591 |
770 |
1144 |
1632 |
2338 |
2987 |
4895 |
5846 |
8582 |
11835 |
15816 | |
|
6.3 |
1000 |
159 |
241 |
271 |
441 |
526 |
848 |
1103 |
1668 |
2189 |
3444 |
4480 |
6753 |
8772 |
10961 |
12066 |
23755 |
|
750 |
119 |
182 |
206 |
328 |
405 |
646 |
839 |
1248 |
1654 |
2583 |
3334 |
5027 |
6617 |
8272 |
9154 |
18198 | |
|
500 |
79 |
121 |
139 |
215 |
271 |
433 |
563 |
830 |
1120 |
1722 |
2206 |
3394 |
4471 |
5582 |
6173 |
12471 | |
|
7.1 |
1000 |
141 |
181 |
211 |
361 |
420 |
668 |
918 |
1295 |
1658 |
2695 |
3549 |
5691 |
7016 |
9365 |
14517 |
18398 |
|
750 |
106 |
137 |
160 |
269 |
316 |
497 |
687 |
969 |
1250 |
1987 |
2680 |
4291 |
5307 |
7091 |
11029 |
13889 | |
|
500 |
70 |
93 |
107 |
177 |
217 |
331 |
456 |
644 |
839 |
1317 |
1787 |
2861 |
3598 |
4788 |
7447 |
9320 | |
|
8 |
1000 |
125 |
144 |
171 |
262 |
354 |
533 |
722 |
1042 |
1317 |
2205 |
2778 |
4396 |
5612 |
7096 |
10112 |
14357 |
|
750 |
94 |
109 |
129 |
195 |
269 |
396 |
539 |
781 |
977 |
1634 |
2063 |
3307 |
4239 |
5399 |
7686 |
10883 | |
|
500 |
63 |
73 |
87 |
127 |
180 |
261 |
358 |
5185 |
644 |
1089 |
1359 |
2195 |
2846 |
3629 |
5166 |
7376 | |
|
9 |
1000 |
111 |
107 |
137 |
211 |
271 |
439 |
523 |
855 |
1045 |
1687 |
2292 |
3397 |
4276 |
5820 |
8046 |
11718 |
|
750 |
83 |
81 |
107 |
158 |
205 |
326 |
392 |
638 |
766 |
1247 |
1701 |
2583 |
3234 |
4365 |
6034 |
8880 | |
|
500 |
56 |
59 |
69 |
104 |
137 |
214 |
260 |
422 |
510 |
820 |
1128 |
1687 |
2185 |
2869 |
3957 |
5967 | |
ZZDP型行星齒輪減速器許用輸入功率P1
|
公稱傳動比 |
轉速(r/min) |
ZZDP型行星減速器 | |||||||||||||||
|
355 |
400 |
450 |
500 |
560 |
630 |
710 |
800 |
900 |
1000 |
1120 |
1250 |
1400 |
1600 |
1800 | |||
|
n1 |
n2 |
許用輸入功率P1(kW) | |||||||||||||||
|
10 |
1000
750
500 |
100
75
50 |
165
125
85 |
240
181
121 |
371
276
182 |
454
344
231 |
685
518
348 |
898
681
458 |
1504
1112
736 |
1962
1480
998 |
2814
2135
1440 |
3791
2880
1944 |
5600
4253
2871 |
7272
5478
3679 |
9519
7455
5099 |
12898
10191
6948 |
17824
13657
9297 |
|
11.2 |
1000
750
500 |
89
67
45 |
147
112
76 |
214
161
108 |
331
247
163 |
405
307
206 |
611
462
311 |
802
608
409 |
1343
993
657 |
1752
1321
891 |
2512
1906
1286 |
3385
2571
1736 |
5000
3797
2563 |
6493
4891
3285 |
8499
6656
4553 |
11516
9099
6204 |
15915
12194
8301 |
|
12.5 |
1000
750
500 |
80
60
40 |
132
100
68 |
192
145
97 |
297
221
146 |
363
275
185 |
548
414
278 |
719
545
366 |
1204
890
589 |
1570
1184
798 |
2251
1708
1152 |
3033
2304
1555 |
4480
3402
2297 |
5817
4383
2944 |
7615
5964
4079 |
10318
8153
5559 |
14260
10926
7438 |
|
14 |
1000
750
500 |
71
54
36 |
118
89
61 |
171
129
86 |
265
197
130 |
324
245
165 |
489
370
248 |
642
486
327 |
1075
794
526 |
1402
1057
713 |
2010
1525
1028 |
2708
2057
1389 |
4000
3038
2051 |
5194
3913
2628 |
6799
5325
3642 |
9213
7279
4963 |
12732
9755
6641 |
|
16 |
1000
750
500 |
63
48
32 |
105
79
54 |
152
115
77 |
235
175
116 |
288
218
147 |
435
329
221 |
570
432
291 |
955
706
467 |
1246
940
633 |
1786
1355
914 |
2407
1828
1234 |
3556
2700
1823 |
4617
3478
2336 |
6044
4733
3238 |
8189
6471
4412 |
11317
8671
5903 |
|
18 |
1000
750
500 |
56
42
28 |
93
70
48 |
135
102
68 |
209
156
103 |
256
194
130 |
386
292
196 |
506
384
258 |
848
626
415 |
1106
834
562 |
1585
1203
811 |
2136
1622
1095 |
3155
2396
1618 |
4097
3086
2073 |
5363
4200
2873 |
7266
5742
3914 |
10042
7694
5238 |
ZZL型行星齒輪減速器許用輸入功率P1
|
|||||||||||||||||||||||||||||||||||||||||||||||||||||||||||||||||||||||||||||||||||||||||||||||||||||||||||||||||||||||||||||||||||||||||||||||||||||||||||||||||||||||||||||||||||||||||||||||||||||||||||||||||||||||||||||||||||||||
| 頁次:1/2 每頁10條 共17條信息 分頁:[1][2] |
