Product list產品列表
Customer service在線客服
產品展示
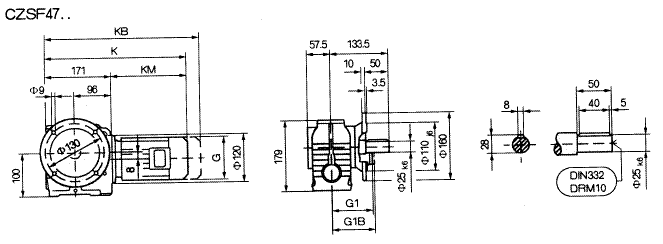
CZSF47..型斜齒輪蝸桿減速機的安裝尺寸
|
78 |
DR63.. |
DT71D |
DT80.. |
DT90.. |
|
G(AC) |
132 |
145 |
145 |
197 |
|
G1(AD) |
99 |
122 |
122 |
154 |
|
G1B |
99 |
127 |
127 |
161 |
|
K |
362 |
377 |
427 |
447 |
|
KB |
417 |
441 |
491 |
532 |
|
KM(LB) |
191 |
206 |
256 |
276 |
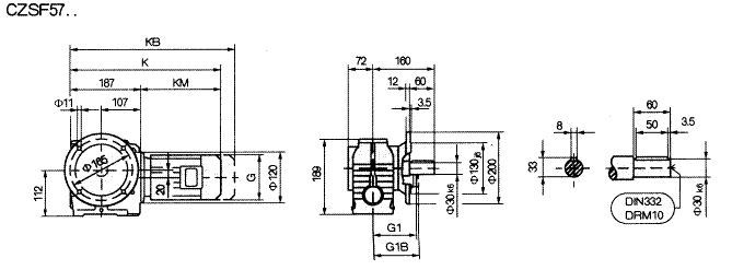
CZSF57..型斜齒輪蝸桿減速機的安裝尺寸
|
78 |
DR63.. |
DT71D |
DT80.. |
DT90.. |
DV100M |
DV100L |
|
G(AC) |
132 |
145 |
145 |
197 |
197 |
197 |
|
G1(AD) |
99 |
122 |
122 |
154 |
166 |
166 |
|
G1B |
99 |
127 |
127 |
161 |
166 |
166 |
|
K |
378 |
393 |
433 |
463 |
515 |
545 |
|
KB |
433 |
457 |
507 |
548 |
600 |
630 |
|
KM(LB) |
191 |
206 |
256 |
276 |
328 |
358 |
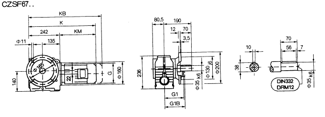
CZSF67..型斜齒輪蝸桿減速機的安裝尺寸
|
78 |
DR63.. |
DT71D |
DT80.. |
DT90.. |
DV100M |
DV100L |
DV112M |
DV132S |
|
G(AC) |
132 |
145 |
145 |
197 |
197 |
197 |
221 |
221 |
|
G1(AD) |
99 |
122 |
122 |
154 |
166 |
166 |
176 |
176 |
|
G1B |
99 |
127 |
127 |
161 |
166 |
166 |
182 |
182 |
|
K |
426 |
440 |
490 |
510 |
560 |
590 |
595 |
643 |
|
KB |
481 |
504 |
554 |
595 |
645 |
675 |
675 |
723 |
|
KM(LB) |
185 |
199 |
249 |
269 |
319 |
349 |
354 |
402 |
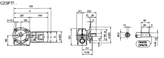
CZSF77..型斜齒輪蝸桿減速機的安裝尺寸
|
78 |
DR63.. |
DT71D |
DT80.. |
DT90.. |
DV100M |
DV100L |
DV112M |
DV132S |
DV132M |
DV132ML |
|
G(AC) |
132 |
145 |
145 |
197 |
197 |
197 |
221 |
221 |
275 |
275 |
|
G1(AD) |
99 |
122 |
122 |
154 |
166 |
166 |
176 |
176 |
230 |
230 |
|
G1B |
99 |
127 |
127 |
161 |
166 |
166 |
182 |
182 |
230 |
230 |
|
K |
466 |
480 |
530 |
548 |
598 |
628 |
632 |
677 |
699 |
759 |
|
KB |
521 |
544 |
594 |
633 |
683 |
713 |
712 |
757 |
811 |
871 |
|
KM(LB) |
179 |
193 |
243 |
261 |
311 |
341 |
345 |
390 |
412 |
472 |
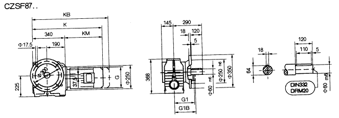
CZSF87..型斜齒輪蝸桿減速機的安裝尺寸
|
78 |
DT80.. |
DT90.. |
DV100M |
DV100L |
DV112M |
DV132S |
DV132M |
DV132ML |
DV160M |
DV160L |
|
G(AC) |
145 |
197 |
197 |
197 |
221 |
221 |
275 |
275 |
275 |
331 |
|
G1(AD) |
122 |
154 |
166 |
166 |
176 |
176 |
230 |
230 |
230 |
259 |
|
G1B |
127 |
161 |
166 |
166 |
182 |
182 |
230 |
230 |
230 |
259 |
|
K |
578 |
597 |
647 |
677 |
680 |
725 |
747 |
807 |
807 |
854 |
|
KB |
642 |
682 |
732 |
762 |
760 |
805 |
859 |
919 |
919 |
1010 |
|
KM(LB) |
238 |
257 |
307 |
337 |
340 |
385 |
407 |
467 |
467 |
514 |
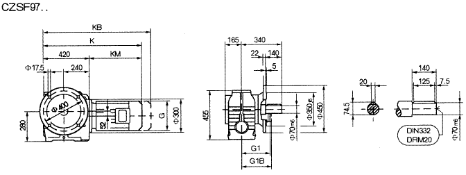
CZSF97..型斜齒輪蝸桿減速機的安裝尺寸
|
78 |
DT80.. |
DT90.. |
DV100M |
DV100L |
DV112M |
DV132S |
DV132M |
DV132ML |
DV160M |
DV160L |
DV180.. |
|
G(AC) |
145 |
197 |
197 |
197 |
221 |
221 |
275 |
275 |
275 |
331 |
331 |
|
G1(AD) |
122 |
154 |
166 |
166 |
176 |
176 |
230 |
230 |
230 |
259 |
253 |
|
G1B |
127 |
161 |
166 |
166 |
182 |
182 |
230 |
230 |
230 |
259 |
253 |
|
K |
651 |
671 |
721 |
751 |
755 |
800 |
822 |
882 |
882 |
929 |
1001 |
|
KB |
715 |
756 |
806 |
836 |
835 |
880 |
934 |
994 |
994 |
1085 |
1157 |
|
KM(LB) |
231 |
251 |
301 |
331 |
335 |
380 |
402 |
462 |
462 |
509 |
581 |
CZS型斜齒輪蝸桿減速機的技術參數表(功率為0.55KW)
CZS型斜齒輪蝸桿減速機的技術參數表(功率為0.75KW)
|
輸出轉速n2/[r/min] |
輸出轉矩T2(N·m) |
傳動比i |
出軸許用徑向負載FR2[N] |
服役系數f |
產品型號 |
|
0.75KW
3.1
3.5
4.1
4.4
4.8
5.3
6.2
6.8 |
1540
1400
1220
1120
1050
950
830
765 |
288.00
258.18
222.40
202.96
288.00
258.18
222.40
202.96 |
29100
29300
29500
29600
29600
29700
29800
29900 |
1.60
1.75
1.95
2.1
2.2
2.4
2.8
3.0 |
CZS87D80S6
CZSF87D80S6
CZSA87D80S6
CZSAF87D80S6
CZS87D80N4
CZSF87D80N4
CZSA87D80N4
CZSAF87D80N4 |
|
4.0
4.2
4.8
5.6 |
1160
1110
990
860 |
225.26
214.00
189.09
161.60 |
12700
13100
13900
14600 |
1.10
1.15
1.30
1.45 |
CZS77D90S6
CZSF77D90S6
CZSA77D90S6
CZSAF77D90S6 |
|
5.4
6.1
6.4
7.3
8.5
9.3
11
11
13 |
890
790
755
675
585
545
480
460
405 |
256.47
225.26
214.00
189.09
161.60
148.15
130.00
123.20
107.83 |
14500
14900
15100
15400
15800
15900
16000
16000
16000 |
1.45
1.60
1.70
1.90
2.2
2.3
2.5
2.6
2.9 |
CZS77D80N4
CZSF77D80N4
CZSA77D80N4
CZSAF77D80N4 |
|
7.3
7.6
8.7
10
11
13
14
16
18
21
22
25
30 |
625
595
530
460
420
375
355
305
310
275
260
230
198 |
190.11
180.60
158.45
134.40
121.33
106.75
100.80
85.83
75.06
65.63
62.35
54.70
46.40 |
7570
7900
8570
9180
9470
9750
9860
10100
10100
10200
10300
10300
9840 |
0.85
0.85
1.00
1.15
1.25
1.40
1.45
1.70
1.55
1.75
1.85
2.1
2.4 |
CZS67D80N4
CZSF67D80N4
CZSA67D80N4
CZSAF67D80N4 |
|
13
13
16
19
20 |
365
345
295
295
275 |
71.75
67.20
56.61
47.32
44.22 |
6430
6660
7140
7150
7300 |
0.80
0.85
1.00
0.90
1.00 |
CZS57D90S6
CZSF57D90S6
CZSA57D90S6
CZSAF57D90S6 |
|
12
15
16
19
21
25
29
31
36
42
48
56
59
68
78
87
97 |
365
315
285
250
235
225
197
185
161
138
124
107
100
93
81
76
66 |
110.73
94.08
84.00
71.75
67.20
54.59
47.32
44.22
38.23
32.48
29.00
24.77
23.20
20.33
17.62
16.47
14.24 |
6400
6930
7210
7500
7590
7650
7810
7870
7980
7670
7450
7150
7030
6490
6260
6160
5930 |
0.80
0.95
1.05
1.15
1.20
1.10
1.25
1.35
1.50
1.80
2.0
2.3
2.5
1.80
2.1
2.2
2.6 |
CZS57D80N4
CZSF57D80N4
CZSA57D80N4
CZSAF57D80N4 |
|
29
31
36
42
48 |
194
182
159
136
122 |
47.32
44.22
38.23
32.48
29.00 |
4530
4500
4420
4310
4230 |
0.80
0.85
1.00
1.15
1.25 |
CZS47D80N4
CZSF47D80N4
CZSA47D80N4
CZSAF47D80N4 |
|
0.75KW
56
59
68
78
84
97
114
128
150
160
190 |
106
99
93
81
76
66
56
50
43
41
34 |
24.77
23.20
20.33
17.62
16.47
14.24
12.10
10.80
9.23
8.64
7.28 |
4110
4060
3610
3530
3490
3410
3300
3230
3120
3070
2950 |
1.45
1.55
1.20
1.35
1.45
1.65
1.95
2.2
2.5
2.7
3.0 |
CZS47D80N4
CZSF47D80N4
CZSA47D80N4
CZSAF47D80N4 |
|
72
111
127
135
153
173
203 |
81
57
50
47
42
37
32 |
19.13
12.48
10.91
10.23
9.02
8.00
6.80 |
2270
1930
1920
1910
1890
1860
1820 |
0.85
0.85
0.95
1.00
1.10
1.20
1.35 |
CZS37D80K2
CZSF37D80K2
CZSA37D80K2
CZSAF37D80K2 |
|
141
174
202
216
248
264
299
338
397 |
43
37
32
30
26
25
22
19
17 |
19.13
15.53
13.39
12.48
10.91
10.23
9.02
8.00
6.80 |
2090
1860
1820
1800
1760
1740
1690
1650
1590 |
1.05
1.15
1.30
1.35
1.50
1.55
1.65
1.80
1.75 |
CZS37D80K4
CZSF37D80K4
CZSA37D80K4
CZSAF37D80K4 |
|
3.2
3.5
4.0 |
2310
2130
1900 |
286.40
262.22
231.67 |
35900
36000
36300 |
1.80
1.95
2.2 |
CZS97D90L6
CZSF97D90L6
CZSA97D90L6
CZSAF97D90L6 |
|
3.2
3.6
4.1
4.5 |
2220
2010
1760
1620 |
288.00
258.18
222.40
202.96 |
28100
28400
28800
29000 |
1.10
1.20
1.35
1.45 |
CZS87D90L6
CZSF87D90L6
CZSA87D90L6
CZSAF87D90L6 |
CZS型斜齒輪蝸桿減速機的技術參數表(功率為1.1KW)
|
輸出轉速n2/[r/min] |
輸出轉矩T2(N·m) |
傳動比i |
出軸許用徑向負載FR2[N] |
服役系數f |
產品型號 |
|
1.1KW
4.9
5.4
6.3
6.9
7.8
9.2 |
1520
1370
1200
1100
990
840 |
288.00
258.18
222.40
202.96
180.00
151.30 |
29100
29300
29500
29600
29700
29800 |
1.50
1.65
1.90
2.0
2.2
2.5 |
CZS87D90S4
CZSF97D90S4
CZSA97D90S4
CZSAF97D90S4 |
|
6.2
6.5
7.4
8.7
9.4
11
11
13
14
16 |
1150
1100
980
850
785
695
665
585
535
470 |
225.26
214.00
189.09
161.60
148.15
130.00
123.20
107.83
97.14
85.22 |
12800
13200
13900
14700
15000
15400
15500
15800
15900
16000 |
1.10
1.15
1.30
1.50
1.60
1.75
1.80
2.0
2.1
2.3 |
CZS77D90S4
CZSF77D90S4
CZSA77D90S4
CZSAF77D90S4 |
|
1.1KW
12
13
14
16
18
21
22
26
30
33
38
40
47 |
605
540
515
445
405
400
380
335
285
260
230
220
187 |
121.33
106.75
100.80
85.83
78.00
65.63
62.35
54.70
46.40
41.89
36.85
34.80
29.63 |
7790
8490
8740
9300
9550
9610
9720
9560
9240
9040
8780
8660
8330 |
0.85
0.95
1.00
1.15
1.30
1.20
1.25
1.45
1.65
1.85
2.1
2.2
2.6 |
CZS67D90S4
CZSF67D90S4
CZSA67D90S4
CZSAF67D90S4 |
|
20
21
25
30 |
360
340
290
285 |
71.75
67.20
56.61
47.32 |
6480
6710
7180
7220 |
0.80
0.85
0.90
0.85 |
CZS57D90S4
CZSF57D90S4
CZSA57D90S4
CZSAF57D90S4 |
|
32
37
43
48
57
60
72
79
85 |
265
235
200
179
154
145
123
117
110 |
44.22
38.23
32.48
29.00
24.77
23.20
19.54
17.62
16.47 |
7360
7410
7170
7000
6760
6660
6390
5870
5780 |
0.90
1.05
1.25
1.35
1.60
1.70
1.75
1.45
1.55 |
CZS57D90S4
CZSF57D90S4
CZSA57D90S4
CZSAF57D90S4 |
|
98
116
130
152 |
95
82
73
63 |
14.24
12.10
10.80
9.23 |
5610
5400
5260
5050 |
1.75
2.1
2.3
2.7 |
CZS57D90S4
CZSF57D90S4
CZSA57D90S4
CZSAF57D90S4 |
|
48
57
60
72
79
85
98
116
130
152
162
192 |
177
153
143
122
117
109
95
81
73
63
59
50 |
29.00
24.77
23.20
19.54
17.62
16.47
14.24
12.10
10.80
9.23
8.64
7.28 |
3720
3670
3640
3560
3070
3060
3030
2980
2940
2870
2840
2750 |
0.90
1.00
1.05
1.20
0.95
1.00
1.15
1.35
1.50
1.75
1.85
2.1 |
CZS47D90S4
CZSF47D90S4
CZSA47D90S4
CZSAF47D90S4 |
|
175
206 |
54
46 |
8.00
6.80 |
1570
1580 |
0.85
0.95 |
CZS37D90S4
CZSF37D90S4
CZSA37D90S4
CZSAF37D90S4 |
|
1.1KW
202
216
248
264
299
338
397 |
47
44
39
36
32
28
24 |
13.39
12.48
10.91
10.23
9.02
8.00
6.80 |
1590
1580
1570
1560
1540
1510
1470 |
0.85
0.90
1.00
1.05
1.10
1.25
1.20 |
CZS37D80N2
CZSF37D80N2
CZSA37D80N2
CZSAF37D80N2 |
CZS型斜齒輪蝸桿減速機的技術參數表(功率為1.5KW)
|
輸出轉速n2/[r/min] |
輸出轉矩T2(N·m) |
傳動比i |
出軸許用徑向負載FR2[N] |
服役系數f |
產品型號 |
|
1.5KW
3.2
3.5
4.0
4.7 |
3150
2910
2600
2230 |
286.40
262.22
231.67
196.52 |
34700
35100
35500
35900 |
1.35
1.45
1.60
1.90 |
CZS97D100N6
CZSF97D100N6
CZSA97D100N6
CZSAF97D100N6 |
|
4.9
5.4
6.1
7.2 |
2130
1970
1760
1510 |
286.40
262.22
231.67
196.52 |
36000
36200
36400
36600 |
1.90
2.0
2.3
2.7 |
CZS97D90L4
CZSF97D90L4
CZSA97D90L4
CZSAF97D90L4 |
|
3.6
4.1
4.5
5.1 |
2740
2390
2200
1980 |
258.18
222.40
202.96
180.00 |
26600
27700
28100
28500 |
0.90
1.00
1.10
1.20 |
CZS87D100M6
CZSF87D100M6
CZSA87D100M6
CZSAF87D100M6 |
|
4.9
5.5
6.3
6.9
7.8
9.3
10 |
2060
1860
1630
1500
1340
1140
1060 |
288.00
258.18
222.40
202.96
180.00
151.30
139.05 |
28300
28700
29000
29200
29400
29600
29600 |
1.10
1.20
1.40
1.50
1.65
1.90
2.0 |
CZS87D90L4
CZSF87D90L4
CZSA87D90L4
CZSAF87D90L4 |
|
11
13
14 |
950
850
770 |
123.48
110.40
99.26 |
29700
29800
29900 |
2.2
2.3
2.5 |
CZS87D90L4
CZSF87D90L4
CZSA87D90L4
CZSAF87D90L4 |
|
7.5
8.7
9.5
11
11
13
15
17
19
20
21
22
25
26
29
33 |
1330
1150
1060
940
900
795
125
640
650
620
510
550
440
470
435
385 |
189.09
161.60
148.15
130.00
123.20
107.83
97.14
85.22
75.09
75.09
71.33
66.67
63.03
53.87
49.38
43.33 |
10600
12700
13400
14100
14400
14900
15300
15400
14100
14000
14600
13700
14000
13200
13000
12600 |
0.95
1.10
1.15
1.30
1.35
1.45
1.60
1.70
1.70
1.80
2.0
2.0
2.3
2.3
2.5
2.9 |
CZS77D90L4
CZSF77D90L4
CZSA77D90L4
CZSAF77D90L4 |
|
16
18
21
|
600
550
540
|
85.83
78.00
65.63
|
7850
8390
8510
|
0.85
0.95
0.90
|
CZS67D90L4
CZSF67D90L4
CZSA67D90L4
CZSAF67D90L4 |
|
23
26
30
34
38
41
48
52
58
61
69
82
90
103 |
515
455
390
355
310
295
255
230
220
210
186
159
144
127 |
62.35
54.70
46.40
41.89
36.85
34.80
29.63
26.93
24.44
23.22
20.37
17.28
15.60
13.73 |
8740
8810
8590
8450
8250
8160
7900
7740
7000
6950
6790
6580
6440
6260 |
0.95
1.05
1.25
1.35
1.55
1.60
1.90
2.1
1.55
1.60
1.85
2.1
2.4
2.7 |
CZS67D90L4
CZSF67D90L4
CZSA67D90L4
CZSAF67D90L4 |
|
43
49
57
61
72
80
86
99
117
131
153 |
270
245
210
196
167
159
149
129
110
99
85 |
32.48
29.00
24.77
23.20
19.54
17.62
16.47
14.24
12.10
1080
9.23 |
6630
6520
6340
6270
6060
5430
5380
5250
5100
4980
4820 |
0.90
1.00
1.15
1.25
1.30
1.05
1.15
1.30
1.55
1.70
2.0 |
CZS57D90L4
CZSF57D90L4
CZSA57D90L4
CZSAF57D90L4 |
|
1.5KW
99
117
131
|
129
110
99
|
14.24
12.10
10.80 |
2610
2620
2620 |
0.85
1.00
1.10 |
CZS47D90L4
CZSF47D90L4
CZSA47D90L4
CZSAF47D90L4 |
|
153
163
194 |
85
79
67 |
9.23
8.64
7.28 |
2590
2580
2530 |
1.30
1.35
1.55 |
CZS47D90L4
CZSF47D90L4
CZSA47D90L4
CZSAF47D90L4 |
|
299
338
397 |
44
39
33 |
9.02
8.00
6.80 |
1330
1350
1340 |
0.85
0.90
0.90 |
CZS37D90S2
CZSF37D90S2
CZSA37D90S2
CZSAF37D90S2 |
| 頁次:2/3 每頁10條 共28條信息 分頁:[1][2][3] |
