Product list產品列表
Customer service在線客服
產品展示
一、概述
YZE系列是YZ系列電動機和直流制動器兩部分組成的產品,符合機械行業標準《YZE系列起重及冶金用電磁制動三相異步電動機技術條件》,具有過載能力大、制動力矩可調、機械強度高、結構緊湊、控制方便,使用維修簡單等特點。該系列電動機的額定電壓為380V,頻率為50HZ,電磁制動器勵磁電壓為170V,電動機的工作制分為S2、S3、S4、S5、S6、S8、S9等幾種,基準工作制為S3—40%(每一工作周期為10min)。
電動機的防護等級,一般環境用IP44, 冶金環境用IP54,制動器為IP23。
電動機的冷卻方式,機座號H112~132為IC0041,H160~250為IC0141。
電動機適用于短時或斷續運行、頻繁起動、制動,有過負載的起重及冶金機械設備工作,平移或起升機械的驅動或制動。
二、結構簡介
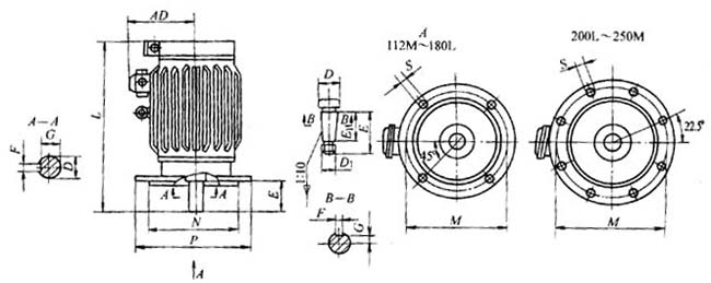
YZE系列電動機由YZD電動機和圓盤式直流制動器兩部分組成,制動器作為一個部件安裝在電機的非周身端,設計時保留了YZ系列電動機的結構型式,使YZE 系列電動機具有較高的通用性和標準化水平。
電動機的安裝型式為IM1001、IM1003(機座號112~250M)、IM3001、IM3003(機座號112M~180L)和IM3011、IM3013(機座號112M~250M)等。
型號 |
同步轉速/(r/min) |
額定靜態制動
力矩(N·m) | ||||||
1500 |
1000 |
750 | ||||||
功率
/KW |
轉動慣量
(kg·m2) |
功率
KW |
轉動慣量
(kg·m2) |
功率
KW |
轉動慣量
(kg·m2) |
平移用 |
起升用 | |
YZE112M1 |
0.75 |
0.021 |
|
|
|
|
5.5 |
|
YZE112M2 |
1.5 |
0.022 |
|
|
|
|
10 |
|
YZE112M3 |
2.2 |
0.023 |
1.5 |
0.023 |
|
|
15 |
30 |
YZE132M1 |
3.7 |
0.059 |
2.2 |
0.059 |
|
|
30 |
45 |
YZE132M2 |
5.5 |
0.064 |
3.7 |
0.064 |
|
|
40 |
75 |
YZE160M1 |
7.5 |
0.117 |
5.5 |
0.117 |
|
|
75 |
110 |
YZE160M2 |
11 |
0.148 |
7.5 |
0.148 |
|
|
75 |
150 |
YZE160ML |
15 |
0.198 |
11 |
0.198 |
7.5 |
0.198 |
110 |
220 |
YZE180L |
|
|
15 |
0.36 |
11 |
0.36 |
150 |
300 |
YZE200L |
|
|
22 |
0.637 |
15 |
0.632 |
220 |
400 |
YZE225M |
|
|
30 |
0.832 |
22 |
0.832 |
300 |
600 |
YZE250M1 |
|
|
|
|
30 |
1.45 |
400 |
800 |

表2 (單位:mm)
機座號
(中心高)
H |
A |
B |
C |
D |
D1 |
E |
E1 |
F |
G |
K |
螺栓
直徑 |
AB |
AC |
BB |
HD |
L |
112 |
190 |
140 |
70 |
32 |
— |
80 |
— |
10 |
27 |
12 |
M10
|
250 |
245 |
235 |
335 |
565 |
132 |
216 |
178 |
89 |
38 |
33 |
275 |
285 |
260 |
365 |
645 | ||||||
160 |
254 |
210 |
108 |
48 |
110 |
14 |
42.5 |
15 |
M12 |
320 |
325 |
290 |
425 |
870 | ||
160 |
254 |
335 |
920 | |||||||||||||
180 |
279 |
279 |
121 |
55 |
|
82 |
19.9 |
|
360 |
360 |
380 |
465 |
1085 | |||
200 |
318 |
305 |
133 |
60 |
|
140 |
105 |
16 |
21.4 |
19 |
M16 |
405 |
405 |
400 |
510 |
1170 |
225 |
356 |
311 |
149 |
65 |
|
23.9 |
455 |
430 |
410 |
545 |
1320 | |||||
250 |
406 |
349 |
168 |
70 |
|
140 |
18 |
25.4 |
24 |
M20 |
515 |
480 |
510 |
605 |
1420 |

表3 (單位:mm)
機座號 |
凸緣號 |
D |
D1 |
E |
E1 |
F |
G |
M |
N |
P |
S |
螺栓
直徑 |
孔數
(個) |
HD |
L |
112M |
FF215 |
32 |
— |
80 |
— |
10 |
27 |
215 |
180 |
250 |
15 |
M12 |
4 |
220 |
565 |
132M |
FF215 |
38 |
33 |
265 |
230 |
300 |
230 |
645 | |||||||
160M |
FF300 |
48 |
110 |
14 |
42.5 |
300 |
250 |
350 |
19 |
M16 |
260 |
870 | |||
160L |
920 | ||||||||||||||
180L |
55 |
|
82 |
19.9 |
280 |
1085 |
機座不帶底腳、端蓋有凸緣軸伸向下的電動機(見表4)

表4 (單位:mm)
機座號 |
凸緣號 |
D |
D1 |
E |
E1 |
F |
G |
M |
N |
P |
S |
螺栓直徑 |
孔數(個) |
HD |
L |
YZE112M |
FF215 |
32 |
— |
80 |
— |
10 |
27 |
215 |
180 |
250 |
15 |
M12 |
4 |
220 |
565 |
YZE132M |
FF265 |
38 |
33 |
265 |
230 |
300 |
230 |
645 | |||||||
YZE160L |
FF300 |
48 |
110 |
14 |
42.5 |
300 |
250 |
350 |
19 |
M16 |
260 |
870 | |||
YZE160L |
920 | ||||||||||||||
YZE180L |
55 |
M42×3 |
82 |
19.9 |
280 |
1085 | |||||||||
YZE200L |
FF400 |
60 |
M36×3
|
140 |
105 |
16 |
21.4 |
400 |
350 |
450 |
8 |
320 |
1170 | ||
YZE225M |
65 |
23.9 |
1320 | ||||||||||||
YZE250M |
FF500 |
70 |
M48×3 |
18 |
25.4 |
500 |
4SS50 |
550 |
355 |
1490 |
頁次:1/1 每頁10條 共3條信息 分頁:[1] |