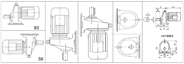
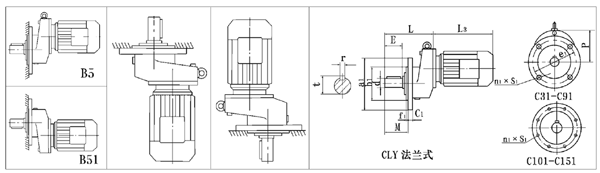
產品展示
1.C系列一級斜齒輪減速機概述:
1.1 平行輸出、體積小、減速比小、輸出轉速快、能耗小、噪聲低。
1.2 底座式安裝具有低中心高特點,平均效率98%。
1.3 輸入軸與輸出軸旋轉方向相反。
2.C系列結構圖

3.C系列型號規格表示方法舉例:

C系列一級斜齒輪減速機型號技術參數
1.C系列重量表:
|
型號 |
C31 |
C41 |
C61 |
C71 |
C81 |
C91 |
C101 |
C121 |
C151 |
|
m(kg) |
4 |
7 |
12 |
20 |
33 |
60 |
75 |
125 |
220 |
注:帶輸入軸、輸入法蘭另加20%;帶電機根據所配規格另加。
2.C系列Fr(N)表:
|
n1(r/min) |
nN2(r/min) |
iN |
C31 |
C41 |
C61 |
C71 |
C81 |
C91 |
C101 |
C121 |
C151 |
|
1450 |
906 |
1.6 |
48 |
80 |
196 |
252 |
144 |
264 |
384 |
768 |
1760 |
|
763 |
1.9 |
48 |
88 |
196 |
268 |
148 |
280 |
444 |
888 |
2032 | |
|
659 |
2.2 |
64 |
88 |
208 |
348 |
336 |
396 |
720 |
1440 |
3288 | |
|
604 |
2.4 |
80 |
104 |
1200 |
408 |
376 |
1248 |
760 |
1520 |
3464 | |
|
537 |
2.7 |
160 |
224 |
1600 |
888 |
960 |
1584 |
1680 |
3360 |
7656 | |
|
468 |
3.1 |
208 |
516 |
2080 |
2048 |
1560 |
2248 |
3040 |
6080 |
13840 | |
|
426 |
3.4 |
264 |
1104 |
2080 |
2560 |
2184 |
2984 |
3440 |
6880 |
15680 | |
|
382 |
3.8 |
352 |
1320 |
2400 |
3432 |
4024 |
3624 |
4480 |
8960 |
20400 | |
|
322 |
4.5 |
368 |
1384 |
2640 |
3600 |
4400 |
4944 |
5200 |
10400 |
23600 | |
|
279 |
5.2 |
400 |
1504 |
2864 |
3920 |
4784 |
5776 |
6160 |
12400 |
24800 | |
|
264 |
5.5 |
536 |
1608 |
2960 |
4192 |
5056 |
6104 |
7120 |
14000 |
25600 | |
|
230 |
6.3 |
800 |
1712 |
3208 |
4480 |
5480 |
6800 |
7760 |
14000 |
25600 |
備注:各規格更低的輸出轉速按以上最大的Fr值。
3.C系列傳動能力表:
|
n1
(r/min) |
nN2
(r/min) |
iN |
C31 |
C41 |
C61 |
C71 |
C81 | |||||
|
MN2
(N·m) |
PN1
(kw) |
MN2
(N·m) |
PN1
(kw) |
MN2
(N·m) |
PN1
(kw) |
MN2
(N·m) |
PN1
(kw) |
MN2
(N·m) |
PN1
(kw) | |||
|
1450 |
906 |
1.6 |
28 |
*2.64 |
55 |
*4.8 |
91 |
*6.6 |
145 |
*13.2 |
262 |
25.5 |
|
763 |
1.9 |
33 |
*2.64 |
56 |
*4.8 |
100 |
*6.6 |
155 |
12.26 |
295 |
23.2 | |
|
659 |
2.2 |
38 |
*2.64 |
56 |
*3.5 |
107 |
*6.6 |
165 |
11.49 |
320 |
22.6 | |
|
604 |
2.4 |
43 |
*2.64 |
56 |
*3.5 |
98 |
6.15 |
180 |
*9.6 |
335 |
20.5 | |
|
537 |
2.7 |
50 |
*2.64 |
56 |
3.07 |
88 |
*4.8 |
180 |
*9.6 |
335 |
18.4 | |
|
468 |
3.1 |
28 |
*1.32 |
56 |
*2.64 |
85 |
4.25 |
160 |
*6.6 |
335 |
16.5 | |
|
426 |
3.4 |
22 |
*0.96 |
56 |
2.46 |
73 |
3.21 |
152 |
*4.8 |
335 |
*9.6 | |
|
382 |
3.8 |
13 |
*0.48 |
56 |
*1.32 |
70 |
*2.64 |
128 |
*3.5 |
255 |
*9.6 | |
|
322 |
4.5 |
15 |
*0.48 |
50 |
*0.66 |
64 |
*1.32 |
102 |
*1.93 |
240 |
*6.6 | |
|
279 |
5.2 |
|
|
30 |
*0.48 |
62 |
*0.66 |
85 |
*1.32 |
208 |
*4.8 | |
|
264 |
5.5 |
|
|
30 |
*0.48 |
45 |
*0.66 |
92 |
*1.32 |
187 |
*2.64 | |
|
230 |
6.3 |
|
|
|
|
33 |
*0.48 |
85 |
*1.32 |
160 |
*2.64 | |
|
n1
(r/min) |
nN2
(r/min) |
iN |
C91 |
C101 |
C121 |
C151 | ||||
|
MN2
(N·m) |
PN1
(kw) |
MN2
(N·m) |
PN1
(kw) |
MN2
(N·m) |
PN1
(kw) |
MN2
(N·m) |
PN1
(kw) | |||
|
1450 |
906 |
1.6 |
420 |
*32.6 |
535 |
*48.5 |
1030 |
97.0 |
1500 |
141 |
|
763 |
1.9 |
475 |
*32.6 |
637 |
*48.5 |
1230 |
97.0 |
1800 |
141 | |
|
659 |
2.2 |
495 |
*32.6 |
690 |
*48.5 |
1390 |
97.0 |
2000 |
141 | |
|
604 |
2.4 |
495 |
30.24 |
690 |
*39.5 |
1390 |
*79.5 |
2000 |
*116 | |
|
537 |
2.7 |
495 |
27.17 |
690 |
38.00 |
1390 |
*66.0 |
2000 |
*97.0 | |
|
468 |
3.1 |
495 |
24.27 |
690 |
*32.6 |
1340 |
66.0 |
1975 |
97.0 | |
|
426 |
3.4 |
495 |
*19.4 |
690 |
30.11 |
1105 |
48.5 |
1830 |
79.5 | |
|
382 |
3.8 |
495 |
*16.3 |
690 |
*26.4 |
985 |
39.5 |
1650 |
66.0 | |
|
322 |
4.5 |
495 |
*13.2 |
580 |
*16.3 |
965 |
32.6 |
1440 |
48.5 | |
|
279 |
5.2 |
330 |
*9.6 |
580 |
*13.2 |
650 |
19.4 |
1090 |
32.6 | |
|
264 |
5.5 |
350 |
*6.6 |
380 |
*9.6 |
600 |
16.3 |
710 |
19.4 | |
|
230 |
6.3 |
250 |
*4.8 |
380 |
*6.6 |
410 |
9.6 |
660 |
16.3 | |
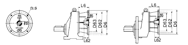
C系列一級斜齒輪減速機安裝尺寸圖表


|
|
A1 |
a |
a0 |
a1 |
b |
b0 |
b1 |
c |
c1 |
d |
E |
e1 |
f1 |
h |
L |
M |
n1 |
P |
r |
S |
S1 |
t |
|
C31 |
52 |
140 |
110 |
160 |
160 |
125 |
110 |
12 |
8 |
20 |
40 |
130 |
3 |
55 |
140 |
50 |
4 |
104 |
6 |
9 |
9 |
22.5 |
|
C41 |
72 |
140 |
110 |
200 |
180 |
135 |
130 |
16 |
12 |
25 |
50 |
165 |
3.5 |
70 |
162 |
60 |
4 |
132 |
8 |
11 |
11 |
28 |
|
C61 |
75 |
155 |
120 |
200 |
180 |
135 |
130 |
20 |
12 |
25 |
50 |
165 |
3.5 |
80 |
170 |
60 |
4 |
138 |
8 |
14 |
11 |
28 |
|
C71 |
105 |
190 |
150 |
250 |
230 |
170 |
180 |
25 |
15 |
40 |
80 |
215 |
4 |
90 |
230 |
90 |
4 |
173 |
12 |
18 |
14 |
43 |
|
C81 |
120 |
210 |
160 |
350 |
290 |
215 |
250 |
35 |
18 |
45 |
90 |
300 |
5 |
100 |
250 |
100 |
4 |
218 |
14 |
18 |
18 |
48.5 |
|
C91 |
133 |
240 |
180 |
400 |
340 |
260 |
300 |
40 |
20 |
50 |
100 |
350 |
5 |
120 |
283 |
110 |
4 |
265 |
14 |
20 |
18 |
53.5 |
|
C101 |
152 |
270 |
210 |
450 |
400 |
310 |
350 |
45 |
22 |
60 |
120 |
400 |
5 |
140 |
327 |
130 |
8 |
305 |
18 |
22 |
18 |
64 |
|
C121 |
175 |
350 |
270 |
450 |
510 |
400 |
350 |
55 |
22 |
75 |
140 |
400 |
5 |
160 |
400 |
150 |
8 |
381 |
20 |
26 |
18 |
79.5 |
|
C151 |
221 |
400 |
300 |
550 |
620 |
500 |
450 |
70 |
25 |
90 |
170 |
500 |
5 |
200 |
477 |
180 |
8 |
462 |
25 |
33 |
22 |
95 |
法蘭聯接尺寸

|
|
|
d6 |
t6 |
r6 |
f6 |
L6 |
L62 |
D6 |
D62 |
D63 |
|
C..31 |
P63 |
11 |
13 |
4 |
3.5 |
83 |
26 |
140 |
115 |
95 |
|
P71 |
14 |
16 |
5 |
3.5 |
83 |
33 |
160 |
130 |
110 | |
|
P80 |
19 |
22 |
6 |
4.5 |
103 |
43 |
200 |
165 |
130 | |
|
P90 |
24 |
27 |
8 |
4.5 |
103 |
53 |
200 |
165 |
130 | |
|
C..41
C..61 |
P63 |
11 |
13 |
4 |
3.5 |
83 |
26 |
140 |
115 |
95 |
|
P71 |
14 |
16 |
5 |
3.5 |
103 |
33 |
160 |
130 |
110 | |
|
P80 |
19 |
22 |
6 |
4.5 |
103 |
43 |
200 |
165 |
130 | |
|
P90 |
24 |
27 |
8 |
4.5 |
103 |
53 |
200 |
165 |
130 | |
|
P100 |
28 |
31 |
8 |
5 |
110 |
63 |
250 |
215 |
180 | |
|
P112 |
28 |
31 |
8 |
5 |
110 |
63 |
250 |
215 |
180 | |
|
C..71 |
P63 |
11 |
13 |
4 |
3.5 |
103 |
26 |
140 |
115 |
95 |
|
P71 |
14 |
16 |
5 |
3.5 |
103 |
33 |
160 |
130 |
110 | |
|
P80 |
19 |
22 |
6 |
4.5 |
110 |
43 |
200 |
165 |
130 | |
|
P90 |
24 |
27 |
8 |
4.5 |
110 |
53 |
200 |
165 |
130 | |
|
P100 |
28 |
31 |
8 |
5 |
110 |
63 |
250 |
215 |
180 | |
|
P112 |
28 |
31 |
8 |
5 |
110 |
63 |
250 |
215 |
180 | |
|
P132 |
38 |
41 |
10 |
5 |
133 |
85 |
300 |
265 |
230 | |
|
C..81 |
P80 |
19 |
22 |
6 |
4.5 |
110 |
43 |
200 |
165 |
130 |
|
P90 |
24 |
27 |
8 |
4.5 |
110 |
53 |
200 |
165 |
130 | |
|
P100 |
28 |
31 |
8 |
5 |
133 |
63 |
250 |
215 |
180 | |
|
P112 |
28 |
31 |
8 |
5 |
133 |
63 |
250 |
215 |
180 | |
|
P132 |
38 |
41 |
10 |
5 |
133 |
85 |
300 |
265 |
230 | |
|
P160 |
42 |
45 |
12 |
6 |
171 |
115 |
350 |
300 |
250 | |
|
C..91 |
P100 |
28 |
31 |
8 |
5 |
133 |
63 |
250 |
215 |
180 |
|
P112 |
28 |
31 |
8 |
5 |
133 |
63 |
250 |
215 |
180 | |
|
P132 |
38 |
41 |
10 |
5 |
171 |
85 |
300 |
265 |
230 | |
|
P160 |
42 |
45 |
12 |
6 |
171 |
115 |
350 |
300 |
250 | |
|
P180 |
48 |
52 |
14 |
6 |
171 |
115 |
350 |
300 |
250 | |
|
C..101 |
P100 |
28 |
31 |
8 |
5 |
171 |
63 |
250 |
215 |
180 |
|
P112 |
28 |
31 |
8 |
5 |
171 |
63 |
250 |
215 |
180 | |
|
P132 |
38 |
41 |
10 |
5 |
171 |
85 |
300 |
265 |
230 | |
|
P160 |
42 |
45 |
12 |
6 |
171 |
115 |
350 |
300 |
250 | |
|
P180 |
48 |
52 |
14 |
6 |
171 |
115 |
350 |
300 |
250 | |
|
P200 |
55 |
59 |
16 |
7 |
171 |
115 |
400 |
350 |
300 | |
|
P225 |
60 |
64 |
18 |
7 |
215 |
145 |
450 |
400 |
350 | |
|
C..121 |
P100 |
28 |
31 |
8 |
5 |
150 |
63 |
250 |
215 |
180 |
|
P112 |
28 |
31 |
8 |
5 |
150 |
63 |
250 |
215 |
180 | |
|
P132 |
38 |
41 |
10 |
5 |
150 |
85 |
300 |
265 |
230 | |
|
P160 |
42 |
45 |
12 |
6 |
215 |
115 |
350 |
300 |
250 | |
|
P180 |
48 |
52 |
14 |
6 |
215 |
115 |
350 |
300 |
250 | |
|
P200 |
55 |
59 |
16 |
7 |
215 |
115 |
400 |
350 |
300 | |
|
P225 |
60 |
64 |
18 |
7 |
215 |
145 |
450 |
400 |
350 | |
|
C..151 |
P132 |
38 |
41 |
10 |
5 |
150 |
85 |
300 |
265 |
230 |
|
P160 |
42 |
45 |
12 |
6 |
215 |
115 |
350 |
300 |
250 | |
|
P180 |
48 |
52 |
14 |
6 |
215 |
115 |
350 |
300 |
250 | |
|
P200 |
55 |
59 |
16 |
7 |
215 |
115 |
400 |
350 |
300 | |
|
P225 |
60 |
64 |
18 |
7 |
215 |
145 |
450 |
400 |
350 |
輸入軸尺寸

|
|
|
d1 |
E1 |
L2 |
r1 |
t1 |
|
C..31 |
AD1 |
16 |
40 |
115 |
5 |
18 |
|
AD2 |
19 |
40 |
115 |
6 |
21.5 | |
|
C..41
C..61 |
AD2 |
19 |
40 |
120 |
6 |
21.5 |
|
AD3 |
24 |
50 |
130 |
8 |
27 | |
|
C..71 |
AD2 |
19 |
40 |
130 |
6 |
21.5 |
|
AD3 |
24 |
50 |
140 |
8 |
27 | |
|
AD4 |
38 |
50 |
140 |
10 |
41 | |
|
C..81 |
AD2 |
19 |
40 |
160 |
6 |
21.5 |
|
AD3 |
28 |
60 |
180 |
8 |
31 | |
|
AD4 |
38 |
80 |
200 |
10 |
41 | |
|
AD5 |
42 |
80 |
200 |
12 |
45 | |
|
C..91 |
AD3 |
28 |
60 |
200 |
8 |
31 |
|
AD4 |
38 |
80 |
220 |
10 |
41 | |
|
AD5 |
42 |
80 |
220 |
12 |
45 | |
|
AD6 |
48 |
80 |
220 |
14 |
51.5 | |
|
C..101 |
AD3 |
28 |
60 |
220 |
8 |
31 |
|
AD4 |
38 |
80 |
240 |
10 |
41 | |
|
AD5 |
42 |
110 |
270 |
12 |
45 | |
|
AD6 |
48 |
110 |
270 |
14 |
51.5 | |
|
C..121 |
AD4 |
38 |
80 |
267 |
10 |
41 |
|
AD5 |
42 |
110 |
297 |
12 |
45 | |
|
AD6 |
48 |
110 |
297 |
14 |
51.5 | |
|
AD7 |
55 |
110 |
297 |
16 |
59 | |
|
AD8 |
70 |
110 |
297 |
20 |
74.5 | |
|
C..151 |
AD5 |
42 |
110 |
297 |
12 |
45 |
|
AD6 |
48 |
110 |
297 |
14 |
51.5 | |
|
AD7 |
55 |
110 |
297 |
16 |
59 | |
|
AD8 |
70 |
140 |
374 |
20 |
74.5 |
| 頁次:1/1 每頁10條 共5條信息 分頁:[1] |
