Product list產品列表
Customer service在線客服
產品展示
一、概述
隨著電力電子技術的發展,交流變頻調速系統也正在突飛猛進地發展。為了適應市場的需要,生產廠調研和收集國內外有關資料的基礎上,研制了YTSP系列變頻調速三相異步電動機。電機各項性能指標同國外20世紀80年代水平相當,其基本技術條件符合IEC34-1和GB755國際和國家標準的規定。電動機噪聲低,振動小,調速范圍廣,外觀新穎。
YTSP系列變頻調速三相異步電動機是為配合國內外各類高性能的IGBT脈寬調制變頻器而特殊設計的使用時一般不需配用外接濾波器。
該電動機集國內外同類產品之優點,采用計算機輔助設計技術進行設計。為了使電動機能適應PWM變頻電源供電的狀況,在設計上,對定子、轉子槽形和定子繞組分布形式作了特殊的考慮,以期獲得一個較為合適的電感值,來抑制和減小時間諧波和由其引起的一系列電動機空間諧波所產生的不良影響。電動機的電磁負載設計也考慮了一定的裕度,這樣,即能保證電動機在高頻時的過載能力,又能在低頻運行時仍能保持恒轉矩輸出。
電動機絕緣結構的設計,考慮了采用IGBT的PEM變頻器的高斬波頻率的影響。尤其是匝間絕緣,為了能夠承受由高電壓上升率在線圈匝間反復拖加的陡度極大的沖擊電壓所導致的嚴酷考驗,采用了特殊措施予以加強。電動機的匝間耐壓試驗值遠超過了JB/Z346—1989對交流電機的規定。
在結構設計方面,YTSP系列的安裝尺寸與Y系列同,以便用戶的配套和選用。電動機采用了獨特的冷卻結構,使用單獨的軸流風機強迫通風。保證了電動機在低速恒轉矩長期遠行時溫升不超過允許值。
電動機出廠試驗時均采用變頻器電源供電,符合實際使用工況。
電動機(IC416冷卻)可使用于各種需要調速的傳動裝置中。廣泛應用于輕工、紡織、化工、冶金、機床等行業,配合高精度的傳感器,可實現高精度閉環運行。
電動機的絕緣等級為F級,絕緣結構對變頻器輸出高載波頻率電壓的適應能力強。
電動機的調速范圍,在開環υ/ƒ控制的條件下,3~50Hz為恒轉矩調速,50~100Hz為恒功率調速;在矢量控制的條件下,調速范圍還可以擴大。
電動機的過載能力,能承受額定轉矩的160%過載,歷時1min。
電動機的低速性能好,低速時轉矩平滑,無爬行現象。
電動機的接線方式,250mm及以下為Y聯結,280mm及以上為△聯結。
使用條件 海拔為≦1000m;環境溫度為≦40℃;相對濕度為≦90%;工作制為連續工作(S1);額定電壓為380V,額定頻率為50Hz,也可根據用戶要求確定額定點的電壓和頻率。
型號含義

YTSP系列(IC416)電動機采用了獨特的冷卻結構,使用單獨的軸流風機強迫通風(為全封閉外表軸向冷卻)。也可按需要制成基他冷卻方式。
電動機的外殼防護等級為IP44,也可按用戶需要制成IP54。
電動機的安裝結構型式為IMB3、IMB7、IMB8、IMV5、IMV6、IMB5、IMV1、IMV3、IMB35、IMV15和IMV36等多種結構型式。
根據用戶要求可帶高分辨率的傳感器(光電編碼器、旋轉變壓器及測速發電機)。
根據用戶要求可帶電磁式制動器、齒輪減速機等附件。
|
型 號 |
標稱功率
/kW |
額定電流
/A |
額定轉矩
/N·m |
最大轉矩 |
轉差率
(%) |
重量/kg |
|
額定轉矩 | ||||||
|
YTSP90S-4
YTSP90L-4
YTSP100L1-4 |
1.1
1.5
2.2 |
3.0
4.0
5.2 |
7.0
9.5
14.0 |
2.5 |
5.5
5.5
4.2 |
17
27
33 |
|
YTSP100L2-4 |
3 |
7.2 |
19.0 |
2.5 |
4.2 |
37 |
|
YTSP112M-4 |
4 |
9.5 |
25.4 |
2.5 |
4.2 |
44 |
|
YTSP132S-4
YTSP132M-4 |
5.5
7.5 |
12
15.5 |
35.0
47.7 |
2.5 |
2.8
2.8 |
80
97 |
|
YTSP160M-4
YTSP160L-4 |
11
15 |
22
29 |
70.0
95.5 |
2.5 |
2.2
2.2 |
125
140 |
|
YTSP180M-4
YTSP180L-4 |
18.5
22 |
36.8
43.7 |
117.1
140.0 |
2.5 |
1.8
1.8 |
210
250 |
|
YTSP200L-4 |
30 |
58 |
190.9 |
2.5 |
1.5 |
300 |
|
YTSP225S-4
YTSP225M-4 |
37
45 |
70
84 |
235.5
286.4 |
2.5 |
1.4
1.4 |
360
400 |
|
YTSP250M-4 |
55 |
105 |
350.1 |
2.5 |
1.4 |
480 |
|
YTSP280S-4
YTSP280M-4 |
75
90 |
136
162 |
477.4
572.9 |
2.5 |
1.1
1.1 |
565
680 |
|
YTSP315S-4
YTSP315M1-4 |
110
132 |
200
235 |
700.2
840.3 |
2.5 |
1.0
1.0 |
870
1025 |
|
YTSP315M2-4
YTSP315L-4 |
160
200 |
285
360 |
1018.5
1273.3 |
2.5 |
1.0
1.0 |
1095
1160 |
|
YTSP90S-6
YTSP90L-6 |
0.75
1.1 |
2.5
3.5 |
7.1
10.5 |
2.5 |
6.5
6.5 |
17
27 |
|
YTSP100L-6 |
1.5 |
4.4 |
14.3 |
2.5 |
5.3 |
37 |
|
YTSP112M-6 |
2.2 |
6.1 |
21.0 |
2.5 |
5.1 |
44 |
|
YTSP132S-6
YTSP132M1-6
YTSP132M2-6 |
3
4
5.5 |
7.5
9.5
12.8 |
28.6
38.2
52.5 |
2.5 |
3.2
3.2
3.2 |
80
92
97 |
|
YTSP160M-6
YTSP160L-6 |
7.5
11 |
18
26 |
71.6
105.0 |
2.5 |
2.6
2.6 |
125
140 |
|
YTSP180L-6 |
15 |
34 |
143.0 |
2.5 |
2.0 |
250 |
|
YTSP200L1-6
YTSP200L2-6 |
18.5
22 |
38
45 |
176.0
210.0 |
2.5 |
1.6
1.6 |
300
320 |
|
YTSP225M-6
YTSP250M-6 |
30
37 |
60
72 |
286.0
353.0 |
2.5 |
1.5
1.5 |
400
480 |
|
YTSP280S-6
YTSP280M-6 |
45
55 |
85
104 |
429.0
525.0 |
2.5 |
1.0
1.0 |
565
680 |
|
YTSP315S-6
YTSP315M1-6
YTSP315M2-6
YTSP315L-6 |
75
90
110
132 |
140
168
205
245 |
716.1
859.4
1050.3
1260.0 |
2.5 |
0.9
0.9
0.9
0.9 |
870
1025
1095
1160 |
|
YTSP355M1-6
YTSP355M2-6 |
160
200 |
295
370 |
1528.0
1910.0 |
2.5 |
0.9
0.9 |
1600
1680 |
|
YTSP132S-8
YTSP132M-8 |
2.2
3 |
6.4
8.5 |
28.0
38.2 |
2.5 |
4.0
4.0 |
80
92 |
|
YTSP160M1-8
YTSP160M2-8
YTSP160L-8 |
4
5.5
7.5 |
10.8
14.5
19 |
50.9
70.0
95.5 |
2.5 |
3.5
3.5
3.5 |
110
125
140 |
|
YTSP180L-8 |
11 |
26 |
140.1 |
2.5 |
2.4 |
250 |
|
YTSP200L-8 |
15 |
35 |
191.0 |
2.5 |
1.9 |
300 |
|
YTSP225S-8
YTSP225M-8 |
18.5
22 |
39
47 |
235.6
280.1 |
2.5 |
1.6
1.6 |
360
400 |
|
YTSP250M-8 |
30 |
63 |
382.0 |
2.5 |
1.6 |
480 |
|
YTSP280S-8
YTSP280M-8 |
37
45 |
76
92 |
471.1
573.0 |
2.5 |
1.3
1.3 |
565
680 |
|
YTSP315S-8
YTSP315M1-8
YTSP315M2-8
YTSP315L-8 |
55
75
90
110 |
118
153
182
220 |
700.3
955.0
1146.0
1400.7 |
2.5 |
0.9
0.9
0.9
0.9 |
870
1025
1095
1165 |
|
YTSP355M1-8
YTSP355M2-8
YTSP355L-8 |
132
160
200 |
265
320
395 |
1680.8
2037.3
2546.7 |
2.5 |
0.9
0.9
0.9 |
1600
1680
1800 |
YTSP系列(IC416)配套冷卻風機及制動器數據
|
電動機中心高/mm |
90 |
100 |
112 |
132 |
160 |
180 |
200 |
225 |
250 |
280 |
315 |
355 | |
|
風機驅動電機輸出功率/W |
60 |
60 |
60 |
60 |
40 |
230 |
230 |
230 |
230 |
370 |
450 |
250 | |
|
風機電壓/V |
380/3相 | ||||||||||||
|
失電制動器 |
轉矩/(N·m) |
15 |
30 |
40 |
80 |
150 |
200 |
300 |
450 |
|
|
|
|
|
勵磁功率/W |
60 |
80 |
110 |
130 |
150 |
150 |
200 |
200 |
|
|
|
| |
|
直流電壓/V |
99 |
99 |
170 |
170 |
170 |
170 |
170 |
170 |
|
|
|
| |
YTSP系列(IC416)電動機接線盒主要數據
|
接線盒分檔 |
中心高范圍 |
進線孔尺寸(引接電纜) |
|
1 |
90 |
M27×1.5 |
|
2 |
100~132 |
M30×1.5 |
|
3 |
160~180 |
M48×2 |
|
4 |
200~225 |
M64×2 |
|
5 |
250~280 |
M64×2 |
|
6 |
315 |
M72×2 |
|
7 |
355 |
M72×2 |
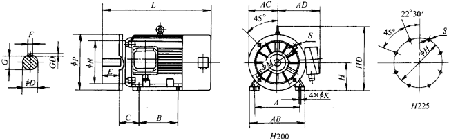
YTSP系列(IC416)外形尺寸圖(IMB3)

機座帶底腳,端蓋無凸緣(IMB3、IMB6、IMB7、IMB8、IMV5、IMV6) (單位:mm)
|
機座號 |
A |
B |
C |
D |
E |
F×GD |
G |
K |
AB |
AC |
AD |
HD |
L |
|
90S |
140 |
100 |
56 |
24 |
50 |
8×7 |
20 |
10 |
180 |
85 |
155 |
190 |
400 |
|
90L |
140 |
125 |
56 |
24 |
50 |
8×7 |
20 |
10 |
180 |
85 |
155 |
190 |
430 |
|
100L |
160 |
140 |
63 |
28 |
60 |
8×7 |
24 |
12 |
205 |
103 |
180 |
245 |
465 |
|
112M |
190 |
140 |
70 |
28 |
60 |
8×7 |
24 |
12 |
245 |
115 |
190 |
265 |
490 |
|
132S |
216 |
140 |
89 |
38 |
80 |
10×8 |
33 |
12 |
280 |
135 |
210 |
315 |
525 |
|
132M |
216 |
178 |
89 |
38 |
80 |
10×8 |
33 |
12 |
280 |
135 |
210 |
315 |
575 |
|
160M |
254 |
210 |
108 |
42 |
110 |
12×8 |
37 |
15 |
330 |
163 |
255 |
385 |
645 |
|
160L |
254 |
254 |
108 |
42 |
110 |
12×8 |
37 |
15 |
330 |
163 |
255 |
385 |
690 |
|
180M |
279 |
241 |
121 |
48 |
110 |
14×9 |
42.5 |
15 |
355 |
180 |
285 |
430 |
810 |
|
180L |
279 |
279 |
121 |
48 |
110 |
14×9 |
42.5 |
15 |
355 |
180 |
285 |
430 |
850 |
|
200L |
318 |
305 |
133 |
55 |
110 |
16×10 |
49 |
19 |
395 |
200 |
310 |
475 |
890 |
|
225S |
356 |
286 |
149 |
60 |
140 |
18×11 |
53 |
19 |
435 |
225 |
345 |
530 |
930 |
|
225M |
356 |
311 |
149 |
60 |
140 |
18×11 |
53 |
19 |
435 |
225 |
345 |
530 |
970 |
|
250M |
406 |
349 |
168 |
65 |
140 |
18×11 |
58 |
24 |
490 |
248 |
385 |
575 |
1050 |
|
280S |
457 |
368 |
190 |
75 |
140 |
20×12 |
67.5 |
24 |
550 |
280 |
410 |
660 |
1100 |
|
280M |
457 |
419 |
190 |
75 |
140 |
20×12 |
67.5 |
24 |
550 |
280 |
410 |
660 |
1180 |
|
315S |
508 |
406 |
216 |
80 |
170 |
22×14 |
71 |
28 |
635 |
320 |
530 |
770 |
1300 |
|
315M |
508 |
457 |
216 |
80 |
170 |
22×14 |
71 |
28 |
635 |
320 |
530 |
770 |
1350 |
|
315L |
508 |
508 |
216 |
80 |
170 |
22×14 |
71 |
28 |
635 |
320 |
530 |
770 |
1450 |
|
355M |
610 |
560 |
254 |
95 |
170 |
22×14 |
86 |
28 |
730 |
355 |
355 |
1010 |
1650 |
|
355L |
610 |
630 |
254 |
95 |
170 |
22×14 |
86 |
28 |
730 |
355 |
355 |
1010 |
1750 |
注:L為不帶傳感器、制動器等附件的尺寸;355機座號接線盒在機座上方。
YTSP系列(IC416)外形尺寸圖(IMB5)

機座無底腳,端蓋帶凸緣(IMB5、IMV1、IMV3) (單位:mm)
|
機座號 |
D |
E |
F×GD |
G |
M |
N |
P |
S |
AC |
AD |
HE |
L |
|
90S |
24 |
50 |
8×7 |
20 |
165 |
130 |
200 |
4×ф12 |
88 |
155 |
195 |
400 |
|
90L |
24 |
50 |
8×7 |
20 |
165 |
130 |
200 |
4×ф12 |
88 |
155 |
195 |
430 |
|
100L |
28 |
60 |
8×7 |
24 |
215 |
180 |
250 |
4×ф15 |
103 |
180 |
265 |
465 |
|
112M |
28 |
60 |
8×7 |
24 |
215 |
180 |
250 |
4×ф15 |
115 |
190 |
265 |
490 |
|
132S |
38 |
80 |
10×8 |
33 |
265 |
230 |
300 |
4×ф15 |
135 |
210 |
315 |
525 |
|
132M |
38 |
80 |
10×8 |
33 |
265 |
230 |
300 |
4×ф15 |
135 |
210 |
315 |
575 |
|
160M |
42 |
110 |
12×8 |
37 |
300 |
250 |
350 |
4×ф19 |
163 |
255 |
385 |
645 |
|
160L |
42 |
110 |
12×8 |
37 |
300 |
250 |
350 |
4×ф19 |
163 |
255 |
385 |
690 |
|
180M |
48 |
110 |
14×9 |
42.5 |
300 |
250 |
350 |
4×ф19 |
180 |
285 |
430 |
810 |
|
180L |
48 |
110 |
14×9 |
42.5 |
300 |
250 |
350 |
4×ф19 |
180 |
285 |
430 |
850 |
|
200L |
55 |
110 |
16×10 |
49 |
350 |
300 |
400 |
4×ф19 |
200 |
310 |
480 |
890 |
|
225S |
60 |
140 |
18×11 |
53 |
400 |
350 |
450 |
8×ф19 |
225 |
345 |
535 |
930 |
|
225M |
60 |
140 |
18×11 |
53 |
400 |
350 |
450 |
8×ф19 |
225 |
345 |
535 |
970 |
|
250M |
65 |
140 |
18×11 |
58 |
500 |
450 |
550 |
8×ф19 |
248 |
385 |
620 |
1050 |
|
280S |
75 |
140 |
20×12 |
67.5 |
500 |
450 |
550 |
8×ф19 |
280 |
410 |
665 |
1100 |
|
280M |
75 |
140 |
20×12 |
67.5 |
500 |
450 |
550 |
8×ф19 |
280 |
410 |
665 |
1180 |
注:L不帶傳感器、制動器等附件的尺寸。
YTSP系列(IC416)外形尺寸圖(IMB35)

機座帶底腳,端蓋帶凸緣(IMB35、IMV15、IMV36) (單位:mm)
|
機座號 |
A |
B |
C |
D |
E |
F×GD |
G |
K |
M |
N |
P |
S |
AB |
AC |
AD |
HD |
L |
|
90S |
140 |
100 |
56 |
24 |
50 |
8×7 |
20 |
10 |
165 |
130 |
200 |
4×ф12 |
180 |
88 |
155 |
190 |
400 |
|
90L |
140 |
125 |
56 |
24 |
50 |
8×7 |
20 |
10 |
165 |
130 |
200 |
4×ф12 |
180 |
88 |
155 |
190 |
430 |
|
100L |
160 |
140 |
63 |
28 |
60 |
8×7 |
24 |
12 |
215 |
180 |
250 |
4×ф15 |
205 |
103 |
180 |
245 |
465 |
|
112M |
190 |
140 |
70 |
28 |
60 |
8×7 |
24 |
12 |
215 |
180 |
250 |
4×ф15 |
245 |
115 |
190 |
265 |
490 |
|
132S |
216 |
140 |
89 |
38 |
80 |
10×8 |
33 |
12 |
265 |
230 |
300 |
4×ф15 |
280 |
135 |
210 |
315 |
525 |
|
132M |
216 |
178 |
89 |
38 |
80 |
10×8 |
33 |
12 |
265 |
230 |
300 |
4×ф15 |
280 |
135 |
210 |
315 |
575 |
|
160M |
254 |
210 |
108 |
42 |
110 |
12×8 |
37 |
15 |
300 |
250 |
350 |
4×ф19 |
330 |
163 |
255 |
385 |
645 |
|
160L |
254 |
254 |
108 |
42 |
110 |
12×8 |
37 |
15 |
300 |
250 |
350 |
4×ф19 |
330 |
163 |
255 |
385 |
690 |
|
180M |
279 |
241 |
121 |
48 |
110 |
14×9 |
42.5 |
15 |
300 |
250 |
350 |
4×ф19 |
355 |
180 |
285 |
430 |
810 |
|
180L |
279 |
279 |
121 |
48 |
110 |
14×9 |
42.5 |
15 |
300 |
250 |
350 |
4×ф19 |
355 |
180 |
285 |
430 |
850 |
|
200L |
318 |
305 |
133 |
55 |
110 |
16×10 |
49 |
19 |
350 |
300 |
400 |
4×ф19 |
395 |
200 |
310 |
475 |
890 |
|
225S |
356 |
286 |
149 |
60 |
140 |
18×11 |
53 |
19 |
400 |
350 |
450 |
8×ф19 |
435 |
225 |
345 |
530 |
930 |
|
225M |
356 |
311 |
149 |
60 |
140 |
18×11 |
53 |
19 |
400 |
350 |
450 |
8×ф19 |
435 |
225 |
345 |
530 |
970 |
|
250M |
406 |
349 |
168 |
65 |
140 |
18×11 |
58 |
24 |
400 |
450 |
550 |
8×ф19 |
490 |
248 |
385 |
575 |
1050 |
|
280S |
457 |
368 |
190 |
75 |
140 |
20×12 |
67.5 |
24 |
500 |
450 |
550 |
8×ф19 |
550 |
280 |
410 |
660 |
1100 |
|
280M |
457 |
419 |
190 |
75 |
140 |
20×12 |
67.5 |
24 |
500 |
450 |
550 |
8×ф19 |
550 |
280 |
410 |
660 |
1180 |
|
315S |
508 |
406 |
216 |
80 |
170 |
22×14 |
71 |
28 |
600 |
550 |
660 |
8×ф24 |
635 |
320 |
530 |
770 |
1300 |
|
315M |
508 |
457 |
216 |
80 |
170 |
22×14 |
71 |
28 |
600 |
550 |
660 |
8×ф24 |
635 |
320 |
530 |
770 |
1350 |
|
315L |
508 |
508 |
216 |
80 |
170 |
22×14 |
71 |
28 |
600 |
550 |
660 |
8×ф24 |
635 |
320 |
530 |
770 |
1450 |
|
355M |
610 |
560 |
254 |
95 |
170 |
25×14 |
86 |
28 |
740 |
680 |
800 |
8×ф24 |
730 |
355 |
355 |
1010 |
1650 |
|
355L |
610 |
630 |
254 |
95 |
170 |
25×14 |
86 |
28 |
740 |
680 |
80 |
8×ф24 |
730 |
355 |
355 |
1010 |
1750 |
注:L為不帶傳感器、制動器等附件的尺寸;355機座號接線盒在機座上方。
| 頁次:1/1 每頁10條 共3條信息 分頁:[1] |
