Product list產品列表
Customer service在線客服
產品展示
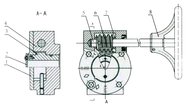
XJ系列閥門減速器主要用途及安裝保養
主要用途
適用于旋轉90°開啟的蝶閥、球閥、旋塞閥。
結構特點
1、體積小、重量輕,設計合理,輸出轉矩大,省力輕便。
2、開關指示牌直接在蝸輪上連接,指示準確直觀。
3、裝有限位螺釘可在全開OPEN全閉CLOSE兩個位置上±5°調整。
4、蝸輪副自鎖,操作簡便。
5、蝸輪連接有相隔90°的兩個鍵槽,以便用戶根據需要選擇該裝置同閥體的相對位置。
6、產品出廠時裝有專用潤滑脂,外殼密封,防塵、防水,防護等級為IP65。

敬告用戶
1、本產品均備圓孔帶鍵槽和扁孔、方孔與閥聯接的型式供用戶選擇,并可按用戶要求加工制作。
2、選用本產品時,應注意連接尺寸與閥門的相應尺寸一致,如有特殊要求,請在訂貨時提出。
3、安裝時,首先應將閥門和本裝置的指示盤均處在關的位置,以便協調一致。
4、本裝置手輪順時針旋轉閥門關,逆時針旋轉閥門開,與一般習慣相同。
安裝程序
1、首先檢查蝸輪軸內孔、鍵槽、殼體法蘭盤與閥桿、鍵、閥體安裝法蘭盤是否相符。
2、檢查無誤裝本裝置裝于閥門上。
3、轉動裝置上的手輪,調整限位螺釘,使指示盤上的指示針能在全關時指向CLOSE,全開時指向OPEA。
維修保養
1、不得在超越本裝置額定工況的條件下使用。
2、每兩年定期檢查裝置潤滑情況。
XJ系列單級閥門減速器主要件明細表 XJ系列單級閥門減速器主要件明細表

|
8 |
手輪 |
1 |
HT200GB9439-88 |
WCB GB2229-88 |
|
7 |
擋圈 |
1 |
45GB699-88 |
|
|
6 |
蝸桿 |
1 |
45GB699-88 |
|
|
5 |
蝸桿軸 |
1 |
45GB699-88 |
|
|
4 |
減速器殼 |
1 |
HT200GB9439-88 |
WCB GB12229-88 |
|
3 |
蝸輪 |
1 |
QT500-7GB1348-88 |
|
|
2 |
指示盤 |
1 |
Q235A GB700-88 |
|
|
1 |
減速器蓋 |
1 |
HT200GB9439-88 |
WCB GB12229-88 |
|
序號 |
名稱 |
數量 |
材料 |
可選材料 |
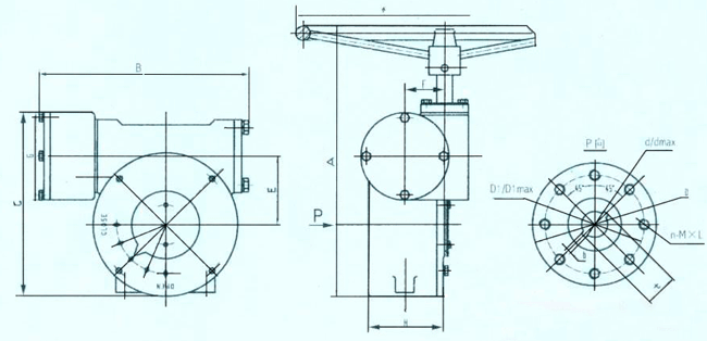
XJ系列單級閥門減速器裝置尺寸表


|
型號 |
適用通徑DN |
d |
dmax |
b |
t+0.2 |
D |
D1 |
D1max |
n-M×L |
A |
B |
C |
E |
H |
φ |
輸出扭矩NM |
重量kg |
|
XJ24 |
50~80 |
12.7 |
26 |
3 |
14.2 |
77 |
57 |
80 |
4-M6×13 |
201 |
148 |
249 |
45 |
75 |
150 |
170 |
5.2 |
|
100 |
15.9 |
5 |
19.2 |
92 |
70 |
| |||||||||||
|
125~150 |
19.05 |
21.4 |
300 |
270 |
8.8 | ||||||||||||
|
XJ30 |
200 |
22.2 |
30 |
5 |
24.5 |
115 |
89 |
90 |
4-M12×15 |
315 |
238 |
300 |
63 |
85 |
300 |
700 |
12.3 |
|
250 |
28.6 |
45 |
8 |
31.9 | |||||||||||||
|
XJ50 |
300~350 |
31.8 |
45 |
8 |
35 |
140 |
108 |
108 |
4-M12×18 |
310 |
226 |
310 |
78 |
86 |
300 |
1200 |
14.4 |
|
XJ80 |
400 |
33.3 |
54 |
10 |
36.5 |
197 |
158.75 |
170 |
4-M18×26 |
400 |
270 |
400 |
120 |
125 |
300 |
2000 |
32.0 |
|
450 |
38.1 |
41.5 |
410 |
270 |
450 |
400 |
34.3 |
XJ系列二級傳動閥門減速器主要件明細表


|
15 |
指示盤 |
1 |
Q235A GB700-88 |
|
|
14 |
減速器蓋 |
1 |
GT2000GB9439-88 |
WCB GB12229-88 |
|
13 |
蝸輪 |
1 |
QT500-7GB1348-88 |
|
|
12 |
殼體 |
1 |
HT200GB9439-88 |
WCB GB12229-88 |
|
11 |
左端蓋 |
1 |
HT200GB9439-88 |
WCB GB12229-88 |
|
10 |
蝸桿 |
1 |
45GB699-88 |
|
|
9 |
軸套 |
1 |
HT200GB9439-88 |
|
|
8 |
行星架 |
1 |
45GB699-88 |
|
|
7 |
連接盤 |
1 |
HT200GB9439-88 |
WCB GB12229-88 |
|
6 |
內齒圈 |
1 |
45GB699-88 |
|
|
5 |
銷 |
3 |
45GB699-88 |
|
|
4 |
行星齒輪 |
3 |
45GB699-88 |
|
|
3 |
端蓋 |
1 |
HT200GB9439-88 |
|
|
2 |
中心齒輪軸 |
1 |
45GB699-88 |
|
|
1 |
手輪 |
1 |
HT200GB9439-88 |
WCB GB12229-88 |
|
序號 |
名稱 |
數量 |
材料 |
可選材料 |
XJ系列二級傳動閥門減速器尺寸表

|
型號 |
適用通徑 |
d |
dmax |
b |
t |
D |
D1 |
D1max |
n-M×L |
A |
B |
C |
E |
F |
H |
φ |
輸出扭矩 |
重量kg |
|
XJ200 |
500 |
41.3 |
54 |
10 |
44.6 |
197 |
158.75 |
216 |
4-M18×30 |
476 |
338 |
408 |
120 |
313 |
154 |
300 |
4000 |
48 |
|
XJ290 |
600 |
50.8 |
16 |
55.1 |
276 |
215.90 |
4-M20×30 |
3000 | ||||||||||
|
XJ320 |
700~800 |
55.0 |
66 |
4-16 |
59.3 |
300 |
254.00 |
254 |
8-M16×25 |
535 |
385 |
502 |
152 |
415 |
164 |
400 |
7000 |
79 |
|
XJ330 |
900 |
75.0 |
100 |
4-20 |
79.9 |
300 |
254.00 |
8-M16×25 |
725 |
545 |
800 |
190 |
484 |
178 |
800 |
12000 |
122 |
XJ系列雙級蝸輪蝸桿傳動閥門減速器主要件明細表


|
11 |
小蓋 |
1 |
HT200GB9439-88 |
WCB GB12229-88 |
|
10 |
小蝸輪 |
1 |
QT500-7GB1349-88 |
|
|
9 |
大蝸桿 |
1 |
45GB699-88 |
|
|
8 |
大殼體 |
1 |
HT200GB9439-88 |
WCB GB12229-88 |
|
7 |
左端蓋 |
1 |
HT200GB9439-88 |
WCB GB12229-88 |
|
6 |
手輪 |
1 |
HT200GB9439-88 |
WCB GB12229-88 |
|
5 |
小端蓋 |
1 |
HT200GB9439-88 |
WCB GB12229-88 |
|
4 |
小蝸桿 |
1 |
45GB699-88 |
|
|
3 |
小殼體 |
1 |
HT200GB9439-88 |
WCB GB12229-88 |
|
2 |
大蝸輪 |
1 |
QT500-7GB1348-88 |
|
|
1 |
提示盤 |
1 |
Q235AGB700-88 |
|
|
序號 |
名稱 |
數量 |
材料 |
可選材料 |
XJ系列雙級蝸輪蝸桿傳動閥門減速器尺寸表

|
型號 |
適用通徑 |
d |
dmax |
b |
t |
D |
D1 |
D1max |
n-M×L |
A |
B |
C |
E |
F |
G |
H |
φ |
輸出扭矩 |
重量kg |
|
XJ350 |
450~500 |
41.3 |
54 |
9.53 |
46 |
230 |
158.75 |
165 |
4-M18×26 |
435 |
339 |
295 |
110 |
63 |
140 |
130 |
450 |
3000 |
42 |
|
165 |
4-M20×26 | ||||||||||||||||||
|
XJ420 |
600 |
50.8 |
12.7 |
56.8 |
255 |
165 |
216 |
8-M20×26 |
453 |
348 |
323 |
125 |
4000 |
55 | |||||
|
215.9 |
XJ系列閥門減速器技術參數

|
型號 |
XJ24 |
XJ30 |
XJ50 |
XJ80 |
|
速比 |
24:1 |
30:1 |
50:1 |
80:1 |
|
最大行程 |
90° |
90° |
90° |
90° |
|
限位調整 |
±5° |
±5° |
±5° |
±5° |
|
額定輸入 |
80 |
120 |
120 |
150 |
|
額定輸出 |
270 |
700 |
1200 |
2000 |
|
效率% |
14 |
19.44 |
20 |
16.66 |
XJ系列二級傳動閥門減速器技術參數

|
型號 |
XJ200 |
XJ290 |
XJ320 |
XJ330 |
|
速比 |
200:1 |
290:1 |
320:1 |
350:1 |
|
最大行程 |
90° |
90° |
90° |
90° |
|
限位調整 |
±5° |
±5° |
±5° |
±5° |
|
額定輸入 |
100 |
60 |
150 |
240 |
|
額定輸出 |
3000 |
3000 |
7000 |
12000 |
|
效率% |
15 |
17.24 |
14.58 |
15.15 |
XJ系列雙級蝸輪蝸桿傳動閥門減速器技術參數

|
型號 |
XJ350 |
XJ420 |
|
速比 |
352:1 |
416:1 |
|
最大行程 |
90° |
90° |
|
限位調整 |
±5° |
±5° |
|
額定輸入 |
120 |
130 |
|
額定輸出 |
3000 |
4000 |
|
效率% |
7.1 |
7.39 |
| 頁次:1/1 每頁10條 共5條信息 分頁:[1] |
