Product list產品列表
Customer service在線客服
產品展示
CVD型:立式雙軸型齒輪減速機的型號標記

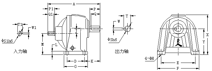
CVD型:立式雙軸型齒輪減速機的外形尺寸圖

|
馬力 (HP) |
減速比 |
機型 |
A |
D |
E |
F |
G |
H |
L |
J |
K |
Y |
出力軸 |
入力軸 | ||||||||
|
P |
Q |
S |
T |
W |
P1 |
Q1 |
S1 |
T1 |
W1 | |||||||||||||
|
200W (1/4HP) |
1/25-1/120 |
22CVD |
193 |
148 |
185 |
175 |
165 |
11 |
12 |
17.5 |
50 |
3 |
40 |
35 |
22 |
25 |
8 |
25 |
22 |
14 |
16 |
5 |
|
400W (1/2HP) |
1/5-1/20 |
22CVD |
198 |
148 |
185 |
175 |
165 |
11 |
12 |
17.5 |
50 |
3 |
40 |
35 |
22 |
25 |
8 |
30 |
27 |
16 |
18 |
5 |
|
1/25-1/90 |
28CVD |
262 |
170 |
220 |
205 |
195 |
11 |
13 |
23 |
60 |
3 |
45 |
40 |
28 |
31 |
8 |
30 |
27 |
16 |
18 |
5 | |
|
750W (1HP) |
1/3-1/25 |
28CVD |
272 |
170 |
220 |
205 |
195 |
11 |
13 |
23 |
60 |
3 |
45 |
40 |
28 |
31 |
8 |
40 |
35 |
19 |
21.5 |
6 |
|
1/30-1/120 |
32CVD |
310 |
185 |
255 |
250 |
220 |
13 |
15 |
30 |
70 |
4 |
55 |
50 |
32 |
35 |
10 |
40 |
35 |
19 |
21.5 |
6 | |
|
1500W (2HP) |
1/3-1/30 |
32CVD |
320 |
185 |
255 |
250 |
220 |
13 |
15 |
30 |
70 |
4 |
55 |
50 |
32 |
35 |
10 |
50 |
40 |
24 |
27 |
8 |
|
1/40-1/100 |
40CVD |
365 |
230 |
310 |
285 |
270 |
15 |
20 |
36 |
85 |
5 |
65 |
60 |
40 |
43 |
12 |
50 |
40 |
24 |
27 |
8 | |
|
2200W (3HP) |
1/3-1/40 |
40CVD |
365 |
230 |
310 |
285 |
270 |
15 |
20 |
36 |
85 |
5 |
65 |
60 |
40 |
43 |
12 |
50 |
40 |
24 |
27 |
8 |
|
1/50-1/100 |
50CVD |
425 |
280 |
390 |
360 |
360 |
19 |
23 |
51 |
92 |
5 |
80 |
75 |
50 |
53.5 |
14 |
60 |
50 |
28 |
31 |
8 | |
|
4000W (5HP) |
1/3-1/60 |
50CVD |
425 |
280 |
390 |
360 |
360 |
19 |
23 |
51 |
92 |
5 |
80 |
75 |
50 |
53.5 |
14 |
60 |
50 |
28 |
31 |
8 |
CVD型齒輪減速馬達性能表
|
減速比 GEAR RATIO |
出力回轉數 OUTPUT R.P.M |
| ||||||||||||||||
|
200w (1/4HP) |
400w (1/2HP) |
750w (1HP) |
1500w (2HP) |
2200w (3HP) |
3000w (4HP) |
4000w (5HP) | ||||||||||||
|
50HZ |
60HZ |
50HZ |
60HZ |
50HZ |
60HZ |
50HZ |
60HZ |
50HZ |
60HZ |
50HZ |
60HZ |
50HZ |
60HZ |
50HZ |
60HZ | |||
|
3 |
483.3 |
566.7 |
0.36 |
0.31 |
0.73 |
0.62 |
1.4 |
1.2 |
2.7 |
2.3 |
4.0 |
3.4 |
5.4 |
4.6 |
7.3 |
6.2 | ||
|
5 |
290 |
340 |
0.61 |
0.52 |
1.2 |
1.0 |
2.3 |
1.9 |
4.5 |
3.9 |
6.7 |
5.7 |
9.1 |
7.7 |
12.1 |
10.3 | ||
|
10 |
145 |
170 |
1.2 |
1.0 |
2.4 |
2.1 |
4.5 |
3.9 |
9.1 |
7.7 |
13.3 |
11.4 |
18.1 |
15.5 |
24.2 |
20.6 | ||
|
15 |
96.7 |
113.3 |
1.8 |
1.5 |
3.6 |
3.1 |
6.8 |
5.8 |
13.6 |
11.6 |
20 |
17 |
27.2 |
23.2 |
36.3 |
31 | ||
|
20 |
72.5 |
85 |
2.4 |
2.1 |
4.8 |
4.1 |
9.1 |
7.7 |
18.1 |
15.5 |
26.6 |
22.7 |
36.3 |
31 |
48.4 |
41.3 | ||
|
25 |
58 |
68 |
3.0 |
2.6 |
6.0 |
5.2 |
11.3 |
9.7 |
22.7 |
19.3 |
33.3 |
28.4 |
45.4 |
38.7 |
60.5 |
51.6 | ||
|
30 |
48.3 |
56.7 |
3.6 |
3.1 |
7.3 |
6.2 |
13.6 |
11.6 |
27.2 |
23.2 |
39.9 |
34 |
54.4 |
46.4 |
72.6 |
61.9 | ||
|
40 |
36.3 |
42.5 |
4.8 |
4.1 |
9.7 |
8.3 |
18.1 |
15.5 |
36.3 |
31 |
53.2 |
45.4 |
72.6 |
61.9 |
96.8 |
82.5 | ||
|
50 |
29 |
34 |
6.0 |
5.2 |
12.1 |
10.3 |
22.7 |
19.3 |
45.4 |
38.7 |
66.5 |
56.8 |
90.7 |
77.4 |
121 |
103.2 | ||
|
60 |
24.2 |
28.3 |
7.3 |
6.2 |
14.5 |
12.4 |
27.2 |
23.2 |
54.4 |
46.4 |
79.8 |
68.1 |
108.9 |
92.9 |
145.2 |
123.8 | ||
|
70 |
20.7 |
24.3 |
8.5 |
7.2 |
16.9 |
14.4 |
21.8 |
27.1 |
63.5 |
54.2 |
93.1 |
79.5 |
127 |
108.3 |
169.4 |
144.5 | ||
|
80 |
18.1 |
21.3 |
9.7 |
8.3 |
19.4 |
16.5 |
36.3 |
31 |
72.6 |
61.9 |
106.5 |
90.8 |
145.2 |
123.8 |
193.6 |
165.1 | ||
|
90 |
16.1 |
18.9 |
10.9 |
9.3 |
21.8 |
18.6 |
40.8 |
34.8 |
81.7 |
69.6 |
119.8 |
102.2 |
163.3 |
139.3 |
217.8 |
185.7 | ||
|
100 |
14.5 |
17 |
12.1 |
10.3 |
24.2 |
20.6 |
45.4 |
38.7 |
90.7 |
77.4 |
133.1 |
113.5 |
181.5 |
154.8 |
241.9 |
206.4 | ||
|
120 |
12.1 |
14.2 |
14.5 |
12.4 |
29 |
24.8 |
54.4 |
46.4 |
108.9 |
92.9 |
159.7 |
136.2 |
217.8 |
185.7 |
290.3 |
247.6 | ||
| 頁次:1/1 每頁10條 共4條信息 分頁:[1] |

