Product list產品列表
Customer service在線客服
產品展示
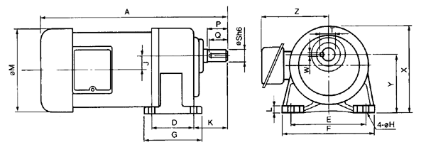
A)本體
1號,2號及3號本體,其出力軸直徑介于∮18—∮28之間時,減速機本體皆采用鋁合金材質ADC—12。
4號,5號及6號本體,其出力軸直徑介于∮32—∮50之間時,減速機本體皆采用鑄鐵材質FC—20。
B)1/2/3段齒輪
齒輪徑精密滾齒加工,齒輪加工精度等級為2-3級。
齒輪材質為20CrMo,調質到HRC 21°再經高周波處理到HRC 40-43。
C)二/三段齒輪
齒軸么SDIVTNG 精密滾齒加工,齒輪精度等級為1-2級。
齒輪材質為20CrMo,調質到HRC 21°再經高周波處理到HRC 48-52。
D)馬達齒輪
馬達齒軸徑SKIVING精密滾齒加工,齒軸精度等級為1-2級。
材料為20 CrMo,調料到HRC 21°再經高周波熱慮理到HRC45-50。
E)油封
馬達軸側以耐高溫VITON油封為主,可確實防止潤滑油回漏馬達內部,
F)接線盒
采有IP-54鐵鐵接線盒,防水性及防腐性佳。
G)三相、單相馬達:采標準全密閉型專用鋁殼馬達配IP-54鐵制接線盒,具較佳防水性及防腐性,易散熱及運轉效率高。
H)潤滑油
出廠前已添加潤滑油脂(BT-860-0),在正常條件下運轉20,000小時可不必更換潤滑脂,但在特殊環境條件下轉時,如:高溫、長時間運轉,沖擊負荷等,則換油頻率為10,000-15,000小時。
型號表示方法:

配線盒方向選定:

臺灣ZL、ZF小型齒輪減速電機輸出特性表
|
減速比 |
出力回
轉數 |
0.1W |
0.2W |
0.4W | ||||||||||
|
出力軸容許
扭力荷重 |
出力軸容許
扭力荷重 |
出力軸容許
扭力荷重 | ||||||||||||
|
50Hz |
60Hz |
型
號 |
50Hz
Kg/m |
60Hz
Kg/m |
O.H.L
Kgf |
型
號 |
50Hz
Kg/m |
60Hz
Kg/m |
O.H.L
Kgf |
型
號 |
50Hz
Kg/m |
60Hz
Kg/m |
O.H.L
Kgf | |
|
5 |
300 |
360 |
18 |
0.31 |
0.26 |
60 |
18 |
0.62 |
0.51 |
60 |
22 |
1.2 |
1 |
90 |
|
10 |
150 |
180 |
0.62 |
0.51 |
90 |
1.2 |
1 |
90 |
2.5 |
2.1 |
120 | |||
|
12.5 |
120 |
144 |
0.77 |
0.66 |
100 |
1.54 |
1.24 |
100 |
3.1 |
2.5 |
130 | |||
|
15 |
100 |
120 |
0.93 |
0.77 |
100 |
1.85 |
1.5 |
100 |
3.7 |
2.9 |
140 | |||
|
20 |
75 |
90 |
1.2 |
1 |
120 |
2.47 |
1.99 |
120 |
4.94 |
4 |
150 | |||
|
25 |
60 |
72 |
1.5 |
1.3 |
130 |
3 |
2.49 |
130 |
6.17 |
4.9 |
170 | |||
|
30 |
50 |
60 |
1.9 |
1.5 |
140 |
22 |
3.7 |
2.99 |
180 |
28 |
7.41 |
5.9 |
260 | |
|
40 |
37.5 |
45 |
2.4 |
2 |
150 |
4.94 |
3.99 |
190 |
9.88 |
7.98 |
290 | |||
|
50 |
30 |
36 |
3 |
2.5 |
160 |
6.17 |
4.98 |
200 |
12.3 |
9.97 |
320 | |||
|
60 |
25 |
30 |
22 |
3.6 |
3 |
220 |
7.4 |
5.98 |
220 |
14.8 |
11.9 |
350 | ||
|
75 |
20 |
24 |
4.6 |
3.7 |
220 |
9.2 |
7.5 |
220 |
18.5 |
14.9 |
350 | |||
|
90 |
16.6 |
20 |
5.5 |
4.5 |
250 |
11.1 |
9 |
250 |
22.2 |
17.9 |
350 | |||
|
100 |
15 |
18 |
6 |
5 |
250 |
28 |
12.3 |
9.9 |
250 |
32 |
24.7 |
19.9 |
350 | |
|
120 |
12.5 |
15 |
7.2 |
6 |
250 |
14.8 |
11.9 |
340 |
29.6 |
23.9 |
600 | |||
|
150 |
10 |
12 |
9.2 |
7.5 |
250 |
18.5 |
14.9 |
350 |
37 |
29.9 |
600 | |||
|
180 |
8.3 |
10 |
11 |
9 |
250 |
22.2 |
17.9 |
350 |
44.4 |
35.9 |
600 | |||
|
200 |
7.5 |
9 |
11.9 |
10 |
250 |
24.7 |
19.9 |
350 |
49.4 |
39.9 |
600 | |||
|
300 |
5 |
6 |
28 |
17.5 |
14.9 |
350 |
32 |
35.1 |
28.3 |
600 |
40 |
70.2 |
56.7 |
720 |
|
1200 |
1.25 |
1.5 |
58.5 |
47.6 |
350 |
70.2 |
56.7 |
600 |
70.2 |
56.7 |
720 | |||
|
1800 |
0.83 |
1 |
58.5 |
47.6 |
350 |
70.2 |
56.7 |
600 |
70.2 |
56.7 |
720 | |||
|
減速比 |
出力回
轉數 |
0.75KW |
1.5KW |
2.2KW |
3.7KW | ||||||||||||
|
出力軸容許
扭力荷重 |
出力軸容許
扭力荷重 |
出力軸容許
扭力荷重 |
出力軸容許
扭力荷重 | ||||||||||||||
|
50Hz |
60Hz |
型
號 |
50Hz
Kg/m |
60Hz
Kg/m |
O.H.L
Kgf |
型
號 |
50Hz
Kg/m |
60Hz
Kg/m |
O.H.L
Kgf |
型
號 |
50Hz
Kg/m |
60Hz
Kg/m |
O.H.L
Kgf |
型
號 |
50Hz
Kg/m |
60Hz
Kg/m | |
|
5 |
300 |
360 |
28 |
2.3 |
1.9 |
130 |
32 |
4.8 |
3.5 |
180 |
32 |
6.6 |
5.5 |
220 |
40 |
10.8 |
9 |
|
10 |
150 |
180 |
4.6 |
3.9 |
130 |
8.8 |
7.1 |
250 |
13.2 |
10.7 |
320 |
21.6 |
18 | ||||
|
12.5 |
120 |
144 |
5.7 |
4.9 |
190 |
11 |
89 |
290 |
40 |
16.5 |
13.3 |
340 |
50 |
27 |
22.5 | ||
|
15 |
100 |
120 |
6.9 |
5.8 |
220 |
13.2 |
10.7 |
290 |
19.8 |
16 |
360 |
32.4 |
27 | ||||
|
20 |
75 |
90 |
9.3 |
7.7 |
240 |
17.6 |
142 |
330 |
26.5 |
21.4 |
410 |
43.2 |
36 | ||||
|
25 |
60 |
72 |
11.6 |
9.6 |
250 |
22.1 |
17.8 |
390 |
33.1 |
26.7 |
480 |
54 |
45 | ||||
|
30 |
50 |
60 |
32 |
13.9 |
11.6 |
410 |
26.5 |
21.4 |
520 |
39.7 |
32.1 |
710 |
64.8 |
54 | |||
|
40 |
37.5 |
45 |
17.9 |
14.9 |
430 |
40 |
35.3 |
28.5 |
600 |
53 |
42.8 |
740 |
86.4 |
72 | |||
|
50 |
30 |
36 |
22.4 |
18.7 |
470 |
44.2 |
35.7 |
720 |
66.3 |
53.3 |
880 |
108 |
90 | ||||
|
60 |
25 |
30 |
26.9 |
22.4 |
560 |
53 |
42.8 |
720 |
79.5 |
64.2 |
1000 |
129.6 |
108 | ||||
|
75 |
20 |
24 |
35.1 |
28.3 |
560 |
66.3 |
53.5 |
720 |
50 |
99.4 |
80.3 |
1000 |
162 |
135 | |||
|
90 |
16.6 |
20 |
42.1 |
34 |
600 |
79.5 |
64.2 |
720 |
119.3 |
96.3 |
1000 |
195.3 |
162.7 | ||||
|
100 |
15 |
18 |
46.8 |
37.8 |
600 |
88.4 |
71.4 |
720 |
132.6 |
107.1 |
1000 |
|
|
| |||
|
120 |
12.5 |
15 |
40 |
58.4 |
47.3 |
720 |
50 |
106 |
85.6 |
1000 |
|
|
|
|
|
| |
|
150 |
10 |
12 |
70.2 |
56.7 |
720 |
132.6 |
107.1 |
1000 |
|
|
|
|
| ||||
|
180 |
8.3 |
10 |
84.2 |
68 |
720 |
132.6 |
107.1 |
1000 |
|
|
|
|
| ||||
|
200 |
7.5 |
9 |
93.6 |
75.6 |
720 |
132.6 |
107.1 |
1000 |
|
|
|
|
| ||||
|
300 |
5 |
6 |
50 |
132.6 |
107.1 |
1000 |
|
|
|
|
|
|
|
|
|
| |
|
1200 |
1.25 |
1.5 |
132.6 |
107.1 |
1000 |
|
|
|
|
|
|
|
|
| |||
|
1800 |
0.83 |
1 |
132.6 |
107.1 |
1000 |
|
|
|
|
|
|
|
|
| |||
1、 注:0.1kw—2.2kw電機外殼為鋁合金型,3.7kw為電機外殼為鑄鐵
三相臥式齒輪減速電機

|
功率KW |
減速比 |
框號 |
A |
D |
E |
F |
G |
H |
L |
J |
K |
M |
X |
Y |
Z |
出力軸端 |
重量Kg | ||||
|
P |
Q |
S |
T |
W | |||||||||||||||||
|
0.1
KW |
5~50 |
18 |
255 |
40 |
110 |
135 |
65 |
9 |
10 |
15.98 |
50 |
126 |
127 |
85 |
116 |
30 |
27 |
18 |
20 |
5 |
5.6 |
|
60~200 |
22 |
287 |
65 |
130 |
155 |
90 |
11 |
12 |
17.66 |
60 |
126 |
145 |
90 |
116 |
40 |
35 |
22 |
25 |
7 |
7.0 | |
|
250~1800 |
22 |
357 |
65 |
130 |
155 |
90 |
11 |
12 |
17.66 |
60 |
126 |
145 |
90 |
116 |
40 |
35 |
22 |
25 |
7 |
8.9 | |
|
250~1800 |
28 |
385 |
90 |
140 |
170 |
120 |
11 |
15 |
23.11 |
70 |
126 |
170 |
110 |
116 |
45 |
40 |
28 |
31 |
7 |
11.8 | |
|
0.2KW |
5~10 |
18 |
290 |
40 |
110 |
135 |
65 |
9 |
10 |
15.98 |
50 |
126 |
127 |
85 |
116 |
30 |
27 |
18 |
20 |
5 |
6.4 |
|
12.5~25 |
18 |
290 |
40 |
110 |
135 |
65 |
9 |
10 |
15.98 |
50 |
126 |
127 |
85 |
116 |
30 |
27 |
18 |
20 |
5 |
6.4 | |
|
12.5~90 |
22 |
320 |
65 |
130 |
155 |
90 |
11 |
12 |
17.66 |
60 |
126 |
145 |
90 |
116 |
40 |
35 |
22 |
25 |
7 |
7.9 | |
|
100~200 |
28 |
352 |
90 |
140 |
170 |
120 |
11 |
15 |
23.11 |
70 |
126 |
170 |
110 |
116 |
45 |
40 |
28 |
31 |
7 |
10.3 | |
|
250~1800 |
28 |
419 |
90 |
140 |
170 |
120 |
11 |
15 |
23.11 |
70 |
126 |
170 |
110 |
116 |
45 |
40 |
28 |
31 |
7 |
12.4 | |
|
250~180 |
32 |
469 |
130 |
170 |
210 |
160 |
13 |
18 |
30.22 |
70 |
126 |
210 |
138.5 |
116 |
55 |
50 |
32 |
36.5 |
10 |
24.6 | |
|
0.4KW |
5~10 |
22 |
340 |
65 |
130 |
155 |
90 |
11 |
12 |
17.66 |
60 |
160 |
145 |
90 |
131 |
40 |
35 |
22 |
25 |
7 |
10.6 |
|
12.5~25 |
22 |
340 |
65 |
130 |
155 |
90 |
11 |
12 |
17.66 |
60 |
160 |
145 |
90 |
131 |
40 |
35 |
22 |
25 |
7 |
10.6 | |
|
12.5~90 |
28 |
372 |
90 |
140 |
170 |
120 |
11 |
15 |
23.11 |
70 |
160 |
170 |
110 |
131 |
45 |
40 |
28 |
31 |
7 |
13.0 | |
|
100~200 |
32 |
408 |
130 |
170 |
210 |
160 |
13 |
18 |
30.22 |
70 |
160 |
210 |
138.5 |
131 |
55 |
50 |
32 |
36.5 |
10 |
25.2 | |
|
250~1800 |
32 |
489 |
130 |
170 |
210 |
160 |
13 |
18 |
30.22 |
70 |
160 |
210 |
138.5 |
131 |
55 |
50 |
32 |
36.5 |
10 |
27.6 | |
|
250~1800 |
40 |
564 |
150 |
210 |
256 |
200 |
15 |
23 |
37.96 |
84 |
160 |
248 |
160 |
131 |
65 |
60 |
40 |
44.5 |
10 |
45.2 | |
|
0.75KW |
5~25 |
28 |
390 |
90 |
140 |
170 |
120 |
11 |
15 |
23.11 |
70 |
160 |
170 |
110 |
131 |
45 |
40 |
28 |
31 |
7 |
14.7 |
|
30~100 |
32 |
425 |
130 |
170 |
210 |
160 |
13 |
18 |
30.22 |
70 |
160 |
210 |
138.5 |
131 |
55 |
50 |
32 |
36.5 |
10 |
27.8 | |
|
120~200 |
40 |
480 |
150 |
210 |
256 |
200 |
15 |
23 |
37.96 |
84 |
160 |
248 |
160 |
131 |
65 |
60 |
40 |
44.5 |
10 |
45.2 | |
|
250~1800 |
40 |
580 |
150 |
210 |
256 |
200 |
15 |
23 |
37.96 |
84 |
160 |
248 |
160 |
131 |
65 |
60 |
40 |
44.5 |
10 |
47.7 | |
|
250~1800 |
50 |
631 |
170 |
265 |
330 |
230 |
19 |
30 |
51 |
122 |
160 |
310 |
212 |
~ |
80 |
75 |
50 |
56 |
14 |
60.5 | |
|
1.5KW |
5~30 |
32 |
440 |
130 |
170 |
210 |
160 |
13 |
18 |
30.22 |
70 |
193 |
210 |
138.5 |
142 |
55 |
50 |
32 |
36.5 |
10 |
32.2 |
|
40~100 |
40 |
495 |
150 |
210 |
256 |
200 |
15 |
23 |
37.96 |
84 |
193 |
248 |
160 |
142 |
65 |
60 |
40 |
44.5 |
10 |
47.7 | |
|
120~200 |
50 |
670 |
170 |
265 |
330 |
230 |
19 |
30 |
51 |
122 |
193 |
310 |
212 |
~ |
80 |
75 |
50 |
56 |
14 |
63.4 | |
|
2.2KW |
5~10 |
32 |
470 |
130 |
170 |
210 |
160 |
13 |
18 |
30.22 |
70 |
193 |
210 |
138.5 |
142 |
55 |
50 |
32 |
36.5 |
10 |
35.2 |
|
15~60 |
40 |
525 |
150 |
210 |
256 |
200 |
15 |
23 |
37.96 |
84 |
193 |
248 |
160 |
142 |
65 |
60 |
40 |
44.5 |
10 |
49.1 | |
|
75~100 |
50 |
580 |
170 |
265 |
330 |
230 |
19 |
30 |
51 |
122 |
193 |
310 |
212 |
~ |
80 |
75 |
50 |
56 |
14 |
58.3 | |
|
3.7KW |
5~20 |
40 |
540 |
150 |
210 |
256 |
200 |
15 |
23 |
37.96 |
84 |
236 |
248 |
160 |
190 |
65 |
60 |
40 |
44.5 |
10 |
55.2 |
|
25~60 |
50 |
600 |
170 |
265 |
330 |
230 |
19 |
30 |
51 |
122 |
236 |
310 |
212 |
190 |
80 |
75 |
50 |
56 |
14 |
63.4 | |
1、 紅色為輕扭力機型。
2、 40-50筒齒箱上附加O型吊環(高度約50mm)。
臺灣ZL、ZF小型齒輪減速電機三相立式外形安裝尺寸

|
功率
KW |
減速比 |
框號 |
A |
D |
E |
X |
F |
G |
H |
L |
J |
K |
M |
Y |
Z |
出力軸端 |
重量
Kg |
備注 | ||||
|
P |
Q |
S |
T |
W | ||||||||||||||||||
|
0.1
KW |
5~50 |
18 |
255 |
50 |
140 |
99 |
120 |
120 |
9 |
8 |
15.98 |
40 |
126 |
5 |
116 |
30 |
27 |
18 |
20 |
5 |
5.5 |
A1法蘭 |
|
60~200 |
22 |
287 |
148 |
185 |
131 |
176 |
165 |
11 |
10 |
17.66 |
50 |
126 |
3.5 |
116 |
40 |
35 |
22 |
25 |
7 |
7.3 |
A2法蘭 | |
|
250~1800 |
22 |
357 |
148 |
185 |
131 |
176 |
165 |
11 |
10 |
17.66 |
50 |
126 |
3.5 |
116 |
40 |
35 |
22 |
25 |
7 |
9.2 |
A2法蘭 | |
|
250~1800 |
28 |
385 |
170 |
220 |
155 |
205 |
195 |
φ11
*14L |
9 |
23.11 |
60 |
126 |
4 |
116 |
45 |
40 |
28 |
31 |
7 |
11.9 |
A2法蘭 | |
|
0.2KW |
5~10 |
18 |
290 |
50 |
140 |
99 |
120 |
120 |
9 |
8 |
15.95 |
40 |
126 |
5 |
116 |
30 |
27 |
18 |
20 |
5 |
6.5 |
A1法蘭 |
|
12.5~25 |
18 |
290 |
50 |
140 |
99 |
120 |
120 |
9 |
8 |
15.98 |
40 |
126 |
5 |
116 |
30 |
27 |
18 |
20 |
5 |
6.5 |
A1法蘭 | |
|
12.5~90 |
22 |
320 |
148 |
185 |
131 |
176 |
165 |
11 |
10 |
17.66 |
50 |
126 |
3.5 |
116 |
40 |
35 |
22 |
25 |
7 |
8.3 |
A2法蘭 | |
|
100~200 |
28 |
352 |
170 |
220 |
155 |
205 |
195 |
φ11
*14L |
9 |
23.11 |
60 |
126 |
4 |
116 |
45 |
40 |
28 |
31 |
7 |
11.7 |
A2法蘭 | |
|
250~1800 |
28 |
419 |
170 |
220 |
155 |
205 |
195 |
φ11
*14L |
9 |
23.11 |
60 |
126 |
4 |
116 |
45 |
40 |
28 |
31 |
7 |
12.8 |
A2法蘭 | |
|
250~1800 |
32 |
469 |
185 |
255 |
180 |
241 |
225 |
15 |
10 |
30.22 |
70 |
126 |
4 |
116 |
55 |
50 |
32 |
36.5 |
10 |
25.2 |
A2法蘭 | |
|
0.4KW |
5~10 |
22 |
340 |
148 |
185 |
131 |
176 |
165 |
11 |
10 |
17.66 |
50 |
160 |
3.5 |
131 |
40 |
35 |
22 |
25 |
7 |
11 |
A2法蘭 |
|
12.5~25 |
22 |
340 |
148 |
185 |
131 |
179 |
165 |
11 |
10 |
17.66 |
50 |
160 |
3.5 |
131 |
40 |
35 |
22 |
25 |
7 |
11 |
A2法蘭 | |
|
12.5~90 |
28 |
372 |
170 |
220 |
155 |
205 |
195 |
φ11
*14L |
9 |
23.11 |
60 |
160 |
4 |
131 |
45 |
40 |
28 |
31 |
7 |
13.4 |
A2法蘭 | |
|
100~200 |
32 |
408 |
185 |
255 |
180 |
241 |
225 |
15 |
10 |
30.22 |
70 |
160 |
4 |
131 |
55 |
50 |
32 |
36.5 |
10 |
24.4 |
A2法蘭 | |
|
250~1800 |
32 |
489 |
185 |
255 |
180 |
241 |
225 |
15 |
10 |
30.22 |
70 |
160 |
4 |
131 |
55 |
50 |
32 |
36.5 |
10 |
26.8 |
A2法蘭 | |
|
250~1800 |
40 |
564 |
230 |
310 |
219 |
297 |
268 |
15 |
13 |
37.96 |
77 |
160 |
5 |
|
65 |
60 |
40 |
44.5 |
10 |
45.6 |
A2法蘭 | |
|
0.75KW |
5~25 |
28 |
390 |
170 |
215 |
155 |
205 |
195 |
φ11
*14L |
9 |
23.11 |
60 |
160 |
4 |
131 |
45 |
40 |
28 |
31 |
7 |
15.1 |
A2法蘭 |
|
30~100 |
32 |
425 |
185 |
255 |
180 |
241 |
225 |
15 |
10 |
30.22 |
70 |
160 |
4 |
131 |
55 |
50 |
32 |
36.5 |
10 |
26.9 |
A2法蘭 | |
|
120~200 |
40 |
480 |
230 |
310 |
219 |
297 |
268 |
15 |
13 |
37.96 |
77 |
160 |
5 |
|
65 |
60 |
40 |
44.5 |
10 |
45.6 |
A2法蘭 | |
|
250~1800 |
40 |
580 |
170 |
310 |
219 |
297 |
268 |
15 |
13 |
37.96 |
77 |
160 |
5 |
|
65 |
60 |
40 |
44.5 |
10 |
48.1 |
A2法蘭 | |
|
250~1800 |
50 |
631 |
185 |
390 |
295 |
360 |
330 |
19 |
15 |
51 |
97 |
160 |
5 |
|
80 |
75 |
50 |
56 |
14 |
61.3 |
A2法蘭 | |
|
1.5KW |
5~30 |
32 |
440 |
230 |
255 |
180 |
241 |
225 |
15 |
10 |
30.22 |
70 |
193 |
4 |
142 |
55 |
50 |
32 |
36.5 |
10 |
31.2 |
A2法蘭 |
|
40~100 |
40 |
495 |
230 |
310 |
219 |
297 |
268 |
15 |
13 |
37.96 |
77 |
193 |
5 |
142 |
65 |
60 |
40 |
44.5 |
10 |
49.3 |
A2法蘭 | |
|
120~200 |
50 |
550 |
280 |
390 |
295 |
360 |
330 |
19 |
15 |
51 |
97 |
193 |
5 |
|
80 |
75 |
50 |
56 |
14 |
64.2 |
A2法蘭 | |
|
2.2KW |
5~10 |
32 |
470 |
185 |
255 |
180 |
241 |
225 |
15 |
10 |
30.22 |
70 |
193 |
4 |
142 |
55 |
50 |
32 |
36.5 |
10 |
34.2 |
A2法蘭 |
|
15~60 |
40 |
525 |
230 |
310 |
219 |
297 |
268 |
15 |
13 |
37.96 |
77 |
193 |
5 |
142 |
65 |
60 |
40 |
44.5 |
10 |
50.8 |
A2法蘭 | |
|
75~100 |
50 |
580 |
280 |
390 |
295 |
360 |
330 |
19 |
15 |
51 |
97 |
193 |
5 |
|
80 |
75 |
50 |
56 |
14 |
59.6 |
A2法蘭 | |
|
3.7KW |
5~20 |
40 |
540 |
230 |
310 |
219 |
297 |
268 |
15 |
13 |
37.96 |
77 |
236 |
5 |
190 |
65 |
60 |
40 |
44.5 |
10 |
56.5 |
A2法蘭 |
|
25~60 |
50 |
600 |
280 |
390 |
265 |
360 |
330 |
19 |
15 |
51 |
97 |
236 |
5 |
190 |
80 |
75 |
50 |
56 |
14 |
64.7 |
A2法蘭 | |
1、 紅色為輕扭力機型。
2、 40-50筒齒箱上附加O型吊環(高度約50mm)。
臺灣ZL、ZF小型齒輪減速電機單相臥式外形安裝尺寸

|
功率KW |
減速比 |
框號 |
A |
D |
E |
F |
G |
H |
L |
J |
K |
M |
X1 |
X |
Y |
Z |
出力軸端 |
重量
Kg | ||||
|
P |
Q |
S |
T |
W | ||||||||||||||||||
|
0.1KW |
5~50 |
18 |
255 |
40 |
110 |
135 |
65 |
9 |
10 |
15.98 |
50 |
126 |
|
127 |
85 |
116 |
30 |
27 |
18 |
20 |
5 |
5.6 |
|
60~200 |
22 |
287 |
65 |
130 |
155 |
90 |
11 |
12 |
17.66 |
60 |
126 |
|
145 |
90 |
116 |
40 |
35 |
22 |
25 |
7 |
7.0 | |
|
250~1800 |
22 |
357 |
65 |
130 |
155 |
90 |
11 |
12 |
17.66 |
60 |
126 |
|
145 |
90 |
116 |
40 |
35 |
22 |
25 |
7 |
8.9 | |
|
250~1800 |
28 |
385 |
90 |
140 |
170 |
120 |
11 |
15 |
23.11 |
70 |
126 |
|
170 |
110 |
116 |
45 |
40 |
28 |
31 |
7 |
11.6 | |
|
0.2KW |
5~10 |
18 |
290 |
40 |
110 |
135 |
65 |
9 |
10 |
15.98 |
50 |
126 |
|
127 |
85 |
116 |
30 |
27 |
18 |
20 |
5 |
6.4 |
|
12.5~25 |
18 |
290 |
40 |
110 |
135 |
65 |
9 |
10 |
15.98 |
50 |
126 |
|
127 |
85 |
116 |
30 |
27 |
18 |
20 |
5 |
6.4 | |
|
12.5~90 |
22 |
320 |
65 |
130 |
155 |
90 |
11 |
12 |
17.66 |
60 |
126 |
|
145 |
90 |
116 |
40 |
35 |
22 |
25 |
7 |
7.9 | |
|
100~200 |
28 |
352 |
90 |
140 |
170 |
120 |
11 |
15 |
23.11 |
70 |
126 |
|
170 |
110 |
116 |
45 |
40 |
28 |
31 |
7 |
10.3 | |
|
250~1800 |
28 |
419 |
90 |
140 |
170 |
120 |
11 |
15 |
23.11 |
70 |
126 |
|
170 |
110 |
116 |
45 |
40 |
28 |
31 |
7 |
12.4 | |
|
250~1800 |
32 |
469 |
130 |
170 |
210 |
160 |
13 |
18 |
30.22 |
70 |
126 |
|
210 |
138.5 |
116 |
55 |
50 |
32 |
36.5 |
10 |
24.6 | |
|
0.4KW |
5~10 |
22 |
350 |
65 |
130 |
155 |
90 |
11 |
12 |
17.66 |
60 |
160 |
195 |
145 |
90 |
131 |
40 |
35 |
22 |
25 |
7 |
12.6 |
|
12.5~25 |
22 |
350 |
65 |
130 |
155 |
90 |
11 |
12 |
17.66 |
60 |
160 |
195 |
145 |
90 |
131 |
40 |
35 |
22 |
25 |
7 |
12.6 | |
|
12.5~90 |
28 |
380 |
90 |
140 |
170 |
120 |
11 |
15 |
23.11 |
70 |
160 |
210 |
170 |
110 |
131 |
45 |
40 |
28 |
31 |
7 |
15.0 | |
|
100~200 |
32 |
415 |
130 |
170 |
210 |
160 |
13 |
18 |
30.22 |
70 |
160 |
222 |
210 |
138.5 |
131 |
55 |
50 |
32 |
36.5 |
10 |
27.2 | |
|
250~1800 |
32 |
496 |
130 |
170 |
210 |
160 |
13 |
18 |
30.22 |
70 |
160 |
|
210 |
138.5 |
131 |
55 |
50 |
32 |
36.5 |
10 |
29.6 | |
|
250~1800 |
40 |
569 |
150 |
210 |
265 |
200 |
15 |
23 |
37.96 |
84 |
160 |
|
248 |
160 |
131 |
65 |
60 |
40 |
44.5 |
10 |
47.2 | |
1、 紅色為輕扭力機型。
2、 40-50筒齒箱上附加O型吊環(高度約50mm)。
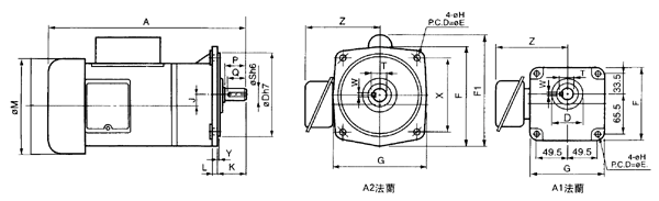
臺灣ZL、ZF小型齒輪減速電機單相立式外形安裝尺寸

|
功率KW |
減速比 |
框號 |
A |
D |
E |
X |
F |
F1 |
G |
H |
L |
J |
K |
M |
Y |
Z |
出力軸端 |
重量Kg |
備注 | ||||
|
P |
Q |
S |
T |
W | |||||||||||||||||||
|
0.1KW |
5~50 |
18 |
255 |
50 |
140 |
99 |
120 |
|
20 |
9 |
8 |
15.98 |
40 |
126 |
5 |
116 |
30 |
27 |
18 |
20 |
5 |
5.5 |
A1法蘭 |
|
60~200 |
22 |
287 |
148 |
185 |
131 |
176 |
|
165 |
11 |
10 |
17.66 |
50 |
126 |
3.5 |
116 |
40 |
35 |
22 |
25 |
7 |
7.3 |
A2法蘭 | |
|
250-1800 |
22 |
357 |
148 |
185 |
131 |
176 |
|
165 |
11 |
10 |
17.66 |
50 |
126 |
3.5 |
116 |
40 |
35 |
22 |
25 |
7 |
9.2 |
A2法蘭 | |
|
250~1800 |
28 |
385 |
170 |
220 |
155 |
205 |
|
195 |
φ11
*14L |
9 |
23.11 |
60 |
126 |
4 |
116 |
45 |
40 |
28 |
31 |
7 |
11.9 |
A2法蘭 | |
|
0.2KW |
5~10 |
18 |
290 |
50 |
140 |
99 |
120 |
|
120 |
9 |
8 |
15.98 |
40 |
126 |
5 |
116 |
30 |
27 |
18 |
20 |
5 |
6.5 |
A1法蘭 |
|
12.5~25 |
18 |
290 |
50 |
140 |
99 |
120 |
|
120 |
9 |
8 |
15.98 |
40 |
126 |
5 |
116 |
30 |
27 |
18 |
20 |
5 |
6.5 |
A1法蘭 | |
|
12.5~90 |
22 |
320 |
148 |
185 |
131 |
176 |
|
165 |
11 |
10 |
17.66 |
50 |
126 |
3.5 |
116 |
40 |
35 |
22 |
25 |
7 |
8.3 |
A2法蘭 | |
|
100~200 |
28 |
352 |
170 |
220 |
155 |
205 |
|
195 |
φ11
*14L |
9 |
23.11 |
60 |
126 |
4 |
116 |
45 |
40 |
28 |
31 |
7 |
11.7 |
A2法蘭 | |
|
250~1800 |
28 |
419 |
170 |
220 |
155 |
205 |
|
195 |
φ11 |
9 |
23.11 |
60 |
126 |
4 |
116 |
45 |
40 |
28 |
31 |
7 |
12.8 |
A2法蘭 | |
|
250~1800 |
32 |
469 |
185 |
255 |
180 |
241 |
|
225 |
15 |
10 |
30.22 |
70 |
126 |
4 |
116 |
55 |
50 |
32 |
36.5 |
10 |
25.2 |
A2法蘭 | |
|
0.4KW |
5~10 |
22 |
347 |
148 |
185 |
99 |
176 |
195 |
165 |
11 |
10 |
17.66 |
50 |
160 |
3.5 |
131 |
40 |
35 |
22 |
25 |
7 |
11 |
A2法蘭 |
|
12.5~25 |
22 |
347 |
148 |
185 |
131 |
195 |
195 |
165 |
11 |
10 |
17.66 |
50 |
160 |
3.5 |
131 |
40 |
35 |
22 |
25 |
7 |
11 |
A2法蘭 | |
|
12.5~90 |
28 |
380 |
170 |
220 |
155 |
205 |
|
195 |
φ11
*14L |
9 |
23.11 |
60 |
160 |
4 |
131 |
45 |
40 |
28 |
31 |
7 |
13.4 |
A2法蘭 | |
|
100~200 |
32 |
415 |
185 |
255 |
180 |
241 |
|
225 |
15 |
10 |
30.22 |
70 |
160 |
4 |
131 |
55 |
50 |
32 |
36.5 |
10 |
24.4 |
A2法蘭 | |
|
250~1800 |
32 |
496 |
185 |
255 |
180 |
241 |
|
225 |
15 |
10 |
30.22 |
70 |
160 |
4 |
131 |
55 |
50 |
32 |
36.5 |
10 |
26.8 |
A2法蘭 | |
|
250~1800 |
40 |
569 |
230 |
310 |
219 |
297 |
|
268 |
15 |
13 |
37.96 |
77 |
160 |
5 |
|
65 |
60 |
40 |
44.5 |
10 |
47.4 |
A2法蘭 | |
1、 紅色為輕扭力機型。
2、 40-50筒齒箱上附加O型吊環(高度約50mm)。
臺灣ZL、ZF小型齒輪減速電機接線圖

標準馬達規范表
|
項目 |
三相齒輪減速電機 |
單相齒輪減速電機 | |
|
減速機 |
潤滑油 |
高溫不滴點極壓黃油BT-860-0 | |
|
外殼材質 |
齒輪箱框號18、22、28型,鋁合金壓鑄,齒輪箱框號32、40型;鑄鐵翻砂FC20 | ||
|
電機 |
電源 |
2208380V-50/60Hz |
110/220V-60Hz、110/200V-50Hz |
|
保護 |
全密閉外扇型 |
110W-200W半閉防滴保護型
400-1500W全閉型外扇型 | |
|
外殼材質 |
鋁合金 | ||
|
啟動方式 |
全壓直接啟動 |
0.1-0.4kw電容運轉 | |
|
絕緣 |
E極絕緣 | ||
|
特性 |
依據國際電工委員會IEC-34,中國國家標準CNS-101919 | ||
|
煞車 |
制運方式 |
無激磁式制動剎車(斷電剎車) | |
|
使用電壓 |
DC90V-110V附AC220VAC110V整流器 | ||
|
調整間隙 |
規定值0.3 |
限界值0.7 | |
|
適用環境 |
溫度 濕度 |
溫度:-5℃ TO+40℃
濕度:90%以下<不能凝結> | |
三相電壓全負載電流值
|
輸出馬力 |
50Hz-4P |
60Hz | ||||||||
|
220V |
380V |
415V |
440V |
RPM |
220V |
380V |
440V |
460V |
RPV | |
|
100W |
0.69 |
0.40 |
0.36 |
0.34 |
1320 |
0.6 |
0.34 |
0.30 |
0.28 |
1630 |
|
200W |
1.15 |
0.67 |
0.61 |
0.57 |
1340 |
1.1 |
0.63 |
0.55 |
0.52 |
1650 |
|
400W |
2.13 |
1.24 |
1.13 |
1.07 |
1370 |
1.9 |
1.09 |
0.95 |
0.90 |
1680 |
|
750W |
3.66 |
2.13 |
1.95 |
1.83 |
1400 |
3.4 |
1.96 |
1.70 |
1.62 |
1710 |
|
1500 |
6.58 |
3.82 |
3.49 |
3.29 |
1400 |
6.1 |
3.53 |
3.05 |
2.91 |
1720 |
|
2200W |
8.94 |
5.18 |
4.74 |
4.47 |
1430 |
8.7 |
5.03 |
4.35 |
4.16 |
1735 |
|
3700W |
13.85 |
8.03 |
7.35 |
6.93 |
1450 |
13.5 |
7.81 |
6.75 |
6.45 |
1745 |
單相電壓全負載流值
|
輸出馬力 |
50Hz-4P |
60Hz | ||||
|
110V |
220V |
RPV |
110V |
220V |
RPV | |
|
100W |
2.60 |
1.30 |
1320 |
2.40 |
1.20 |
1630 |
|
200W |
5.00 |
2.50 |
1340 |
3.20 |
1.60 |
1650 |
|
400W |
8.40 |
4.20 |
1370 |
6.00 |
3.00 |
1680 |
| 頁次:1/1 每頁10條 共8條信息 分頁:[1] |
