產品展示
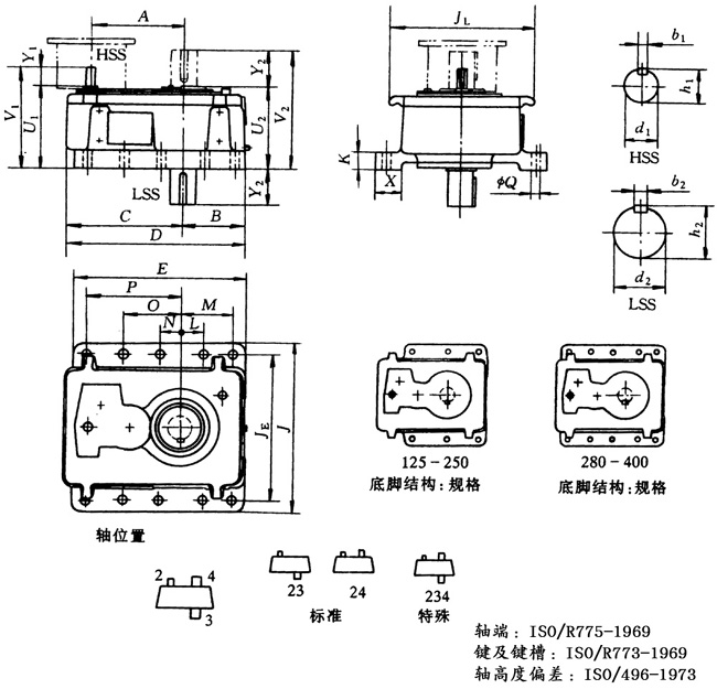
3PC125N~400N型三級斜齒輪減速器
此類減速器見下表。

外形尺寸
減速器型號 |
減速箱尺寸/mm | |||||||||||||||
A |
B |
C |
D |
E |
J |
JE |
JL |
K |
L |
M |
N |
O |
P |
Q×PCS |
X | |
3PC125N |
225 |
155 |
310 |
465 |
310 |
460 |
400 |
420 |
48 |
- |
125 |
- |
- |
125 |
18.5×4 |
66 |
3PC160N
3PC200N |
285
360 |
200
255 |
385
470 |
585
725 |
400
510 |
560
680 |
490
580 |
516
570 |
60
76 |
-
- |
160
200 |
-
- |
-
- |
160
200 |
24×4
35×4 |
78
105 |
3PC225N
3PC250N |
405
450 |
275
305 |
514
572 |
789
877 |
550
610 |
724
820 |
620
700 |
605
706 |
84
94 |
-
- |
225
250 |
-
0 |
-
- |
225
250 |
42×4
42×6 |
108
130 |
3PC280N
3PC315N |
505
565 |
350
385 |
636
710 |
986
1095 |
940
1050 |
940
1020 |
810
890 |
790
888 |
105
111 |
-
- |
280
315 |
120
140 |
-
- |
520
595 |
48×6
48×6 |
148
150 |
3PC355N
3PC400N |
635
750 |
432
466 |
801
955 |
1233
1421 |
1208
1332 |
1112
1162 |
980
1030 |
1008
1040 |
117
123 |
-
100 |
355
400 |
0
200 |
355
500 |
710
800 |
48×8
48×10 |
152
155 |
減速器型號 |
軸尺寸/mm |
重量/kg |
油量/L | ||||||||||||||||
輸入軸 |
輸出軸 | ||||||||||||||||||
21<i≤47 |
47<i≤95 | ||||||||||||||||||
U1 |
Y1 |
V1 |
d1 |
b1 |
h1 |
Y1 |
V1 |
d1 |
b1 |
h1 |
U2 |
Y2 |
V2 |
d2 |
b2 |
h2 | |||
3PC125N |
256 |
50 |
306 |
22k6 |
6h9 |
24.5 |
50 |
306 |
20k6 |
6h9 |
22.5 |
260 |
105 |
365 |
60m6 |
18h9 |
64 |
129 |
13 |
3PC160N
3PC200N |
325
379 |
60
80 |
385
459 |
28k6
32k6 |
8h9
10h9 |
31
35 |
60
80 |
385
459 |
25k6
30k6 |
8h9
8h9 |
28
33 |
330
380 |
105
130 |
435
510 |
75m6
95m6 |
20h9
25h9 |
79.5
100 |
230
380 |
25
51 |
3PC225N
3PC250N |
419
463 |
80
110 |
499
573 |
35k6
40k6 |
10h9
12h9 |
38
43 |
80
80 |
499
543 |
32k6
35k6 |
10h9
10h9 |
35
38 |
420
470 |
165
165 |
585
635 |
110m6
120m6 |
28h9
32h9 |
116
127 |
560
870 |
69
94 |
3PC280N
3PC315N |
450
510 |
110
110 |
560
620 |
45k6
55m6 |
14h9
16h9 |
48.5
59 |
80
110 |
530
620 |
38k6
45k6 |
10h9
14h9 |
41
48.5 |
455
510 |
200
200 |
655
710 |
140m6
150m6 |
36h9
36h9 |
148
158 |
1200
1400 |
98
137 |
3PC355N
3PC400N |
555
630 |
140
140 |
695
770 |
65m6
70m6 |
18h9
20h9 |
69
74.5 |
110
140 |
665
770 |
55m6
60m6 |
16h9
18h9 |
59
64 |
560
630 |
240
280 |
800
910 |
170m6
190m6 |
40h9
45h9 |
179
200 |
1500
1670 |
186
210 |
額定機械功率
減速機型號 |
n1/(r/min) |
額定機械功率PN1/kW | |||||||||||||
公稱傳動比iN | |||||||||||||||
22.5 |
25.0 |
28.0 |
31.5 |
35.5 |
40.0 |
45.0 |
50.0 |
56.0 |
63.0 |
71.0 |
80.0 |
90.0 |
100.0 | ||
3PC125N |
1800
1500
1200
1000 |
18.0+
15.0+
12.1+
10.1+ |
16.3+
13.7+
11.0+
9.19+ |
15.3+
12.8+
10.3+
8.61+ |
13.4+
11.2+
9.03+
7.55+ |
11.7+
9.83+
7.90+
6.60+ |
11.2+
9.40+
7.55+
6.31+ |
10.6+
8.85+
7.10+
5.93+ |
9.02+
7.54+
6.05+
5.05+ |
8.75+
7.31+
5.87+
4.90+ |
7.97+
6.69+
5.39+
4.52+ |
6.90+
5.79+
4.66+
3.91+ |
5.41+
4.52+
3.64+
3.06+ |
3.44+
2.88+
2.32+
1.95+ |
-
-
-
- |
3PC160N |
1800
1500
1200
1000 |
46.7+
39.4+
31.6+
26.4+ |
43.1+
36.2+
29.0+
24.2+ |
39.6+
34.1+
27.3+
22.8+ |
36.6+
30.9+
24.7+
20.6+ |
32.7+
27.3+
21.8+
18.2+ |
24.3+
20.3+
16.2+
13.5+ |
24.0+
20.1+
16.2+
13.6+ |
21.1+
17.7+
14.2+
11.9+ |
17.5+
14.6+
11.7+
9.83+ |
14.3+
11.9+
9.60+
8.05+ |
13.5+
11.3+
9.11+
7.61+ |
11.6+
9.65+
7.79+
6.53+ |
9.86+
8.25+
6.65+
5.58+ |
-
-
-
- |
3PC200N |
1800
1500
1200
1000 |
76.7+
64.2+
51.6+
43.1+ |
74.0+
62.0+
49.8+
41.6+ |
68.0+
56.9+
45.7+
38.2+ |
64.7+
54.2+
43.5+
36.4+ |
58.7+
49.1+
39.4+
32.9+ |
57.6+
48.2+
38.7+
32.3+ |
48.9+
41.9+
34.3+
28.7+ |
36.4+
30.5+
24.5+
20.4+ |
36.0+
30.1+
24.2+
20.2+ |
32.4+
27.1+
21.7+
18.2+ |
29.7+
24.8+
19.9+
16.6+ |
26.9+
22.5+
18.2+
15.2+ |
20.6+
17.3+
13.9+
11.7+ |
-
-
-
- |
3PC225N |
1800
1500
1200
1000 |
98.6+
86.8+
74.2+
62.4+ |
98.6+
86.8+
72.5+
60.7+ |
91.4+
80.4+
66.0+
55.1+ |
91.4+
79.0+
63.5+
53.1+ |
81.9+
68.5+
55.0+
45.9+ |
81.6+
68.2+
54.8+
45.8+ |
68.7+
57.4+
46.0+
38.4+ |
56.3+
47.1+
37.8+
31.6+ |
55.3+
46.1+
36.9+
31.0+ |
46.0+
38.5+
30.9+
25.8+ |
39.7+
33.2+
26.8+
22.4+ |
37.0+
31.0+
25.0+
20.9+ |
33.6+
28.1+
22.7+
19.0+ |
-
-
-
- |
3PC250N |
1800
1500
1200
1000 |
148
124+
99.8+
83.4+ |
168
140+
113+
94.4+ |
159
140+
116+
97.3+ |
141
118+
94.3+
78.6+ |
120+
101+
80.9+
67.6+ |
106+
88.2+
70.8+
59.2+ |
105+
88.1+
70.8+
59.2+ |
94.7+
79.4+
63.9+
53.4+ |
77.9+
74.4+
60.0+
50.3+ |
77.3+
64.8+
52.2+
43.8+ |
69.7+
58.4+
47.1+
39.5+ |
62.6+
52.4+
42.3+
35.4+ |
56.1+
48.1+
39.9+
34.3+ |
-
-
-
- |
3PC280N |
1800
1500
1200
1000 |
245
216
176+
147+ |
245
216
173+
144+ |
222
186+
149+
125+ |
188
157+
126+
105+ |
171
142+
114+
95.1+ |
152+
127+
102+
85.1+ |
144+
120+
96.4+
80.6+ |
129+
108+
86.5+
72.5+ |
123+
103+
82.3+
68.6+ |
111+
92.7+
74.2+
61.8+ |
94.2+
78.9+
63.4+
52.9+ |
90.4+
75.3+
60.2+
50.2+ |
81.4+
68.3+
55.0+
46.1+ |
-
-
-
- |
3PC315N |
1800
1500
1200
1000 |
395
334
269+
225+ |
348
290
233+
194+ |
316
264
211+
176+ |
282
235
189+
157+ |
255
213
170+
142+ |
226
189+
151+
126+ |
237
204+
170+
143+ |
205
172+
138+
116+ |
177
148+
134+
113+ |
171
147+
122+
102+ |
157+
134+
108+
90.0+ |
134+
112+
90.8+
76.2+ |
105+
88.1+
71.0+
59.5+ |
-
-
-
- |
3PC355N |
1800
1500
1200
1000 |
581
505
407
339+ |
519
433
347
290+ |
469
392
314+
262+ |
421
351
282+
235+ |
375
313
251+
209+ |
340
283
227+
190+ |
327
273
219+
183+ |
284
237+
190+
159+ |
254
212+
170+
143+ |
230
192+
155+
130+ |
206
172+
139+
117+ |
182
153+
123+
103+ |
159
132+
106+
88.1+ |
-
-
-
- |
3PC400N |
1800
1500
1200
1000 |
714
602
485
406+ |
656
567
474
410+ |
598
517
433
375+ |
543
459
368
307+ |
504
421
337
281+ |
438
366
293+
245+ |
408
352
295+
255+ |
373
322
270+
234+ |
345
295+
237+
199+ |
316
274+
229+
191+ |
285
246+
205+
178+ |
256
220+
177+
149+ |
243
209+
168+
141+ |
-
-
-
- |
注:1、功率:功率為額定值,使用系數FS=1.0。也制造功率大的減速器。
2、潤滑:除根據齒輪圓周速度需要用壓力潤滑或浸油潤滑之外,用飛濺潤滑,額定功率大于500kW時,減速器總是用壓力潤滑。
3、冷卻:如果實際傳遞的機械功率大于熱功率需要用人工冷卻。
4、*表示要求壓力潤滑,+表示要求浸油潤滑。
熱功率
減速器型號 |
熱功率/kW | |
PTN
19<i≤42 |
PTN
42<i≤106 | |
3PC125N |
25 |
27 |
3PC160N
3PC200N |
40
55 |
43
60 |
3PC225N
3PC250N |
66
83 |
72
91 |
3PC280N
3PC315N |
99
124 |
108
135 |
3PC355N
3PC400N |
155
197 |
169
215 |
注:PTN=環境溫度20℃時額定熱功率。
精確傳動比
減速器
型號 |
精確傳動比iex | |||||||||||||
22.5 |
25.0 |
28.0 |
31.5 |
35.5 |
40.0 |
45.0 |
50.0 |
56.0 |
63.0 |
71.0 |
80.0 |
90.0 |
100.0 | |
3PC125N
3PC160N
3PC200N
3PC225N
3PC250N
3PC280N
3PC315N
3PC355N
3PC400N |
22.341
22.141
22.652
22.764
22.407
22.190
23.351
23.205
22.307 |
25.074
24.751
25.005
25.232
25.271
24.308
26.248
25.769
24.828 |
28.250
27.565
27.744
28.101
28.873
27.602
28.954
28.533
27.669 |
31.724
30.437
31.156
31.720
31.913
31.792
32.123
31.665
31.358 |
34.814
34.482
34.280
35.025
35.648
35.093
35.606
35.713
34.352 |
39.441
38.944
39.483
38.858
39.537
39.409
40.190
39.472
39.566 |
43.443
43.179
44.086
43.693
43.102
44.792
44.640
43.235
44.792 |
49.983
49.348
51.115
49.347
49.510
50.013
50.195
49.949
50.000 |
57.415
55.733
57.058
55.100
57.328
56.682
56.925
55.882
55.208 |
63.939
64.020
62.664
63.292
66.230
63.273
63.561
65.370
61.644 |
71.190
69.046
69.864
70.470
73.740
71.040
70.484
73.135
70.891 |
81.360
79.312
77.141
78.145
82.500
78.440
79.043
81.429
80.669 |
90.894
88.306
86.611
87.635
90.335
87.156
88.609
90.476
87.229 |
-
-
-
-
-
-
-
-
- |
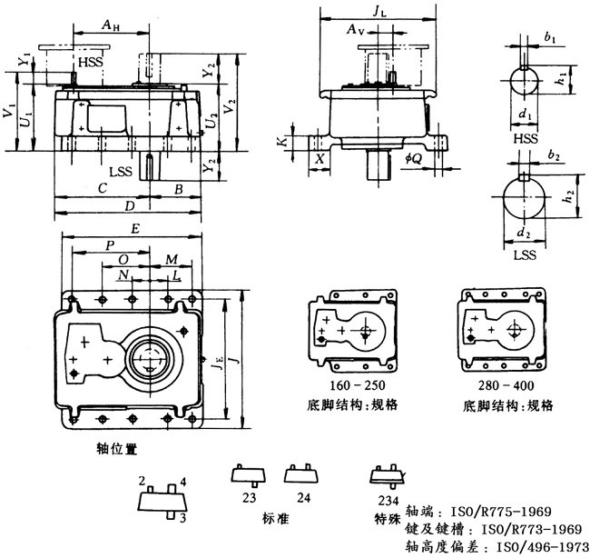
4PC160N~400N型四級斜齒輪減速器
此類減速器見下表。

外形尺寸
減速器型號 |
減速箱尺寸/mm | ||||||||||||||||
AH |
AV |
B |
C |
D |
E |
J |
JE |
JL |
K |
L |
M |
N |
O |
P |
Q×PCS |
X | |
4PC160N
4PC200N |
285
360 |
80
80 |
200
255 |
385
470 |
585
725 |
400
510 |
560
680 |
490
580 |
516
570 |
60
76 |
-
- |
160
200 |
-
- |
-
- |
160
200 |
24×4
35×4 |
78
105 |
4PC225N
4PC250N |
405
450 |
80
90 |
275
305 |
514
572 |
789
877 |
550
610 |
724
820 |
620
700 |
605
706 |
84
94 |
-
- |
225
250 |
-
0 |
-
- |
225
250 |
42×4
42×6 |
108
130 |
4PC280N
4PC315N |
505
565 |
100
110 |
350
385 |
636
710 |
986
1095 |
940
1050 |
940
1020 |
810
890 |
790
888 |
105
111 |
-
- |
280
315 |
120
140 |
-
- |
520
595 |
48×6
48×6 |
148
150 |
4PC355N
4PC400N |
635
785 |
125
135.6 |
432
466 |
801
955 |
1233
1421 |
1208
1332 |
1112
1162 |
980
1030 |
1008
1044 |
117
123 |
-
100 |
355
400 |
0
200 |
355
500 |
710
800 |
48×8
48×10 |
152
155 |
減速器型號 |
軸尺寸/mm |
重量/kg |
油量/L | |||||||||||
輸入軸 |
輸出軸 | |||||||||||||
U1 |
Y1 |
V1 |
d1 |
b1 |
h1 |
U2 |
Y2 |
V2 |
d2 |
b2 |
h2 | |||
4PC160N
4PC200N |
325
379 |
50
60 |
375
439 |
20k6
25k6 |
6h9
8h9 |
22.5
28 |
330
380 |
105
130 |
435
510 |
75m6
95m6 |
20h9
25h9 |
79.5
100 |
232
385 |
24
50 |
4PC225N
4PC250N |
419
463 |
60
80 |
479
543 |
28k6
30k6 |
8h9
8h9 |
31
33 |
420
470 |
165
165 |
585
635 |
110m6
120m6 |
28h9
32h9 |
116
127 |
560
880 |
68
93 |
4PC280N
4PC315N |
450
510 |
80
80 |
530
590 |
32k6
35k6 |
10h9
10h9 |
35
38 |
455
510 |
200
200 |
655
710 |
140m6
150m6 |
36h9
36h9 |
148
158 |
1200
1400 |
96
135 |
4PC355N
4PC400N |
555
630 |
110
110 |
665
740 |
40k6
45k6 |
12h9
14h9 |
43
48.5 |
560
630 |
240
280 |
800
910 |
170m6
190m6 |
40h9
45h9 |
179
200 |
1520
1700 |
183
205 |
額定機械功率
減速器型號 |
n1/(r/min) |
額定機械功率PN1/kW | |||||||||||||
公稱傳動比iN | |||||||||||||||
100 |
112 |
125 |
140 |
160 |
180 |
200 |
225 |
250 |
280 |
315 |
355 |
400 |
450 | ||
4PC160N |
1800
1500
1200
1000 |
11.1+
9.34+
7.52+
6.31+ |
10.1+
8.45+
6.81+
5.71+ |
9.50+
7.97+
6.42+
5.38+ |
8.42+
7.06+
5.69+
4.77+ |
7.61+
6.38+
5.15+
4.31+ |
6.46+
5.42+
4.36+
3.66+ |
5.20+
4.36+
3.51+
2.94+ |
4.69+
3.93+
3.17+
2.66+ |
3.82+
3.20+
2.58+
2.16+ |
3.36+
2.82+
2.27+
1.90+ |
3.03+
2.54+
2.05+
1.72+ |
2.73+
2.28+
1.84+
1.54+ |
2.31+
1.94+
1.56+
1.31+ |
-
-
-
- |
4PC200N |
1800
1500
1200
1000 |
23.8+
19.9+
16.1+
13.5+ |
21.4+
17.9+
14.4+
12.1+ |
19.1+
16.0+
12.9+
10.8+ |
17.0+
14.3+
11.5+
9.62+ |
14.9+
12.5+
10.1+
8.41+ |
13.8+
11.5+
9.19+
7.70+ |
12.6+
10.5+
8.48+
7.11+ |
11.3+
9.47+
7.63+
6.39+ |
8.71+
7.27+
5.84+
4.90+ |
7.94+
6.65+
5.36+
4.49+ |
6.06+
5.08+
4.09+
3.43+ |
5.54+
4.64+
3.74+
3.14+ |
5.00+
4.19+
3.37+
2.83+ |
-
-
-
- |
4PC225N |
1800
1500
1200
1000 |
29.0+
25.5+
21.0+
17.5+ |
29.3+
25.1+
20.1+
16.8+ |
25.5+
21.3+
17.1+
14.3+ |
22.8+
19.1+
15.4+
12.9+ |
20.0+
16.8+
13.5+
11.3+ |
18.1+
15.2+
12.2+
10.3+ |
16.5+
13.8+
11.1+
9.34+ |
14.9+
12.5+
10.1+
8.45+ |
12.9+
10.8+
8.65+
7.25+ |
10.9+
9.08+
7.32+
6.14+ |
10.3+
8.64+
6.96+
5.83+ |
9.02+
7.56+
6.09+
5.11+ |
7.99+
6.68+
5.38+
4.51+ |
-
-
-
- |
4PC250N |
1800
1500
1200
1000 |
50.0+
41.8+
33.6+
28.1+ |
46.3+
38.8+
31.3+
26.2+ |
39.2+
32.8+
26.3+
22.0+ |
38.6+
32.3+
26.0+
21.7+ |
34.8+
29.1+
23.3+
19.5+ |
29.4+
24.7+
19.9+
16.6+ |
24.6+
20.6+
16.5+
13.8+ |
23.4+
19.6+
15.7+
13.2+ |
20.4+
17.1+
13.8+
11.6+ |
18.5+
15.5+
12.5+
10.5+ |
16.6+
14.0+
11.3+
9.45+ |
13.3+
11.1+
8.93+
7.47+ |
13.2+
11.1+
8.89+
7.43+ |
-
-
-
- |
4PC280N |
1800
1500
1200
1000 |
70.6+
58.8+
47.0+
39.2+ |
65.2+
57.4+
48.2+
40.3+ |
60.9+
53.6+
45.7+
38.1+ |
59.8+
49.8+
39.9+
33.2+ |
48.8+
40.8+
32.8+
27.4+ |
43.9+
36.7+
29.5+
24.6+ |
41.8+
34.8+
27.9+
23.2+ |
37.5+
31.2+
25.0+
20.8+ |
30.7+
25.6+
20.5+
18.6+ |
25.3+
21.0+
16.8+
14.0+ |
23.4+
19.5+
15.6+
13.0+ |
20.9+
17.4+
13.9+
11.6+ |
19.4+
16.2+
13.1+
11.0+ |
-
-
-
- |
4PC315N |
1800
1500
1200
1000 |
111
95.9+
78.2+
65.5+ |
99.5+
84.1+
67.5+
56.4+ |
91.3+
78.3+
64.6+
53.8+ |
85.6+
71.3+
57.1+
47.6+ |
75.8+
63.2+
50.6+
42.1+ |
59.8+
50.0+
40.2+
33.6+ |
58.5+
48.7+
39.0+
32.5+ |
49.4+
41.3+
33.1+
27.7+ |
43.1+
36.0+
29.0+
24.3+ |
41.5+
34.6+
27.7+
23.1+ |
38.4+
32.0+
25.6+
21.3+ |
34.6+
28.9+
23.1+
19.2+ |
25.1+
21.1+
17.0+
14.2+ |
-
-
-
- |
4PC355N |
1800
1500
1200
1000 |
166
143
115+
95.8+ |
150
127+
102+
84.9+ |
128+
108+
86.8+
72.5+ |
119+
100+
80.4+
67.1+ |
111+
92.5+
74.0+
61.7+ |
93.8+
78.5+
63.0+
52.6+ |
83.5+
69.6+
55.7+
46.4+ |
75.0+
62.5+
50.0+
41.7+ |
64.9+
54.1+
43.3+
36.1+ |
57.9+
48.2+
38.6+
32.1+ |
52.8+
44.0+
35.2+
29.4+ |
47.2+
39.4+
31.5+
26.2+ |
36.2+
30.2+
24.1+
20.1+ |
-
-
-
- |
4PC400N |
1800
1500
1200
1000 |
200
173
145+
126+ |
181
157+
132+
114+ |
177
153+
128+
107+ |
162+
140+
114+
95.3+ |
145+
124+
99.3+
82.7+ |
133+
111+
88.9+
74.1+ |
118+
98.0+
78.4+
65.4+ |
96.9+
81.0+
65.0+
54.3+ |
91.1+
75.9+
60.7+
50.6+ |
82.4+
68.7+
55.0+
45.8+ |
74.2+
61.8+
49.5+
41.2+ |
67.2+
56.0+
44.8+
37.3+ |
60.3+
50.6+
40.7+
34.1+ |
-
-
-
- |
注:1、功率:功率為額定值,使用系數FS=1.0。也制造功率大的減速器。
2、潤滑:不宜用飛濺潤滑和浸油潤滑時采用壓力潤滑。當用壓力潤滑時,上面軸承的潤滑用軸動泵或壓力潤滑裝置。當用飛濺潤滑時,建議上面軸承用壓力潤滑。
3、冷卻:如果實際傳遞的機械功率大于熱功率需要用人工冷卻。
4、*表示要求壓力潤滑,+表示要求浸油潤滑。
熱功率
減速器型號 |
熱功率PTN/kW
100<i≤450 |
減速器型號 |
熱功率PTN/kW
100<i≤450 |
4PC160N
4PC200N |
30
42 |
4PC280N
4PC315N |
74
93 |
4PC225N
4PC250N |
49
62 |
4PC355N
4PC400N |
116
148 |
注:PTN=環境溫度20℃時額定熱功率。
精確傳動比
減速器型號 |
精確傳動比iex | |||||||||||||
100 |
112 |
125 |
140 |
160 |
180 |
200 |
225 |
250 |
280 |
315 |
355 |
400 |
450 | |
4PC160N
4PC200N
4PC225N
4PC250N
4PC280N
4PC315N
4PC355N
4PC400N |
98.012
99.802
98.084
100.41
100.75
101.90
99.011
102.37 |
108.69
111.68
109.55
114.27
110.63
112.62
111.63
116.24 |
121.05
125.51
123.12
129.46
122.12
124.83
124.10
122.23 |
137.13
138.14
136.91
141.64
140.56
141.20
137.64
137.25 |
151.42
158.38
156.97
157.73
162.97
159.38
152.12
158.09 |
170.26
173.38
175.27
182.64
174.62
182.79
174.74
176.52 |
192.30
193.54
193.20
199.93
200.99
206.76
202.33
200.05 |
214.15
216.11
214.24
231.50
224.08
230.21
225.28
224.61 |
245.99
250.56
241.96
265.92
250.20
258.86
260.26
250.73 |
281.13
276.66
277.94
294.83
283.56
293.57
294.96
288.34 |
311.75
310.62
311.69
328.26
306.62
317.44
322.97
320.38 |
348.28
341.14
345.64
366.73
344.26
352.01
361.34
353.75 |
387.78
380.33
384.83
401.56
382.52
394.61
401.49
382.52 |
-
-
-
-
-
-
-
- |
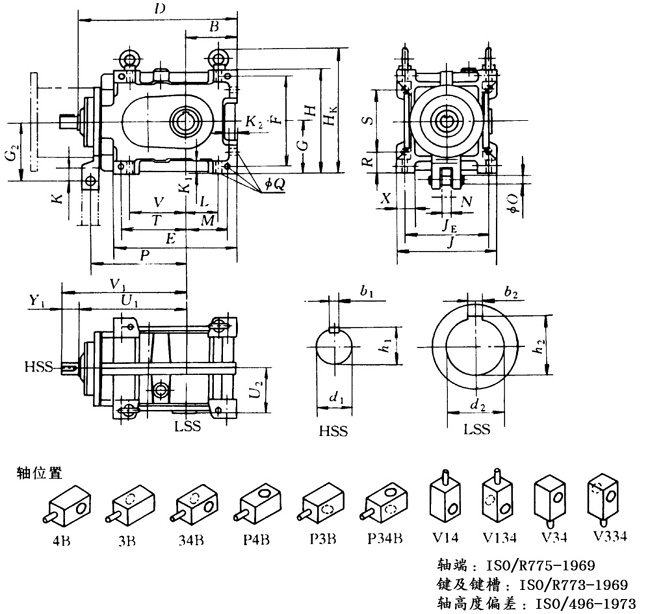
2TKC90M~400M型兩級錐齒輪—斜齒輪減速器
此類減速器見下表。

2TKC90M~225M型外形尺寸
減速器
型號 |
減速箱尺寸/mm | |||||||||||||||||||||||
B |
D |
E |
F |
G |
G2 |
H |
HK |
J |
JE |
K |
K1 |
K2 |
L |
M |
N |
O |
P |
Q |
R |
S |
T |
V |
X | |
2TKC90M
2TKC110M |
125
160 |
385
482 |
303
393 |
220
290 |
125
160 |
140
160 |
250
320 |
303
373 |
240
276 |
200
235 |
28
28 |
30
30 |
20
20 |
80
114 |
100
134 |
20
20 |
22h9
22h9 |
233
291 |
14.5
14.5 |
50
50 |
150
220 |
155
203 |
135
183 |
50
50 |
2TKC140M
2TKC180M |
180
225 |
585
740 |
489
629 |
365
460 |
200
250 |
210
238 |
400
500 |
462
571 |
340
416 |
294
360 |
28
28 |
35
40 |
25
35 |
127
143 |
150
175 |
20
20 |
22h9
22h9 |
369
476 |
18.5
24 |
58
66 |
284
368 |
280
362 |
255
330 |
60
70 |
2TKC225M |
280 |
930 |
804 |
580 |
315 |
286 |
630 |
720 |
560 |
480 |
38 |
55 |
45 |
185 |
235 |
32 |
32h9 |
605 |
28 |
95 |
440 |
460 |
410 |
100 |
減速器型號 |
重 量/kg |
油量/L |
軸尺寸/mm | ||||||||||
輸入軸 | |||||||||||||
|
3.8<i≤10.6 |
10.6<i≤15 | |||||||||||
U1 |
Y1 |
V1 |
d1 |
b1 |
h1 |
Y1 |
V1 |
d1 |
b1 |
h1 | |||
2TKC90M
2TKC110M |
65
100 |
2
3.5 |
260
322 |
42
58 |
302
380 |
28k6
35k6 |
8h9
10h9 |
31
38 |
36
42 |
296
364 |
20k6
25k6 |
6h9
8h9 |
22.5
28 |
2TKC140M
2TKC180M |
150
300 |
6
10 |
405
515 |
82
82 |
487
597 |
45k6
55m6 |
14h9
16h9 |
48.5
59 |
58
82 |
463
597 |
35k6
45k6 |
10h9
14h9 |
38
48.5 |
2TKC225M |
580 |
18 |
650 |
105 |
755 |
65m6 |
18h9 |
69 |
82 |
732 |
55m6 |
16h9 |
59 |
減速器型號 |
軸尺寸/mm | ||||||||
輸入軸 |
輸出軸 | ||||||||
15<i≤21 | |||||||||
Y1 |
V1 |
d1 |
b1 |
h1 |
U2 |
d2 |
b2 |
h2 | |
2TKC90M
2TKC110M |
25
28 |
285
350 |
14k6
18k6 |
5h9
6h9 |
16
20.5 |
100
122 |
45H8
60H8 |
14JS8
18JS8 |
48.8
64.4 |
2TKC140M
2TKC180M |
36
58 |
441
573 |
22k6
30k6 |
6h9
8h9 |
24.5
33 |
132
160 |
70H8
90H8 |
20JS8
25JS8 |
74.9
95.4 |
2TKC225M |
82 |
732 |
40k6 |
12h9 |
43 |
204 |
110H8 |
28JS8 |
116.4 |
注:減速器的空心軸孔和從動機軸端的尺寸可向SEW公司查詢。
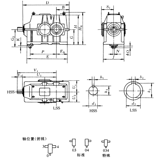
2TKC250M~400M型外形尺寸

2TKC250M~400M型外形尺寸
減速器型號 |
減速箱尺寸/mm | ||||||||||||||
B |
D |
E |
EB |
G |
G2 |
H |
HK |
J |
K |
N |
O |
P |
SJ |
US | |
2TKC250M
2TKC280M |
285
310 |
1010
1120 |
870
975 |
235
262 |
315
355 |
381
423 |
630
710 |
701
781 |
460
500 |
38
38 |
32
32 |
32h9
32h9 |
550
625 |
277
314 |
240
272 |
2TKC315M
2TKC355M |
355
400 |
1260
1420 |
1080
1230 |
300
340 |
400
450 |
482
537 |
800
900 |
890
990 |
580
630 |
52
52 |
45
45 |
45h9
45h9 |
680
770 |
356
395 |
306
333 |
2TKC400M |
450 |
1600 |
1400 |
380 |
500 |
592 |
1000 |
1090 |
720 |
52 |
45 |
45h9 |
895 |
455 |
377 |
減速器型號 |
軸尺寸/mm | |||||||||||||||
輸入軸 | ||||||||||||||||
U1 |
3.8<i≤10.6 |
10.6<i≤15 |
15<i≤21 | |||||||||||||
Y1 |
V1 |
d1 |
b1 |
h1 |
Y1 |
V1 |
d1 |
b1 |
h1 |
Y1 |
V1 |
d1 |
b1 |
h1 | ||
2TKC250M
2TKC280M |
725
810 |
105
130 |
830
940 |
70m6
80m6 |
20h9
22h9 |
74.5
85 |
105
105 |
830
915 |
60m6
65m6 |
18h9
18h9 |
64
69 |
82
82 |
807
892 |
45k6
50k6 |
14h9
14h9 |
48.5
53.5 |
2TKC315N
2TKC355M |
905
1020 |
165
165 |
1070
1185 |
100m6
110m6 |
28h9
28h9 |
106
116 |
130
130 |
1035
1150 |
80m6
90m6 |
22h9
25h9 |
85
95 |
105
105 |
1010
1125 |
65m6
70m6 |
18h9
20h9 |
69
74.5 |
2TKC400M |
1150 |
165 |
1315 |
120m6 |
32h9 |
127 |
165 |
1315 |
100m6 |
28h9 |
106 |
105 |
1255 |
75m6 |
20h9 |
79.5 |
減速器
型號 |
軸尺寸/mm |
重量/kg |
油量/L | ||||
輸出軸 |
飛濺潤滑 |
壓力潤滑 | |||||
U2 |
d2 |
b2 |
h2 | ||||
2TKC250M
2TKC280M |
225
258 |
120H8
140H8 |
32JS9
36JS9 |
127.4
148.4 |
680
930 |
56
78 |
27
47 |
2TKC315M
2TKC355M |
291
317 |
160H8
180H8 |
40JS9
45JS9 |
169.4
190.4 |
1340
1810 |
110
160 |
56
80 |
2TKC400M |
361 |
200H8 |
45JS9 |
210.4 |
2420 |
220 |
110 |
注:減速器的空心軸孔和從動機軸的尺寸可向SEW公司查詢。
頁次:4/5 每頁10條 共47條信息 分頁:[1][2][3][4][5] |