產品展示
特性及應用:
CKA型為基本型楔塊超越離合器,使用時可根據需要安裝軸承以承受軸向與徑向負載。單向自鎖可靠,反向解脫輕便。適用極限轉速為:800~2500r/min,公稱轉矩為:31.5~4500N·m。常用于包裝機械、印刷機械、食品機構、醫療機械、紡織機械、各種機床和減速機等機械傳動。
結構型式:


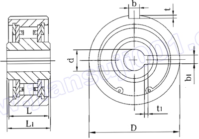
CKA型(基本型)單向楔塊超越離合器基本參數和主要尺寸 單位:mm
|
序
號 |
代號 |
型號 |
公稱
轉矩
Tn
(N·m) |
超越時的
極限轉速
n
(r/min) |
外環 |
內環 |
質量
m
(kg) | ||||
|
D
(h7) |
鍵槽
(b×t) |
L |
d
(H7) |
鍵槽
(b1×t1) |
L1 | ||||||
|
1 |
|
CKA50×24-10 |
31.5 |
2500 |
50 |
3×1.8 |
22 |
10 |
3×1.4 |
24 |
0.24 |
|
2 |
CKA1 |
CKA50×24-12 |
31.5 |
2500 |
50 |
3×1.8 |
22 |
12 |
3×1.4 |
24 |
0.24 |
|
3 |
|
CKA52×24-16 |
31.5 |
2250 |
52 |
5×1.9 |
22 |
15 |
3×1.4 |
24 |
0.27 |
|
4 |
CKA2 |
CKA55×24-18 |
50 |
2250 |
55 |
4×2.5 |
22 |
18 |
4×1.8 |
24 |
0.28 |
|
5 |
|
CKA60×22-19 |
63 |
2000 |
60 |
6×3.5 |
22 |
19 |
6×2.8 |
22 |
0.30 |
|
6 |
CKA3 |
CKA60×24-10 |
63 |
2000 |
60 |
6×3.5 |
22 |
20 |
6×2.8 |
24 |
0.33 |
|
7 |
|
CKA63×26-24 |
100 |
1800 |
63 |
6×3.5 |
24 |
24 |
6×2.8 |
24 |
0.37 |
|
8 |
CKA4 |
CKA63×26-25 |
100 |
1800 |
63 |
6×3.5 |
24 |
25 |
6×2.8 |
26 |
0.37 |
|
9 |
CKA5 |
CKA63×32-25 |
140 |
1800 |
63 |
6×3.5 |
30 |
25 |
6×2.8 |
32 |
0.48 |
|
10 |
|
CKA65×26-24 |
100 |
1800 |
70 |
6×3.5 |
24 |
24 |
6×2.8 |
26 |
0.38 |
|
11 |
|
CKA70×32-12 |
150 |
1500 |
70 |
8×4.0 |
30 |
12 |
3×1.4 |
32 |
0.67 |
|
12 |
|
CKA70×24-20 |
150 |
1500 |
70 |
6×3.5 |
22 |
20 |
6×2.8 |
24 |
0.62 |
|
13 |
|
CKA70×32-25 |
150 |
1500 |
70 |
8×4.0 |
30 |
25 |
8×3.3 |
32 |
0.63 |
|
14 |
|
CKA70×32-28 |
180 |
1500 |
72 |
8×.0 |
30 |
28 |
8×3.3 |
32 |
0.60 |
|
15 |
|
CKA72×27-25 |
180 |
1500 |
75 |
6×3.5
L=14 |
20 |
25 |
8×3.3 |
27 |
0.54 |
|
16 |
|
CKA75×40-25 |
180 |
1500 |
80 |
8×4.0 |
30 |
25 |
8×3.3 |
40 |
0.79 |
|
17 |
|
CKA80×32-22 |
200 |
1500 |
80 |
8×4.0 |
30 |
22 |
6×2.8 |
32 |
1.29 |
|
18 |
|
CKA80×32-25 |
200 |
1500 |
80 |
8×4.0 |
32 |
25 |
8×3.3 |
32 |
0.90 |
|
19 |
|
CKA80×26-30 |
200 |
1500 |
80 |
8×4.0 |
26 |
30 |
8×3.3 |
26 |
0.73 |
|
20 |
CKA7 |
CKA80×32-30 |
200 |
1500 |
80 |
8×4.0 |
30 |
30 |
8×3.3 |
32 |
0.87 |
|
21 |
|
CKA80×31-35 |
200 |
1500 |
80 |
12×4 |
31 |
35 |
10×2.5 |
31 |
0.75 |
|
22 |
|
CKA85×28-30 |
200 |
1500 |
85 |
5×3.0
L=14 |
20 |
30 |
8×3.3 |
28 |
0.83 |
|
23 |
|
CKA90×37-25 |
200 |
1500 |
90 |
8×4.0 |
37 |
25 |
8×3.3 |
37 |
1.00 |
|
24 |
|
CKA100×34-28 |
315 |
1250 |
100 |
10×5 |
32 |
28 |
8×4.3 |
34 |
1.15 |
|
25 |
|
CKA100×34-32 |
315 |
1250 |
100 |
10×5 |
32 |
32 |
10×3.3 |
34 |
1.25 |
|
26 |
CKA8 |
CKA100×34-35 |
315 |
1250 |
100 |
10×5 |
32 |
35 |
10×3.3 |
34 |
1.34 |
|
27 |
|
CKA100×34-38 |
315 |
1250 |
100 |
10×5 |
32 |
38 |
10×3.3 |
34 |
1.28 |
|
28 |
|
CKA100×34-40 |
315 |
1250 |
100 |
10×5
L=28 |
32 |
40 |
10×3.3 |
34 |
1.20 |
|
29 |
|
CKA100×67-40 |
315 |
1250 |
100 |
8×4.0
L=20 |
25 |
40 |
10×3.6 |
67 |
1.46 |
|
30 |
|
CKA100×31.5-45 |
315 |
1250 |
100 |
2-8×4 |
31.5 |
45 |
8×3.3 |
31.5 |
1.54 |
|
31 |
|
CKA105×35-30 |
315 |
1250 |
105 |
10×5
L=6 |
20 |
30 |
8×3.3 |
35 |
1.55 |
|
32 |
|
CKA105×34-35 |
315 |
1250 |
105 |
10×5
L=26 |
32 |
35 |
10×3.3 |
34 |
1.55 |
|
33 |
|
CKA105×35-35 |
315 |
1250 |
105 |
6×3.5 |
25 |
35 |
8×3.3 |
35 |
1.56 |
|
34 |
|
CKA110×34-30 |
400 |
1000 |
110 |
10×5 |
32 |
30 |
8×3.3 |
34 |
1.82 |
|
35 |
|
CKA110×34-35 |
400 |
1000 |
110 |
10×5 |
32 |
35 |
10×3.3 |
34 |
1.82 |
|
36 |
CKA9 |
CKA110×34-38 |
400 |
1000 |
110 |
10×5 |
32 |
38 |
10×3.3 |
34 |
1.67 |
|
37 |
|
CKA110×34-40 |
400 |
1000 |
110 |
10×5 |
32 |
40 |
10×3.3 |
34 |
1.91 |
|
38 |
|
CKA125×38-50 |
500 |
800 |
125 |
14×5.5 |
36 |
50 |
14×3.8 |
38 |
2.21 |
|
39 |
|
CKA130×52-38 |
500 |
800 |
130 |
12×5.0 |
50 |
38 |
12×3.8 |
52 |
3.14 |
|
40 |
|
CKA130×55-40 |
500 |
800 |
130 |
8×4.0 |
35 |
40 |
12×3.3 |
55 |
2.62 |
|
41 |
|
CKA130×38-45 |
500 |
800 |
130 |
14×5.5 |
36 |
45 |
14×3.8 |
38 |
4.31 |
|
42 |
CKA10 |
CKA130×38-50 |
500 |
800 |
130 |
14×5.5 |
36 |
50 |
14×3.8 |
38 |
3.02 |
|
43 |
|
CKA135×38-60 |
600 |
800 |
135 |
14×5.5 |
36 |
60 |
18×.4 |
38 |
2.65 |
|
44 |
|
CKA136×52-35 |
800 |
800 |
136 |
8-ф9 |
50 |
35 |
10×3.3 |
52 |
4.50 |
|
45 |
|
CKA136×52-45 |
800 |
800 |
136 |
6-M8 |
52 |
45 |
14×3.8 |
52 |
4.32 |
|
46 |
|
CKA140×55-50 |
1250 |
800 |
140 |
16×6.0 |
53 |
50 |
16×4.3 |
55 |
5.10 |
|
47 |
|
CKA140×38-60 |
1000 |
800 |
140 |
14×5.5 |
36 |
60 |
14×3.0 |
38 |
2.74 |
|
48 |
|
CKA145×34-45 |
1000 |
800 |
145 |
6-M10 |
34 |
45 |
12×3.8 |
34 |
3.35 |
|
49 |
|
CKA160×75-50 |
1500 |
800 |
160 |
6-M8 |
72 |
50 |
16×4.3 |
75 |
7.08 |
|
50 |
|
CKA160×55-55 |
2000 |
800 |
160 |
18×7.0 |
53 |
55 |
16×4.3 |
55 |
6.96 |
|
51 |
|
CKA160×35-70 |
1500 |
800 |
160 |
10×5.0 |
35 |
70 |
8×3.3 |
35 |
3.46 |
|
52 |
|
CKA170×55-55 |
2240 |
800 |
170 |
18×7.0 |
52 |
60 |
18×4.4 |
55 |
7.80 |
|
53 |
|
CKA170×55-65 |
2240 |
800 |
170 |
18×7.0 |
52 |
65 |
18×4.4 |
55 |
7.61 |
|
54 |
|
CKA180×52-65 |
2000 |
800 |
180 |
6-M8 |
52 |
65 |
18×4.4 |
52 |
7.35 |
|
55 |
|
CKA180×55-65 |
2500 |
800 |
180 |
18×7.0 |
52 |
65 |
18×4.4 |
55 |
8.69 |
|
56 |
|
CKA190×38-85 |
2500 |
800 |
190 |
14×5.0 |
36 |
85 |
14×3.8 |
38 |
5.50 |
|
57 |
|
CKA200×55-65 |
2800 |
800 |
200 |
20×7.5 |
53 |
65 |
20×3.9 |
55 |
11.02 |
|
58 |
|
CKA210×88-50 |
4000 |
800 |
210 |
6-M10 |
85 |
50 |
14×3.8 |
88 |
18.52 |
|
59 |
|
CKA210×85-75 |
4000 |
800 |
210 |
6-ф13 |
70 |
75 |
20×4.9 |
70 |
14.25 |
|
60 |
|
CKA215×70-75 |
4000 |
800 |
215 |
6-M12 |
70 |
75 |
20×4.4 |
70 |
15.00 |
安裝參考示意圖:

| 頁次:1/1 每頁10條 共1條信息 分頁:[1] |
