產品展示
PF型行星齒輪減速器(JB/T6120-1992)與ZZ、ZK型、ZJ型行星齒輪減速器結構是具有3個行星輪的“ZK-H”型漸開線行星齒輪減速器,具有體積小、質量軸、效率高、傳動平穩的優點。PF型行星齒輪減速器包括PBF型和PCF型兩種型式,各有6種裝配型式。適用于礦山、冶金、水泥、輕工、化工、能源、建材、起重、運輸等機械設備。
工作條件:高速軸轉速不超過1500r/min;工作環境溫度為-40~45℃,低于8℃時需增設加熱裝置,高于35℃時需增設冷卻裝置。
型號與標記
1.型號
(1)PBF型—二級行星齒輪傳動和二級行星齒輪傳動加一級普通平行軸傳動行星齒輪減速器。
(2)PCF型—三級行星齒輪傳動和三級行星齒輪傳動加一級普通平行軸傳動行星齒輪減速器。
2.標記

PBF56~PBF125型減速機
裝配型式一實體模型 裝配型式二實體模型 裝配型式三實體模型 裝配型式四實體模型
PBF160型減速機
裝配型式一實體模型 裝配型式二實體模型 裝配型式三實體模型 裝配型式四實體模型
PCF63型減速機
裝配型式一實體模型 裝配型式二實體模型 裝配型式三實體模型 裝配型式四實體模型
如初次打開請耐心等待安裝瀏覽插件
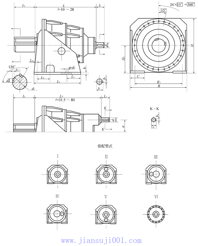
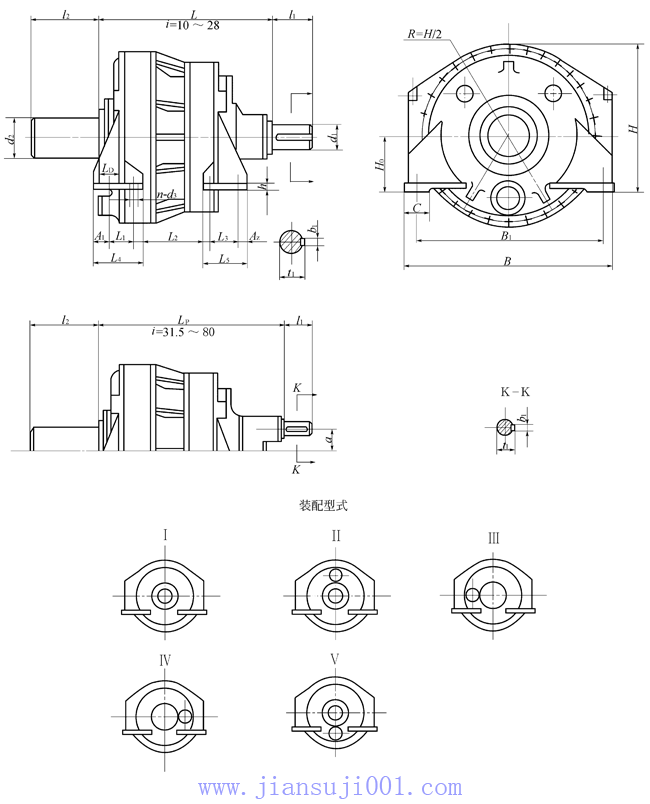
PBF型減速器主要尺寸
PBF56型~PBF125型減速器主要尺寸 /mm
型號 |
外形尺寸及中心高 |
入軸尺寸 | ||||||||||||||||
i=10~20 |
i=22.5~28 |
i=31.5~50 | ||||||||||||||||
L |
LP |
B |
H |
H0 |
a |
d1 |
t1 |
b1 |
l1 |
d1 |
t1 |
b1 |
l1 |
d1 |
t1 |
b1 |
l1 | |
PBF56 |
1050 |
1074 |
1020 |
950 |
480 |
180 |
125 |
132 |
32 |
200 |
95 |
100 |
25 |
155 |
85 |
90 |
22 |
155 |
PBF80 |
1500 |
1500 |
1400 |
1310 |
660 |
250 |
170 |
179 |
40 |
270 |
125 |
132 |
32 |
200 |
120 |
127 |
32 |
200 |
PBF100 |
1810 |
1795 |
1750 |
1615 |
815 |
320 |
210 |
221 |
50 |
335 |
160 |
169 |
40 |
260 |
150 |
158 |
36 |
250 |
PBF125 |
2265 |
2265 |
2170 |
2015 |
1015 |
400 |
270 |
280 |
63 |
435 |
200 |
210 |
45 |
320 |
180 |
190 |
45 |
300 |
型號 |
入軸尺寸 |
出軸尺寸 |
地腳尺寸 |
質量
m
/kg | ||||||||||||||
i=63~80 | ||||||||||||||||||
d1 |
t1 |
b1 |
l1 |
d2 |
t2 |
b2 |
l2 |
LD |
L1 |
L2 |
L3 |
B1 |
h |
C |
n |
d3 | ||
PBF56 |
60 |
64 |
18 |
100 |
200 |
20 |
60 |
340 |
60 |
690 |
230 |
170 |
880 |
50 |
300 |
6 |
39 |
2318 |
PBF80 |
78 |
83 |
22 |
125 |
270 |
27 |
81 |
430 |
70 |
915 |
320 |
205 |
1200 |
65 |
410 |
6 |
45 |
5819 |
PBF100 |
100 |
106 |
28 |
160 |
320 |
32 |
96 |
510 |
85 |
1110 |
400 |
225 |
1520 |
70 |
500 |
6 |
52 |
10031 |
PBF125 |
125 |
132 |
32 |
200 |
400 |
40 |
120 |
690 |
100 |
1370 |
500 |
270 |
1900 |
80 |
550 |
6 |
70 |
19385 |
PBF型減速器主尺寸
PBF160型、PBF200型減速器主尺寸 /mm
型號 |
外形尺寸及中心高 |
入軸尺寸 | ||||||||||||||||
i=10~20 |
i=22.5~28 |
i=31.5~50 | ||||||||||||||||
L |
LP |
B |
H |
H0 |
a |
d1 |
t1 |
b1 |
l1 |
d1 |
t1 |
b1 |
l1 |
d1 |
t1 |
b1 |
l1 | |
PBF160 |
2410 |
2515 |
2300 |
1960 |
500 |
450 |
340 |
355 |
80 |
510 |
340 |
355 |
80 |
510 |
260 |
272 |
56 |
420 |
PBF200 |
2595 |
2750 |
2800 |
2450 |
620 |
560 |
380 |
395 |
80 |
570 |
340 |
355 |
80 |
510 |
290 |
302 |
63 |
435 |
型號 |
入軸尺寸 |
出軸尺寸 |
地腳尺寸 |
質量
m/kg | |||||||||||||||
i=63~80 | |||||||||||||||||||
d1 |
t1 |
b1 |
l1 |
d2 |
l2 |
LD |
L1 |
L2 |
L3 |
L4 |
L5 |
A1 |
A2 |
B1 |
C |
d3 |
h | ||
PBF160 |
140 |
148 |
36 |
225 |
499.66 |
735 |
80 |
530 |
815 |
380 |
760 |
660 |
115 |
165 |
2040 |
250 |
78 |
80 |
22518 |
PBF200 |
180 |
190 |
45 |
280 |
615.8 |
920 |
85 |
600 |
960 |
400 |
850 |
700 |
125 |
175 |
2500 |
320 |
86 |
90 |
38373 |
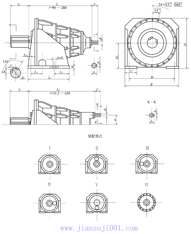
PCF63型減速器主要尺寸
PCF63型減速器主要尺寸 /mm
型號 |
外形尺寸及中心高 |
入軸尺寸 | ||||||||||||||||
i=90~200 |
i=225~280 |
i=315~630 | ||||||||||||||||
L |
LP |
B |
H |
H0 |
a |
d1 |
t1 |
b1 |
l1 |
d1 |
t1 |
b1 |
l1 |
d1 |
t1 |
b1 |
l1 | |
PCF63 |
1153 |
1130 |
1100 |
1070 |
520 |
100 |
55 |
59 |
16 |
88 |
40 |
43 |
12 |
88 |
35 |
38 |
10 |
55 |
型號 |
出軸尺寸 |
地腳尺寸 |
質量
m/kg | |||||||||||
d2 |
t2 |
b2 |
l2 |
LD |
L1 |
L2 |
L3 |
B1 |
h |
C |
n |
d3 | ||
PCF63 |
200 |
20 |
60 |
340 |
60 |
795 |
240 |
255 |
940 |
60 |
320 |
6 |
39 |
2864 |
1.中心距
PBF型減速器中心距 /mm
級別 |
中心距a | |||||
PBF56 |
PBF80 |
PBF100 |
PBF125 |
PBF160 |
PBF200 | |
低速行星級 |
184.0~206.0 |
163.0~295.2 |
334.0~370.0 |
422.0~463.4 |
541.3~589.2 |
680.6~736.0 |
高速行星級 |
132.0~169.0 |
185.6~231.9 |
235.5~292.2 |
291.0~370.0 |
371.7~463.4 |
472.2~589.2 |
平行軸級 |
180 |
250 |
320 |
400 |
450 |
560 |
PCF型減速器中心距 /mm
型號
PCF63 |
中心距 | |||
低速級 |
中間級 |
高速級 |
平行軸級 | |
211.1 |
147.6~170.2 |
114.1~134.17 |
100 |
2.公稱傳動比
PBF、PCF型減速器公稱傳動比iN。實際傳動比與公稱傳動比的相對誤差應不大于3%~5%。
公稱傳動比
型號 |
公稱傳動比iN | ||||||||||||||||||
PBF |
10.0 |
11.2 |
12.5 |
14.0 |
16.0 |
18.0 |
20.0 |
22.4 |
25.0 |
28.0 |
31.5 |
35.5 |
40.0 |
45.0 |
50.0 |
56.0 |
63.0 |
71.0 |
80.0 |
PCF |
90.0 |
100.0 |
112.0 |
125.0 |
140.0 |
160.0 |
180.0 |
200.0 |
224.0 |
250.0 |
280.0 |
315.0 |
355.0 |
400.0 |
450.0 |
500.0 |
560.0 |
630.0 |
|
PBF型減速器許用輸入功率
公稱傳動比iN |
輸入轉速
/r·min-1 |
PBF型行星齒輪減速器 | |||||
56 |
80 |
100 |
125 |
160 |
200 | ||
許用輸入功率PP/kW | |||||||
10 |
1500 |
1310 |
3267 |
— |
— |
— |
— |
1000 |
873 |
2178 |
4367 |
8733 |
13404 |
26285 | |
750 |
655 |
1633 |
3275 |
6550 |
10052 |
19714 | |
600 |
524 |
1307 |
2620 |
5240 |
8042 |
15770 | |
11.2 |
1500 |
1170 |
2917 |
— |
— |
— |
— |
1000 |
781 |
1945 |
3899 |
7798 |
11968 |
23469 | |
750 |
585 |
1458 |
2124 |
5848 |
8976 |
17602 | |
600 |
468 |
1166 |
2339 |
4678 |
7181 |
14082 | |
12.5 |
1500 |
1048 |
2614 |
— |
— |
— |
— |
1000 |
699 |
1742 |
3493 |
6986 |
10723 |
21028 | |
750 |
524 |
1307 |
2620 |
5240 |
8042 |
15770 | |
600 |
419 |
1045 |
2096 |
4192 |
6433 |
11264 | |
14 |
1500 |
936 |
2334 |
— |
— |
— |
— |
1000 |
624 |
1556 |
3119 |
6238 |
9574 |
18775 | |
750 |
468 |
1167 |
2339 |
4678 |
7180 |
14080 | |
600 |
374 |
933 |
1871 |
3743 |
5744 |
11264 | |
16 |
1500 |
819 |
2042 |
— |
— |
— |
— |
1000 |
546 |
1361 |
2729 |
5458 |
8377 |
16428 | |
750 |
409 |
1021 |
2047 |
4094 |
6283 |
12320 | |
600 |
372 |
817 |
1637 |
3275 |
5026 |
9856 | |
18 |
1500 |
728 |
1815 |
— |
— |
— |
— |
1000 |
4850 |
1210 |
2426 |
4852 |
7446 |
14601 | |
750 |
364 |
907 |
1819 |
3639 |
5585 |
10951 | |
600 |
291 |
726 |
1455 |
2911 |
4468 |
8761 | |
20 |
1500 |
655 |
1634 |
— |
— |
— |
— |
1000 |
437 |
1089 |
2183 |
4367 |
6702 |
13142 | |
750 |
328 |
817 |
1638 |
3275 |
5026 |
9857 | |
600 |
262 |
654 |
1310 |
2620 |
4021 |
7886 | |
22.4 |
1500 |
585 |
1458 |
— |
— |
— |
— |
1000 |
390 |
972 |
1949 |
3899 |
5984 |
11734 | |
750 |
292 |
729 |
1462 |
2924 |
4488 |
8800 | |
600 |
233 |
583 |
1169 |
2339 |
3590 |
7040 | |
25 |
1500 |
524 |
1307 |
— |
— |
— |
— |
1000 |
349 |
871 |
1746 |
3494 |
5362 |
10514 | |
750 |
262 |
654 |
1310 |
2620 |
4021 |
7886 | |
600 |
210 |
523 |
1048 |
2096 |
3217 |
6309 | |
28 |
1500 |
468 |
1167 |
— |
— |
— |
— |
1000 |
312 |
778 |
1559 |
3119 |
4787 |
9387 | |
750 |
234 |
584 |
1170 |
2339 |
3590 |
7041 | |
600 |
187 |
467 |
936 |
1871 |
2872 |
5633 | |
31.5 |
1500 |
416 |
1037 |
— |
— |
— |
— |
1000 |
277 |
692 |
1386 |
2772 |
4255 |
8344 | |
750 |
208 |
519 |
1040 |
2079 |
3191 |
6257 | |
600 |
166 |
415 |
832 |
1663 |
2553 |
5007 | |
35.5 |
1500 |
369 |
920 |
— |
— |
— |
— |
1000 |
246 |
614 |
1230 |
2460 |
3776 |
7404 | |
750 |
184 |
461 |
923 |
1845 |
2832 |
5553 | |
600 |
148 |
368 |
738 |
1476 |
2266 |
4442 | |
40 |
1500 |
327 |
817 |
— |
— |
— |
— |
1000 |
218 |
544 |
1092 |
2183 |
3351 |
6571 | |
750 |
164 |
408 |
819 |
1637 |
2513 |
4928 | |
600 |
131 |
327 |
655 |
1310 |
2010 |
3942 | |
45 |
1500 |
291 |
726 |
— |
— |
— |
— |
1000 |
194 |
484 |
970 |
1941 |
2978 |
5841 | |
750 |
146 |
363 |
728 |
1455 |
2234 |
4380 | |
600 |
116 |
290 |
582 |
1164 |
1787 |
3504 | |
50 |
1500 |
262 |
653 |
— |
— |
— |
— |
1000 |
175 |
436 |
873 |
1747 |
2681 |
5257 | |
750 |
131 |
327 |
655 |
1310 |
2010 |
3942 | |
600 |
105 |
261 |
524 |
1048 |
1608 |
3154 | |
56 |
1500 |
234 |
583 |
— |
— |
— |
— |
1000 |
156 |
389 |
780 |
1559 |
2393 |
4693 | |
750 |
117 |
292 |
585 |
1170 |
1795 |
3520 | |
600 |
94 |
233 |
468 |
935 |
1436 |
2816 | |
63 |
1500 |
208 |
519 |
— |
— |
— |
— |
1000 |
138 |
346 |
693 |
1386 |
2128 |
4172 | |
750 |
104 |
260 |
520 |
1040 |
1596 |
3130 | |
600 |
83 |
208 |
416 |
832 |
1277 |
2504 | |
71 |
1500 |
185 |
460 |
— |
— |
— |
— |
1000 |
122 |
307 |
615 |
1230 |
1888 |
3702 | |
750 |
92 |
231 |
461 |
923 |
1416 |
2777 | |
600 |
74 |
185 |
369 |
738 |
1133 |
2222 | |
80 |
1500 |
164 |
408 |
— |
— |
— |
— |
1000 |
109 |
272 |
546 |
1092 |
1675 |
3285 | |
750 |
82 |
204 |
409 |
819 |
1257 |
2464 | |
600 |
65 |
163 |
327 |
655 |
1005 |
1971 |
PCF型減速器許用輸入功率
公稱傳
動比iN |
輸入轉速
/r·min-1 |
PCF63型許用
輸入功率PP/kW |
公稱傳
動比iN |
輸入轉速
/r·min-1 |
PCF63型許用
輸入功率PP/kW |
公稱傳
動比iN |
輸入轉速
/r·min-1 |
PCF63型許用
輸入功率PP/kW |
90 |
1500 |
181 |
180 |
1500 |
91 |
335 |
1500 |
46 |
1000 |
121 |
1000 |
60 |
1000 |
31 | |||
750 |
90 |
750 |
45 |
750 |
23 | |||
600 |
73 |
600 |
36 |
600 |
18 | |||
100 |
1500 |
163 |
200 |
1500 |
82 |
400 |
1500 |
41 |
1000 |
109 |
1000 |
54 |
1000 |
27 | |||
750 |
82 |
750 |
41 |
750 |
20 | |||
600 |
65 |
600 |
33 |
600 |
16 | |||
112 |
1500 |
146 |
224 |
1500 |
73 |
450 |
1500 |
36 |
1000 |
97 |
1000 |
48 |
1000 |
24 | |||
750 |
73 |
750 |
36 |
750 |
18 | |||
600 |
58 |
600 |
29 |
600 |
15 | |||
125 |
1500 |
131 |
250 |
1500 |
65 |
500 |
1500 |
33 |
1000 |
87 |
1000 |
44 |
1000 |
22 | |||
750 |
65 |
750 |
33 |
750 |
16 | |||
600 |
52 |
600 |
26 |
600 |
13 | |||
140 |
1500 |
117 |
280 |
1500 |
58 |
560 |
1500 |
29 |
1000 |
78 |
1000 |
39 |
1000 |
19 | |||
750 |
58 |
750 |
29 |
750 |
15 | |||
600 |
47 |
600 |
23 |
600 |
12 | |||
160 |
1500 |
102 |
315 |
1500 |
52 |
630 |
1500 |
26 |
1000 |
68 |
1000 |
35 |
1000 |
17 | |||
750 |
51 |
750 |
26 |
750 |
13 | |||
600 |
41 |
600 |
21 |
600 |
10 |
PBF、PCF型減速器許用輸出轉矩
型號 |
公稱傳動比iN |
輸入轉速/r·min-1 |
許用轉出轉矩TP/N·m |
PBF56 |
10~80 |
1500~600 |
83400 |
PBF80 |
10~80 |
1500~600 |
208000 |
PBF100 |
10~80 |
1000~600 |
417000 |
PBF125 |
10~80 |
1000~600 |
83380 |
PBF160 |
10~80 |
1000~600 |
12850 |
PBF200 |
10~80 |
1000~600 |
2511000 |
PCF63 |
90~630 |
1500~600 |
104000 |
頁次:1/2 每頁10條 共12條信息 分頁:[1][2] |