Product list產品列表
Customer service在線客服
產品展示
額定機械功率
|
減速器
型號 |
n1/(r/min) |
額定機械功率PN1/kW | |||||||
|
公稱傳動比iN | |||||||||
|
4.0 |
4.5 |
5.0 |
5.6 |
6.3 |
7.1 |
8.0 |
9.0 | ||
|
2TKC90M |
1800
1500
1200
1000 |
35.9
31.6+
26.3+
22.0+ |
35
29.4+
23.7+
20.0+ |
28.8+
25.1+
20.1+
16.8+ |
27.3+
22.9+
18.7+
15.7+ |
22.0+
18.4+
14.7+
12.3+ |
20.3+
17.3+
13.9+
11.6+ |
12.0+
9.98+
7.98+
6.65+ |
11.6+
9.70+
7.76+
6.47+ |
|
2TKC110M |
1800
1500
1200
1000 |
75.8
66.5
56.6+
48.3+ |
65.1
54.4
43.6+
36.4+ |
60.9
53.6+
45.3+
38.1+ |
50.8
42.4+
34.0+
28.4+ |
49.2+
41.9+
34.0+
28.3+ |
38.6+
32.2+
25.8+
21.5+ |
31.9+
26.6+
21.3+
17.7+ |
27.9+
23.3+
18.6+
15.5+ |
|
2TKC140M |
1800
1500
1200
1000 |
144
127
109
95.2+ |
141
118
95.1
80.1+ |
119
105
88.6+
74.0+ |
111
92.9
75.9+
65.1+ |
98.5
82.3+
66.0+
55.0+ |
84.2
71.7+
59.3+
50.8+ |
79.8+
66.6+
53.4+
44.6+ |
69.8+
59.8+
49.4+
41.4+ |
|
2TKC180M |
1800
1500
1200
1000 |
251
221
189
166 |
257
227
194
171 |
237
208
177
155 |
235
207
172
143 |
181
160
136+
120+ |
177
156
129+
107+ |
151
133+
113+
95.4+ |
144
127+
105+
87.7+ |
|
2TKC225M |
1800
1500
1200
1000 |
631*
552
469
396 |
588*
492
396
333 |
527
462
371
310 |
465
389
317
271 |
402
337
271
226+ |
351
299
247
207+ |
323
270
217+
181+ |
293
250
203+
169+ |
|
2TKC250M |
1800
1500
1200
1000 |
787*
689*
585
492 |
791*
679*
546
459 |
647*
568
470
391 |
638*
533
434
372 |
493
434
357
298 |
493
434
357
298 |
415
365
296
247+ |
415
365
296
247+ |
|
2TKC280M |
1800
1500
1200
1000 |
1044*
914*
777
680 |
1053*
921*
781
658 |
863*
760
647
567 |
863*
760
629
539 |
699
588
474
396 |
691
587
473
396 |
564
496
423
353+ |
564
496
408
341+ |
|
2TKC315M |
1800
1500
1200
1000 |
1499*
1205*
1014 |
1321*
1061*
893 |
1054*
852
714 |
1004*
818
700 |
944*
770
659 |
726*
585
490 |
771*
646*
519
434 |
771*
645*
519
434 |
|
2TKC355M |
1800
1500
1200
1000 |
2056*
1645*
1371* |
1927*
1547*
1300* |
1607*
1286
1072 |
1570*
1280
1072 |
1289*
1051
899 |
1193*
961
805 |
840*
676
565 |
840*
675
565 |
|
2TKC400M |
1800
1500
1200
1000 |
2819*
2290*
1928* |
2606*
2097*
1755* |
2343*
1874*
1562 |
2137*
1718*
1436 |
1848*
1507*
1289 |
1664*
1340
1120 |
1320*
1062
888 |
1320*
1061
887 |
|
減速器
型號 |
n1/(r/min) |
額定機械功率PN1/kW | ||||||
|
公稱傳動比iN | ||||||||
|
10 |
11.2 |
12.5 |
14 |
16 |
18 |
20 | ||
|
2TKC90M |
1800
1500
1200
1000 |
9.80+
8.17+
6.55+
5.46+ |
8.81+
7.34+
5.88+
4.90+ |
7.32+
6.11+
4.89+
4.09+ |
4.83+
4.03+
3.23+
2.71+ |
4.55+
3.99+
3.39+
2.97+ |
3.70+
3.09+
2.49+
2.09+ |
3.25+
2.72+
2.20+
1.85+ |
|
2TKC110M |
1800
1500
1200
1000 |
23.3+
19.5+
15.6+
13.0+ |
19.9+
16.6+
13.3+
11.1+ |
16.9+
14.1+
11.3+
9.44+ |
14.2+
12.2+
9.92+
8.31+ |
9.06+
7.97+
6.82+
5.98+ |
9.06+
7.97+
6.82+
6.00+ |
8.58+
7.22+
5.85+
4.92+ |
|
2TKC140M |
1800
1500
1200
1000 |
57.8+
49.5+
41.0+
35.1+ |
46.6+
39.2+
31.6+
26.6+ |
40.9+
35.0+
29.0+
24.9+ |
30.8+
25.7+
20.6+
17.2+ |
23.8+
20.9+
17.1+
14.3+ |
23.7+
19.8+
16.0+
13.4+ |
17.2+
14.4+
11.7+
9.81+ |
|
2TKC180M |
1800
1500
1200
1000 |
122
104+
84.3+
70.3+ |
107+
89.5+
72.1+
60.1+ |
86.0+
73.2+
58.6+
49.0+ |
68.9+
59.0+
48.8+
41.8+ |
52.7+
44.2+
35.7+
30.0+ |
53.3+
44.8+
36.1+
30.3+ |
43.9+
38.7+
32.0+
26.9+ |
|
2TKC225M |
1800
1500
1200
1000 |
239
205
169+
145+ |
207
173+
139+
116+ |
193
165+
136+
116+ |
153
129+
104+
86.8+ |
105+
88.0+
71.1+
59.7+ |
106+
89.0+
71.9+
60.3+ |
86.6+
72.8+
58.7+
49.2+ |
|
2TKC250M |
1800
1500
1200
1000 |
371
310
249
207+ |
272
228
183+
152+ |
272
227
183+
152+ |
251
213
170+
143+ |
130
115+
98.1+
86.2+ |
130
115+
98.1+
86.4+ |
130
115+
98.1+
86.4+ |
|
2TKC280M |
1800
1500
1200
1000 |
555
475
393
337+ |
377
315
253+
211+ |
377
315
253+
211+ |
349
299
243+
204+ |
215
183+
148+
124+ |
215
186+
149+
125+ |
172
144+
116+
97.5+ |
|
2TKC315M |
1800
1500
1200
1000 |
740*
633*
518
433 |
586*
502*
416
357 |
511
449
361
302+ |
488
418
345
295+ |
343
287
231+
194+ |
347
291
234+
196+ |
251
210
170+
142+ |
|
2TKC355M |
1800
1500
1200
1000 |
837*
675
564 |
713*
570
475 |
640
536
430
360+ |
640
535
430
359+ |
511
426
341
284+ |
402
337
271+
227+ |
395
329
263+
219+ |
|
2TKC400M |
1800
1500
1200
1000 |
1221*
979
818 |
969*
776
646 |
890*
745
598
500 |
889*
744
598
499 |
664*
553
443
369 |
571*
478
385
323+ |
512*
427
342
285+ |
注:1.功率:功率為額定值,使用系數FS=1.0。也制造功率更大的減速器。
2.潤滑:除根據齒輪圓周速度需要用壓潤滑或浸油潤滑之外,用飛濺潤滑。
3.冷卻:如果實際傳遞的機械功率大于熱功率需要用人工冷卻。
4.*表示要求壓力潤滑,+表示要求浸油潤滑。
熱功率
|
減速器型號 |
熱功率/kW | |
|
PTN
4<i≤8 |
PTN
8<i≤20 | |
|
2TKC90M
2TKC110M |
22
32 |
25
36 |
|
2TKC140M
2TKC180M |
48
71 |
55
82 |
|
2TKC225M
2TKC250M |
106
153 |
122
175 |
|
2TKC280M
2TKC315M |
197
242 |
226
277 |
|
2TKC355M
2TKC400M |
305
382 |
350
438 |
注:PTN=環境溫度+20℃時額定熱功率。
精確傳動比
|
減速器型號 |
精確傳動比iex | |||||||
|
4.0 |
4.5 |
5.0 |
5.6 |
6.3 |
7.1 |
8.0 |
9.0 | |
|
2TKC90M |
3.9286 |
4.3750 |
4.9916 |
5.5588 |
6.4821 |
7.2188 |
7.7363 |
8.6154 |
|
2TKC110M |
3.8942 |
4.3982 |
4.9480 |
5.5882 |
6.4385 |
7.2716 |
7.7885 |
8.7963 |
|
2TKC140M |
3.9423 |
4.4271 |
5.0091 |
5.6250 |
6.5048 |
7.3047 |
7.8846 |
8.8542 |
|
2TKC180M |
3.9583 |
4.3750 |
5.0000 |
5.5263 |
6.5313 |
7.2188 |
7.9167 |
8.7500 |
|
2TKC225M |
3.9904 |
4.4271 |
5.0405 |
5.5921 |
6.5724 |
7.2917 |
7.9808 |
8.8542 |
|
2TKC250M |
3.9423 |
4.3750 |
4.9798 |
5.5263 |
6.4932 |
7.2059 |
7.8846 |
8.7500 |
|
2TKC280M |
3.9402 |
4.4656 |
4.9342 |
5.5921 |
6.4236 |
7.2801 |
7.8125 |
8.8542 |
|
2TKC315M |
4.0453 |
4.5277 |
5.1944 |
5.8139 |
6.5498 |
7.3813 |
8.1278 |
9.0970 |
|
2TKC355M |
3.9402 |
4.4130 |
5.0987 |
5.7105 |
6.5263 |
7.2188 |
8.0357 |
9.0000 |
|
2TKC400M |
4.0284 |
4.5481 |
5.1785 |
5.8465 |
6.5263 |
7.3906 |
8.0569 |
9.0962 |
|
減速器型號 |
精確傳動比iex | ||||||
|
10.0 |
11.2 |
12.5 |
14.0 |
16.0 |
18.0 |
20.0 | |
|
2TKC90M |
9.8462 |
11.083 |
12.667 |
14.151 |
16.000 |
17.875 |
20.109 |
|
2TKC110M |
10.104 |
11.195 |
12.860 |
14.318 |
16.167 |
18.000 |
20.500 |
|
2TKC140M |
9.8864 |
11.170 |
12.472 |
14.003 |
15.818 |
17.760 |
20.227 |
|
2TKC180M |
10.109 |
11.136 |
12.866 |
14.394 |
16.174 |
18.095 |
20.357 |
|
2TKC225M |
9.8864 |
11.170 |
12.472 |
13.987 |
15.818 |
17.739 |
20.203 |
|
2TKC250M |
10.104 |
11.039 |
12.747 |
14.192 |
16.167 |
18.000 |
20.200 |
|
2TKC280M |
9.8864 |
11.170 |
12.472 |
14.192 |
15.818 |
18.000 |
20.250 |
|
2TKC315M |
10.249 |
11.400 |
12.759 |
14.192 |
16.182 |
18.000 |
20.320 |
|
2TKC355M |
10.286 |
11.510 |
12.615 |
14.117 |
15.619 |
17.905 |
19.810 |
|
2TKC400M |
10.154 |
11.423 |
12.615 |
14.192 |
16.070 |
18.000 |
20.381 |
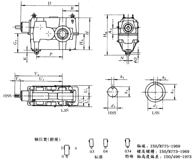
3TKC140N~400N型三級錐齒輪—斜齒輪減速器

外形尺寸
|
減速器
型號 |
減速箱尺寸/mm |
重量
/kg |
油量
/L |
軸尺寸/mm | |||||||||||
|
輸入軸 | |||||||||||||||
|
AV |
B |
D |
G2 |
H |
HA |
HK |
K |
N |
O |
P |
US |
U1 | |||
|
3TKC140N
3TKC160N |
70.1
77.1 |
160
175 |
561.4
625.5 |
223
243 |
360
400 |
180
200 |
481
521 |
28
28 |
20
20 |
22h9
22h9 |
250
285 |
114
131 |
105
145 |
7.6
10 |
401.4
450.5 |
|
3KTC180N
3TKC200N |
86.7
86.6 |
205
225 |
711.1
800.0 |
273
298 |
450
500 |
225
250 |
585
635 |
28
28 |
20
20 |
22h9
22h9 |
320
360 |
139
149 |
200
280 |
14
20 |
506.1
575.0 |
|
3TKC225N
3TKC250N |
96.7
110.7 |
255
281 |
907.5
1007.9 |
343
346 |
560
560 |
280
280 |
729
729 |
38
38 |
32
32 |
32h9
32h9 |
405
450 |
167
187 |
380
510 |
27
30 |
652.5
726.9 |
|
3TKC280N
3TKC315N |
122.8
141.4 |
308
353 |
1120.8
1268.1 |
383
437 |
630
710 |
315
355 |
804
932 |
38
52 |
32
45 |
32h9
45h9 |
505
565 |
206
233 |
720
1000 |
42
57 |
812.8
915.1 |
|
3TKC355N
3TKC400N |
158.0
175.2 |
400
448 |
1423.8
1596.5 |
487
542 |
800
900 |
400
450 |
1027
1132 |
52
52 |
45
45 |
45h9
45h9 |
635
715 |
256
286 |
1350
1900 |
77
104 |
1023.8
1148.5 |
|
減速器
型號 |
軸尺寸/mm | ||||||||||||||||||
|
輸入軸 |
空心軸 | ||||||||||||||||||
|
19<i≤47 |
47<i≤67 |
67<i≤95 | |||||||||||||||||
|
Y1 |
V1 |
d1 |
b1 |
h1 |
Y1 |
V1 |
d1 |
b1 |
h1 |
Y1 |
V1 |
d1 |
b1 |
h1 |
U2 |
d2 |
b2 |
h2 | |
|
3TKC140N
3TKC160N |
58
58 |
459.4
508.5 |
30k6
35k6 |
8h9
10h9 |
33
38 |
36
42 |
437.4
492.5 |
22k6
25k6 |
6h9
8h9 |
24.5
28 |
28
28 |
429.4
478.5 |
16k6
18k6 |
5h9
6h9 |
18
20.5 |
100
118 |
70H8
80H8 |
20JS9
22JS9 |
74.9
85.4 |
|
3KTC180N
3TKC220N |
82
82 |
588.1
647.0 |
40k6
45k6 |
12h9
14h9 |
43
48.5 |
58
58 |
564.1
633.0 |
30k6
35k6 |
8h9
10h9 |
33
38 |
36
36 |
542.1
611.0 |
20k6
22k6 |
6h9
6h9 |
22.5
24.5 |
125
135 |
90H8
100H8 |
25JS9
28JS9 |
95.4
106.4 |
|
3TKC225N
3TKC250N |
82
82 |
734.5
808.9 |
50k6
55m6 |
14h9
16h9 |
53.5
59 |
82
82 |
734.5
808.9 |
40k6
45k6 |
12h9
14h9 |
43
48.5 |
42
58 |
694.5
784.9 |
25k6
30k6 |
8h9
8h9 |
28
33 |
154
172 |
110H8
120H8 |
28JS9
32JS9 |
116.4
127.4 |
|
3TKC280N
3TKC315N |
105
105 |
917.8
1020.1 |
60m6
65m6 |
18h9
18h9 |
64
69 |
82
82 |
894.8
997.1 |
50k6
55m6 |
14h9
16h9 |
53.5
59 |
58
82 |
870.8
997.1 |
35k6
40k6 |
10h9
12h9 |
38
43 |
192
218 |
140H8
160H8 |
36JS9
40JS9 |
148.4
169.4 |
|
3TKC355N
3TKC400N |
105
130 |
1128.8
1278.5 |
70m6
80m6 |
20h9
22h9 |
74.5
85 |
105
105 |
1128.8
1253.5 |
60m6
65m6 |
18h9
18h9 |
64
69 |
82
82 |
1105.8
1230.6 |
45k9
50k6 |
14h9
14h9 |
48.5
53.5 |
240
270 |
180H8
200H8 |
45JS9
45JS9 |
190.4
210.4 |
額定機械功率
|
減速器
型號 |
n1/
(r/min) |
額定機械功率PN1/kW | |||||||||||||
|
公稱傳動比iN | |||||||||||||||
|
20 |
22.5 |
25 |
28 |
31.5 |
35.5 |
40 |
45 |
50 |
56 |
63 |
71 |
80 |
90 | ||
|
3TKC140N |
1800
1500
1200
1000 |
32.6+
28.2+
22.6+
18.9+ |
31.8+
27.1+
21.7+
18.1+ |
29.9+
25.0+
20.0+
16.7+ |
25.7+
22.1+
17.7+
14.8+ |
24.5+
20.4+
16.4+
13.6+ |
17.5+
14.6+
11.7+
9.77+ |
15.1+
12.7+
10.2+
8.57+ |
13.8+
11.6+
9.34+
7.80+ |
12.0+
10.0+
8.10+
6.77+ |
10.9+
9.16+
7.34+
6.14+ |
9.87+
8.27+
6.67+
5.59+ |
7.91+
6.96+
5.85+
4.91+ |
7.91+
6.63+
5.35+
4.48+ |
7.06+
5.92+
4.77+
4.00+ |
|
3TKC160N |
1800
1500
1200
1000 |
47.7+
39.9+
32.0+
26.7+ |
43.8+
36.8+
29.6+
24.9+ |
38.4+
32.1+
25.7+
21.4+ |
36.0+
30.1+
24.3+
20.4+ |
33.0+
27.7+
22.3+
18.7+ |
28.6+
24.0+
19.4+
16.2+ |
22.8+
19.0+
15.2+
12.7+ |
18.7+
15.6+
12.5+
10.4+ |
17.8+
14.9+
11.9+
9.93+ |
14.6+
12.2+
9.79+
8.18+ |
12.7+
10.6+
8.49+
7.12+ |
9.06+
7.97+
6.82+
6.00+ |
9.06+
7.97+
6.81+
5.71+ |
8.45+
7.43+
5.99+
5.02+ |
|
3TKC180N |
1800
1500
1200
1000 |
68.2+
56.9+
45.7+
38.1+ |
64.6+
54.1+
43.6+
36.6+ |
55.5+
46.3+
37.1+
31.0+ |
53.4+
44.8+
36.1+
30.3+ |
43.4+
36.3+
29.1+
24.3+ |
41.0+
34.2+
27.4+
22.9+ |
37.2+
31.0+
24.9+
20.7+ |
30.4+
25.3+
20.3+
16.9+ |
29.3+
24.4+
19.6+
16.3+ |
24.0+
20.0+
16.0+
13.4+ |
20.7+
17.5+
14.0+
11.8+ |
18.9+
15.8+
12.7+
10.6+ |
16.6+
13.9+
11.2+
9.36+ |
14.1+
11.8+
9.55+
8.02+ |
|
3TKC200N |
1800
1500
1200
1000 |
104+
88.4+
71.3+
59.8+ |
93.0+
77.7+
62.3+
52.0+ |
82.5+
69.0+
55.3+
46.2+ |
75.4+
63.0+
50.5+
42.1+ |
69.3+
57.8+
46.3+
38.6+ |
61.7+
52.9+
42.7+
35.6+ |
50.9+
43.6+
36.1+
30.9+ |
46.7+
39.1+
31.5+
26.4+ |
41.4+
34.8+
28.0+
23.5+ |
37.3+
31.3+
25.2+
21.1+ |
27.6+
23.1+
18.5+
15.5+ |
23.8+
20.9+
17.9+
15.5+ |
21.8+
18.2+
14.6+
12.3+ |
18.9+
15.8+
12.8+
10.7+ |
|
3TKC225N |
1800
1500
1200
1000 |
132
116+
95.9+
79.9+ |
132
116+
95.9+
79.9+ |
131
110+
88.5+
74.3+ |
118+
98.6+
79.1+
66.1+ |
108+
90.9+
73.3+
61.4+ |
96.6+
81.4+
65.6+
55.0+ |
73.0+
60.9+
48.8+
40.7+ |
66.2+
55.2+
44.3+
36.9+ |
60.5+
50.7+
40.9+
34.3+ |
52.4+
43.7+
35.0+
29.3+ |
46.3+
38.6+
30.9+
25.9+ |
32.2+
28.3+
24.2+
21.3+ |
32.2+
28.3+
24.2+
20.6+ |
30.8+
25.8+
20.8+
17.4+ |
|
3TKC250N |
1800
1500
1200
1000 |
215
185
153
132+ |
198
170
141
121+ |
176
151
125
108+ |
158
136+
113+
96.5+ |
146+
126+
104+
88.0+ |
135+
116+
95.6+
80.1+ |
120+
102+
81.5+
68.0+ |
109+
92.7+
74.7+
62.6+ |
95.8+
80.0+
64.1+
55.3+ |
87.6+
73.4+
59.2+
49.6+ |
74.9+
64.4+
53.5+
45.9+ |
57.3+
48.5+
39.0+
32.7+ |
57.3+
49.5+
39.9+
33.4+ |
43.9+
38.7+
33.1+
29.1+ |
|
3TKC280N |
1800
1500
1200
1000 |
318
273
226
194+ |
283
243
202
172+ |
25
222
184
155+ |
226
194
158+
132+ |
207
178
142+
118+ |
190
161+
128+
107+ |
174
145+
116+
96.5+ |
153
128+
103+
86.1+ |
139+
116+
92.6+
77.2+ |
119+
102+
84.0+
70.4+ |
110+
94.3+
76.4+
64.0+ |
73.5+
64.7+
55.3+
46.4+ |
73.5+
64.7+
55.3+
46.9+ |
57.5+
48.2+
38.8+
32.5+ |
|
3TKC315N |
1800
1500
1200
1000 |
443
380
315
270 |
406
348
289
248 |
371
318
264
227 |
325
279
232+
199+ |
297
255
211+
182+ |
276
237+
197+
169+ |
252
217+
180+
154+ |
229
191+
154+
128+ |
208+
174+
140+
117+ |
182+
152+
122+
102+ |
145+
122+
98.1+
82.2+ |
115+
96.4+
77.6+
65.0+ |
115+
96.4+
77.7+
65.1+ |
95.2+
79.7+
64.2+
53.8 |
|
3TKC355N |
1800
1500
1200
1000 |
647*
566
469
391 |
605*
519
430
369 |
537*
461
382
321 |
484
415
345
296+ |
430
367
295
247+ |
411
353
293+
247+ |
362
303
244+
204+ |
319
267
214+
179+ |
271
226+
182+
152+ |
247
210+
168+
140+ |
226
190+
152+
126+ |
130+
115+
98.1+
86.4+ |
130+
115+
98.1+
86.4+ |
114+
95.9+
77.3+
64.8+ |
|
3TKC400N |
1800
1500
1200
1000 |
841*
714
587
501 |
750*
638
526
450 |
680*
579
478
410 |
594
508
423
365+ |
540
462
383
329+ |
502
430
357+
308+ |
457
392
326+
281+ |
410
352
293+
249+ |
378
316
254+
212+ |
358
309+
254+
212+ |
321
275+
230+
193+ |
215+
189+
159+
133+ |
204+
179+
153+
135+ |
187+
157+
126+
106+ |
注:1.功率:功率為額定值,使用系數FS=1.0。也制造功率更大的減速器。
2.潤滑:除根據齒輪圓周速度需要用壓力潤滑或浸油潤滑之外,用飛濺潤滑。
3.冷卻:如果實際傳遞的機械功率大于熱功率需要用人工冷卻。
4.*表示要求壓力潤滑,+表示要求浸油潤滑。
熱功率
|
減速機型號 |
熱功率/kW | |
|
PTN
20<i≤40 |
PTN
40<i≤90 | |
|
3TKC140N
3TKC160N |
29
36 |
31
39 |
|
3TKC180N
3TKC200N |
44
55 |
48
60 |
|
3TKC225N
3TKC250N |
78
92 |
85
100 |
|
3TKC280N
3TKC315N |
114
142 |
125
155 |
|
3TKC355N
3TKC400N |
174
215 |
190
235 |
注:PTN=環境溫度20℃時額定熱功率。
精確傳動比
|
減速器
型號 |
精確傳動比iex | |||||||||||||
|
20 |
22.5 |
25 |
28 |
31.5 |
35.5 |
40 |
45 |
50 |
56 |
63 |
71 |
80 |
90 | |
|
3TKC140N |
20.785 |
23.063 |
25.375 |
27.955 |
30.758 |
35.662 |
40.039 |
43.973 |
50.959 |
55.966 |
62.395 |
70.357 |
78.440 |
88.245 |
|
3TKC160N |
20.733 |
23.091 |
25.080 |
27.932 |
30.842 |
34.202 |
38.627 |
44.371 |
49.162 |
56.472 |
62.876 |
70.993 |
79.044 |
90.022 |
|
3TKC180N |
20.730 |
23.685 |
25.127 |
28.709 |
32.069 |
35.568 |
39.793 |
45.709 |
50.200 |
57.664 |
64.203 |
73.135 |
81.429 |
92.738 |
|
3TKC200N |
20.758 |
23.571 |
25.161 |
28.571 |
31.539 |
35.417 |
39.545 |
43.665 |
49.334 |
55.085 |
61.847 |
69.864 |
78.440 |
89.334 |
|
3TKC225N |
20.855 |
23.005 |
25.499 |
27.828 |
30.845 |
34.817 |
39.150 |
43.904 |
49.257 |
55.387 |
61.420 |
70.247 |
77.898 |
88.717 |
|
3TKC250N |
20.263 |
22.396 |
25.874 |
29.255 |
32.083 |
35.461 |
40.967 |
45.833 |
52.140 |
58.333 |
63.873 |
71.772 |
80.298 |
90.335 |
|
3TKC280N |
19.649 |
22.632 |
25.263 |
29.563 |
33.000 |
36.311 |
40.533 |
44.756 |
50.667 |
56.296 |
62.160 |
71.111 |
78.518 |
89.424 |
|
3TKC315N |
20.458 |
22.697 |
25.343 |
29.596 |
33.046 |
35.938 |
40.127 |
45.000 |
50.622 |
56.769 |
63.639 |
71.973 |
80.713 |
91.923 |
|
3TKC355N |
19.919 |
22.105 |
25.526 |
28.824 |
33.284 |
35.000 |
40.417 |
45.000 |
50.987 |
56.652 |
63.077 |
71.852 |
80.000 |
90.000 |
|
3TKC400N |
20.027 |
22.697 |
25.343 |
29.549 |
32.993 |
35.938 |
40.127 |
45.662 |
50.622 |
54.738 |
62.288 |
69.424 |
79.000 |
88.875 |
| 頁次:5/5 每頁10條 共47條信息 分頁:[1][2][3][4][5] |
