Product list產品列表
Customer service在線客服
產品展示
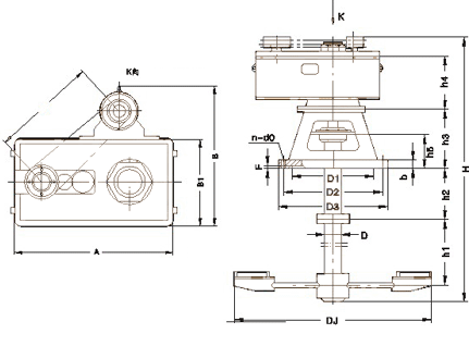
GOJ型系列硬齒面減速機系是一種新型立式釜用齒輪減速機,電機直接裝在機體上,通過三角皮帶與輸入軸相聯,集齒輪與皮帶傳動之優點于一身,具有結構新穎、運轉平穩、噪聲低、速比范圍大、體積小、重量輕、安裝檢修方便、允許正反向運轉等諸多優點,適用于冶金、化工、制藥、食品等部門液體介質的中低速強力攪拌。本系列減速機均通過了熱平衡許用功率的校核,選用方便,如需附加冷卻裝置,定貨時廠家會注明。
標記示例:


|
型號 |
出軸
直徑
D |
中心
距
a |
許用
扭矩
NM |
外形尺寸 |
安裝尺寸 |
皮帶根
數及
型號 |
重量 | |||||||||||||||
|
a1 |
DJ |
H |
A |
B |
B1 |
h4 |
h1 |
h2 |
h3 |
h5 |
D1
H8 |
D2 |
D3 |
F |
b |
n-d0 | ||||||
|
GOJ4 |
80 |
256 |
1060 |
420 |
300-1000 |
2700-4000 |
416 |
720-1000 |
314 |
400 |
500-2000 |
605 |
605 |
165 |
510 |
580 |
630 |
6 |
30 |
16-φ20 |
4-9N |
750 |
|
GOJ7.5 |
95 |
292 |
3000 |
510 |
500-1500 |
350-4500 |
454 |
890-1100 |
343 |
450 |
1000-2500 |
660 |
660 |
200 |
540 |
620 |
670 |
6 |
30 |
20-φ27 |
4-9N |
960 |
|
GOJ15 |
110 |
49 |
4730 |
650 |
800-1800 |
4000-5000 |
800 |
910-1175 |
500 |
525 |
1200-2800 |
660 |
660 |
235 |
610 |
720 |
780 |
6 |
35 |
20-φ27 |
4-15N |
1320 |
|
GOJ22 |
140 |
587 |
9000 |
780 |
1000-2000 |
3000-6000 |
1200 |
965-1230 |
600 |
575 |
1500-3000 |
750 |
750 |
250 |
850 |
930 |
1000 |
8 |
42 |
20-φ27 |
5-15N |
2050 |
|
GOJ35 |
160 |
699 |
12750 |
810 |
1100-2200 |
3000-6000 |
1300 |
980-1280 |
700 |
610 |
1800-3200 |
750 |
750 |
280 |
850 |
930 |
1000 |
8 |
2 |
20-φ27 |
5-15N |
2760 |
|
GOJ45 |
180 |
830 |
21010 |
850 |
1200-2500 |
4500-7000 |
1420 |
1020-1320 |
820 |
715 |
2000-3500 |
800 |
800 |
300 |
930 |
1020 |
1100 |
8 |
45 |
24-φ27 |
5-15N |
3450 |
|
GOJ90 |
200 |
1270 |
36000 |
1180 |
1500-3800 |
6000-12000 |
1870 |
1020-1770 |
1210 |
860 |
3000-10000 |
800 |
900 |
350 |
980 |
1050 |
1200 |
8 |
50 |
28-φ30 |
6-15N |
5035 |
|
GOJ110 |
230 |
1750 |
70000 |
1500 |
2000-8000 |
8000-30000 |
2880 |
1870-2650 |
1820 |
1120 |
6000-30000 |
1100 |
1200 |
500 |
1300 |
1470 |
1600 |
10 |
55 |
36-φ40 |
9-15N |
7150 |
注:1、h2軸伸尺寸,可根據設計需要改變,但訂貨時要注明,若攪拌裝置有底軸承或中間軸承H可增長。
2、如需要其他攪拌器,請參照說明書。
GOJ型硬齒面齒輪減速機選用表
|
傳動比i |
125 |
83 |
62 |
45 |
31 |
45 |
40 |
31 |
31 |
27 |
25 |
20 |
18 |
15 |
13 |
減速機
型號 |
許用
扭矩 |
|
出軸轉數 |
8 |
12 |
16 |
22 |
32 |
33 |
38 |
48 |
48 |
55 |
60 |
75 |
85 |
100 |
120 | ||
|
電機極數 |
6極電機(1000rpm) |
4極電機(1500rpm) | |||||||||||||||
|
電機功率 | |||||||||||||||||
|
1.5 |
1 |
2 |
3 |
1 |
2 |
4 |
6 |
9 |
12 |
16 |
20 |
25 |
30 |
36 |
42 |
GOJ4 |
1060 |
|
2.2 |
1 |
3 |
4 |
5 |
3 |
5 |
7 |
10 |
13 |
17 |
21 |
26 |
31 |
37 |
43 | ||
|
3 |
2 |
4 |
6 |
6 |
7 |
9 |
8 |
11 |
14 |
18 |
22 |
27 |
32 |
38 |
44 | ||
|
4 |
1 |
5 |
7 |
9 |
8 |
10 |
11 |
13 |
15 |
19 |
23 |
28 |
33 |
39 |
45 | ||
|
5.5 |
2 |
3 |
8 |
10 |
12 |
14 |
12 |
14 |
15 |
17 |
24 |
29 |
34 |
40 |
46 | ||
|
7.5 |
1 |
4 |
5 |
11 |
13 |
15 |
17 |
19 |
16 |
18 |
19 |
21 |
35 |
41 |
47 | ||
|
11 |
1 |
2 |
6 |
7 |
8 |
16 |
18 |
20 |
22 |
25 |
20 |
22 |
23 |
25 |
27 |
GOJ7.5 |
3000 |
|
15 |
2 |
3 |
3 |
5 |
9 |
11 |
14 |
21 |
23 |
26 |
28 |
31 |
24 |
26 |
28 | ||
|
18.5 |
1 |
4 |
4 |
6 |
10 |
12 |
15 |
17 |
24 |
27 |
29 |
32 |
34 |
37 |
40 |
GOJ15 |
4730 |
|
22 |
2 |
5 |
6 |
7 |
8 |
13 |
16 |
18 |
19 |
21 |
30 |
33 |
35 |
38 |
41 | ||
|
30 |
3 |
4 |
7 |
8 |
9 |
10 |
12 |
14 |
20 |
22 |
24 |
26 |
36 |
39 |
42 | ||
|
37 |
1 |
5 |
6 |
9 |
10 |
11 |
13 |
15 |
17 |
23 |
25 |
27 |
29 |
31 |
34 |
GOJ22 |
9000 |
|
45 |
2 |
4 |
7 |
8 |
11 |
12 |
14 |
16 |
18 |
20 |
22 |
28 |
30 |
32 |
35 | ||
|
55 |
3 |
5 |
7 |
9 |
10 |
13 |
15 |
16 |
19 |
21 |
23 |
24 |
26 |
33 |
36 | ||
|
75 |
× |
6 |
8 |
11 |
11 |
12 |
14 |
17 |
18 |
20 |
22 |
25 |
27 |
29 |
32 |
GOJ35 |
12750 |
|
90 |
× |
× |
9 |
12 |
15 |
13 |
15 |
16 |
19 |
21 |
23 |
25 |
28 |
30 |
33 | ||
|
110 |
× |
× |
10 |
13 |
16 |
19 |
24 |
17 |
18 |
20 |
24 |
26 |
28 |
31 |
34 | ||
|
132 |
× |
× |
× |
14 |
17 |
20 |
25 |
30 |
19 |
21 |
23 |
27 |
29 |
31 |
34 |
GOJ45 |
21010 |
|
160 |
× |
× |
× |
× |
18 |
21 |
26 |
31 |
36 |
22 |
24 |
26 |
30 |
32 |
35 | ||
|
185 |
× |
× |
× |
× |
× |
22 |
27 |
32 |
37 |
43 |
25 |
27 |
30 |
33 |
36 | ||
|
200 |
× |
× |
× |
× |
× |
23 |
28 |
33 |
38 |
44 |
50 |
28 |
31 |
34 |
37 | ||
|
220 |
× |
× |
× |
× |
× |
× |
29 |
34 |
39 |
45 |
51 |
29 |
32 |
35 |
37 |
GOJ90 |
36000 |
|
250 |
× |
× |
× |
× |
× |
× |
× |
35 |
40 |
46 |
52 |
56 |
33 |
36 |
38 | ||
|
280 |
× |
× |
× |
× |
× |
× |
× |
× |
41 |
47 |
53 |
57 |
GOJ110 |
70000 | |||
|
315 |
× |
× |
× |
× |
× |
× |
× |
× |
42 |
48 |
54 |
58 | |||||
|
360 |
× |
× |
× |
× |
× |
× |
× |
× |
× |
49 |
55 |
59 | |||||
注:1、本系列根據p/n計算排例,p-電機功率,n-出軸軸轉速。
2、“×”號為非選擇區。
| 頁次:1/1 每頁10條 共3條信息 分頁:[1] |
