Product list產品列表
Customer service在線客服
產品展示
產品性能特性:
QSK系列斜齒輪一傘齒輪減速機結合國際減速機技術要求制造,具有很高的科技含量,節省空間,可靠耐用,承受過載能力高。產品循模塊化、最優化的設計理念,采用獨特的低噪音齒形設計,振動小,噪音低,能耗低,性能優越,減速機效率高達94%以上。齒輪傳動比分級精細,可滿足用戶各種不同需求,齒輪選用優質合金鋼材料,齒輪表面經滲碳淬火硬化處理,剛性鑄鐵箱體,經過精密加工,構成了斜齒輪一傘齒輪傳動總成的減速機配置各種類型的電機,形成了機電一體化,保證了產品使用的質量特性。
QSK系列斜齒輪一傘齒輪減速機是在模塊化組合體系的基礎上設計的,具有極其多的電機組合、安裝位置和結構方案。
型號規格表示方法舉例:

QSK系列減速機重量表: (Kg)
Type |
QSK37 |
QSK47 |
QSK57 |
QSK67 |
QSK77 |
QSK87 |
QSK97 |
QSK107 |
QSK127 |
QSK157 |
QSK167 |
QSK187 |
m(kg) |
12 |
20 |
27 |
33 |
57 |
85 |
130 |
260 |
400 |
620 |
1030 |
1800 |
注:帶輸入軸、輸入法蘭、扭力臂附件另加10%,帶電機根據所配規格另加。
潤滑方式與潤滑油的選擇:
減速機通常采用飛濺潤滑,冷卻方式通常為自然冷卻法。潤滑用油根據工作條件及環境溫度高低依次選用GB/T5903-1995中的L-CKC320、L-CKC220和L-CKC150。推薦優先選用L-CKC220。注油量同安裝方式而定。
注意:減速機出廠時不帶潤滑油!
QSK系列減速機油量表: (L)
安裝型式 |
B3、B61
B51、B55
H1、H11 |
B63、B81
B53、B57
H3、H31 |
B8
B54、B58
H2、H21 |
B31、B62
B52、B56
H4、H41 |
V5、V51
V1、V11
H6、H61 |
V6、V61
V3、V31
H5、H51 |
加油量(L) | ||||||
機座號 | ||||||
QSK…37 |
0.5 |
1.1 |
1.1 |
1.5 |
1 |
1 |
QSK…47 |
0.8 |
1.3 |
1.7 |
2.2 |
1.6 |
1.6 |
QSK…57 |
1.3 |
2.3 |
2.7 |
3 |
2.9 |
2.7 |
QSK…67 |
1.1 |
2.4 |
2.8 |
3.6 |
2.7 |
2.7 |
QSK…77 |
2.2 |
4.1 |
4.6 |
6 |
4.5 |
4.5 |
QSK…87 |
3.7 |
8.2 |
9 |
11.9 |
8.4 |
8.4 |
QSK…97 |
7 |
14.7 |
17.3 |
21.5 |
15.7 |
16.5 |
QSK…107 |
10 |
22 |
26 |
35 |
25 |
25 |
QSK…127 |
21 |
41.5 |
46 |
55 |
41 |
41 |
QSK…157 |
31 |
66 |
69 |
92 |
62 |
62 |
QSK…167 |
35 |
100 |
100 |
125 |
85 |
85 |
QSK…187 |
80 |
170 |
170 |
205 |
130 |
130 |
產品選型說明:
1、確定功率:
負載所需功率:P1
工況系數SF,其值根據不式求出
SP=F×C
其中:
F=考慮了載荷性質和持續工作時間因素的最低工況系數。見下表或工況系數表
載荷特性 |
F | ||
8h/24h |
16h/24h |
26h/24h | |
平穩載荷 |
1 |
1 |
1 |
中等沖擊載荷 |
1.15 |
1.25 |
1.4 |
重沖擊載荷 |
1.25 |
1.4 |
1.7 |
C=取決于每小時啟動次數的修正系數:
見下表:
|
C | |||
8h/24h |
16h/24h |
24h/24h | ||
啟動次數/每小時 |
<10 |
1 |
1 |
1 |
<100 |
1.15 |
1.25 |
1.4 | |
<500 |
1.25 |
1.4 |
1.7 |
按下式確定功率:
P=SF×P1
2、確定規格
根據計算功率P和輸出轉速同選型表選定減速電機規格,同時保證SF≤fB
FB=減速機的服務系數
考慮載荷性質的最低工況系數F表
應用 |
F | ||
每天工作時間 | |||
8h/24h |
16h/24 |
24h/24h | |
建筑業
攪拌機
水泥廠
灰泥噴射機 |
1.25
1.5
1 |
1.5
1.75
1 |
1.75
2
1.25 |
釀造和蒸餾
麥芽菜池
裝瓶機 |
1
1 |
1
1 |
1.25
1.25 |
電梯
提升機
貨運電梯
自動扶梯 |
1
1
1 |
1.25
1.25
1 |
1.5
1.5
1.25 |
過濾機 |
1 |
1.25 |
1.5 |
發電機 |
1 |
1 |
1.25 |
木材和塑料工業
電鋸的主動力
電鋸的進給動力
砍木機
膠合板膠機
鉆孔機
擠壓機 |
1.5
1
1.5
1
1
1.25 |
1.75
1.25
1.75
1
1
1.5 |
2
1.5
2
1.25
1.25
1.75 |
機床設備
平面刨床,龍門刨床,彎軋機
主動力,進給動力
進給和輔助動力
壓力機
折彎機
剪板機 |
1.25
1
1
1.75
1.5
1.75 |
1.5
1.25
1
2
1.75
2 |
1.75
1.5
1.25
2
2
2 |
包裝機械
紙板堆疊機械
打包機 |
1.25
1 |
1.5
1 |
1.75
1.25 |
壓縮機
離心式
軸流式 |
1
1 |
1.25
1.25 |
1.5
1.5 |
混合機
均勻密度
不均勻密度 |
1
1 |
1
1.25 |
1.25
1.5 |
鋼鐵工業
拉線機
繞線機
集中驅動輥道(無反轉)
單獨驅動輥道(無反轉)
集中驅動輥道(有反轉)
單獨驅動輥道(有反轉) |
1.25
1
1.25
1.5
1.75
2 |
1.5
1.25
1.5
1.75
2.25
2.5 |
1.75
1.5
1.75
2
2.5
2.75 |
磨機
球磨機,棒磨機
鍾磨機,粉碎機 |
1.75
1.5 |
1.75
1.75 |
1.75
2 |
泵
離心式
旋轉型,齒輪型,葉輪型,葉片型
多缸活塞泵
螺旋泵 |
1
1
1
1 |
1.25
1
1.25
1.25 |
1.5
1.25
1.5
1.5 |
攪拌機
純液體(均勻密度)
非均勻密度液體 |
1
1 |
1
1.25 |
1.25
1.5 |
考慮載荷性質的最低工況系數F表:
應用 |
F | ||
每天工作時間 | |||
8h/24h |
16h/24 |
24h/24h | |
液體和固體 |
1.25 |
1.5 |
1.75 |
輸送機
平穩加載
重載鏈和螺旋輸送
振動輸送機 |
1
1
1.5 |
1
1.25
1.75 |
1.25
1.5
2 |
風扇
離心式風扇
工業風扇
冷卻塔動力 |
1
1
1.75 |
1
1.25
1.75 |
1.25
1.5
1.75 |
食品工業
粉碎機
甜菜切片機,揉面機
碾肉機
填充機
和面機
擠壓機
甘蔗切碎機
榨糖機
烤面包機 |
1.75
1.25
1.25
1
1
1.25
1.75
1.75
1.25 |
2
1.5
1.5
1
1.25
1.5
1.75
1.75
1.25 |
2.25
1.75
1.5
1.25
1.5
1.75
1.75
1.75
1.25 |
水處理
普通通風裝置
旋轉木馬式通風裝置
條柵式篩子,搜集器
螺旋泵 |
1.5
1.75
1
1 |
1.5
1.75
1
1.25 |
1.5
1.75
1.25
1.5 |
篩子
旋轉式(石頭,砂)
行進式吸水機 |
1
1 |
1.25
1 |
1.5
1.25 |
輔助動力伺服系統
微動裝置
無載荷 |
1
1.25 |
1.25 |
1.25 |
農用機械
施肥平土機
收割機 |
1
1 |
1
1 |
|
紡織工業
織機
紡紗機
洗漆機 |
1.25
1
1 |
1.5
1
1.25 |
1.75
1.25
1.5 |
印刷和制紙技術
切害機
卷筒
打包進科機 |
1
1
1 |
1.25
1
1.25 |
1.5
1.25
1.25 |
徑向力校核
確定徑向載荷
不同的齒軸聯接方式,必須考慮選用不同的傳動元件系數fz。
傳動元件 |
傳動元件系數 |
備注 |
齒輪 |
1.15 |
<17牙 |
鏈輪 |
1.40 |
<13牙 |
鏈輪 |
1.25 |
<20牙 |
三角帶 |
1.75 |
|
皮帶輪 |
2.50 |
|
同步帶 |
2.50 |
|
徑向載荷根據下式計算

并且FR<FXW
FR=徑向載荷 N
Md=轉矩 N.m
Do=安裝傳動件的名義直徑 mm
FZ=傳動元件系數
FRa=許用徑向載荷(查選型表)
徑向力校核
實際作用點不在齒軸中間時,需用下述公式對選型表中的許用徑向力值進行計算。
取決于軸承壽命的換算后許用徑向載荷FxL:

取決于軸伸強度的換算后許用徑向載荷FXW:

FRa=選型表中給出的許用載荷<作用在X=L/2處>
X=載荷到力作用點的距離
a,b,f,c=徑向載荷轉換常數

齒輪箱徑向載荷變換常數
齒輪箱型號 |
a
[mm] |
b
[mm] |
c
[mm] |
f
[mm] |
d
[mm] |
t
[mm] |
QSK37 |
123.5 |
98.5 |
141·105 |
0 |
25 |
50 |
QSK47 |
153.5 |
123.5 |
1.78·105 |
0 |
30 |
60 |
QSK57 |
169.7 |
134.7 |
6.8·105 |
31 |
35 |
70 |
QSK67 |
181.3 |
141.3 |
4.12·105 |
0 |
40 |
80 |
QSK77 |
215.8 |
165.8 |
7.69·105 |
0 |
50 |
100 |
QSK87 |
252 |
192 |
1.64·106 |
0 |
60 |
120 |
QSK97 |
319 |
249 |
2.8·106 |
0 |
70 |
140 |
QSK107 |
373.5 |
288.5 |
5.53·106 |
0 |
90 |
170 |
QSK127 |
443.5 |
338.5 |
8.31·106 |
0 |
110 |
210 |
QSK157 |
509 |
404 |
1.18·107 |
0 |
120 |
210 |
QSK167 |
621.5 |
496.5 |
1.88·107 |
0 |
160 |
250 |
QSK187 |
720.5 |
560.5 |
3.04·107 |
0 |
190 |
320 |

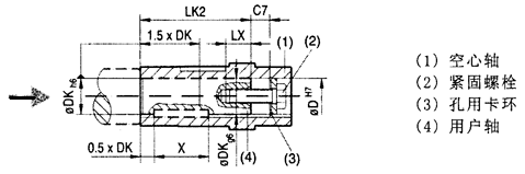
型號 |
DH7
[mm] |
DK
[mm] |
LK2
[mm] |
LX+2
[mm] |
C7
[mm] |
MS
[Nm] |
QSKA…37 |
30 |
30 |
89 |
22 |
16 |
20 |
QSKA…47 |
35 |
35 |
114 |
28 |
18 |
20 |
QSKA…57
QSKA…67 |
40 |
40 |
124
138 |
36 |
18 |
40 |
QSKA…77 |
50 |
50 |
165 |
36 |
18 |
40 |
QSKA…87 |
60 |
60 |
188 |
42 |
22 |
80 |
QSKA…97 |
70 |
70 |
248 |
42 |
22 |
80 |
QSKA…107 |
90 |
90 |
287 |
50 |
26 |
200 |
QSKA…127 |
100 |
100 |
347 |
50 |
26 |
200 |
QSKA…157 |
120 |
120 |
434 |
50 |
26 |
200 |
注:MS為螺栓擰緊力
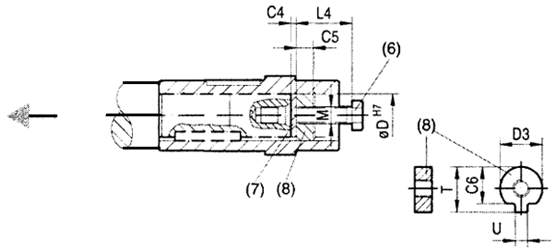
拆卸圖

(6)拆卸螺栓
(7)拆卸墊圈
(8)拆卸螺母
型號 |
DH7
[mm] |
M |
C4
[mm] |
C5
[mm] |
C6
[mm] |
U-0。5
[mm] |
T-0。5
[mm] |
D3-0。5
[mm] |
L4
[mm] |
QSKA…37 |
30 |
M10 |
5 |
10 |
25 |
7.5 |
33 |
29.7 |
35 |
QSKA…47 |
35 |
M12 |
5 |
12 |
29 |
9.5 |
38 |
34.7 |
45 |
QSKA…57
QSKA…67 |
40 |
M16 |
5 |
12 |
34 |
11.5 |
41.9 |
39.7 |
50 |
QSKA…77 |
50 |
M16 |
5 |
12 |
43.5 |
13.5 |
53.5 |
49.7 |
50 |
QSKA…87 |
60 |
M20 |
5 |
26 |
56 |
17.5 |
64 |
59.7 |
60 |
QSKA…97 |
70 |
M20 |
5 |
26 |
65.5 |
19.5 |
74.5 |
69.7 |
60 |
QSKA…107 |
90 |
M24 |
5 |
20 |
80 |
24.5 |
95 |
89.7 |
70 |
QSKA…127 |
100 |
M24 |
5 |
20 |
89 |
27.5 |
106 |
99.7 |
70 |
QSKA…157 |
120 |
M24 |
5 |
20 |
107 |
31 |
127 |
119.7 |
70 |
QSK..Y2..減速機選型表(按功率選) [kW]
功率
pm
[kW] |
轉速
n a
[r/min] |
轉矩
Ma
[Nm] |
減速比
i |
徑向力
F Ra
[N] |
服務系數
f B |
![]() |
重量
[kg] | ||
0.12 |
0.08
0.09
0.09
0.11
0.13
0.14
0.16
0.18 |
11800
10700
9880
8010
6920
6320
5220
4820 |
17550
16006
14975
12440
10915
9819
8443
7482 |
79800
80400
80700
81500
81800
82000
82300
82300 |
1.10
1.20
1.30
1.60
1.90
2.1
2.5
2.7 |
QSK
QSKF
QSKA
QSKAF |
127R77
127R77
127R77
127R77 |
Y2631-4
Y2631-4
Y2631-4
Y2631-4 |
470
510
440
460 |
0.10
0.11
0.13
0.14
0.17
0.19
0.22
0.24
0.27
0.32 |
9590
8060
6930
6280
5410
4720
3760
3320
3020
2700 |
14311
12211
10677
9524
8328
7270
6184
5662
5138
4359 |
65000
65000
65000
65000
65000
65000
65000
65000
65000
65000 |
0.85
1.00
1.15
1.25
1.50
1.70
2.1
2.4
2.7
3.0 |
QSK
QSKF
QSKA
QSKAF |
107R77
107R77
107R77
107R77 |
Y2631-4
Y2631-4
Y2631-4
Y2631-4 |
310
320
280
305 | |
0.17
0.20
0.23
0.26
0.30
0.34
0.39
0.44
0.50 |
5310
4350
3890
3560
2950
2640
2320
2040
1720 |
8054
6970
6027
5391
4669
4082
3583
3108
2757 |
39500
40000
40000
40000
40000
40000
40000
40000
40000 |
0.08
1.00
1.10
1.20
1.45
1.65
1.85
2.1
2.5 |
QSK
QSKF
QSKA
QSKAF |
97R57
97R57
97R57
97R57 |
Y2631-4
Y2631-4
Y2631-4
Y2631-4 |
180
200
160
185 | |
0.57
0.65
0.74
0.85
0.96
1.1
1.2 |
1580
1370
1220
1000
860
830
725 |
2419
2123
1856
1625
1430
1261
1102 |
40000
40000
40000
40000
40000
40000
40000 |
2.7
3.2
3.5
4.3
5.0
5.2
5.9 |
QSK
QSKF
QSKA
QSKAF |
97R57
97R57
97R57
97R57 |
Y2631-4
Y2631-4
Y2631-4
Y2631-4 |
180
200
160
185 | |
0.26
0.30
0.34
0.38
0.44
0.51
0.58 |
3380
2850
2610
2330
1990
1700
1500 |
5240
4562
4037
3609
3107
2728
2371 |
26300
27100
27400
27700
28100
28300
28500 |
0.80
0.95
1.05
1.15
1.35
1.60
1.80 |
QSK
QSKF
QSKA
QSKAF |
87R57
87R57
87R57
87R57 |
Y2631-4
Y2631-4
Y2631-4
Y2631-4 |
120
130
105
120 | |
0.66
0.74
0.83
0.97
1.1
1.3
1.4
1.7
1.9 |
1380
1220
1090
930
800
695
585
505
435 |
2088
1854
1657
1415
1229
1078
951
837
726 |
28600
28700
28700
28800
28900
28900
29000
29000
29000 |
1.95
2.2
2.5
2.9
3.4
3.9
4.6
5.4
6.2 |
QSK
QSKF
QSKA
QSKAF |
87R57
87R57
87R57
87R57 |
Y2631-4
Y2631-4
Y2631-4
Y2631-4 |
120
125
105
120 | |
0.51
0.58 |
1790
1510 |
2717
2370 |
13400
15700 |
0.85
1.05 |
QSK
QSKF
QSKA
QSKAF |
77R37
77R37
77R37
77R37 |
Y2631-4
Y2631-4
Y2631-4
Y2631-4 |
59
78
62
70 | |
0.67
0.78
0.91
0.99
1.1
1.3
1.5
1.7
1.9
2.2 |
1380
1180
1010
920
810
710
620
550
440
385 |
2050
1772
1514
1388
1218
1053
924
815
709
622 |
16500
17500
18300
18600
19000
19200
19500
19000
19800
19900 |
1.10
1.30
1.55
1.70
1.90
2.2
2.5
2.8
3.5
4.0 |
QSK
QSKF
QSKA
QSKAF |
77R37
77R37
77R37
77R37 |
Y2631-4
Y2631-4
Y2631-4
Y2631-4 |
69
77
62
70 | |
1.0
1.2
1.3
1.5
1.7
2.0
2.2
2.6
2.9
3.3
3.8
4.3
5.0
5.6
6.4 |
930
759
695
585
545
440
390
340
315
265
235
210
176
155
134 |
1315
1171
1034
903
793
697
613
542
471
420
361
323
279
246
217 |
9230
10500
11300
12000
12200
12700
12900
13000
13000
13000
13000
13000
13000
13000
13000 |
0.90
1.05
1.20
1.40
1.50
1.85
2.1
2.4
2.6
3.1
3.5
3.9
4.7
5.3
6.1 |
QKS
QSKF
QSKA
QSKAF |
67R37
67R37
67R37
67R37 |
Y2631-4
Y2631-4
Y2631-4
Y2631-4 |
45
51
42
48 | |
1.5
1.7
2.0
2.2
2.5
2.9
3.3
3.8
4.3
4.9
5.6
6.4
7.2 |
585
525
445
390
340
310
265
235
210
176
155
135
122 |
906
806
699
615
544
473
421
362
319
280
246
215
192 |
7750
8220
8690
8930
9120
9250
9420
9510
9610
9710
9770
9830
9860 |
1.05
1.15
1.35
1.55
1.75
1.95
2.3
2.5
2.9
3.4
3.9
4.4
4.9 |
QKS
QSKF
QSKA
QSKAF |
57R37
57R37
57R37
57R37 |
Y2631-4
Y2631-4
Y2631-4
Y2631-4 |
39
44
37
43 | |
2.2
2.5
2.8
3.2
3.7
4.2
4.8 |
430
370
315
280
235
215
189 |
639
552
495
426
375
327
289 |
2520
6350
6930
7240
7560
7670
7830 |
0.95
1.10
1.25
1.45
1.70
1.85
2.1 |
QKS
QSKF
QSKA
QSKAF |
47R37
47R37
47R37
47R37 |
Y2631-4
Y2631-4
Y2631-4
Y2631-4 |
33
37
32
35 | |
4.0
4.5
5.2
5.9
6.7
7.6
8.6
10 |
235
200
182
157
138
120
105
88 |
346
304
267
234
205
181
160
136 |
4840
5640
5830
6060
6220
6330
6420
6500 |
0.85
1.00
1.10
1.25
1.45
1.65
1.90
2.3 |
QKS
QSKF
QSKA
QSKAF |
37R37
37R37
37R37
37R37 |
Y2631-4
Y2631-4
Y2631-4
Y2631-4 |
19
21
19
20 | |
6.2 |
184 |
144.79 |
13000 |
4.5 |
QKS
QSKF
QSKA
QSKAF |
67
67
67
67 |
Y2631-4
Y2631-4
Y2631-4
Y2631-4 |
34
40
32
37 | |
6.2
7.3
8.3
8.8
10
12 |
185
158
138
131
115
98 |
145.14
123.85
108.29
102.88
90.26
76.56 |
9680
9760
9820
9840
9880
9930 |
3.3
3.8
4.4
4.6
5.2
6.2 |
QKS
QSKF
QSKA
QSKAF |
57
57
57
57 |
Y2631-4
Y2631-4
Y2631-4
Y2631-4 |
28
33
26
32 | |
9.5
11
13
13
15 |
121
103
90
85
75 |
145.14
123.85
108.29
102.88
90.26 |
9870
9920
9950
9960
9990 |
5.0
5.8
6.7
7.0
8.0 |
QKS
QSKF
QSKA
QSKAF |
57
57
57
57 |
Y2631-4
Y2631-4
Y2631-4
Y2631-4 |
28
33
26
32 | |
6.8
7.4
8.6 |
168
155
133 |
131.87
121.48
104.37 |
7930
7990
8070 |
2.4
2.6
3.0 |
QKS
QSKF
QSKA
QSKAF |
47
47
47
47 |
Y2631-4
Y2631-4
Y2631-4
Y2631-4 |
22
26
22
25 | |
10
11 |
110
101 |
131.87
121.48 |
8140
8170 |
3.7
4.0 |
QKS
QSKF
QSKA
QSKAF |
47
47
47
47 |
Y2631-4
Y2631-4
Y2631-4
Y2631-4 |
22
26
22
25 | |
8.5
9.2
11
12 |
136
125
107
92 |
106.38
97.81
83.69
72.54 |
6230
6300
6410
6480 |
1.50
1.60
1.90
2.2 |
QSK
QSKF
QSKA
QSKAF |
37
37
37
37 |
Y2631-4
Y2631-4
Y2631-4
Y2631-4 |
16
18
16
18 | |
13
14
16
19
20
24
28
31
36
39
46
48
55
59
68
80
90
105
114 |
88
81
70
60
56
49
41
37
32
30
25
24
21
19
17
14
13
11
10 |
106.38
97.81
83.69
72.54
67.80
58.60
49.79
44.48
37.97
35.57
29.96
28.83
24.99
23.36
20.19
17.15
15.31
13.08
12.14 |
6500
6530
6570
6600
6610
6430
6130
5930
5660
5550
5270
5210
4980
4880
4660
4430
4280
4070
3970 |
2.3
2.5
2.9
3.3
3.6
4.1
4.8
5.4
6.4
6.8
8.0
8.4
9.6
10
11
13
14
15
16 |
QSK
QSKF
QSKA
QSKAF |
37
37
37
37 |
Y2631-4
Y2631-4
Y2631-4
Y2631-4 |
16
18
16
18 |
QSK..Y2..減速機選型表(按功率選) [Kw]
功率
pm
[kW] |
轉速
n a
[r/min] |
轉矩
Ma
[Nm] |
減速比
i |
徑向力
F Ra
[N] |
服務系數
f B |
![]() |
重量
[kg] | ||
0.18 |
0.09
0.11
0.12
0.13
0.16
0.18
1.20
0.23
0.26
0.30
0.34
0.40 |
16300
13400
11600
10500
8850
8040
6990
5940
5220
4530
3960
3310 |
14975
12440
10915
9819
8443
7482
6565
5804
5027
4423
3889
3311 |
73200
79000
79900
80400
81100
81400
81800
82100
82300
82400
82500
82600 |
0.80
0.95
1.10
1.25
1.45
1.60
1.85
2.2
2.5
2.9
3.3
3.9 |
QSK
QSKF
QSKA
QSKAF |
127R77
127R77
127R77
127R77 |
Y2632-4
Y2632-4
Y2632-4
Y2632-4 |
470
510
440
480 |
0.16
0.18
0.21
0.23
0.26
0.30
0.35
0.39
0.44
0.51
0.58 |
8990
7850
6420
5760
5230
4570
4000
3440
3090
2700
2340 |
8328
7270
6184
5662
5138
4359
3810
3358
2977
2599
2286 |
65000
65000
65000
65000
65000
65000
65000
65000
65000
65000
65000 |
0.90
1.00
1.25
1.40
1.55
1.75
2.0
2.3
2.6
3.0
3.4 |
QSK
QSKF
QSKA
QSKAF |
107R77
107R77
107R77
107R77 |
Y2632-4
Y2632-4
Y2632-4
Y2632-4 |
310
320
280
305 | |
0.28
0.32
0.37
0.42
0.48 |
4960
4390
3860
3370
2910 |
4669
4082
3583
3108
2757 |
39900
40000
40000
40000
40000 |
0.85
1.00
1.10
1.25
1.50 |
QSK
QSKF
QSKA
QSKAF |
97R57
97R57
97R57
97R57 |
Y2632-4
Y2632-4
Y2632-4
Y2632-4 |
180
200
160
185 | |
0.55
0.62
0.71
0.81
0.92
1.1
1.2
1.4
1.5
1.8
2.0 |
2640
2290
2030
1710
1490
1380
1210
1040
930
755
675 |
2419
2123
1856
1625
1430
1261
1102
957
855
743
652 |
40000
40000
40000
40000
40000
40000
40000
40000
40000
40000
40000 |
1.65
1.90
2.1
2.5
2.9
3.1
3.6
4.1
4.6
5.7
6.4 |
QSK
QSKF
QSKA
QSKAF |
97R57
97R57
97R57
97R57 |
Y2632-4
Y2632-4
Y2632-4
Y2632-4 |
180
200
160
185 | |
0.42
0.48
0.56 |
3330
2880
2520 |
2107
2728
2371 |
26400
27100
27500 |
0.80
0.95
1.05 |
QSK
QSKF
QSKA
QSKAF |
87R57
87R57
87R57
87R57 |
Y2632-4
Y2632-4
Y2632-4
Y2632-4 |
120
130
105
120 | |
0.63
0.71
0.80
0.93
1.1
1.2
1.4
1.6
1.8 |
290
2030
1820
1540
1340
1160
1000
870
755 |
2088
1854
1657
1415
1229
1078
951
837
726 |
27800
28000
28200
28400
28600
28700
28800
28800
28900 |
1.20
1.35
1.50
1.75
2.0
2.3
2.7
3.1
3.6 |
QSK
QSKF
QSKA
QSKAF |
87R57
87R57
87R57
87R57 |
Y2632-4
Y2632-4
Y2632-4
Y2632-4 |
120
125
105
120 | |
0.87
0.95
1.1
1.2
1.4
1.6
1.9
2.1
2.4
2.7
3.1
3.6 |
1670
1630
1340
1170
1030
910
750
655
590
515
455
400 |
1514
1388
1218
1053
924
815
709
622
552
485
428
367 |
14500
15500
16700
17600
18200
18700
19100
19400
19500
19700
19800
19900 |
0.95
1.00
1.15
1.35
1.50
1.70
2.1
2.4
2.6
3.0
3.4
3.9 |
QSK
QSKF
QSKA
QSKAF |
77R37
77R37
77R37
77R37 |
Y2632-4
Y2632-4
Y2632-4
Y2632-4 |
69
77
62
70 | |
1.5
1.7
1.9
2.1
2.4
2.8
3.1
3.6
4.1
4.7 |
980
890
745
655
580
520
445
395
350
295 |
903
793
697
613
542
471
420
361
323
279 |
5660
9620
10900
11600
12000
12300
126
12800
13000
13000 |
0.85
0.90
1.10
1.25
1.40
1.60
1.85
2.1
2.4
2.8 |
QSK
QSKF
QSKA
QSKAF |
67R37
67R37
67R37
67R37 |
Y2632-4
Y2632-4
Y2632-4
Y2632-4 |
45
51
42
48 | |
2.1
2.4
2.8
3.1
3.6
4.1
4.7
5.4
6.1
6.9
7.9 |
660
580
515
450
395
350
300
260
230
205
178 |
615
544
473
421
362
319
280
246
215
192
166 |
5580
7800
8300
8670
8900
9100
9290
9420
9540
9610
9700 |
0.90
1.05
1.15
1.35
1.50
1.75
2.0
2.3
2.6
2.9
3.4 |
QSK
QSKF
QSKA
QSKAF |
57R37
57R37
57R37
57R37 |
Y2632-4
Y2632-4
Y2632-4
Y2632-4 |
39
44
37
43 | |
3.5
4.0
4.6
5.2
5.9
6.7
7.7
8.6
10 |
400
360
315
275
245
210
183
164
142 |
375
327
289
256
225
198
171
153
131 |
5930
6440
6920
7290
7500
7710
7860
7950
8040 |
1.00
1.10
1.25
1.45
1.65
1.90
2.2
2.4
2.8 |
QSK
QSKF
QSKA
QSKAF |
47R37
47R37
47R37
47R37 |
Y2632-4
Y2632-4
Y2632-4
Y2632-4 |
33
37
32
35 | |
6.4
7.3
8.2
9.7
10 |
225
199
175
148
140 |
205
181
160
136
127 |
5300
5650
5900
6140
6200 |
0.90
1.00
1.15
1.35
1.45 |
QSK
QSKF
QSKA
QSKAF |
37R37
37R37
37R37
37R37 |
Y2632-4
Y2632-4
Y2632-4
Y2632-4 |
19
21
19
20 | |
6.0
7.0
8.1
8.5 |
285
245
215
205 |
144.79
123.54
108.03
102.62 |
13000
13000
13000
13000 |
2.9
3.4
3.8
4.0 |
QSK
QSKF
QSKA
QSKAF |
67
67
67
67 |
Y2711-6
Y2711-6
Y2711-6
Y2711-6 |
35
40
32
38 | |
9.1
11
12 |
189
161
141 |
144.79
123.54
108.03 |
13000
13000
13000 |
4.4
5.1
5.8 |
QSK
QSKF
QSKA
QSKAF |
67
67
67
67 |
Y2632-4
Y2632-4
Y2632-4
Y2632-4 |
34
40
32
37 | |
6.0
7.0
8.0
8.5
9.6 |
285
245
215
205
178 |
145.14
123.85
108.29
102.88
90.26 |
9340
9480
9590
9620
9700 |
2.1
2.5
2.8
3.0
3.4 |
QSK
QSKF
QSKA
QSKAF |
57
57
57
57 |
Y2711-6
Y2711-6
Y2711-6
Y2711-6 |
29
34
27
33 | |
9.1
11
12
13
15
17 |
189
161
141
134
118
100 |
145.14
123.85
108.29
102.88
90.26
76.56 |
9670
9750
9810
9830
9880
9920 |
3.2
3.7
4.3
4.5
5.1
6.0 |
QSK
QSKF
QSKA
QSKAF |
57
57
57
57 |
Y2632-4
Y2632-4
Y2632-4
Y2632-4 |
28
33
26
32 | |
6.6
7.2
8.3
9.6
10 |
260
240
205
180
168 |
131.87
121.48
104.37
90.86
85.12 |
7380
7530
7740
7880
7930 |
1.55
1.65
1.95
2.2
2.4 |
QSK
QSKF
QSKA
QSKAF |
47
47
47
47 |
Y2711-6
Y2711-6
Y2711-6
Y2711-6 |
23
26
22
25 | |
10
11
13
15
16 |
172
158
136
118
111 |
131.87
121.48
104.37
90.86
85.12 |
7910
7970
8060
8120
8140 |
2.3
2.5
2.9
3.4
3.6 |
QSK
QSKF
QSKA
QSKAF |
47
47
47
47 |
Y2632-4
Y2632-4
Y2632-4
Y2632-4 |
22
26
22
25 | |
8.2
8.9
10
12 |
210
193
165
143 |
106.38
97.81
83.69
72.54 |
5520
5710
5990
6170 |
0.95
1.05
1.20
1.40 |
QSK
QSKF
QSKA
QSKAF |
37
37
37
37 |
Y2711-6
Y2711-6
Y2711-6
Y2711-6 |
17
19
17
18 | |
12
14
16
18
19
23
27
30
35
37
44
46
53
57
65
77
86
101
109
126
148
166 |
139
127
109
95
88
76
65
58
49
46
39
38
33
30
26
22
20
17
16
14
12
10 |
106.38
97.81
83.69
72.54
67.80
58.60
49.79
44.46
37.97
35.57
29.96
28.83
24.99
23.36
20.19
17.15
15.31
13.08
12.14
10.19
8.91
7.96 |
6210
6280
6400
6470
6500
6280
6010
5830
5580
5480
5220
5160
4950
4850
4650
4430
4280
4080
3980
3810
3620
3490 |
1.45
1.55
1.85
2.1
2.3
2.6
3.1
3.5
4.1
4.3
5.1
6.2
6.4
7.0
8.1
8.8
9.7
10
12
14
15 |
QSK
QSKF
QSKA
QSKAF |
37
37
37
37 |
Y2632-4
Y2632-4
Y2632-4
Y2632-4 |
16
18
16
18 |
頁次:1/4 每頁10條 共34條信息 分頁:[1][2][3][4] |