Product list產品列表
Customer service在線客服
產品展示
小齒隙空回
節省空間的結構:最緊湊的正交設計,具備最大的適應性。
蝸輪:非常安靜(<55dB),很大的過載能力,更高的扭轉剛度。
免維護:高性能的聚乙二醇潤滑劑確保長壽命潤滑。
無與倫比的性能—質量價格比。
三種精度等級
EXPERT:空回<1(可調節)
MEDIUM:空回<5(固定)
BASIC:空回<10(固定)
1.經計算機優化設計的嚙合:小應力,長壽命。
2.非鍵類連接:使用漲緊套連接,非常可靠而且沒有間隙。
3.通用的與伺服電機連接方式:高扭轉剛度的連軸器+適合于所有現存伺服電機的法蘭。
4.特大錐度滾柱軸承:提供很大的容許載荷。
5.定量預載軸承設計:2只滾柱錐軸承 只可移動的滾珠軸承設計使得在同等的預載下允許溫度可以變化,這意味著可以有更高的輸入速度,更長的壽命。
6.夾緊連接套:100%可靠的無鍵剛性連接。
7.緊湊的設計,堅硬的鋁鎂合金:重量輕,載重大。

|
N1(輸入轉速) |
6000 |
4000 |
3000 |
2000 |
1000 |
| ||||||||||||||||
|
|
i |
扭矩
s5 |
η |
扭矩
s1 |
扭矩
s5 |
η |
扭矩
s1 |
扭矩
s5 |
η |
扭矩
s1 |
扭矩
s5 |
η |
扭矩
s1 |
扭矩
s5 |
η |
E-stop |
C1f |
ig |
Et |
可逆性
等級 |
Fr |
Fa |
|
35 |
5.2:1 |
23 |
94 |
16 |
27 |
93 |
18 |
31 |
92 |
22 |
36 |
91 |
29 |
48 |
89 |
96 |
0.3 |
7.4◇10-6 |
5 |
1 |
3800 |
2800 |
|
7.25:1 |
23 |
92 |
17 |
28 |
91 |
19 |
32 |
90 |
23 |
37 |
89 |
30 |
48 |
86 |
96 |
0.3 |
5.6◇10-6 |
5 |
1 |
3800 |
2800 | |
|
10.25:1 |
24 |
90 |
17 |
29 |
89 |
20 |
34 |
88 |
23 |
39 |
87 |
30 |
51 |
81 |
96 |
0.3 |
5.0◇10-6 |
5 |
1 |
3800 |
2800 | |
|
14.5:1 |
27 |
87 |
19 |
31 |
85 |
22 |
35 |
83 |
25 |
40 |
81 |
32 |
50 |
77 |
96 |
0.3 |
4.4◇10-6 |
5 |
2 |
3800 |
2800 | |
|
19.5:1 |
28 |
84 |
20 |
32 |
82 |
22 |
35 |
80 |
26 |
42 |
78 |
33 |
50 |
73 |
96 |
0.2 |
4.2◇10-6 |
5 |
2 |
3800 |
2800 | |
|
30:1 |
29 |
77 |
21 |
33 |
74 |
23 |
37 |
72 |
26 |
41 |
69 |
33 |
49 |
63 |
96 |
0.2 |
4.0◇10-6 |
5 |
3 |
3800 |
2800 | |
|
45:1 |
28 |
71 |
21 |
33 |
68 |
23 |
36 |
65 |
26 |
40 |
61 |
32 |
48 |
56 |
87 |
0.2 |
3.9◇10-6 |
5 |
3 |
3800 |
2800 | |
|
60:1 |
30 |
65 |
22 |
34 |
62 |
24 |
37 |
59 |
27 |
41 |
55 |
34 |
50 |
50 |
73 |
0.1 |
3.1◇10-6 |
5 |
3 |
3800 |
2800 | |
|
90:1 |
28 |
57 |
21 |
32 |
53 |
23 |
35 |
50 |
26 |
39 |
46 |
32 |
46 |
41 |
72 |
0.1 |
2.3◇10-6 |
5 |
3 |
3800 |
2800 | |
|
45 |
5.2:1 |
54 |
95 |
36 |
62 |
94 |
41 |
70 |
93 |
50 |
83 |
92 |
67 |
109 |
91 |
214 |
0.4 |
2.9◇10-5 |
9 |
1 |
5800 |
4000 |
|
7.25:1 |
59 |
94 |
42 |
71 |
93 |
48 |
80 |
92 |
57 |
93 |
91 |
76 |
121 |
89 |
214 |
0.4 |
2.2◇10-5 |
9 |
1 |
5800 |
4000 | |
|
10.25:1 |
68 |
92 |
46 |
80 |
90 |
53 |
88 |
89 |
62 |
98 |
88 |
80 |
128 |
85 |
214 |
0.4 |
1.5◇10-5 |
9 |
1 |
5800 |
4000 | |
|
14.5:1 |
68 |
90 |
48 |
78 |
88 |
55 |
88 |
87 |
63 |
101 |
86 |
82 |
126 |
82 |
214 |
0.4 |
1.4◇10-5 |
9 |
1 |
5800 |
4000 | |
|
19.5:1 |
58 |
89 |
42 |
67 |
87 |
47 |
74 |
86 |
54 |
86 |
84 |
69 |
104 |
80 |
214 |
0.3 |
1.0◇10-5 |
9 |
1 |
5800 |
4000 | |
|
30:1 |
67 |
83 |
49 |
77 |
80 |
54 |
85 |
78 |
62 |
96 |
76 |
77 |
115 |
71 |
214 |
0.3 |
1.0◇10-5 |
9 |
3 |
5800 |
4000 | |
|
45:1 |
65 |
77 |
48 |
75 |
75 |
53 |
83 |
72 |
61 |
93 |
69 |
74 |
111 |
64 |
185 |
0.3 |
8.2◇10-5 |
9 |
3 |
5800 |
4000 | |
|
60:1 |
63 |
73 |
47 |
73 |
70 |
51 |
79 |
68 |
58 |
87 |
64 |
71 |
106 |
59 |
170 |
0.2 |
7.3◇10-5 |
9 |
3 |
5800 |
4000 | |
|
90:1 |
63 |
66 |
46 |
71 |
62 |
50 |
76 |
59 |
57 |
86 |
56 |
68 |
99 |
50 |
154 |
0.2 |
4.6◇10-5 |
9 |
3 |
5800 |
4000 | |
|
55 |
5.2:1 |
85 |
95 |
60 |
103 |
94 |
68 |
116 |
94 |
82 |
137 |
93 |
111 |
181 |
91 |
307 |
0.6 |
7.5◇10-5 |
20 |
1 |
7000 |
4800 |
|
7.25:1 |
79 |
94 |
57 |
97 |
93 |
65 |
110 |
92 |
79 |
129 |
91 |
104 |
166 |
89 |
307 |
0.6 |
5.3◇10-5 |
20 |
1 |
7000 |
4800 | |
|
10.25:1 |
85 |
92 |
58 |
101 |
90 |
67 |
112 |
89 |
79 |
125 |
88 |
102 |
162 |
85 |
307 |
0.6 |
4.5◇10-5 |
20 |
1 |
7000 |
4800 | |
|
14.5:1 |
90 |
90 |
65 |
105 |
88 |
74 |
120 |
87 |
86 |
139 |
85 |
110 |
170 |
82 |
307 |
0.6 |
3.8◇10-5 |
20 |
1 |
7000 |
4800 | |
|
19.5:1 |
81 |
88 |
60 |
96 |
87 |
68 |
109 |
85 |
78 |
124 |
83 |
100 |
151 |
80 |
307 |
0.4 |
3.1◇10-5 |
20 |
2 |
7000 |
4800 | |
|
30:1 |
96 |
82 |
71 |
111 |
80 |
80 |
126 |
78 |
92 |
143 |
75 |
115 |
171 |
70 |
307 |
0.4 |
3.4◇10-5 |
20 |
3 |
7000 |
4800 | |
|
45:1 |
94 |
77 |
70 |
110 |
74 |
78 |
122 |
72 |
89 |
137 |
69 |
110 |
164 |
63 |
307 |
0.4 |
2.8◇10-5 |
20 |
3 |
7000 |
4800 | |
|
60:1 |
95 |
73 |
71 |
111 |
69 |
79 |
121 |
67 |
90 |
136 |
63 |
109 |
163 |
58 |
286 |
0.3 |
2.6◇10-5 |
20 |
3 |
7000 |
4800 | |
|
90:1 |
102 |
65 |
76 |
117 |
62 |
82 |
125 |
59 |
94 |
142 |
55 |
113 |
164 |
49 |
263 |
0.3 |
1.2◇10-5 |
20 |
3 |
7000 |
4800 | |
|
63 |
5.2:1 |
128 |
95 |
90 |
153 |
95 |
105 |
179 |
94 |
126 |
210 |
93 |
169 |
275 |
91 |
497 |
0.8 |
1.6◇10-4 |
36 |
1 |
8800 |
8500 |
|
7.25:1 |
123 |
95 |
91 |
155 |
94 |
103 |
174 |
93 |
125 |
206 |
92 |
165 |
264 |
90 |
497 |
0.8 |
9.0◇10-5 |
36 |
1 |
8800 |
8500 | |
|
10.25:1 |
134 |
94 |
103 |
169 |
93 |
118 |
194 |
92 |
141 |
231 |
91 |
181 |
290 |
89 |
497 |
0.8 |
8.0◇10-5 |
36 |
1 |
8800 |
8500 | |
|
14.5:1 |
133 |
91 |
95 |
155 |
90 |
110 |
178 |
89 |
129 |
208 |
87 |
166 |
255 |
84 |
497 |
0.8 |
6.9◇10-5 |
36 |
1 |
8800 |
8500 | |
|
19.5:1 |
134 |
90 |
99 |
158 |
88 |
113 |
180 |
87 |
130 |
206 |
85 |
165 |
249 |
82 |
497 |
0.5 |
5.5◇10-5 |
36 |
1 |
8800 |
8500 | |
|
30:1 |
148 |
84 |
109 |
172 |
82 |
123 |
194 |
80 |
142 |
221 |
78 |
178 |
265 |
73 |
497 |
0.5 |
5.9◇10-5 |
36 |
3 |
8800 |
8500 | |
|
45:1 |
149 |
80 |
110 |
173 |
77 |
123 |
192 |
75 |
141 |
216 |
72 |
174 |
259 |
67 |
403 |
0.5 |
5.0◇10-5 |
36 |
3 |
8800 |
8500 | |
|
60:1 |
143 |
76 |
107 |
167 |
73 |
119 |
182 |
71 |
135 |
204 |
67 |
165 |
248 |
62 |
404 |
0.4 |
4.7◇10-5 |
36 |
3 |
8800 |
8500 | |
|
90:1 |
149 |
68 |
110 |
169 |
65 |
121 |
184 |
63 |
137 |
207 |
59 |
166 |
241 |
53 |
368 |
0.4 |
3.2◇10-5 |
36 |
3 |
8800 |
8500 | |
|
75 |
5.2:1 |
213 |
96 |
147 |
252 |
95 |
174 |
296 |
94 |
209 |
349 |
94 |
282 |
459 |
92 |
834 |
1 |
3.7◇10-4 |
50 |
1 |
10500 |
10500 |
|
7.25:1 |
190 |
95 |
139 |
236 |
94 |
161 |
270 |
93 |
196 |
321 |
92 |
256 |
409 |
90 |
834 |
1 |
2.5◇10-4 |
50 |
1 |
10500 |
10500 | |
|
10.25:1 |
180 |
94 |
140 |
224 |
93 |
161 |
258 |
92 |
196 |
314 |
91 |
250 |
400 |
88 |
834 |
1 |
2.2◇10-4 |
50 |
1 |
10500 |
10500 | |
|
14.5:1 |
195 |
91 |
140 |
227 |
90 |
161 |
260 |
88 |
194 |
312 |
87 |
245 |
378 |
84 |
834 |
0.6 |
1.9◇10-4 |
50 |
1 |
10500 |
10500 | |
|
19.5:1 |
189 |
89 |
139 |
223 |
88 |
160 |
256 |
87 |
187 |
298 |
85 |
238 |
359 |
81 |
834 |
0.6 |
1.5◇10-4 |
50 |
2 |
10500 |
10500 | |
|
30:1 |
215 |
86 |
159 |
251 |
84 |
180 |
284 |
82 |
209 |
325 |
80 |
261 |
389 |
75 |
834 |
0.6 |
1.6◇10-4 |
50, , , , |
3 |
10500 |
10500 | |
|
45:1 |
218 |
79 |
164 |
258 |
76 |
185 |
289 |
74 |
213 |
326 |
71 |
264 |
393 |
65 |
718 |
0.6 |
1.4◇10-4 |
50 |
3 |
10500 |
10500 | |
|
60:1 |
208 |
75 |
162 |
252 |
72 |
179 |
275 |
69 |
204 |
308 |
66 |
253 |
379 |
60 |
657 |
0.5 |
1.3◇10-4 |
50 |
3 |
10500 |
10500 | |
|
90:1 |
218 |
68 |
167 |
257 |
64 |
184 |
280 |
62 |
209 |
316 |
57 |
255 |
370 |
52 |
625 |
0.5 |
8.0◇10-5 |
50 |
3 |
10500 |
10500 | |
|
90 |
5.2:1 |
332 |
96 |
227 |
387 |
95 |
271 |
460 |
95 |
327 |
546 |
94 |
445 |
725 |
92 |
1543 |
1.5 |
8.5◇10-4 |
75 |
1 |
15800 |
13000 |
|
7.25:1 |
376 |
95 |
263 |
460 |
95 |
306 |
490 |
95 |
373 |
597 |
94 |
490 |
784 |
92 |
1543 |
1.5 |
6.0◇10-4 |
75 |
1 |
15800 |
13000 | |
|
10.25:1 |
391 |
95 |
273 |
478 |
94 |
314 |
528 |
93 |
383 |
627 |
92 |
488 |
781 |
90 |
1543 |
1.5 |
3.8◇10-4 |
75 |
1 |
15800 |
13000 | |
|
14.5:1 |
346 |
92 |
248 |
405 |
91 |
287 |
461 |
90 |
347 |
559 |
88 |
444 |
684 |
85 |
1543 |
1.5 |
3.2◇10-4 |
75 |
1 |
15800 |
13000 | |
|
19.5:1 |
403 |
91 |
297 |
475 |
90 |
340 |
544 |
88 |
399 |
634 |
87 |
503 |
759 |
84 |
1543 |
0.8 |
2.5◇10-4 |
75 |
1 |
15800 |
13000 | |
|
30:1 |
433 |
86 |
316 |
500 |
84 |
362 |
572 |
82 |
424 |
661 |
80 |
531 |
792 |
75 |
1543 |
0.8 |
2.6◇10-4 |
75 |
3 |
15800 |
13000 | |
|
45:1 |
388 |
83 |
293 |
460 |
80 |
329 |
512 |
79 |
379 |
579 |
76 |
469 |
698 |
71 |
1255 |
0.8 |
1.9◇10-4 |
75 |
3 |
15800 |
13000 | |
|
60:1 |
403 |
80 |
306 |
478 |
77 |
341 |
524 |
75 |
389 |
587 |
72 |
474 |
711 |
67 |
1230 |
0.5 |
1.7◇10-4 |
75 |
3 |
15800 |
13000 | |
|
90:1 |
394 |
74 |
298 |
459 |
70 |
332 |
505 |
68 |
372 |
562 |
64 |
460 |
667 |
59 |
1114 |
0.5 |
1.0◇10-4 |
75 |
3 |
15800 |
13000 | |
|
110 |
5.2:1 |
567 |
96 |
390 |
666 |
95 |
458 |
779 |
95 |
561 |
937 |
94 |
760 |
1239 |
92 |
2289 |
2 |
1.85◇10-3 |
120 |
1 |
21500 |
16000 |
|
7.25:1 |
579 |
95 |
417 |
680 |
95 |
488 |
795 |
95 |
599 |
976 |
94 |
802 |
1307 |
92 |
2289 |
2 |
1.3◇10-3 |
120 |
1 |
21500 |
16000 | |
|
10.25:1 |
650 |
95 |
449 |
786 |
94 |
522 |
878 |
93 |
638 |
1047 |
92 |
827 |
1323 |
90 |
2289 |
2 |
8.5◇10-4 |
120 |
1 |
21500 |
16000 | |
|
14.5:1 |
544 |
93 |
389 |
634 |
92 |
450 |
725 |
91 |
546 |
879 |
90 |
703 |
1082 |
87 |
2289 |
2 |
6.3◇10-4 |
120 |
1 |
21500 |
16000 | |
|
19.5:1 |
600 |
92 |
439 |
702 |
91 |
506 |
810 |
90 |
606 |
964 |
88 |
767 |
1159 |
85 |
2289 |
1 |
4.6◇10-4 |
120 |
1 |
21500 |
16000 | |
|
30:1 |
614 |
89 |
449 |
709 |
88 |
513 |
811 |
86 |
601 |
937 |
84 |
749 |
1116 |
81 |
2051 |
1 |
3.5◇10-4 |
120 |
2 |
21500 |
16000 | |
|
45:1 |
631 |
85 |
474 |
744 |
82 |
538 |
839 |
80 |
623 |
952 |
78 |
771 |
1149 |
73 |
2152 |
1 |
3.3◇10-4 |
120 |
3 |
21500 |
16000 | |
|
60:1 |
636 |
81 |
486 |
759 |
79 |
546 |
840 |
77 |
626 |
945 |
73 |
765 |
1147 |
68 |
2094 |
0.8 |
3.0◇10-4 |
120 |
3 |
21500 |
16000 | |
|
90:1 |
645 |
75 |
497 |
765 |
72 |
557 |
847 |
70 |
625 |
944 |
66 |
778 |
1128 |
60 |
1941 |
0.8 |
1.7◇10-4 |
120 |
3 |
21500 |
16000 | |
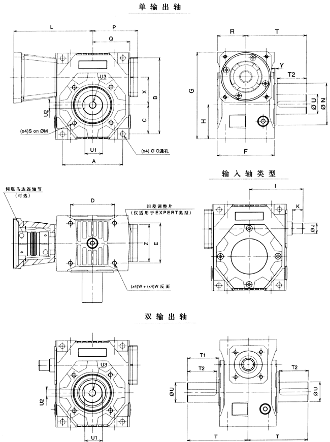
DYNABOX正交精密行星齒輪減速機空心軸型外形及安裝尺寸

|
DYNABOX |
35 |
45 |
55 |
65 |
75 |
90 |
100 |
|
A |
86 |
108 |
120 |
134 |
172 |
186 |
220 |
|
B |
110 |
135 |
155 |
173 |
208 |
234 |
276 |
|
C |
44.5 |
53 |
61 |
66 |
82 |
91 |
108 |
|
D |
62 |
81 |
90 |
98 |
136 |
141 |
175 |
|
E |
56 |
68 |
78 |
91 |
110 |
130 |
140 |
|
F |
86 |
100 |
112 |
127 |
148 |
170 |
182 |
|
G |
126 |
153 |
175 |
197 |
232 |
264 |
306 |
|
H |
52.5 |
62 |
71 |
78 |
94 |
106 |
123 |
|
I Maxi |
80 |
97 |
107 |
120 |
145 |
159 |
182 |
|
I mini |
73.5 |
89.5 |
99 |
110 |
134 |
147 |
170 |
|
J(h6) |
12 |
15 |
18 |
20 |
24 |
28 |
32 |
|
K |
17 |
20 |
22 |
24 |
28 |
28 |
36 |
|
M |
65 |
85 |
100 |
115 |
130 |
165 |
200 |
|
N(j7) |
50 |
70 |
80 |
95 |
110 |
130 |
165 |
|
O |
7 |
9 |
9 |
11 |
11 |
13 |
13 |
|
P(Maxi) |
70 |
83.5 |
91 |
101 |
124 |
136.5 |
152 |
|
Q |
55 |
67.5 |
75 |
84 |
104 |
114.5 |
132 |
|
R |
43 |
50 |
56 |
63.5 |
74 |
85 |
91 |
|
S |
M6 |
M8 |
M8 |
M10 |
M10 |
M12 |
M12(×8) |
|
T |
45 |
52 |
58 |
65.5 |
76 |
87 |
93 |
|
T1 |
45 |
52 |
58 |
65.5 |
76 |
87 |
93 |
|
T2 |
69 |
78 |
87 |
96.5 |
110 |
124 |
133 |
|
U(H7h6) |
20 |
25 |
30 |
35 |
40 |
50 |
60 |
|
U4(H7) |
16 |
25 |
30 |
35 |
50 |
50 |
60 |
|
U1 |
18.3 |
28.3 |
33.3 |
38.3 |
43.3 |
53.8 |
64.4 |
|
U2 |
5 |
8 |
8 |
10 |
12 |
14 |
18 |
|
U3 |
24 |
30 |
36 |
44 |
50 |
68 |
80 |
|
V |
50 |
60 |
72 |
80 |
90 |
115 |
138 |
|
W |
M6 |
M8 |
M8 |
M10 |
M10 |
M12 |
M12 |
|
X |
35 |
45 |
55 |
63 |
75 |
90 |
110 |
|
Y |
3 |
3 |
35 |
3.5 |
4 |
4 |
5 |
|
Z |
58 |
75 |
75 |
85 |
95 |
115 |
115 |
|
重量(kg) |
3.4 |
6.2 |
8.5 |
13.9 |
20.5 |
32.5 |
46.5 |
安裝位置

DYNABOX正交精密行星齒輪減速機輸出軸型外形及安裝尺寸

|
DYNABOX |
35 |
45 |
55 |
65 |
75 |
90 |
100 |
|
A |
86 |
108 |
120 |
134 |
172 |
186 |
220 |
|
B |
110 |
135 |
155 |
173 |
208 |
234 |
276 |
|
C |
44.5 |
53 |
61 |
66 |
82 |
91 |
108 |
|
D |
62 |
81 |
90 |
98 |
136 |
141 |
175 |
|
E |
56 |
68 |
78 |
91 |
110 |
130 |
140 |
|
F |
86 |
100 |
112 |
127 |
148 |
170 |
182 |
|
G |
126 |
153 |
175 |
197 |
232 |
264 |
306 |
|
H |
52.5 |
62 |
71 |
78 |
94 |
106 |
123 |
|
I Maxi |
80 |
97 |
107 |
120 |
145 |
159 |
182 |
|
I mini |
73.5 |
89.5 |
99 |
110 |
134 |
147 |
170 |
|
J(h6) |
12 |
15 |
18 |
20 |
24 |
28 |
32 |
|
K |
17 |
20 |
22 |
24 |
28 |
28 |
36 |
|
M |
65 |
85 |
100 |
115 |
130 |
165 |
200 |
|
N(j7) |
50 |
70 |
80 |
95 |
110 |
130 |
165 |
|
O |
7 |
9 |
9 |
11 |
11 |
13 |
13 |
|
P(Maxi) |
70 |
83.5 |
91 |
101 |
124 |
136.5 |
152 |
|
Q |
55 |
67.5 |
75 |
84 |
104 |
114.5 |
132 |
|
R |
43 |
50 |
56 |
63.5 |
74 |
85 |
91 |
|
S |
M6 |
M8 |
M8 |
M10 |
M10 |
M12 |
M12(×8) |
|
T |
45 |
52 |
58 |
65.5 |
76 |
87 |
93 |
|
T1 |
45 |
52 |
58 |
65.5 |
76 |
87 |
93 |
|
T2 |
69 |
78 |
87 |
96.5 |
110 |
124 |
133 |
|
U(H7h6) |
20 |
25 |
30 |
35 |
40 |
50 |
60 |
|
U4(H7) |
16 |
25 |
30 |
35 |
50 |
50 |
60 |
|
U1 |
18.3 |
28.3 |
33.3 |
38.3 |
43.3 |
53.8 |
64.4 |
|
U2 |
5 |
8 |
8 |
10 |
12 |
14 |
18 |
|
U3 |
24 |
30 |
36 |
44 |
50 |
68 |
80 |
|
V |
50 |
60 |
72 |
80 |
90 |
115 |
138 |
|
W |
M6 |
M8 |
M8 |
M10 |
M10 |
M12 |
M12 |
|
X |
35 |
45 |
55 |
63 |
75 |
90 |
110 |
|
Y |
3 |
3 |
35 |
3.5 |
4 |
4 |
5 |
|
Z |
58 |
75 |
75 |
85 |
95 |
115 |
115 |
|
重量(kg) |
3.6 |
6.8 |
9.2 |
15.2 |
22.2 |
35.1 |
50.3 |
安裝位置

DYNABOX正交精密行星齒輪減速機法蘭型外形及安裝尺寸

在下表中選擇所需要的法蘭。
訂貨時,如果下表的法蘭還不能滿足要求,請提供A到Z的尺寸參數,或提供伺服馬達的相關參數。
|
DYNABOX |
型 號 |
A |
B |
C mini |
D |
E |
L |
Z |
|
35 |
BM-F63/40 |
40 |
4 |
34 |
63 |
M4 |
114 |
65 |
|
BM-F70/50 |
50 |
4 |
34 |
70 |
M4 |
114 |
65 | |
|
BM-F75/60 |
60 |
4 |
34 |
75 |
M5 |
114 |
65 | |
|
BM-F90/70 |
70 |
4 |
44 |
90 |
M5 |
124 |
90 | |
|
BM-F95/50 |
50 |
4 |
34 |
95 |
M6 |
114 |
90 | |
|
BM-F100/80 |
80 |
4 |
44 |
100 |
M6 |
124 |
90 | |
|
BM-F115/95 |
95 |
5 |
44 |
115 |
M8 |
124 |
115 | |
|
BM-F130/95 |
95 |
5 |
54 |
130 |
M8 |
134 |
115 | |
|
BM-F130/110 |
110 |
5 |
54 |
130 |
M8 |
134 |
115 | |
|
BM-F145/110 |
110 |
6.5 |
64 |
145 |
M8 |
144 |
140 | |
|
45 |
BM-F70/50 |
50 |
4 |
34.5 |
70 |
M4 |
131.5 |
81 |
|
BM-F75/60 |
60 |
4 |
34.5 |
75 |
M5 |
131.5 |
81 | |
|
BM-F90/70 |
70 |
4 |
44.5 |
90 |
M5 |
141.5 |
90 | |
|
BM-F95/50 |
50 |
4 |
34.5 |
95 |
M6 |
131.5 |
90 | |
|
BM-F100/80 |
80 |
4 |
44.5 |
100 |
M6 |
141.5 |
90 | |
|
BM-F115/95 |
95 |
5 |
44.5 |
115 |
M8 |
141.5 |
115 | |
|
BM-F130/95 |
95 |
5 |
54.5 |
130 |
M8 |
151.5 |
115 | |
|
BM-F130/110 |
110 |
5 |
54.5 |
130 |
M8 |
151.5 |
115 | |
|
BM-F145/110 |
110 |
6.5 |
64.5 |
145 |
M8 |
161.5 |
140 | |
|
BM-F165/110 |
110 |
6.5 |
54.5 |
165 |
M10 |
151.5 |
140 | |
|
BM-F165/130 |
130 |
6.5 |
54.5 |
165 |
M10 |
151.5 |
140 | |
|
55 |
BM-F70/50 |
50 |
4 |
35 |
70 |
M4 |
142 |
81 |
|
BM-F75/60 |
60 |
4 |
35 |
75 |
M5 |
142 |
81 | |
|
BM-F90/70 |
70 |
4 |
45 |
90 |
M5 |
152 |
90 | |
|
BM-F95/50 |
50 |
4 |
35 |
95 |
M6 |
142 |
90 | |
|
BM-F100/80 |
80 |
4 |
45 |
100 |
M6 |
152 |
90 | |
|
BM-F115/95 |
95 |
5 |
45 |
115 |
M8 |
152 |
115 | |
|
BM-F130-95 |
95 |
5 |
55 |
130 |
M8 |
162 |
115 | |
|
BM-F130/110 |
110 |
5 |
55 |
130 |
M8 |
162 |
115 | |
|
BM-F145/110 |
110 |
6.5 |
65 |
145 |
M8 |
172 |
140 | |
|
BM-F165/110 |
100 |
6.5 |
55 |
165 |
M10 |
162 |
140 | |
|
BM-F165/130 |
130 |
6.5 |
55 |
165 |
M10 |
162 |
140 | |
|
63 |
BM-F70/50 |
50 |
4 |
32 |
70 |
M4 |
152 |
102 |
|
BM-F75/60 |
60 |
4 |
32 |
75 |
M5 |
152 |
102 | |
|
BM-F90/70 |
70 |
4 |
42 |
90 |
M5 |
162 |
90 | |
|
BM-F100/80 |
80 |
4 |
42 |
100 |
M6 |
162 |
90 | |
|
BM-F115/95 |
95 |
5 |
42 |
115 |
M8 |
162 |
90 | |
|
BM-F130/95 |
95 |
5 |
52 |
130 |
M8 |
172 |
115 | |
|
BM-F130/110 |
110 |
5 |
52 |
130 |
M8 |
172 |
115 | |
|
BM-F145/110 |
110 |
6.5 |
62 |
145 |
M8 |
182 |
115 | |
|
BM-F165/110 |
110 |
6.5 |
52 |
165 |
M10 |
172 |
140 | |
|
BM-F165/130 |
130 |
6.5 |
52 |
165 |
M10 |
172 |
140 | |
|
BM-F200.114.3 |
114.3 |
6.5 |
82 |
200 |
M10 |
202 |
140 | |
|
BM-F215/130 |
130 |
6.5 |
62 |
215 |
M12 |
182 |
200 | |
|
BM-F215/180 |
180 |
6.5 |
62 |
215 |
M12 |
182 |
200 | |
|
75 |
BM-F70/50 |
50 |
4 |
36 |
70 |
M4 |
181 |
102 |
|
BM-F75/60 |
60 |
4 |
36 |
75 |
M5 |
181 |
102 | |
|
BM-F90/70 |
70 |
4 |
46 |
90 |
M5 |
191 |
102 | |
|
BM-F100/80 |
80 |
4 |
46 |
100 |
M6 |
191 |
105 | |
|
BM-F115/95 |
95 |
5 |
46 |
115 |
M8 |
191 |
105 | |
|
BM-F130/95 |
95 |
5 |
56 |
130 |
M8 |
201 |
125 | |
|
BM-F130/110 |
110 |
5 |
56 |
130 |
M8 |
201 |
125 | |
|
BM-F145/110 |
110 |
6.5 |
66 |
145 |
M8 |
211 |
125 | |
|
BM-F165/110 |
110 |
6.5 |
56 |
165 |
M10 |
201 |
145 | |
|
BM-F165/130 |
130 |
6.5 |
56 |
165 |
M10 |
201 |
145 | |
|
BM-F200/114.5 |
114.3 |
6.5 |
86 |
200 |
M10 |
231 |
180 | |
|
BM-F215/130 |
130 |
6.5 |
66 |
215 |
M12 |
211 |
200 | |
|
BM-F215/180 |
180 |
6.5 |
66 |
215 |
M12 |
211 |
200 | |
|
90 |
BM-F100/80 |
80 |
4 |
46.5 |
100 |
M6 |
205.5 |
105 |
|
BM-F115/95 |
95 |
5 |
46.5 |
115 |
M8 |
205.5 |
105 | |
|
BM-F130/95 |
95 |
5 |
56.5 |
130 |
M8 |
215.5 |
125 | |
|
BM-F130/110 |
110 |
5 |
56.5 |
130 |
M8 |
215.5 |
125 | |
|
BM-F145/110 |
110 |
6.5 |
66.5 |
145 |
M8 |
225.5 |
125 | |
|
BM-F165/110 |
110 |
6.5 |
56.5 |
165 |
M10 |
215.5 |
145 | |
|
BM-F165/130 |
130 |
6.5 |
56.5 |
165 |
M10 |
215.5 |
145 | |
|
BM-F200/114.3 |
114.3 |
6.5 |
86.5 |
200 |
M10 |
245.5 |
180 | |
|
BM-F215/130 |
130 |
6.5 |
66.5 |
215 |
M12 |
225.5 |
200 | |
|
BM-F215/180 |
180 |
6.5 |
66.5 |
215 |
M12 |
225.5 |
200 | |
|
BM-F300/250 |
250 |
6.5 |
88.5 |
300 |
M16 |
248.5 |
260 | |
|
110 |
BM-F100/80 |
80 |
4 |
47 |
100 |
M6 |
229 |
105 |
|
BM-F115/95 |
95 |
5 |
47 |
115 |
M8 |
229 |
105 | |
|
BM-F130/95 |
95 |
5 |
57 |
130 |
M8 |
239 |
125 | |
|
BM-F130/110 |
110 |
5 |
57 |
130 |
M8 |
239 |
125 | |
|
BM-F145/110 |
110 |
6.5 |
67 |
145 |
M8 |
249 |
140 | |
|
BM-F165/110 |
110 |
6.5 |
57 |
165 |
M10 |
239 |
145 | |
|
BM-F165/130 |
130 |
6.5 |
57 |
165 |
M10 |
239 |
145 | |
|
BM-F200/114.3 |
114.3 |
6.5 |
87 |
200 |
M10 |
269 |
180 | |
|
BM-F215/130 |
130 |
6.5 |
67 |
215 |
M12 |
249 |
200 | |
|
BM-F215/180 |
180 |
6.5 |
67 |
215 |
M12 |
249 |
200 | |
|
BM-F300/250 |
250 |
6.5 |
89 |
300 |
M16 |
271 |
260 |
DYNABOX正交精密行星齒輪減速機伺服馬達

|
連軸相關參數 |
|
ANN°2 |
AMN°5 |
AMN°10 |
AMN°15 |
AMN°30 |
AMN°60 |
AMN°80 |
|
φ伺服馬達軸和DYNABOXLM軸 |
Mm |
<φ13 |
<φ16 |
<φ24 |
<φ28 |
<φ32 |
<φ35 |
<φ42 |
|
伺服馬達額定扭矩 |
Nm |
2 |
5 |
10 |
15 |
30 |
60 |
80 |
|
伺服馬達峰值扭矩 |
Nm |
5 |
12.5 |
25 |
37.5 |
75 |
150 |
200 |
|
φD |
mm |
25 |
32 |
40 |
49 |
55 |
66 |
82 |
|
L |
mm |
32 |
42 |
46 |
60 |
70 |
81 |
94 |
|
轉動慣量 |
10-3kgm2 |
0.002 |
0.01 |
0.02 |
0.05 |
0.09 |
0.18 |
0.54 |
|
扭轉鋼性 |
Nm/mn |
0.4 |
2 |
2.6 |
6 |
11 |
22 |
37 |
|
抱緊螺釘的抱緊扭矩 |
Nm |
1.5 |
3 |
4 |
8 |
15 |
40 |
50 |
訂貨時請說明連軸節參數和伺服馬達的軸徑:
例如:AMN°15φ14
在計算輸入總慣量時,請把連軸節的慣量加到齒輪箱的慣量上去。
| 頁次:1/1 每頁10條 共8條信息 分頁:[1] |

