產品展示
一、概述
YZRE系列起重及冶金用饒線轉子制動三相異步電動機由系列電動機和制動器兩部分組成,YZRE系列電動機部分符合JB/T2027—1993《YZR系列系列起重及饒線轉子三相異步電動機技術條件》。該YZRE系列電動機將驅動和制動兩種功能集于一體,具有過載能力
大和機械強度高、制動力矩可調、結構緊湊、控制方便、使用維修簡單等特點,適用于短時或斷續運行、頻繁起動、制動,有過負載的起重及冶金機械設備上作平移或起升機構的驅動和制動用。
使用條件 冷卻介質溫度不超過40℃(F級絕緣電動機)或60℃(H級絕緣電動機);海拔不超過1000m;月平均溫度為25℃時,最大空氣相對溫度為90%;YZRE-TH為用于溫熱帶氣候環境的派生產品,除前兩條規定的條件外,并能在25℃時,最大空氣相對溫度為95%;有凝露和霉菌的環境條件下正常運行。
電動機的工作制按GB755《 電機基本技術要求》的規定,分為S2、S3、S4、S5等類型,并以40%負載持續率的S3工作制為基準工作制。
型號說明:

二、結構簡介
YZRS系列電動機由YZR系列電動機和制動器兩部分組成,制動器作為電動機的一個部件裝在電機的非軸伸端,設計時基本保留了YZR系列電動機的結構型式,使該系列電機具有較高的通用性和標準化水平。
電動機的防護等級,一般環境用IP44,冶金環境用IP54,制動器均為IP23。
電動機冷卻方法,機座號H112~132為IC0041,H160~250為IC0141。
|
型號 |
同步轉速/(r/min) |
額定靜態
制動力矩/
(N·m) | |||||||||
|
1500 |
1000 |
750 | |||||||||
|
功率
/KW |
轉動慣量
(kg·m2) |
轉子繞組
開路電壓
/V |
功率
/KW |
轉動慣量
/(kg·m2) |
轉子繞組
開路電壓
/V |
功率
/KW |
轉動慣量
/(kg·m2) |
轉子繞組
開路電壓/V |
平移用 |
起升用 | |
|
YZRE112M1 YZRE112M2
YZRE112M3
YZRE132M1
YZRE132M2
YZRE160M1
YZRE160M2
YZRE160L
YZRE180L
YZRE200L
YZRE225M
YZRE250M1
YZRE250M2 |
0.75
1.5
2.2
3.7
5.5
7.5
11
15
22
—
—
—
— |
0.031
0.033
0.035
0.07
0.08
0.15
0.18
0.22
0.40
—
—
—
— |
100
100
132
187
139
185
252
218
250
—
—
—
— |
—
—
1.5
2.2
3.7
5.5
7.5
11
15
22
30
37
45 |
—
—
0.04
0.07
0.08
0.15
0.18
0.22
0.40
0.7
0.86
1.55
1.82 |
—
—
100
132
185
138
185
250
218
200
250
250
290 |
—
—
—
—
—
—
—
7.5
11
15
22
30
37 |
—
—
—
—
—
—
—
0.22
0.40
0.70
0.86
1.55
1.82 |
—
—
—
—
—
—
—
205
172
178
232
272
335 |
5.5
10
15
30
40
75
75
110
150
220
300
400
400 |
—
—
30
45
75
110
150
220
300
440
600
800
800 |
|
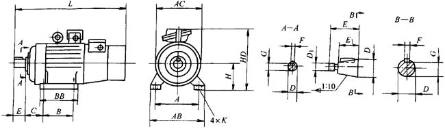
機座號
(中心高)
H |
A |
B |
C |
D |
D1 |
E |
E1 |
F |
G |
K |
螺栓
直徑 |
AB |
AC |
BB |
HD |
L |
|
112M |
190 |
140 |
70 |
32 |
— |
80 |
— |
10 |
27 |
12 |
M10
1 |
250 |
245 |
235 |
335 |
670 |
|
132M |
216 |
178 |
89 |
38 |
33 |
275 |
285 |
260 |
365 |
730 | ||||||
|
160M |
254 |
210 |
108 |
48 |
110
1 |
14 |
42.5
1 |
15 |
M12 |
320 |
325 |
290 |
425 |
875 | ||
|
160L |
254 |
335 |
920 | |||||||||||||
|
180L |
279 |
279 |
121 |
55 |
|
82 |
19.9 |
360 |
360 |
380 |
465 |
1010 | ||||
|
200L |
318 |
305 |
133 |
60 |
|
140 |
82 |
16 |
21.4 |
19 |
M16 |
405 |
405 |
400 |
510 |
1110 |
|
225M |
356 |
311 |
149 |
65 |
|
140 |
105 |
16 |
23.9 |
19 |
M16 |
455 |
430 |
410 |
545 |
1370 |
|
250M |
406 |
349 |
168 |
70 |
|
140 |
105 |
18 |
25.4 |
24 |
M20 |
515 |
480 |
510 |
605
|
1680 |

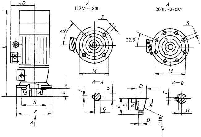
表3 IM3001、IM3003 臥式安裝,機座不帶底腳,端蓋有凸緣的電動機 (單位;mm)
|
機座號 |
凸緣號 |
D |
D1 |
E |
E1 |
F |
G |
M |
N |
P |
S |
螺栓
直徑 |
孔數
(個) |
AD |
L |
|
112M |
FF215 |
32
|
— |
80 |
— |
10 |
27 |
215 |
180 |
250 |
15 |
M12 |
4 |
220 |
670 |
|
132M |
FF265 |
38
|
33 |
265 |
230 |
300 |
220 |
730 | |||||||
|
160M |
FF300 |
55 |
110 |
14 |
42.5 |
300 |
250 |
350 |
19 |
M16 |
220 |
905 | |||
|
160L |
950 | ||||||||||||||
|
180L |
M36×3 |
82 |
19.9 |
280 |
1020 |

表4 IM3011、IM3013立式安裝、機座不帶底腳、端蓋有凸緣軸伸向下的電動機
(單位:mm)
|
機座號 |
凸緣號 |
D |
D1 |
E |
E1 |
F |
G |
M |
N |
P |
S |
螺栓
直徑 |
孔數
(個) |
AD |
L |
|
112M |
FF215 |
32 |
— |
80 |
— |
10 |
27 |
215 |
180 |
250 |
15 |
M12 |
4 |
220 |
670 |
|
132M |
FF265 |
38 |
33 |
265 |
230 |
300 |
230 |
730 | |||||||
|
160M |
FF300 |
48 |
110 |
14 |
42.5 |
300 |
250 |
350 |
19 |
M16 |
260 |
905 | |||
|
160L |
950 | ||||||||||||||
|
180L |
55 |
M36×3 |
82 |
19.9 |
280 |
1020 | |||||||||
|
200L |
FF400 |
60 |
M42×3 |
140 |
16 |
21.4 |
400 |
350 |
450 |
8 |
320 |
1190 | |||
|
225M |
65 |
105 |
23.9 |
1250 | |||||||||||
|
250M |
FF500 |
70 |
M48×3 |
18 |
25.4 |
500 |
450 |
550 |
355 |
1750 |
| 頁次:1/1 每頁10條 共3條信息 分頁:[1] |
