產品展示
內部逆止器FXRV-螺栓連接
適用高扭矩,高轉速
帶扭矩限制,不帶手動釋放裝置

|
型號
FXRV |
零件號 |
額定滑動扭矩
MR
Nm |
達到非接觸式運
轉的最低轉速
min-1 |
最大
轉速
min-1 |
標準內孔直徑系列 | ||||||
|
mm |
mm |
mm |
mm |
mm |
mm |
Max.
mm | |||||
|
80-40SX
100-50SX
120-50SX
140-50SX
170-63SX
200-63SX
240-63UX
260-63UX
290-70UX
310-96UX
360-100UX
410-100UX |
0867.085.106
0867.100.105
0867.120.114
0867.140.160
0867.170.115
0867.200.102
0867.240.101
0867.260.102
0867.290.102
0867.310.101
0867.360.101
0867.410.101 |
1400
2300
3400
4500
9000
12500
21200
30000
42500
53000
75000
100000 |
430
400
320
320
250
240
220
210
200
195
180
170 |
6000
4500
4000
3000
2700
2100
3000
2500
2500
2100
1800
1500 |
45
45
60
65
70
130
-
-
-
-
-
- |
50
50
65
90
85
-
-
-
-
-
-
- |
60
55
70
100
90
-
-
-
-
-
-
- |
65
60
75
110
100
-
-
-
-
-
-
- |
-
70
80
-
120
-
-
-
-
-
-
|
-
75
95
-
-
-
-
-
-
-
-
- |
65
80*
95
110
130
155
185
205
230
240
280
320 |
|
型號
FXRV |
零件號 |
A
mm |
C
mm |
D
mm |
E
mm |
F
|
G
|
H
mm |
K
mm |
L
mm |
M
mm |
O
mm |
R
mm |
S
mm |
T
mm |
U** |
Y |
Z | |
|
min.
mm |
Max.
mm | ||||||||||||||||||
|
80-40SX
100-50SX
120-50SX
140-50SX
170-63SX
200-63SX
240-63UX
260-63UX
290-70UX
310-96UX
360-100UX
410-100UX |
0867.085.106
0867.100.105
0867.120.114
0867.140.160
0867.170.115
0867.200.102
0867.240.101
0867.260.102
0867.290.102
0867.310.101
0867.360.101
0867.410.101 |
330
350
400
430
500
555
710
750
850
900
975
1060 |
6
6
6
6
6
6
8
8
8
10
10
10 |
280
311
345
386
462
516
630
670
755
775
850
950 |
145
160
180
200
230
260
335
335
387
412
462
515 |
M8
M8
M8
M8
M8
M8
M12
M12
M12
M12
M12
M12 |
M12
M12
M16
M16
M16
M16
M20
M20
M24
M24
M30
M30 |
34
34
36
36
43
43
50
50
50
63
63
63 |
29
31
31
31
40
40
50
50
50
63
63
63 |
60
70
70
70
80
80
90
105
105
120
125
125 |
12
12
12
12
15
15
20
20
20
25
25
25 |
118
125
125
125
147
147
160
170
180
230
230
230 |
280
300
340
375
425
495
630
670
730
775
850
950 |
110
125
145
165
196
226
290
307
335
335
400
450 |
308
328
373
403
473
528
670
710
800
850
925
1000 |
165
180
200
220
250
275
355
375
405
435
485
535 |
215
240
260
280
340
390
455
500
560
600
670
750 |
4
4
6
6
6
6
8
8
8
12
12
12 |
6
6
6
6
6
6
12
12
12
12
12
12 |
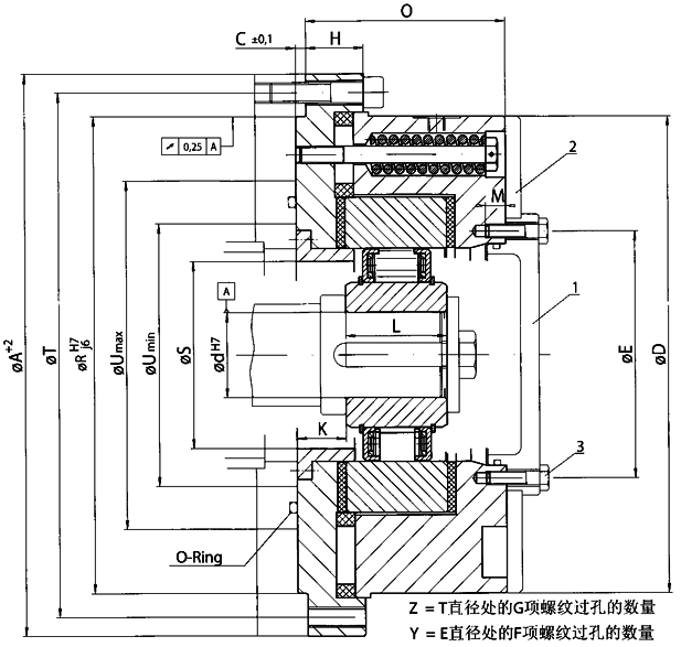
鍵槽寬度公差為IT10。帶**區域為O型圈密封。
扭矩:
FXRV逆止器的滑動扭矩MR出廠前已經設定。系統的靜態反向扭矩ML(甚至超載)不得超過系統中設定滑動扭矩之和。表中給出的為最大滑動扭矩,根據顧客需要,該滑動扭矩可自由調器整。
安裝指導:
由于FXRV逆止器不帶軸承,安裝時應盡量保證止口直徑R和軸徑d同心,跳動不得超過0.25mm。軸的公差要求為ISOh6或j6,尺寸C為逆止器的安裝尺寸,和其連接的部分必須保證C+0.2mm以上。
端蓋1(帶密封),端蓋2和螺栓3為示意圖,如果您想要自己加工,請告知必要的連接尺寸。
| 頁次:1/1 每頁10條 共1條信息 分頁:[1] |
