產品展示
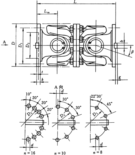
SWC型萬向聯軸器為無螺栓結構,軸承固定不用螺栓,避免了因螺栓剪斷而破壞的薄弱環節,延長使用壽命,便于維護。適用于軋鋼機械、起重運輸機械及其他重型機械,聯接兩個不同軸線的傳動軸系,回轉直徑100~620mm;傳遞公稱轉矩1.25~1000kN·m,軸線折角15°~25°。
SWC型十字軸式萬向聯軸器雙聯型式
|
圖示 |
型式代號 |
名稱 |
![]() |
BH |
標準伸縮焊接式萬向聯軸器 |
![]() |
BF |
標準伸縮法蘭式萬向聯軸器 |
![]() |
DH |
短伸縮焊接式萬向聯軸器 |
![]() |
CH |
長伸縮焊接式萬向聯軸器 |
![]() |
WH |
無伸縮焊接式萬向聯軸器 |
|
|
WF |
無伸縮法蘭式萬向聯軸器 |
![]() |
WD |
無伸縮短式萬向聯軸器 |
BH型標準伸縮焊接式萬向聯軸器(JB/T5513-91)

BH型標準伸縮焊接式萬向聯軸器基本參數和主要尺寸(JB/T5513-91)/mm
|
型號 |
回轉
直徑D |
公稱轉
矩Tn/
kN·m |
疲勞轉
矩Tf/
kN·m |
軸線折
角β/
(°)≤ |
伸縮
量LS |
Lmin |
D1
(js11) |
D2
(H7) |
D3 |
Lm |
n-d |
k |
t |
b
(h9) |
g |
轉動慣量
I/kg·m2 |
質量m/kg | ||
|
Lmin |
增長100 |
Lmin |
增長100 | ||||||||||||||||
|
SWC100BH |
100 |
1.25 |
0.63 |
25 |
55 |
390 |
84 |
57 |
60 |
55 |
6-9 |
7 |
2.5 |
- |
- |
0.0044 |
0.00019 |
6.1 |
0.35 |
|
SWC120BH |
120 |
2.5 |
1.25 |
25 |
80 |
485 |
102 |
75 |
70 |
65 |
8-11 |
8 |
2.5 |
- |
- |
0.0109 |
0.00044 |
10.8 |
0.55 |
|
SWC150BH |
150 |
5 |
2.5 |
25 |
80 |
590 |
130 |
90 |
89 |
80 |
8-13 |
10 |
3 |
- |
- |
0.0423 |
0.00157 |
24.5 |
0.85 |
|
SWC180BH |
180 |
12.5 |
6.3 |
25 |
100 |
810 |
155 |
105 |
114 |
110 |
8-17 |
17 |
5 |
- |
- |
0.175 |
0.007 |
70 |
2.8 |
|
SWC225BH |
225 |
40 |
20 |
15 |
140 |
920 |
196 |
135 |
152 |
120 |
8-17 |
20 |
5 |
32 |
9 |
0.538 |
0.0234 |
122 |
4.9 |
|
SWC250BH |
250 |
63 |
31.5 |
15 |
140 |
1035 |
218 |
150 |
168 |
140 |
8-19 |
25 |
6 |
40 |
12.5 |
0.966 |
0.0277 |
172 |
5.3 |
|
SWC285BH |
285 |
90 |
45 |
15 |
140 |
1190 |
245 |
170 |
194 |
160 |
8-21 |
27 |
7 |
40 |
15 |
2.011 |
0.051 |
263 |
6.3 |
|
SWC315BH |
315 |
125 |
63 |
15 |
140 |
1315 |
280 |
185 |
219 |
180 |
10-23 |
32 |
8 |
40 |
15 |
3.605 |
0.0795 |
382 |
8 |
|
SWC350BH |
350 |
180 |
90 |
15 |
150 |
1410 |
310 |
210 |
267 |
194 |
10-23 |
35 |
8 |
50 |
16 |
7.053 |
0.2219 |
582 |
15 |
|
SWC390BH |
390 |
250 |
125 |
15 |
170 |
1590 |
345 |
235 |
267 |
215 |
10-25 |
40 |
8 |
70 |
18 |
12.164 |
0.2219 |
738 |
15 |
|
SWC440BH |
440 |
355 |
180 |
15 |
190 |
1875 |
390 |
255 |
325 |
260 |
16-28 |
42 |
10 |
80 |
20 |
21.42 |
0.4744 |
1190 |
21.7 |
|
SWC490BH |
490 |
500 |
250 |
15 |
190 |
1985 |
435 |
275 |
325 |
270 |
16-31 |
47 |
12 |
90 |
22.5 |
32.86 |
0.4744 |
1452 |
21.7 |
|
SWC550BH |
550 |
710 |
355 |
15 |
240 |
2300 |
492 |
320 |
426 |
305 |
16-31 |
50 |
12 |
100 |
22.5 |
68.92 |
1.357 |
2380 |
34 |
注:1.Tf為在交變負荷下按疲勞強度所允許的轉矩。
2.Lmin為縮短后的最小長度。
3.L為安裝長度,按需要確定。
BF型標準伸縮法蘭式萬向聯軸器(JB/T5513-91)

BF型標準伸縮法蘭式萬向聯軸器基本參數和主要尺寸(JB/T5513-91)/mm
注:1.Tf為在交變負荷下按疲勞強度所允許的轉矩。
2.Lmin為縮短后的最小長度。
3.L為安裝長度,按需要確定。 |
|||||||||||||||||||||||||||||||||||||||||||||||||||||||||||||||||||||||||||||||||||||||||||||||||||||||||||||||||||||||||||||||||||||||||||||||||||||||||||||||||||||||||||||||||||||||||||||||||||||||||||||||||||||||||||||||||||||||||||||||||||||
BF型大規格標準法蘭式萬向聯軸器外形安裝尺寸

BF型大規格標準伸縮法蘭式萬向聯軸器基本參數和主要尺寸(JB/T5513-91)/mm
|
型號 |
回轉直
徑D |
公稱轉矩
Tn/kN·m |
疲勞轉矩
Tf/kN·m |
軸線折角
β≤ |
伸縮量
LS |
Lmin |
D1
(js11) |
D2 |
D3 |
Lm |
n-d |
k | |
|
β=5° |
β=10° | ||||||||||||
|
SWC680BF |
680 |
1400 |
710 |
5°, 10° |
250 |
3230 |
635 |
550 |
508 |
335 |
360 |
24-25 |
55 |
|
SWC780BF |
780 |
2500 |
1250 |
250 |
3620 |
725 |
640 |
630 |
370 |
405 |
24-31 |
62 | |
|
SWC840BF |
840 |
3150 |
1600 |
250 |
3840 |
775 |
710 |
660 |
425 |
480 |
24-38 |
70 | |
|
SWC920BF |
920 |
4000 |
2000 |
300 |
4570 |
855 |
760 |
750 |
460 |
480 |
24-38 |
80 | |
|
SWC1000BF |
1000 |
5000 |
2500 |
300 |
4790 |
915 |
840 |
790 |
515 |
535 |
20-50 |
90 | |
|
SWC1100BF |
1100 |
6310 |
3150 |
300 |
5030 |
1015 |
920 |
850 |
570 |
600 |
20-50 |
100 | |
|
SWC1200BF |
1200 |
8000 |
4000 |
300 |
5280 |
1100 |
1000 |
900 |
620 |
660 |
20-58 |
110 | |
注:1.Tf為在交變負荷下按疲勞強度所允許的轉矩。
2.Lmin為縮短后的最小長度。
3.L為安裝長度,按需要確定。
DH型短伸縮焊接式萬向聯軸器外形安裝尺寸

DH型短伸縮焊接式萬向聯軸器基本參數和主要尺寸(JB/T5513-91)/mm
注:1.Tf為在交變負荷下按疲勞強度所允許的轉矩。
2.Lmin為縮短后的最小長度。
3.L為安裝長度,按需要確定。 |
|||||||||||||||||||||||||||||||||||||||||||||||||||||||||||||||||||||||||||||||||||||||||||||||||||||||||||||||||||||||||||||||||||||||||||||||||||||||||||||||||||||||||||||||||||||||||||||||||||||||||||||
CH型長伸縮焊接式萬向聯軸器外形安裝尺寸(JB/T5513-91)

CH型長伸縮焊接式萬向聯軸器基本參數和主要尺寸(JB/T5513-91)/mm
|
型號 |
回轉
直徑
D |
公稱轉
矩Tn/
kN·m |
疲勞轉
矩f/
kN·m |
軸線折
角β/
(°)≤ |
伸縮
量LS |
Lmin |
D1
(js11) |
D2
(H7) |
D3 |
Lm |
n-d |
k |
t |
b
(h9) |
g |
轉動慣量
I/kg·m2 |
質量m/kg | ||
|
Lmin |
增長100 |
Lmin |
增長100 | ||||||||||||||||
|
SWC180CH1 |
180 |
12.5 |
6.3 |
25 |
200 |
925 |
155 |
105 |
114 |
110 |
8-17 |
17 |
5 |
- |
- |
0.181 |
0.007 |
74 |
2.8 |
|
SWC180CH2 |
700 |
1425 |
0.216 |
104 | |||||||||||||||
|
SWC225CH1 |
225 |
40 |
20 |
15 |
220 |
1020 |
196 |
135 |
152 |
120 |
8-17 |
20 |
5 |
32 |
9 |
0.561 |
0.0234 |
132 |
4.9 |
|
SWC225CH2 |
700 |
1500 |
0.674 |
182 | |||||||||||||||
|
SWC250CH1 |
250 |
63 |
31.5 |
15 |
300 |
1215 |
218 |
150 |
168 |
140 |
8-19 |
25 |
6 |
40 |
12.5 |
1.016 |
0.0277 |
190 |
5.3 |
|
SWC250CH2 |
700 |
1615 |
1.127 |
235 | |||||||||||||||
|
SWC285CH1 |
285 |
90 |
45 |
15 |
400 |
1475 |
245 |
170 |
194 |
160 |
8-21 |
27 |
7 |
40 |
15 |
2.156 |
0.051 |
300 |
6.3 |
|
SWC285CH2 |
800 |
1875 |
2.36 |
358 | |||||||||||||||
|
SWC315CH1 |
315 |
125 |
63 |
15 |
400 |
1600 |
280 |
185 |
219 |
180 |
10-23 |
32 |
8 |
40 |
15 |
3.812 |
0.0795 |
434 |
8 |
|
SWC315CH2 |
800 |
2000 |
4.15 |
514 | |||||||||||||||
|
SWC350CH1 |
350 |
180 |
90 |
15 |
400 |
1715 |
310 |
210 |
267 |
194 |
10-23 |
35 |
8 |
50 |
16 |
7.663 |
0.2219 |
672 |
15 |
|
SWC350CH2 |
800 |
2115 |
8.551 |
823 | |||||||||||||||
|
SWC390CH1 |
390 |
250 |
125 |
15 |
400 |
1845 |
345 |
235 |
267 |
215 |
10-25 |
40 |
8 |
70 |
18 |
12.73 |
0.2219 |
817 |
15 |
|
SWC390CH2 |
800 |
2245 |
13.617 |
964 | |||||||||||||||
|
SWC440CH1 |
440 |
355 |
180 |
15 |
400 |
2110 |
390 |
255 |
325 |
260 |
16-28 |
42 |
10 |
80 |
20 |
22.54 |
0.4744 |
1312 |
21.7 |
|
SWC440CH2 |
800 |
2510 |
24.43 |
1537 | |||||||||||||||
|
SWC490CH1 |
490 |
500 |
250 |
15 |
400 |
2220 |
435 |
275 |
325 |
270 |
16-31 |
47 |
12 |
90 |
22.5 |
33.97 |
0.4744 |
1554 |
21.7 |
|
SWC490CH2 |
800 |
2620 |
35.87 |
1779 | |||||||||||||||
|
SWC550CH1 |
550 |
710 |
355 |
15 |
500 |
2585 |
492 |
320 |
426 |
305 |
16-31 |
50 |
12 |
100 |
22.5 |
72.79 |
1.357 |
2585 |
34 |
|
SWC550CH2 |
1000 |
3085 |
79.57 |
3045 | |||||||||||||||
注:1.Tf為在交變負荷下按疲勞強度所允許的轉矩。
2.Lmin為縮短后的最小長度。
3.L為安裝長度,按需要確定。
WH型無伸縮焊接式萬向聯軸器外形及安裝尺寸(JB/T5513-91)

WH型無伸縮焊接式萬向聯軸器基本參數和主要尺寸(JB/T5513-91)/mm
|
型號 |
回轉
直徑
D |
公稱轉
矩Tn/
kN·m |
疲勞轉
矩Tf/
kN·m |
軸線折
角β/
(°)≤ |
Lmin |
D1
(js11) |
D2
(H7) |
D3 |
Lm |
n-d |
k |
t |
b
(h9) |
g |
轉動慣量
I/kg·m2 |
質量m/kg | ||
|
Lmin |
增長100 |
Lmin |
增長100 | |||||||||||||||
|
SWC100WH |
100 |
1.25 |
0.63 |
25 |
243 |
84 |
57 |
60 |
55 |
6-9 |
7 |
2.5 |
- |
- |
0.0039 |
0.00019 |
4.5 |
0.35 |
|
SWC120WH |
120 |
2.5 |
1.25 |
25 |
307 |
102 |
75 |
70 |
65 |
8-11 |
8 |
2.5 |
- |
- |
0.0096 |
0.00044 |
7.7 |
0.55 |
|
SWC150WH |
150 |
5 |
2.5 |
25 |
350 |
130 |
90 |
89 |
80 |
8-13 |
10 |
|
- |
- |
0.0371 |
0.00157 |
18 |
0.85 |
|
SWC180WH |
180 |
12.5 |
6.3 |
25 |
480 |
155 |
105 |
114 |
110 |
8-17 |
17 |
5 |
- |
- |
0.15 |
0.007 |
48 |
2.8 |
|
SWC225WH |
225 |
40 |
20 |
15 |
520 |
196 |
135 |
152 |
120 |
8-17 |
20 |
5 |
32 |
9 |
0.365 |
0.0234 |
78 |
4.9 |
|
SWC250WH |
250 |
63 |
31.5 |
15 |
620 |
218 |
150 |
168 |
140 |
8-19 |
25 |
6 |
40 |
12.5 |
0.847 |
0.0277 |
124 |
5.3 |
|
SWC285WH |
280 |
90 |
45 |
15 |
720 |
245 |
170 |
194 |
160 |
8-21 |
27 |
7 |
40 |
15 |
1.756 |
0.051 |
185 |
6.3 |
|
SWC315WH |
315 |
125 |
63 |
15 |
805 |
280 |
185 |
219 |
180 |
10-23 |
32 |
8 |
40 |
15 |
2.893 |
0.0795 |
262 |
8 |
|
SWC350WH |
350 |
180 |
90 |
15 |
875 |
310 |
210 |
267 |
194 |
10-23 |
35 |
8 |
50 |
16 |
5.013 |
0.2219 |
374 |
15 |
|
SWC390WH |
390 |
250 |
125 |
15 |
955 |
345 |
235 |
267 |
215 |
10-25 |
40 |
8 |
70 |
18 |
8.406 |
0.2219 |
506 |
15 |
|
SWC440WH |
440 |
355 |
180 |
15 |
1155 |
390 |
255 |
325 |
260 |
16-28 |
42 |
10 |
80 |
20 |
15.79 |
0.4744 |
790 |
21.7 |
|
SWC490WH |
490 |
500 |
250 |
15 |
1205 |
435 |
275 |
325 |
270 |
16-31 |
47 |
12 |
90 |
22.5 |
26.54 |
0.4744 |
1014 |
21.7 |
|
SWC550WH |
550 |
710 |
355 |
15 |
1355 |
492 |
320 |
426 |
305 |
16-31 |
50 |
12 |
100 |
22.5 |
48.32 |
1.357 |
1526 |
34 |
注:1.Tf為在交變負荷下按疲勞強度所允許的轉矩。
2. L為安裝長度,按需要確定。
WF型無伸縮法蘭式萬向聯軸器外形及安裝尺寸(JB/T5513-91)`

WF型無伸縮法蘭式萬向聯軸器基本參數和主要尺寸(JB/T5513-91)/mm
|
型號 |
回轉
直徑
D |
公稱轉
矩Tn/
kN·m |
疲勞轉
矩Tf/
kN·m |
軸線折
角β/
(°)≤ |
Lmin |
D1
(js11) |
D2
(H7) |
D3 |
Lm |
n-d |
k |
t |
b
(h9) |
g |
轉動慣量
I/kg·m2 |
質量m/kg | ||
|
Lmin |
增長100 |
Lmin |
增長100 | |||||||||||||||
|
SWC180WF |
180 |
12.5 |
6.3 |
25 |
560 |
155 |
105 |
114 |
110 |
8-17 |
17 |
5 |
- |
- |
0.248 |
0.007 |
58 |
2.8 |
|
SWC225WF |
225 |
40 |
20 |
15 |
610 |
196 |
135 |
152 |
120 |
8-17 |
20 |
5 |
32 |
9 |
0.636 |
0.0234 |
93 |
4.9 |
|
SWC250WF |
250 |
63 |
31.5 |
15 |
715 |
218 |
150 |
168 |
140 |
8-19 |
25 |
6 |
40 |
12.5 |
1.352 |
0.0277 |
143 |
5.3 |
|
SWC285WF |
285 |
90 |
45 |
15 |
810 |
245 |
170 |
194 |
160 |
8-21 |
27 |
7 |
40 |
15 |
2.664 |
0.051 |
220 |
6.3 |
|
SWC315WF |
315 |
125 |
63 |
15 |
915 |
280 |
185 |
219 |
180 |
10-23 |
32 |
8 |
40 |
15 |
4.469 |
0.0795 |
300 |
8 |
|
SWC350WF |
350 |
180 |
90 |
15 |
980 |
310 |
210 |
267 |
194 |
10-23 |
35 |
8 |
50 |
16 |
7.388 |
0.2219 |
412 |
15 |
|
SWC390WF |
390 |
250 |
125 |
15 |
1100 |
345 |
235 |
267 |
215 |
10-25 |
40 |
8 |
70 |
18 |
13.184 |
0.2219 |
588 |
15 |
|
SWC440WF |
440 |
355 |
180 |
15 |
1290 |
390 |
255 |
325 |
260 |
16-28 |
42 |
10 |
80 |
20 |
23.25 |
0.4744 |
880 |
21.7 |
|
SWC490WF |
490 |
500 |
250 |
15 |
1360 |
435 |
275 |
325 |
270 |
16-31 |
47 |
12 |
90 |
22.5 |
40.75 |
0.4744 |
1173 |
21.7 |
|
SWC550WF |
550 |
710 |
355 |
15 |
1510 |
492 |
320 |
426 |
305 |
16-31 |
50 |
12 |
100 |
22.5 |
68.48 |
1.357 |
1663 |
34 |
|
SWC620WF |
620 |
1000 |
500 |
15 |
1690 |
555 |
380 |
426 |
340 |
10-38 |
55 |
12 |
100 |
25 |
127.53 |
1.357 |
2332 |
34 |
注:1.Tf為在交變負荷下按疲勞強度所允許的轉矩。
2.L為安裝長度,按需要確定。
WF型大規格無伸縮法蘭式萬向聯軸器外形安裝尺寸(JB/T5513-91)

|
型號 |
回轉直
徑D |
公稱轉矩
Tn/kN·m |
疲勞轉矩
Tf/kN·m |
軸線折角
β≤ |
Lmin |
D1
(js11) |
D2 |
Lm |
n-d |
k | ||
|
β=5° |
β=10° |
β=5° |
β=10° | |||||||||
|
SWC680WF |
680 |
1400 |
710 |
5°, 10° |
1840 |
1940 |
635 |
550 |
335 |
360 |
24-25 |
55 |
|
SWC780WF |
780 |
2500 |
1250 |
1980 |
2120 |
725 |
640 |
370 |
405 |
24-31 |
62 | |
|
SWC840WF |
840 |
3150 |
1600 |
2200 |
2420 |
775 |
710 |
425 |
480 |
24-38 |
70 | |
|
SWC920WF |
920 |
4000 |
2000 |
2340 |
2420 |
855 |
760 |
460 |
480 |
24-38 |
80 | |
|
SWC1000WF |
1000 |
5000 |
2500 |
2560 |
2640 |
915 |
840 |
515 |
535 |
20-50 |
90 | |
|
SWC1100WF |
1100 |
6300 |
3150 |
2880 |
3200 |
1015 |
920 |
570 |
600 |
20-50 |
100 | |
|
SWC1200WF |
1200 |
8000 |
4000 |
3080 |
3240 |
1100 |
1000 |
620 |
660 |
20-58 |
110 | |
注:1.Tf為在交變負荷下按疲勞強度所允許的轉矩。
2.L為安裝長度,按需要確定。
WD型無伸縮短式萬向聯軸器外形安裝尺寸(JB/T5513-91)

WD型無伸縮短式萬向聯軸器基本參數和主要尺寸(JB/T5513-91)/mm
注:Tf為在交變負荷下按疲勞強度所允許的轉矩。 |
| 頁次:1/2 每頁10條 共14條信息 分頁:[1][2] |






