產品展示
JRTSA47..~JRTSA97..

型 號 |
a
b
c |
e
f
g |
h |
k
m
n |
p
q |
空心軸Ⅰ尺寸 |
空心軸Ⅱ尺寸 |
扭矩臂尺寸 |
H
L1
L2 |
N
Q | |||||||
d1
d2 |
l1
l2
l3 |
l4
l5
l6 |
s1
t1
u1 |
d3
d4 |
l7
l8 |
s2
t2
u2 |
g1
g2
g3 |
g4
g5
h1 |
d5
r
s3 | ||||||||
JRTSA47
JRTS47/T |
60
35
52 |
94
127
67 |
100 |
20
M10
4 |
12
M8 |
30H7
45 |
63
60
2.5 |
60
17
105 |
M10×25
33.3
8 |
25H7
45 |
17
105 |
M10×25
28.3
8 |
57.5
15
20.5 |
31
36-0.3
130 |
10.4±0.1
31
M8×25 |
179
171
96 |
8
120 |
JRTSA57
JRTS57/T |
60
58.5
58.5 |
100
146
73 |
112 |
20
M10
4 |
12
M8 |
35H7
50 |
78
75
3 |
75
22
132 |
M12×30
38.3
10 |
30H7
50 |
17
132 |
M10×25
38.3
8 |
72
15
18.5 |
31
36-0.3
160 |
10.4±0.1
31
M8×25 |
189
187
107 |
20
120 |
JRTSA67
JRTS67/T |
88
71.5
80.5 |
128
182
95.5 |
140 |
25
M12
5 |
20
M12 |
45H7
65 |
87
84
3.5 |
84
29
144 |
M16×40
48.8
14 |
40H7
65 |
29
144 |
M16×40
43.3
12 |
80.5
18
19.5 |
31
36-0.3
200 |
10.4±0.1
31
M12×35 |
236
242
135 |
22
160 |
JRTSA77
JRTS77/T |
102
85
85 |
154
204
104 |
180 |
32
M16
6 |
20
M12 |
60H7
80 |
108
105
4 |
105
37
180 |
M20×50
64.4
18 |
50H7
80 |
32
183 |
M16×45
53.8
14 |
101
18
32.5 |
54
60-0.3
250 |
16.4±0.08
30
M12×35 |
301
287
162 |
34
200 |
JRTSA87
JRTS87/T |
118
115
110 |
194
260
125 |
225 |
32
M16
6 |
26
M16 |
70H7
95 |
128
125
5 |
125
34
220 |
M20×50
74.9
20 |
60H7
95 |
36
220 |
M20×50
64.4
18 |
120
24
25.5 |
54
60-0.5
310 |
16.4±0.08
30
M16×45 |
368
340
190 |
37.5
250 |
JRTSA97
JRTS97/T |
160
135
113 |
236
301
140 |
280 |
36
M16
6 |
26
M16 |
90H7
120 |
149
145
5 |
145
41
255 |
M24×60
95.4
25 |
70H7
120 |
34
260 |
M20×50
74.9
20 |
140
26
33 |
72
80-0.5
380 |
25±0.08
40
M16×50 |
455
420
240 |
52
300 |
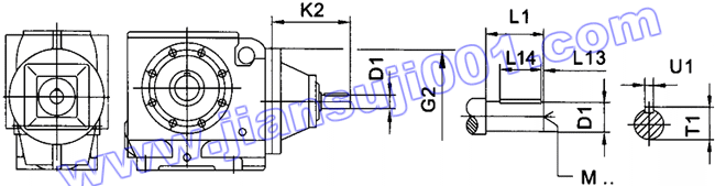
JRTS…AD…

|
|
G2 |
K2 |
D1 |
L1 |
L13 |
L14 |
T1 |
U1 |
M |
JRTS37
JRTS47
JRTS57 |
AD1 |
120 |
102 |
16 |
40 |
4 |
32 |
18 |
5 |
M5 |
AD2 |
130 |
19 |
40 |
4 |
32 |
21.5 |
6 |
M6 | ||
JRTS67 |
AD2 |
160 |
123 |
19 |
40 |
4 |
32 |
21.5 |
6 |
M6 |
AD3 |
159 |
24 |
50 |
5 |
40 |
27 |
8 |
M8 | ||
JRTS77 |
AD2 |
200 |
116 |
19 |
40 |
4 |
32 |
21.5 |
6 |
M6 |
AD3 |
151 |
24 |
50 |
5 |
40 |
27 |
8 |
M8 | ||
AD4 |
224 |
38 |
80 |
5 |
70 |
41 |
10 |
M12 | ||
JRTS87 |
AD2 |
250 |
111 |
42 |
40 |
4 |
32 |
21.5 |
6 |
M6 |
AD3 |
156 |
28 |
60 |
5 |
50 |
31 |
8 |
M10 | ||
AD4 |
219 |
38 |
80 |
5 |
70 |
41 |
10 |
M12 | ||
AD5 |
292 |
42 |
110 |
10 |
70 |
45 |
12 |
M16 | ||
JRTS97 |
AD3 |
300 |
151 |
28 |
60 |
5 |
50 |
31 |
8 |
M10 |
AD4 |
214 |
38 |
80 |
5 |
70 |
41 |
10 |
M12 | ||
AD5 |
287 |
42 |
110 |
10 |
70 |
45 |
12 |
M16 | ||
AD6 |
327 |
48 |
110 |
10 |
80 |
51.5 |
14 |
M16 |
JRTS...AM...

|
|
Fig |
B5 |
E5 |
F5 |
G2 |
G5 |
S5M10 |
Z5 |
D1 |
L1 |
T1 |
U1 |
JRTS37
JRTS47
JRTS57 |
AM63 |
1 |
95 |
115 |
3.5 |
120 |
140 |
M8 |
72 |
11 |
23 |
12.8 |
4 |
AM711) |
110 |
130 |
160 |
14 |
30 |
16.3 |
5 | ||||||
AM801) |
130 |
165 |
4.5 |
200 |
M10 |
106 |
19 |
40 |
21.8 |
6 | |||
AM901) |
24 |
50 |
27.3 |
8 | |||||||||
JRTS67 |
AM63 |
1 |
95 |
115 |
3.5 |
160 |
140 |
M8 |
66 |
11 |
23 |
12.8 |
4 |
AM71 |
110 |
130 |
160 |
14 |
30 |
16.3 |
5 | ||||||
AM80 |
130 |
165 |
4.5 |
200 |
M10 |
99 |
19 |
40 |
21.8 |
6 | |||
AM90 |
24 |
50 |
27.3 |
8 | |||||||||
AM1001) |
180 |
215 |
5 |
250 |
M12 |
134 |
28 |
60 |
31.3 |
8 | |||
AM1121) | |||||||||||||
JRTS77 |
AM63 |
1 |
95 |
115 |
3.5 |
200 |
140 |
M8 |
60 |
11 |
23 |
12.8 |
4 |
AM71 |
110 |
130 |
160 |
14 |
30 |
16.3 |
5 | ||||||
AM80 |
130 |
165 |
4.5 |
200 |
M10 |
92 |
19 |
40 |
21.8 |
6 | |||
AM90 |
24 |
50 |
27.3 |
8 | |||||||||
AM1001) |
180 |
215 |
5 |
250 |
M12 |
126 |
28 |
60 |
31.3 |
8 | |||
AM1121) | |||||||||||||
AM132S1) |
230 |
265 |
5 |
300 |
179 |
38 |
80 |
41.3 |
10 | ||||
AM132M1) | |||||||||||||
AM132ML1) | |||||||||||||
JRTS87 |
AM80 |
1 |
130 |
165 |
4.5 |
250 |
200 |
M10 |
M |
19 |
40 |
21.8 |
6 |
AM90 |
|
24 |
50 |
27.3 |
8 | ||||||||
AM100 |
180 |
215 |
5 |
250 |
M12 |
121 |
28 |
60 |
31.3 |
8 | |||
AM112 | |||||||||||||
AM132S |
230 |
265 |
300 |
174 |
38 |
80 |
41.3 |
10 | |||||
AM132M | |||||||||||||
AM132ML | |||||||||||||
AM1601) |
250 |
300 |
6 |
350 |
M16 |
232 |
42 |
110 |
45.3 |
12 | |||
AM1801) |
48 |
51.8 |
14 | ||||||||||
JRTS97 |
AM100 |
1 |
180 |
215 |
5 |
300 |
250 |
M12 |
116 |
28 |
60 |
31.3 |
8 |
AM112 | |||||||||||||
AM132S |
230 |
265 |
300 |
169 |
38 |
80 |
41.3 |
10 | |||||
AM132M | |||||||||||||
AM132ML | |||||||||||||
AM160 |
250 |
300 |
6 |
350 |
M16 |
227 |
42 |
110 |
45.3 |
12 | |||
AM180 |
48 |
51.8 |
14 | ||||||||||
AM200 |
300 |
350 |
7 |
400 |
268 |
55 |
59.3 |
16 | |||||
AM2251) |
2 |
350 |
400 |
450 |
283 |
60 |
140 |
64.4 |
18 |
1)如果安裝在R系列腳安裝方式的減速機上,請檢查尺寸G5/2,它可能已突出安裝平面。
JRTS…R…

|
|
G(AC) |
K |
KB |
KM(LB) |
JRTS37R17 |
D63 |
132 |
338 |
395 |
163 |
D71 |
145 |
339 |
403 |
164 | |
D80 |
145 |
389 |
453 |
214 | |
JRTS47R17
JRTS57R17 |
D63 |
132 |
338 |
395 |
163 |
D71 |
145 |
339 |
403 |
164 | |
D80 |
145 |
389 |
453 |
214 | |
JRTS67R37 |
D63 |
132 |
370 |
427 |
205 |
D71 |
145 |
371 |
435 |
206 | |
D80 |
145 |
421 |
485 |
256 | |
JRTS77R37 |
D63 |
132 |
362 |
419 |
205 |
D71 |
145 |
363 |
427 |
206 | |
D80 |
145 |
413 |
477 |
256 | |
D90 |
197 |
433 |
518 |
276 | |
JRTS87R37 |
D63 |
132 |
415 |
472 |
119 |
D71 |
145 |
415 |
479 |
119 | |
D80 |
145 |
465 |
529 |
249 | |
D90 |
197 |
485 |
570 |
269 | |
D100M |
197 |
535 |
620 |
319 | |
D100L |
197 |
565 |
650 |
349 | |
JRTS97R37 |
D63 |
132 |
410 |
467 |
119 |
D71 |
145 |
410 |
474 |
119 | |
D80 |
145 |
460 |
524 |
249 | |
D90 |
197 |
480 |
565 |
269 | |
D100M |
197 |
530 |
615 |
319 | |
D100L |
197 |
560 |
645 |
349 | |
D112M |
221 |
565 |
645 |
354 |
注:上表中電機尺寸為參考尺寸,因空間限制對電機尺寸有嚴格要求時請向廠家咨詢。
頁次:3/3 每頁10條 共24條信息 分頁:[1][2][3] |