產品展示
概述
AT系列弧齒錐齒輪減速器,是按國家專業標準生產的硬齒面弧齒錐齒輪減速器,具有體積小、重量輕、承載能力強、壽命長、效率高和噪音低等優點;是理想的減速傳動裝置,廣泛用于冶金、礦山、石化、能源、運輸、水泥、建筑和輕工等行業。
本系列減速器可用于正反兩個方向的運轉。
本系列減速器經優化設計。齒輪采用優質合金鋼,經鍛造、制齒,并賦予嚴格的熱處理。本減速器機械傳動效率高,平均效率98%。
特點
速比范圍寬:速比1:1、1.5:1、2:1、2.5:1、3:1、4:1、5:1,全部為實際傳動比;
機械傳動效率高:平均效率98%;
可用于正反兩個方向運轉;
運轉平穩,噪聲低;
體積小、重量輕、使用壽命長、承載能力高;
易于拆卸,易于維修,易于安裝。
使用條件
環境溫度為-40℃至45℃,如低于0℃,啟動前需將潤滑油預熱至0℃以上;
高速軸轉速不大于1500轉/分;
齒輪傳動圓周速不大于20米/秒。
型號說明

AT系列舉例

3臺負載全部為196N·m,一般沖擊,每天連續工作8小時,使用系數f1=1.25,弧齒錐齒輪輸入轉速為300r/min,速比全部為1:1。
根據公式:
每臺減速器本身所需的負載TN2≥T2×f1=196×1.25=245N·m
※1號減速器 因1號減速器本身的負載為245N·m,而2、3號減速器需通過1號減速器傳遞扭矩。所以1號減速器應承擔的負載為:245N·m+245N·m+245N·m=735N·m,依據傳動能力表,應選AT12。
※2號減速器 除本身的負載為245N·m,還需傳遞3號減速器的扭矩。所以總負載為:245N·m+245N·m=490N·m,依據傳動能力表,應選AT10。
※3號減速器 由于僅一個負載C進行運轉,即所需負載在245N·m以上即可,依據傳動能力表可選AT8。
注意事項:
1、本速比不為1:1時,請確定或告知輸入軸;選橫軸輸入為減速,選縱軸輸入為增速,安裝方位和尺寸確定了以后,就不能更改兩軸的位置。
2、多臺連動輸出校對減速器的承載能力。
AT系列重量表
型號 |
AT2 |
AT4 |
AT6 |
AT7 |
AT8 |
AT10 |
AT12 |
AT16 |
AT20 |
AT25 |
重量(kg) |
2 |
10 |
21 |
32 |
49 |
78 |
124 |
188 |
297 |
488 |
AT系列Fr(N)表
iN |
n1 |
AT2 |
AT4 |
AT6 |
AT7 |
AT8 |
AT10 |
AT12 |
AT16 |
AT20 |
AT25 | ||||||||||
(r/min) |
橫軸 |
縱軸 |
橫軸 |
縱軸 |
橫軸 |
縱軸 |
橫軸 |
縱軸 |
橫軸 |
縱軸 |
橫軸 |
縱軸 |
橫軸 |
縱軸 |
橫軸 |
縱軸 |
橫軸 |
縱軸 |
橫軸 |
縱軸 | |
1:1 |
1450 |
265 |
216 |
833 |
951 |
1911 |
2450 |
2450 |
3136 |
3234 |
3381 |
4165 |
4508 |
5096 |
5586 |
10633 |
10976 |
|
|
|
|
1150 |
323 |
235 |
882 |
1029 |
2058 |
2597 |
2744 |
3234 |
3479 |
3626 |
4459 |
4851 |
5488 |
6076 |
11368 |
11760 |
15386 |
15608 |
|
| |
870 |
402 |
255 |
960 |
1127 |
2205 |
2842 |
2989 |
3381 |
3773 |
3969 |
4851 |
5292 |
5880 |
6566 |
12446 |
12740 |
16660 |
17150 |
24794 |
25480 | |
580 |
549 |
314 |
1078 |
1323 |
2499 |
3185 |
3381 |
3822 |
4263 |
4459 |
5488 |
5880 |
6713 |
7301 |
14014 |
14504 |
18816 |
19404 |
28028 |
28910 | |
400 |
637 |
353 |
1372 |
1715 |
3185 |
3528 |
4018 |
4900 |
4851 |
5978 |
6272 |
7056 |
7742 |
8134 |
15680 |
16170 |
21070 |
21756 |
31360 |
32340 | |
300 |
696 |
392 |
1519 |
1960 |
3430 |
3528 |
4410 |
5537 |
5243 |
6958 |
6713 |
7987 |
8232 |
9065 |
17150 |
17640 |
23422 |
24108 |
34300 |
35280 | |
200 |
784 |
441 |
1911 |
1960 |
3430 |
3528 |
5096 |
6272 |
7889 |
8820 |
8575 |
9604 |
9261 |
10290 |
19600 |
19894 |
25970 |
26754 |
38612 |
39788 | |
100 |
980 |
588 |
1911 |
1960 |
3430 |
3528 |
5096 |
6272 |
8428 |
8820 |
9996 |
11760 |
11368 |
12593 |
22540 |
22540 |
28420 |
32928 |
39200 |
49000 | |
10 |
980 |
588 |
1911 |
1960 |
3430 |
3528 |
5096 |
6272 |
8428 |
8820 |
9996 |
11760 |
11858 |
14504 |
22540 |
22540 |
28420 |
33320 |
39200 |
49000 | |
1.5:1
2:1
2.5:1
3:1 |
1450 |
|
|
1078 |
1960 |
2548 |
2842 |
3430 |
5390 |
4361 |
7987 |
5194 |
9212 |
5978 |
10486 |
5978 |
12152 |
7693 |
14602 |
|
|
1150 |
|
|
1078 |
1960 |
3038 |
3087 |
4067 |
5978 |
5096 |
8820 |
6174 |
10486 |
7252 |
12152 |
6419 |
13083 |
8771 |
17934 |
12985 |
24647 | |
870 |
|
|
1078 |
1960 |
3430 |
3332 |
4753 |
6076 |
6076 |
8820 |
7448 |
11760 |
8869 |
14504 |
6958 |
14210 |
9506 |
19453 |
13573 |
29400 | |
580 |
|
|
1078 |
1960 |
3430 |
3528 |
5096 |
6174 |
7644 |
8820 |
9555 |
11760 |
11466 |
14504 |
7840 |
16072 |
10780 |
22001 |
15680 |
33222 | |
400 |
|
|
1078 |
1960 |
3430 |
3528 |
5096 |
6272 |
8428 |
8820 |
9996 |
11760 |
11858 |
14504 |
8820 |
17934 |
12005 |
24598 |
17542 |
37142 | |
300 |
|
|
1078 |
1960 |
3430 |
3528 |
5096 |
6272 |
8428 |
8820 |
9996 |
11760 |
11858 |
14504 |
9604 |
19600 |
13132 |
27342 |
19159 |
40474 | |
200 |
|
|
1078 |
1960 |
3430 |
3528 |
5096 |
6272 |
8428 |
8820 |
9996 |
11760 |
11858 |
14504 |
10829 |
22148 |
14798 |
30282 |
21658 |
45766 | |
100 |
|
|
1078 |
1960 |
3430 |
3528 |
5096 |
6272 |
8428 |
8820 |
9996 |
11760 |
11858 |
14504 |
13328 |
22540 |
18228 |
33320 |
26656 |
49000 | |
10 |
|
|
1078 |
1960 |
3430 |
3528 |
5096 |
6272 |
8428 |
8820 |
9996 |
11760 |
11858 |
14504 |
22540 |
22540 |
28420 |
33320 |
39200 |
49000 |
備注:各規格更低的輸出轉速按以上最大的Fr值。
AT系列被驅動設備系數f1
負荷性質 |
每天使用時間(小時) | ||
≤2 |
2~10 |
10~24 | |
均勻負荷 |
1.00(1.00) |
1.00(1.25) |
1.25(1.50) |
一般沖擊 |
1.00(1.25) |
1.25(1.50) |
1.50(1.75) |
強烈沖擊 |
1.25(1.50) |
1.50(1.75) |
1.75(2.00) |
注:當每小時啟動、停止次數在10次以上,清使用括號內數值。
AT系列傳動能力表
i |
n1 |
AT2 |
AT4 |
AT6 |
AT7 |
AT8 | |||||
r/min |
TN2 |
PN1 |
TN2 |
PN1 |
TN2 |
PN1 |
TN2 |
PN1 |
TN2 |
PN1 | |
(N.m) |
(kW) |
(N.m) |
(kW) |
(N.m) |
(kW) |
(N.m) |
(kW) |
(N.m) |
(kW) | ||
1:1 |
1450 |
11.6 |
1.79 |
31.9 |
4.94 |
96 |
14.9 |
142 |
22 |
294 |
45.6 |
1150 |
11.7 |
1.43 |
34.1 |
4.19 |
103 |
12.7 |
150 |
18.4 |
305 |
37.5 | |
870 |
12.1 |
1.12 |
37.2 |
3.46 |
113 |
10.5 |
164 |
15.2 |
312 |
29 | |
580 |
12.1 |
0.747 |
39.5 |
2.45 |
119 |
7.35 |
184 |
11.4 |
319 |
19.8 | |
400 |
12.3 |
0.524 |
40.2 |
1.72 |
122 |
5.2 |
195 |
8.34 |
326 |
14 | |
300 |
12.3 |
0.396 |
40.5 |
1.3 |
123 |
3.93 |
198 |
6.35 |
331 |
10.6 | |
200 |
12.4 |
0.226 |
41.2 |
0.88 |
124 |
2.66 |
201 |
4.3 |
338 |
7.23 | |
100 |
12.7 |
0.136 |
41.9 |
0.448 |
127 |
1.36 |
206 |
2.2 |
346 |
3.7 | |
10 |
13 |
0.014 |
43 |
0.046 |
132 |
0.141 |
214 |
0.228 |
361 |
0.386 | |
1.5:1 |
1450 |
|
|
|
|
117 |
12.1 |
145 |
15 |
185 |
19.1 |
1150 |
|
|
|
|
122 |
9.96 |
147 |
12 |
188 |
15.4 | |
870 |
|
|
|
|
123 |
7.66 |
150 |
9.3 |
191 |
11.8 | |
580 |
|
|
|
|
126 |
5.23 |
153 |
6.32 |
197 |
8.14 | |
400 |
|
|
|
|
128 |
3.66 |
155 |
4.41 |
200 |
5.7 | |
300 |
|
|
|
|
129 |
2.77 |
157 |
3.35 |
203 |
4.34 | |
200 |
|
|
|
|
131 |
1.87 |
160 |
2.28 |
204 |
2.91 | |
100 |
|
|
|
|
134 |
0.957 |
163 |
1.16 |
210 |
1.49 | |
10 |
|
|
|
|
139 |
0.099 |
169 |
0.12 |
218 |
0.155 | |
2:1 |
1450 |
12.1 |
0.94 |
42.8 |
3.32 |
102 |
7.9 |
137 |
10.6 |
180 |
14 |
1150 |
12 |
0.74 |
43.4 |
2.67 |
104 |
6.39 |
139 |
8.55 |
183 |
11.3 | |
870 |
12 |
0.56 |
43.8 |
2.04 |
105 |
4.88 |
141 |
6.56 |
187 |
8.7 | |
580 |
11.9 |
0.37 |
44.4 |
1.38 |
108 |
3.34 |
144 |
4.47 |
191 |
5.92 | |
400 |
12.2 |
0.26 |
45.1 |
0.96 |
109 |
2.33 |
146 |
3.12 |
194 |
4.15 | |
300 |
11.9 |
0.19 |
45.5 |
0.73 |
110 |
1.76 |
148 |
2.37 |
196 |
3.14 | |
200 |
12.2 |
0.13 |
46.1 |
0.49 |
111 |
1.18 |
149 |
1.59 |
198 |
2.12 | |
100 |
11.2 |
0.06 |
46.6 |
0.25 |
114 |
0.608 |
152 |
0.812 |
202 |
1.08 | |
10 |
28.1 |
0.015 |
48.5 |
0.026 |
116 |
0.062 |
157 |
0.084 |
209 |
0.112 | |
2.5:1 |
1450 |
|
|
|
|
96.2 |
5.97 |
113 |
6.99 |
184 |
11.4 |
1150 |
|
|
|
|
97.2 |
4.78 |
115 |
5.64 |
185 |
9.11 | |
870 |
|
|
|
|
99 |
3.68 |
116 |
4.3 |
188 |
7 | |
580 |
|
|
|
|
100 |
2.48 |
118 |
2.92 |
192 |
4.76 | |
400 |
|
|
|
|
100.9 |
1.73 |
120 |
2.05 |
195 |
3.34 | |
300 |
|
|
|
|
102.9 |
1.32 |
121 |
1.55 |
197 |
2.53 | |
200 |
|
|
|
|
103.9 |
0.888 |
123 |
1.05 |
200 |
1.71 | |
100 |
|
|
|
|
104.9 |
0.448 |
123 |
0.528 |
203 |
0.867 | |
10 |
|
|
|
|
107.8 |
0.046 |
126 |
0.054 |
208 |
0.089 | |
3:1 |
1450 |
|
|
|
|
93.6 |
4.84 |
105 |
5.42 |
159 |
8.2 |
1150 |
|
|
|
|
94.8 |
3.88 |
106 |
4.34 |
160 |
6.55 | |
870 |
|
|
|
|
95.9 |
2.97 |
108 |
3.34 |
163 |
5.04 | |
580 |
|
|
|
|
97.6 |
2.02 |
109 |
2.25 |
166 |
3.42 | |
400 |
|
|
|
|
99 |
1.41 |
111 |
1.58 |
168 |
2.39 | |
300 |
|
|
|
|
100 |
1.07 |
111 |
1.18 |
169 |
1.8 | |
200 |
|
|
|
|
100 |
0.712 |
113 |
0.803 |
171 |
1.22 | |
100 |
|
|
|
|
102 |
0.363 |
115 |
0.409 |
173 |
0.618 | |
10 |
|
|
|
|
104 |
0.037 |
118 |
0.042 |
179 |
0.064 | |
4:1 |
1450 |
|
|
|
|
80.6 |
3.12 |
93.4 |
3.62 |
124 |
4.8 |
1150 |
|
|
|
|
81.5 |
2.5 |
94.3 |
2.9 |
125 |
3.83 | |
870 |
|
|
|
|
82.4 |
1.92 |
95.9 |
2.23 |
127 |
2.95 | |
580 |
|
|
|
|
84.1 |
1.3 |
96.9 |
1.5 |
129 |
2 | |
400 |
|
|
|
|
85.1 |
0.91 |
98.7 |
1.05 |
131 |
1.4 | |
300 |
|
|
|
|
86.1 |
0.69 |
98.3 |
0.79 |
131 |
1.05 | |
200 |
|
|
|
|
86 |
0.46 |
101 |
0.54 |
134 |
0.71 | |
100 |
|
|
|
|
87.7 |
0.23 |
101 |
0.27 |
135 |
0.36 | |
10 |
|
|
|
|
89.3 |
0.02 |
101 |
0.03 |
140 |
0.04 | |
5:1 |
1450 |
|
|
|
|
52 |
1.61 |
57.4 |
1.78 |
68.7 |
2.13 |
1150 |
|
|
|
|
52.5 |
1.29 |
58 |
1.43 |
69.2 |
1.7 | |
870 |
|
|
|
|
53.2 |
0.99 |
59 |
1.1 |
70.4 |
1.31 | |
580 |
|
|
|
|
54.2 |
0.67 |
59.6 |
0.74 |
71.7 |
0.89 | |
400 |
|
|
|
|
54.9 |
0.47 |
60.7 |
0.52 |
72.6 |
0.62 | |
300 |
|
|
|
|
55.5 |
0.36 |
60.4 |
0.39 |
72.9 |
0.47 | |
200 |
|
|
|
|
55.4 |
0.24 |
61.7 |
0.26 |
74.1 |
0.32 | |
100 |
|
|
|
|
56.5 |
0.12 |
62.9 |
0.13 |
75.1 |
0.16 | |
10 |
|
|
|
|
57.6 |
0.01 |
64.5 |
0.01 |
77.8 |
0.02 |
i |
n1 |
AT10 |
AT12 |
AT16 |
AT20 |
AT25 | |||||
r/min |
TN2 |
PN1 |
TN2 |
PN1 |
TN2 |
PN1 |
TN2 |
PN1 |
TN2 |
PN1 | |
(N.m) |
(kW) |
(N.m) |
(kW) |
(N.m) |
(kW) |
(N.m) |
(kW) |
(N.m) |
(kW) | ||
1:1 |
1450 |
421 |
65.3 |
619 |
96 |
1019 |
163 |
|
|
|
|
1150 |
453 |
55.7 |
665 |
81.1 |
1098 |
139 |
|
|
|
| |
870 |
479 |
44.6 |
726 |
67.5 |
1186 |
114 |
2009 |
193 |
3489 |
335 | |
580 |
493 |
30.6 |
802 |
49.7 |
1343 |
85.9 |
2274 |
145 |
3940 |
252 | |
400 |
504 |
21.5 |
821 |
35.1 |
1499 |
66.1 |
2538 |
112 |
4410 |
195 | |
300 |
513 |
16.4 |
835 |
26.8 |
1637 |
54.1 |
2744 |
90.8 |
4792 |
159 | |
200 |
521 |
11.1 |
852 |
18.2 |
1784 |
39.3 |
3126 |
69 |
5390 |
119 | |
100 |
535 |
5.72 |
875 |
9.36 |
1842 |
20.3 |
3205 |
35.3 |
5439 |
60 | |
10 |
561 |
0.599 |
919 |
0.983 |
1940 |
2.14 |
3205 |
3.53 |
5713 |
6.3 | |
1.5:1 |
1450 |
374 |
38.7 |
564 |
58.3 |
|
|
|
|
|
|
1150 |
380 |
31.2 |
601 |
49.2 |
|
|
|
|
|
| |
870 |
389 |
24.1 |
656 |
40.7 |
|
|
|
|
|
| |
580 |
396 |
16.4 |
699 |
28.9 |
|
|
|
|
|
| |
400 |
406 |
11.6 |
711 |
20.3 |
|
|
|
|
|
| |
300 |
411 |
8.78 |
724 |
15.5 |
|
|
|
|
|
| |
200 |
417 |
5.95 |
736 |
10.5 |
|
|
|
, ,
|
|
| |
100 |
426 |
3.04 |
754 |
5.37 |
|
|
|
|
|
| |
10 |
443 |
0.316 |
785 |
0.56 |
|
|
|
|
|
| |
2:1 |
1450 |
305 |
23.6 |
516 |
40 |
921 |
73.7 |
1578 |
126 |
|
|
1150 |
309 |
19 |
516 |
31.7 |
938 |
59.5 |
1607 |
102 |
3146 |
199 | |
870 |
315 |
14.6 |
516 |
24 |
958 |
46 |
1646 |
79 |
3224 |
155 | |
580 |
322 |
10 |
524 |
16.3 |
980 |
31.3 |
1695 |
54.2 |
3332 |
107 | |
400 |
328 |
7.02 |
538 |
11.5 |
1000 |
22 |
1725 |
38 |
3420 |
75.4 | |
300 |
332 |
5.33 |
543 |
8.71 |
1009 |
16.7 |
1754 |
29 |
3479 |
57.5 | |
200 |
338 |
3.61 |
551 |
5.89 |
1029 |
11.3 |
1784 |
19.7 |
3557 |
39.2 | |
100 |
344 |
1.84 |
563 |
3.01 |
1058 |
5.84 |
1833 |
10.1 |
3646 |
20.1 | |
10 |
357 |
0.191 |
586 |
0.313 |
1098 |
0.605 |
1921 |
1.06 |
3822 |
2.11 | |
2.5:1 |
1450 |
293 |
18.2 |
507 |
31.4 |
|
|
|
|
|
|
1150 |
298 |
14.7 |
514 |
25.3 |
|
|
|
|
|
| |
870 |
302 |
11.2 |
523 |
19.5 |
|
|
|
|
|
| |
580 |
310 |
7.68 |
535 |
13.3 |
|
|
|
|
|
| |
400 |
315 |
5.38 |
545 |
9.32 |
|
|
|
|
|
| |
300 |
317 |
4.06 |
552 |
7.08 |
|
|
|
|
|
| |
200 |
321 |
2.75 |
560 |
4.79 |
|
|
|
|
|
| |
100 |
326 |
1.4 |
568 |
2.43 |
|
|
|
|
|
| |
10 |
336 |
0.144 |
588 |
0.251 |
|
|
|
|
|
| |
3:1 |
1450 |
270 |
14 |
458 |
23.6 |
904 |
48.2 |
1529 |
82.3 |
2935 |
158 |
1150 |
275 |
11.3 |
464 |
19 |
920 |
38.9 |
1561 |
66.6 |
3045 |
130 | |
870 |
279 |
8.66 |
469 |
14.6 |
940 |
30.1 |
1598 |
51.6 |
3135 |
101 | |
580 |
285 |
5.89 |
480 |
9.92 |
960 |
20.4 |
1644 |
35.4 |
3246 |
69.9 | |
400 |
288 |
4.11 |
490 |
6.98 |
978 |
14.4 |
1672 |
24.8 |
3317 |
49.3 | |
300 |
291 |
3.11 |
495 |
5.29 |
990 |
10.9 |
1701 |
18.9 |
3372 |
37.6 | |
200 |
294 |
2.1 |
501 |
3.57 |
1005 |
7.38 |
1733 |
12.9 |
3449 |
25.6 | |
100 |
300 |
1.07 |
510 |
1.82 |
1038 |
3.82 |
1777 |
6.6 |
3537 |
13.1 | |
10 |
308 |
0.11 |
527 |
0.188 |
1076 |
0.4 |
1865 |
0.69 |
3713 |
1.4 | |
4:1 |
1450 |
241 |
9.35 |
434 |
16.8 |
850 |
34.3 |
1452 |
58.7 |
2798 |
113 |
1150 |
246 |
7.54 |
441 |
13.5 |
865 |
27.7 |
1483 |
47.5 |
2892 |
92.6 | |
870 |
249 |
5.78 |
448 |
10.4 |
884 |
21.4 |
1518 |
36.8 |
2978 |
72.2 | |
580 |
254 |
3.93 |
456 |
7.07 |
902 |
14.6 |
1562 |
25.2 |
3084 |
49.8 | |
400 |
257 |
2.74 |
465 |
4.97 |
919 |
10.2 |
1588 |
17.7 |
3151 |
35.1 | |
300 |
259 |
2.08 |
470 |
3.77 |
930 |
7.8 |
1616 |
13.5 |
3204 |
26.8 | |
200 |
262 |
1.4 |
476 |
2.54 |
944 |
5.3 |
1646 |
9.17 |
3276 |
18.2 | |
100 |
267 |
0.71 |
485 |
1.3 |
976 |
2.7 |
1688 |
4.7 |
3360 |
9.36 | |
10 |
275 |
0.07 |
501 |
0.13 |
1011 |
0.3 |
1772 |
0.49 |
3527 |
0.98 | |
5:1 |
1450 |
136 |
4.21 |
296 |
9.18 |
814 |
26.3 |
1391 |
44.9 |
2631 |
85 |
1150 |
138 |
3.39 |
301 |
7.39 |
828 |
21.2 |
1420 |
36.4 |
2771 |
71 | |
870 |
140 |
2.6 |
305 |
5.68 |
847 |
16.4 |
1454 |
28.2 |
2853 |
55.3 | |
580 |
143 |
1.77 |
311 |
3.86 |
864 |
11.2 |
1496 |
19.3 |
2954 |
38.2 | |
400 |
144 |
1.23 |
318 |
2.72 |
881 |
7.85 |
1521 |
13.6 |
3018 |
26.9 | |
300 |
146 |
0.93 |
321 |
2.06 |
891 |
5.96 |
1548 |
10.3 |
3069 |
20.5 | |
200 |
148 |
0.63 |
325 |
1.39 |
905 |
4.03 |
1577 |
7.03 |
3138 |
14 | |
100 |
150 |
0.32 |
331 |
0.71 |
935 |
2.08 |
1617 |
3.6 |
3218 |
7.17 | |
10 |
155 |
0.03 |
342 |
0.07 |
969 |
0.22 |
1697 |
0.38 |
3378 |
0.75 |
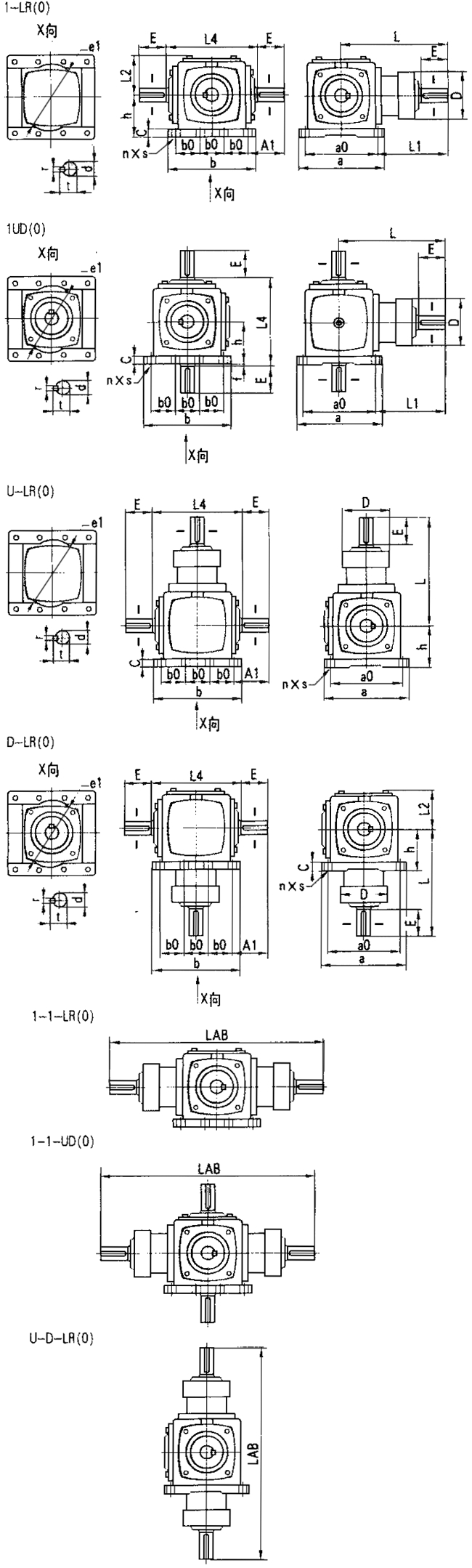
軸配置及軸旋轉方向的關系、安裝型式及尺寸圖表



|
AT2 |
AT4 |
AT6 |
AT7 |
AT8 |
AT10 |
AT12 |
AT16 |
AT20 |
AT25 |
A1 |
48 |
53.5 |
81 |
88 |
110.5 |
120 |
130 |
150 |
195 |
235 |
a |
100 |
155 |
190 |
210 |
235 |
285 |
340 |
390 |
490 |
580 |
a0 |
84 |
125 |
152 |
174 |
195 |
240 |
290 |
330 |
430 |
520 |
b |
100 |
155 |
190 |
210 |
235 |
285 |
340 |
390 |
410 |
480 |
b0 |
84 |
125 |
152 |
174 |
195 |
240 |
290 |
330 |
110 |
130 |
c |
10 |
17 |
17 |
20 |
23 |
25 |
32 |
40 |
32 |
35 |
D |
58 |
76 |
115 |
125 |
159 |
155 |
168 |
193 |
220 |
270 |
d(h7) |
15 |
19 |
25 |
32 |
40 |
45 |
50 |
60 |
72 |
85 |
E |
33 |
38 |
50 |
62 |
75 |
90 |
100 |
105 |
105 |
130 |
e1(H8)×深 |
94×3 |
155×5 |
190×5 |
220×5 |
250×5 |
305×5 |
370×5 |
420×7 |
360×10 |
420×10 |
f |
5 |
2 |
17 |
13 |
18 |
10 |
0 |
10 |
10 |
10 |
h |
52 |
76 |
90 |
100 |
115 |
140 |
175 |
200 |
245 |
290 |
L |
124 |
180 |
222 |
265 |
308 |
360 |
415 |
455 |
545 |
660 |
L1 |
82 |
117.5 |
146 |
178 |
210.5 |
240 |
270 |
290 |
330 |
400 |
L2 |
52 |
76 |
87 |
97 |
114.5 |
133 |
160 |
186 |
217 |
255 |
L4 |
114 |
156 |
214 |
226 |
266 |
300 |
350 |
420 |
510 |
600 |
LAB |
248 |
360 |
444 |
530 |
616 |
720 |
830 |
910 |
1090 |
1320 |
n |
4 |
4 |
4 |
4 |
4 |
4 |
4 |
4 |
8 |
8 |
r |
5 |
6 |
8 |
10 |
12 |
14 |
14 |
18 |
20 |
22 |
s |
9 |
10.5 |
14 |
14 |
14 |
16 |
21 |
25 |
21 |
24 |
t |
17 |
21.5 |
28 |
35 |
43 |
48.5 |
53.5 |
64 |
76.5 |
90 |
注意:當速比是4:1和5:1時,縱軸尺寸更改如下:
|
|
AT6 |
AT7 |
AT8 |
AT10 |
AT12 |
AT16 |
AT20 |
AT25 |
4:1 |
d(h7) |
19 |
22 |
28 |
32 |
36 |
50 |
55 |
70 |
E |
38 |
50 |
62 |
62 |
75 |
100 |
105 |
105 | |
L |
210 |
253 |
295 |
362 |
415 |
465 |
560 |
660 | |
L1 |
134 |
178 |
212.5 |
242 |
270 |
300 |
345 |
400 | |
LAB |
420 |
530 |
620 |
724 |
830 |
930 |
1120 |
1320 | |
r |
6 |
6 |
8 |
10 |
10 |
14 |
16 |
20 | |
t |
21.5 |
24.5 |
31 |
35 |
39 |
53.5 |
59 |
74.5 | |
5:1 |
d(h7) |
19 |
22 |
28 |
32 |
36 |
42 |
50 |
60 |
E |
38 |
50 |
62 |
62 |
75 |
90 |
100 |
105 | |
L |
210 |
253 |
295 |
362 |
415 |
465 |
555 |
670 | |
L1 |
134 |
178 |
212.5 |
242 |
270 |
300 |
340 |
410 | |
LAB |
420 |
530 |
620 |
724 |
830 |
930 |
1110 |
1340 | |
r |
6 |
6 |
8 |
10 |
10 |
12 |
14 |
18 | |
t |
21.5 |
24.5 |
31 |
35 |
39 |
45 |
53.5 |
64 |
資料整理中
頁次:1/1 每頁10條 共6條信息 分頁:[1] |