Product list產品列表
Customer service在線客服
產品展示
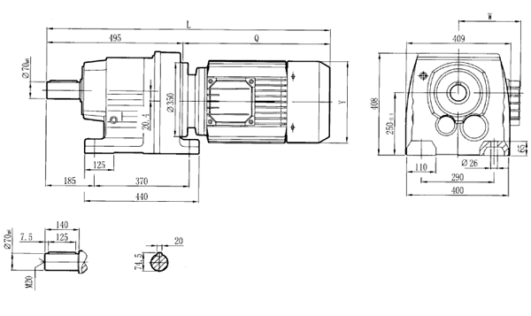
RC107..型硬齒輪減速機安裝尺寸圖

|
|
Y100.. |
Y112M.. |
Y132S.. |
Y132M.. |
Y160M.. |
Y160L.. |
Y180M.. |
Y180L.. |
Y200.. |
Y225S.. |
Y225M.. |
|
Y |
194 |
226 |
266 |
266 |
320 |
320 |
362 |
362 |
400 |
452 |
452 |
|
W |
145 |
190 |
210 |
210 |
255 |
255 |
285 |
285 |
310 |
345 |
345 |
|
L |
833 |
845 |
900 |
940 |
995 |
1040 |
1065 |
1105 |
1170 |
1185 |
1210 |
|
Q |
338 |
350 |
405 |
445 |
500 |
545 |
570 |
610 |
675 |
690 |
715 |
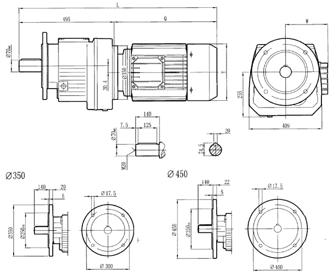
RCF107..型硬齒輪減速機安裝尺寸圖

|
|
Y100.. |
Y112M.. |
Y132S.. |
Y132M.. |
Y160M.. |
Y160L.. |
Y180M.. |
Y180L.. |
Y200.. |
Y225S.. |
Y225M.. |
|
Y |
194 |
226 |
266 |
266 |
320 |
320 |
362 |
362 |
400 |
452 |
452 |
|
W |
145 |
190 |
210 |
210 |
255 |
255 |
285 |
285 |
310 |
345 |
345 |
|
L |
833 |
845 |
900 |
940 |
995 |
1040 |
1065 |
1105 |
1170 |
1185 |
1020 |
|
Q |
338 |
350 |
405 |
445 |
500 |
545 |
570 |
610 |
675 |
690 |
715 |
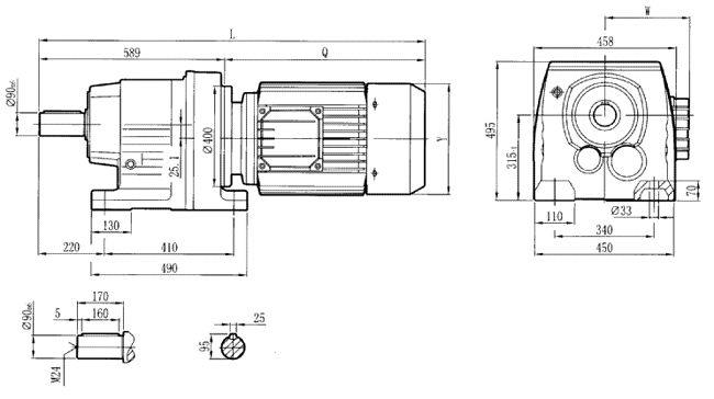
RC137..型硬齒輪減速機安裝尺寸圖

|
|
Y132S.. |
Y132M.. |
Y160M.. |
Y160L.. |
Y180M.. |
Y180L.. |
Y200.. |
Y225S.. |
Y225M.. |
Y250M.. |
|
|
Y |
266 |
266 |
320 |
320 |
362 |
362 |
400 |
452 |
452 |
490 |
|
|
W |
210 |
210 |
255 |
255 |
285 |
285 |
310 |
345 |
345 |
385 |
|
|
L |
994 |
1034 |
1089 |
1134 |
1159 |
1199 |
1264 |
1279 |
1304 |
1389 |
|
|
Q |
405 |
445 |
500 |
545 |
570 |
610 |
675 |
690 |
715 |
800 |
|
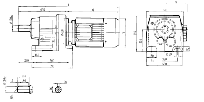
RCF137..型硬齒輪減速機安裝尺寸圖

|
|
Y160M.. |
Y160L.. |
Y180M.. |
Y180L.. |
Y200.. |
Y225S.. |
Y225M.. |
Y250M.. |
Y280S.. |
Y280M.. |
|
|
Y |
320 |
320 |
362 |
362 |
400 |
452 |
452 |
490 |
550 |
550 |
|
|
W |
255 |
255 |
285 |
285 |
310 |
345 |
345 |
385 |
410 |
410 |
|
|
L |
1195 |
1240 |
1265 |
1305 |
1370 |
1385 |
1410 |
1495 |
1565 |
1615 |
|
|
Q |
500 |
545 |
570 |
610 |
675 |
690 |
715 |
800 |
870 |
920 |
|
RC147..型硬齒輪減速機安裝尺寸圖

|
Y160M.. |
Y160L.. |
Y180M.. |
Y180L.. |
Y200.. |
Y225S.. |
Y225M.. |
Y250M.. |
Y280S.. |
Y280M.. |
Y315S.. |
Y315M.. | |
|
Y |
320 |
320 |
362 |
362 |
400 |
452 |
452 |
490 |
550 |
550 |
645 |
645 |
|
W |
255 |
255 |
285 |
285 |
310 |
345 |
345 |
385 |
410 |
410 |
576 |
576 |
|
L |
1290 |
1335 |
1360 |
1400 |
1465 |
1480 |
1505 |
1590 |
1660 |
1710 |
1890 |
1960 |
|
Q |
500 |
545 |
570 |
610 |
675 |
690 |
715 |
800 |
870 |
920 |
1100 |
1170 |
RCF147..型硬齒輪減速機安裝尺寸圖

|
|
Y160M.. |
Y160L.. |
Y180M.. |
Y180L.. |
Y200.. |
Y225S.. |
Y225M.. |
Y250M.. |
Y280S.. |
Y280M.. |
Y315S.. |
Y315M.. |
|
Y |
320 |
320 |
362 |
362 |
400 |
452 |
452 |
490 |
550 |
550 |
645 |
645 |
|
W |
255 |
255 |
285 |
285 |
310 |
345 |
345 |
385 |
410 |
410 |
576 |
576 |
|
L |
1290 |
1335 |
1360 |
1400 |
1465 |
1480 |
1505 |
1590 |
1660 |
1710 |
1890 |
1960 |
|
Q |
500 |
545 |
570 |
610 |
675 |
690 |
715 |
800 |
870 |
920 |
1100 |
1170 |
RC167..型硬齒輪減速機安裝尺寸圖

|
|
Y160M.. |
Y160L.. |
Y180M.. |
Y180L.. |
Y200.. |
Y225S.. |
Y225M.. |
Y250M.. |
Y280S.. |
Y280M.. |
Y315S.. |
Y315M.. |
|
Y |
320 |
320 |
362 |
362 |
400 |
452 |
452 |
490 |
550 |
550 |
645 |
645 |
|
W |
255 |
255 |
285 |
285 |
310 |
345 |
345 |
385 |
410 |
410 |
576 |
576 |
|
L |
1290 |
1335 |
1360 |
1400 |
1465 |
1480 |
1505 |
1590 |
1660 |
1710 |
1890 |
1960 |
|
Q |
500 |
545 |
570 |
610 |
675 |
690 |
715 |
800 |
870 |
920 |
1100 |
1170 |
RCF167..型硬齒輪減速機安裝尺寸圖

|
|
Y160M.. |
Y160L.. |
Y180M.. |
Y180L.. |
Y200.. |
Y225S.. |
Y225M.. |
Y250M.. |
Y280S.. |
Y280M.. |
Y315S.. |
Y315M.. |
|
Y |
320 |
320 |
362 |
362 |
400 |
452 |
452 |
490 |
550 |
550 |
645 |
645 |
|
W |
255 |
255 |
285 |
285 |
310 |
345 |
345 |
385 |
410 |
410 |
576 |
576 |
|
L |
1290 |
1335 |
1360 |
1400 |
1465 |
1480 |
1505 |
1590 |
1660 |
1710 |
1890 |
1960 |
|
Q |
500 |
545 |
570 |
610 |
675 |
690 |
715 |
800 |
870 |
920 |
1100 |
1170 |
DRC..型硬齒輪減速機安裝尺寸圖

|
|
|
Y |
Q |
L |
|
DRC17/27
DRC17/37
|
YS63.. |
122 |
214 |
353 |
|
YS71.. |
137 |
231 |
370 | |
|
YS80.. |
156 |
253 |
392 | |
|
DRC37/47
DRC37/57
DRC37/67
|
YS63.. |
122 |
214 |
371 |
|
YS71.. |
137 |
231 |
388 | |
|
YS80.. |
156 |
253 |
410 | |
|
DRC37/77 |
YS63.. |
122 |
214 |
371 |
|
YS71.. |
137 |
231 |
388 | |
|
YS80.. |
156 |
253 |
410 | |
|
YS90.. |
169 |
305 |
462 | |
|
DRC57/87 |
YS63.. |
122 |
208 |
395 |
|
YS71.. |
137 |
225 |
412 | |
|
YS80.. |
156 |
250 |
437 | |
|
Y90.. |
169 |
301 |
488 | |
|
DRC57/97 |
YS63.. |
122 |
208 |
395 |
|
YS71.. |
137 |
225 |
412 | |
|
YS80.. |
156 |
250 |
437 | |
|
Y90.. |
169 |
301 |
488 | |
|
Y100.. |
194 |
349 |
436 | |
|
DRC77/107 |
YS63.. |
122 |
206 |
426 |
|
YS71.. |
137 |
223 |
443 | |
|
YS80.. |
156 |
251 |
471 | |
|
Y90.. |
169 |
299 |
519 | |
|
Y100.. |
194 |
346 |
566 | |
|
Y112M.. |
226 |
350 |
570 | |
|
Y132S.. |
266 |
405 |
625 | |
|
Y132M.. |
266 |
445 |
625 | |
|
Y160M.. |
320 |
500 |
720 | |
|
DRC77/137 |
YS63.. |
122 |
206 |
426 |
|
YS71.. |
137 |
223 |
443 | |
|
YS80.. |
156 |
251 |
471 | |
|
Y90.. |
169 |
299 |
519 | |
|
Y100.. |
194 |
346 |
566 | |
|
Y112M.. |
226 |
350 |
570 | |
|
Y132S.. |
266 |
405 |
625 | |
|
Y132M.. |
266 |
445 |
665 | |
|
Y160M.. |
320 |
500 |
720 |
|
|
|
Y |
Q |
L |
|
DRC77/147 |
YS63.. |
122 |
206 |
426 |
|
YS71.. |
137 |
223 |
443 | |
|
YS80.. |
156 |
251 |
471 | |
|
Y90.. |
169 |
299 |
519 | |
|
Y100.. |
194 |
346 |
566 | |
|
Y112M.. |
226 |
350 |
570 | |
|
Y132S.. |
266 |
405 |
625 | |
|
Y132M.. |
266 |
445 |
665 | |
|
Y160M.. |
320 |
500 |
720 | |
|
DRC87/147 |
YS80.. |
156 |
245 |
517 |
|
Y90.. |
169 |
293 |
565 | |
|
Y100.. |
194 |
340 |
612 | |
|
Y112M.. |
226 |
350 |
622 | |
|
Y132S.. |
266 |
405 |
677 | |
|
Y132M.. |
266 |
445 |
717 | |
|
Y160M.. |
320 |
500 |
772 | |
|
Y160L.. |
320 |
545 |
817 | |
|
Y180M.. |
362 |
570 |
842 | |
|
Y180L.. |
362 |
610 |
882 | |
|
DRC97/167 |
YS80.. |
156 |
247 |
567 |
|
Y90.. |
169 |
296 |
616 | |
|
Y100.. |
194 |
339 |
659 | |
|
Y112M.. |
226 |
350 |
670 | |
|
Y132S.. |
266 |
405 |
725 | |
|
Y132M.. |
266 |
445 |
765 | |
|
Y160M.. |
320 |
500 |
820 | |
|
Y160L.. |
320 |
545 |
865 | |
|
Y180M.. |
362 |
570 |
890 | |
|
Y180L |
362 |
610 |
930 | |
|
DRC107/167 |
Y100.. |
194 |
338 |
693 |
|
Y112M.. |
226 |
350 |
705 | |
|
Y132S.. |
266 |
405 |
760 | |
|
Y132M.. |
266 |
445 |
800 | |
|
Y160M… |
320 |
500 |
855 | |
|
Y160L.. |
320 |
545 |
900 | |
|
Y180M.. |
362 |
570 |
925 | |
|
Y180L.. |
362 |
610 |
965 | |
|
Y200.. |
400 |
675 |
1030 | |
|
Y225S.. |
452 |
690 |
1045 | |
|
Y225M.. |
452 |
715 |
1070 |
RC型硬齒輪減速機的滑潤油量
|
Gear unit type
RCX... |
M1 |
M2 |
M3 |
M4 |
M5 |
M6 |
|
RCX57 |
0.60 |
0.80 |
1.30 |
1.30 |
0.90 |
0.90 |
|
RCX67 |
0.80 |
0.80 |
1.70 |
1.90 |
1.10 |
1.10 |
|
RCX77 |
1.10 |
1.50 |
2.6 |
2.7 |
1.60 |
1.60 |
|
RCX87 |
1.70 |
2.5 |
4.8 |
4.8 |
2.9 |
2.9 |
|
RCX97 |
2.1 |
3.4 |
7.4 |
7.0 |
4.8 |
4.8 |
|
RCX107 |
3.9 |
5.6 |
11.6 |
11.9 |
7.7 |
7.7 |
|
Gear unit type
RCXF... |
M1 |
M2 |
M3 |
M4 |
M5 |
M6 |
|
RCX57 |
0.50 |
0.80 |
1.10 |
1.10 |
0.70 |
0.70 |
|
RCX67 |
0.70 |
0.80 |
1.50 |
1.40 |
1.00 |
1.00 |
|
RCX77 |
0.90 |
1.30 |
2.4 |
1.80 |
1.60 |
1.60 |
|
RCX87 |
1.60 |
2.0 |
4.9 |
4.0 |
2.9 |
2.9 |
|
RCX97 |
2.1 |
3.7 |
7.1 |
6.3 |
4.8 |
4.8 |
|
RCX107 |
3.1 |
5.7 |
11.2 |
9.3 |
7.2 |
7.2 |
|
Gear unit type
RC...RC..F |
M11) |
M22) |
M3 |
M4 |
M5 |
M6 |
|
RC07/RC07F |
0.12 |
0.20 |
0.20 |
0.20 |
0.20 |
0.20 |
|
RC17/RC17F |
0.25 |
0.55 |
0.35 |
0.55 |
0.35 |
0.35 |
|
RC27/RC27F |
0.25/0.40 |
0.70 |
0.50 |
0.70 |
0.50 |
0.50 |
|
RC37/RC37F |
0.30/0.95 |
0.85 |
0.95 |
1.05 |
0.75 |
0.95 |
|
RC47/RC47F |
0.70/1.50 |
1.60 |
1.50 |
1.65 |
1.50 |
1.50 |
|
RC57/RC57F |
0.80/1.70 |
1.90 |
1.70 |
2.1 |
1.7 |
1.7 |
|
RC67/RC67F |
1.10/2.3 |
2.6/3.5 |
2.8 |
3.2 |
1.80 |
2.0 |
|
RC77/RC77F |
1.20/3.0 |
3.8/4.1 |
3.6 |
4.1 |
2.5 |
3.4 |
|
RC87/RC87F |
2.3/6.0 |
6.7/8.2 |
7.2 |
7.7 |
6.3 |
6.5 |
|
RC97 |
4.6/9.8 |
11.7/14.0 |
11.7 |
13.4 |
11.3 |
11.7 |
|
RC107 |
6.0/13.7 |
16.3 |
16.9 |
19.2 |
13.2 |
15.9 |
|
RC137 |
10.0/25.0 |
28.0 |
29.5 |
31.5 |
25.0 |
25.0 |
|
RC147 |
15.4/40.0 |
46.5 |
48.0 |
52 |
39.5 |
41.0 |
|
RC167 |
27.0/70 |
82 |
78 |
88 |
66 |
69 |
|
Gear unit type
RCF.. |
M11) |
M22) |
M3 |
M4 |
M5 |
M6 |
|
RC07 |
0.12 |
0.20 |
0.20 |
0.20 |
0.20 |
0.20 |
|
RC17 |
0.25 |
0.55 |
0.35 |
0.55 |
0.35 |
0.35 |
|
RC27 |
0.25/0.40 |
0.70 |
0.50 |
0.70 |
0.50 |
0.50 |
|
RC37 |
0.35/0.95 |
0.90 |
0.95 |
1.05 |
0.75 |
0.95 |
|
RC47 |
0.65/1.50 |
1.60 |
1.50 |
1.65 |
1.50 |
1.50 |
|
RCF/RCM57 |
0.80/1.70 |
1.80 |
1.70 |
2.0 |
1.70 |
1.70 |
|
RCF/RCM67 |
1.20/2.5 |
2.7/3.6 |
2.7 |
3.1 |
1.90 |
2.1 |
|
RCF/RCM77 |
1.20/2.6 |
3.8/4.1 |
3.3 |
4.1 |
2.4 |
3.0 |
|
RCF/RCM87 |
2.4/6.0 |
6.8/7.9 |
7.1 |
7.7 |
6.3 |
6.4 |
|
RCF/RCM97 |
5.1/10.2 |
11.9/14.0 |
11.2 |
14.0 |
11.2 |
11.8 |
|
RCF/RCM107 |
6.3/14.9 |
15.9 |
17.0 |
19.2 |
13.1 |
15.9 |
|
RCF/RCM137 |
9.5/25.0 |
27.0 |
29.0 |
32.0 |
25.0 |
25.0 |
|
RCF/RCM147 |
16.4/42.0 |
47 |
48.0 |
52 |
42.0 |
42.0 |
|
RCF/RCM167 |
26.0/70 |
82 |
78 |
88 |
65 |
71 |
| 頁次:5/16 每頁10條 共153條信息 分頁:[1][2][3][4][5][6][7][8][9][10][>>][尾頁] |
