Product list產品列表
Customer service在線客服
產品展示
無段變速機系列的型號說明
|
模型 |
功率(kw) |
馬力(HP) |
|
D002 |
0.2kw |
1/4HP |
|
D004 |
0.4kw |
1/2HP |
|
D007 |
0.75kw |
1HP |
|
D015 |
1.5kw |
2HP |
|
D022 |
2.2kw |
3HP |
|
D037 |
3.7kw |
5HP |
|
D055 |
5.5kw |
7 HP |
|
D075 |
7.5kw |
10HP |
無段變速機系列的最適合正反轉
本機還具有慣性小之特點,故最適宜用于起重頻繁和正反轉負載,并可與雙頻可逆裝置聯接使用。
低噪音
與傳統滑動嚙合型相比,擺線滾動嚙合型極大地降低了噪音水平。
高效率
由于采用滾動嚙合,一級減速可達92.5%以上,兩級減速則可達85%以上之高效率。
高速比
一級速比1:6 ~1:119,三級速比可達1:658,503。
動作原理
無段變速原理和構造
游星輪(8)被外環(7)及凸輸(9)所夾住,同時固定于游星軸承(13),游星輪也被左右,(5)(6)太陽輪用盤形彈簧所夾住而繞太陽輪(5)(6)旋轉,當動力由入力軸(3)輸入(6)左太陽輪,游星輸除了自轉外也繞著太陽輪心軸旋轉,動力經由游星軸承(13)及軸承轉盤而傳至(17)出力軸。
速度變換
變速時系由把手轉動調速軸(11)移動凸輪(10)利用凸輪(15)(9)高速橫向間隙〈△e〉當間隙增加或縮小時改變游星輪之位置(如圖)而變換速度。
無段變速機系列的于最高速度和最低速度
(a)于最高速度
(a) 于最低速度
無段變速機系列的產品特點
ADC無段變速機,秉持嚴密品管的精神,制造出高效率,而沖擊,運轉寧靜,保養維護簡單,而且壽命長的優良機種。
(1) 變速范圍廣
變速比為1:6,在4P,50Hz之馬達下,其轉速為165—1000rpm,無段變速機內部之傳動零件,均經過熱處理,加上精密研磨,使其在固定轉速的長期運轉之下,也能保持穩定的速度。
(2)高效率,耐久性
精確完美的軌跡控制,使得運轉中不會產生背隙,而且能夠承受沖擊及反動作之負荷,因此效率高,而久壽命長。
(3)高性能
采用噴泉式滑潤系統,使在動力的傳送過程中,零件承受較低之壓力,所以其耐久性特佳,而且免維護。
(4)組合多樣化
除了標準型式外,變能做多種組合,如增付減速機,滑輪減速機及搖控裝置,甚至于每分鐘1RPM以下的轉速也非常容易。
無段變速機系列的機械效益表
入力軸轉數1500RPM以下 ■入力軸轉數于1500RPM—1800RPM ■效率曲線表
無段變速機系列的使用說明
①盡量予以水平裝置,傾斜許可如上:
②傾斜時須注意油面高度,泄油栓之泄油情況
③裝配時應注意機械之震動、油聲及推動、荷重
④出力軸裝置皮帶輪、鏈輪、齒輪時,應以螺絲逼入,請鐵以鐵錘直接敲打。
⑤周圍環境惡劣情況如水滴、沙塵或在室外應遮蓋,周圍溫度以不超過40℃為宜。
■運轉操作
①停止運轉時請勿高速速度
②全負荷情形,起重時請調至低速再起動
③鐵過負荷使用,遇負荷使用時大都會有噪音產生
④馬達容許電動值如下:
|
機型 |
200V 50HZ |
200V 60HZ | ||||
|
最低轉速時 |
300rpm |
500rpm |
最低轉速時 |
400rpm |
600rpm | |
|
D004 |
1.90 |
2.09 |
2.38 |
1.42 |
1.67 |
2.02 |
|
D007 |
2.72 |
3.14 |
3.37 |
2.12 |
2.62 |
3.31 |
|
D015 |
4.16 |
5.16 |
6.50 |
3.28 |
4.44 |
5.93 |
|
D022 |
5.64 |
7.17 |
9.20 |
4.66 |
6.42 |
8.61 |
|
D037 |
7.5 |
10.3 |
14.2 |
6.5 |
9.7 |
13.8 |
|
D055 |
12.4 |
16.9 |
22.3 |
9.8 |
14.8 |
20.7 |
|
D075 |
14.9 |
20.7 |
28.4 |
12.9 |
19.3 |
27.4 |
■潤滑
①潤滑劑之使用關系無段變速機之壽命非常大,運轉前須注意油面是否在油量計之中央。
②更換潤滑油之時間
|
DISCO部分 |
第一次 |
于100小時以后 |
|
第二次 |
于500小時以后 | |
|
第三次后 |
于1000小時以后 | |
|
齒輪減速機部分 |
第一次 |
于500小時以后 |
|
第二次后 |
于2000小時以后 | |
|
螺旋減速機部分 |
第一次 |
于100小時以后 |
|
第二次 |
于500小時以后 | |
|
各部分 |
第三次后 |
于1000小時以后 |
■推薦潤滑油
|
潤滑部份 |
周圍溫度 |
潤滑油粘度 |
潤滑油廠牌 |
|
DISCO部份 |
~10℃
~50℃ |
SAE10
ISOVG32 |
Mobil Shell
Esso Gulf |
※潤滑油名
1、嘉實多機油 AWH32或46
2、日本石油 FBK OIL RO32
3、MOBIL石油 MOBIL DTE OIL LIGHT
4、SHELL石油 SHELL TENUS OIL32
無段變速機系列的負載表
1000RPM~165RPM(6:1) 1200RPM~200RPM(6:1)
|
TYPE |
RATIO RANGE |
Allowable Output torque
(kgw)at input rpm |
aPProx
Welght
kg | |
|
UP to 1500 |
1500~1800 | |||
|
D002A(4M) |
1/1.4~1/8.4 |
0.15~0.3 |
0.13~0.25 |
5(13) |
|
D002F(4M) |
6(14) | |||
|
D004A(4M) |
0.3~0.6 |
0.25~0.5 |
12(24) | |
|
D004F(4M) |
13(25) | |||
|
D007A(4M) |
0.6~1.2 |
0.5~1 |
18(33) | |
|
D007F(4M) |
20(35) | |||
|
D015A(4M) |
1.2~2.4 |
1~2 |
32(55) | |
|
D015F(4M) |
35(58) | |||
|
D022A(4M) |
1.8~3.6 |
1.5~3 |
60(86) | |
|
D022F(4M) |
65(91) | |||
|
D037A(4M) |
3~6 |
2.5~5 |
64(103) | |
|
D037F(4M) |
69(1080) | |||
|
D055A(4M) |
4.5~9 |
3.8~7.5 |
1169178) | |
|
D055F(4M) |
126(1880) | |||
|
D075A(4M) |
6~12 |
5~10 |
116(1910) | |
|
D075F(4M) |
126(201) | |||
400EPM~66RPM(6:1) 480RPM~80RPM(6:1)
|
TYPE |
RATIO RANGE |
Allowable Output torque
(kgw)at input rpm |
aPProx
Welght
kg | |
|
UP to 1500 |
1500~1800 | |||
|
D002A(4M)R2.5 |
1/3.5~1/21 |
0.36~0.71 |
0.3~0.59 |
10(18) |
|
D004A(4M)R2.5 |
0.71~1.43 |
0.59~1.19 |
17(28) | |
|
D007A(4M)R2.5 |
1.43~2.85 |
1.19~2.38 |
23(38) | |
|
D015A(4M)R2.5 |
2.85~5.7 |
2.38~4.75 |
40(63) | |
|
D022A(4M)R2.5 |
4.28~8.55 |
3.56~7.13 |
71(97) | |
|
D037A(4M)R2.5 |
7.13~14.3 |
5.94~11.9 |
75(115) | |
|
D055A(4M)R2.5 |
10.7~21.4 |
8.9~17.8 |
190(225) | |
|
D075A(4M)R2.5 |
14.3~28.5 |
11.9~23.8 |
190(265) | |
200RPM~33RPM(6:1) 240RPM~40RPM(6:1)
|
TYPE |
RATIO RANGE |
Allowable Output torque
(kgw)at input rpm |
aPProx
Welght
kg | |
|
UP to 1500 |
1500~1800 | |||
|
D002A(4M)R5 |
1/7~1/42 |
0.71~1.43 |
0.59~1.19 |
10(18) |
|
D004A(4M)R5 |
4.43~2.85 |
1.19~2.38 |
17(28) | |
|
D007A(4M)R5 |
2.85~5.7 |
2.38~4.75 |
23(38) | |
|
D015A(4M)R5 |
5.7~11.4 |
4.75~9.5 |
40(63) | |
|
D022A(4M)R5 |
8.5~17.1 |
7.13~14.3 |
71(97) | |
|
D037A(4M)R5 |
14.3~28.5 |
11.9~23.8 |
75(115) | |
|
D055A(4M)R5 |
21.4~42.8 |
17.8~35.6 |
190(225) | |
|
D075A(4M)R5 |
28.5~57 |
23.8~47.5 |
190(265) | |
無段變速機系列的選用計算及選用計算
如何選用無段變速機
1、扭力或馬力傳動;扭力須多少kg—M,馬力須多少HP
2、使用轉速之范圍
3、1天內之平均運轉時間
4、負荷之種類。
|
負載條件 |
平均每日使用時間 | ||
|
8小時 |
8小時—16小時 |
16小時—24小時 | |
|
均勻負載 |
1.0 |
1.1 |
1. 2 |
|
輕沖擊,同歇運轉
反轉操作,中度慣性 |
1.3 |
1.4 |
1.5 |
|
重沖擊,間歇運轉
反轉操作,重度慣性 |
1.7 |
1.9 |
2.0 |
■扭力計算值
T=
T:扭力(kg—M)
Kw::功率(千瓦)
N:定扭力時最高回轉數或定馬力時,最低回轉數(rpm)
無段變速機系列的容量選擇注意事項
A.無段變速機出力軸之容許扭力由無段變速機本身之摩擦帶動及馬達本身之扭力兩者共同來決定。
B.無段變速機容許入力:馬達直結型,在無段變速機出力軸轉速變化下,馬達負荷也會隨這改變,如下表:
C.入力軸回轉數:入力軸回轉數或馬達以不超過1800RPM為佳。
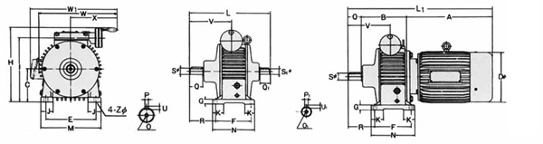
D002A~D075A(4M)臥式標準型
|
TYPE |
A |
B |
C |
D |
E |
F |
G |
H |
I |
J |
L |
L1 |
M |
N |
O |
O1 |
P |
P1 |
Q |
Q1 |
R |
S
(h6) |
S1
(h6) |
U |
U1 |
V |
W |
W1 |
X |
Z |
|
D002A(4M) |
225 |
100 |
71 |
144 |
110 |
105 |
12 |
190 |
150 |
25 |
204 |
355 |
140 |
125 |
M6 |
M6 |
5 |
5 |
30 |
30 |
48 |
14 |
14 |
5 |
5 |
100 |
195 |
210 |
125 |
9 |
|
D004A(4M) |
248 |
123 |
90 |
162 |
120 |
105 |
15 |
220 |
180 |
32 |
230 |
402 |
160 |
135 |
M6 |
M6 |
5 |
5 |
30 |
30 |
60 |
14 |
14 |
5 |
5 |
110 |
240 |
290 |
150 |
10 |
|
D007A(4M) |
242 |
140 |
106 |
177 |
160 |
125 |
15 |
260 |
210 |
38 |
270 |
425 |
195 |
160 |
M6 |
M6 |
6 |
6 |
40 |
40 |
73 |
20 |
20 |
6 |
6 |
130 |
270 |
310 |
170 |
12 |
|
D015A(4M) |
323 |
175 |
125 |
200 |
180 |
140 |
18 |
315 |
250 |
48 |
335 |
560 |
235 |
175 |
M6 |
M6 |
8 |
8 |
50 |
50 |
95 |
25 |
24 |
7 |
7 |
160 |
313 |
345 |
190 |
12 |
|
D022A(4M) |
315 |
208 |
150 |
219 |
245 |
230 |
20 |
380 |
298 |
53 |
400 |
585 |
295 |
270 |
M8 |
M8 |
8 |
8 |
60 |
60 |
85 |
30 |
28 |
7 |
7 |
190 |
370 |
390 |
220 |
14 |
|
D037A(4M) |
371 |
208 |
150 |
238 |
245 |
230 |
20 |
380 |
298 |
53 |
400 |
641 |
295 |
270 |
M8 |
M8 |
8 |
8 |
60 |
60 |
85 |
30 |
28 |
7 |
7 |
190 |
370 |
390 |
220 |
14 |
|
D055A(4M) |
374 |
249 |
200 |
273 |
315 |
250 |
30 |
475 |
390 |
70 |
470 |
695 |
365 |
290 |
M10 |
M10 |
10 |
10 |
70 |
70 |
103 |
35 |
32 |
8 |
8 |
211 |
430 |
465 |
250 |
18 |
|
D075A(4M) |
412 |
249 |
200 |
273 |
315 |
250 |
30 |
475 |
390 |
70 |
470 |
733 |
365 |
290 |
M10 |
M10 |
10 |
10 |
70 |
70 |
103 |
35 |
32 |
8 |
8 |
211 |
430 |
465 |
250 |
18 |
| 頁次:1/2 每頁10條 共13條信息 分頁:[1][2] |
