產品展示
一、概述
YYTD系列電梯電動機是引進日本“日立”技術制造成的三相交流電動機。本系列電梯電動機具有起動轉矩高、機械特性硬、噪聲低、振動小、運行安全可靠等特點。它完全符合日本電工標準JEC37和日本工業標準JISC4210。外殼防護等級為IP00,冷卻方式為強迫通風冷卻。
該電動機額定電壓380V,額定頻率50Hz,除適用于交流雙速及調速電梯外,還可用于負載變化大,起動頻繁的其他調速機械設備。
型號含義

使用條件 海拔不超過1000m;環境溫度不超過40℃;接法為Y聯結;定額工作制為4極60min(短時工作制),16極為30min(短時工作制)。
二、結構簡介
定子繞組采用雙繞組(4極和16極)。電動機具有良好的電氣機械性能,防潮性及熱穩定性好,并有防止過熱淚盈眶的熱動開關。
轉子為雙籠結構,導條為銅條,轉子鐵心采用熱套工藝術,使轉子固定在轉軸上,轉子經校平衡,保證運轉平穩,振動小。
接線盒內有較大的空間,便于接線,出線方向與電動機軸線垂直向下,從軸端視之,接組盒在機座的左側,按用戶的需要,也可在機座的右側。
軸承采用電機專用全封閉軸承或單列向心(環軸承)見表1。
電動機的絕緣等級5.5、7.5kW為B級絕緣,11、15、18.5、22kW為F級絕緣。
電動機的結構安裝型式為IMB5,如用戶需要可制成IMB3、IMB35。
軸承型號表
|
電動機型號 |
前軸承型號 |
后軸承型號 |
電動機型號 |
前軸承型號 |
后軸承型號 |
|
YYTD-5.5 |
180309 |
180309 |
YYTD-15 |
311 |
309 |
|
YYTD-7.5 |
180309 |
180309 |
YYTD-18.5 |
311 |
309 |
|
YYTD11 |
180309 |
180309 |
YYTD-22 |
312 |
309 |
|
型 號 |
極數 |
額定
功率/kW |
額定功率時的特性數據 |
堵轉
電流
/A |
堵轉
轉矩 |
飛輪轉矩
/(kg·m2) |
重量/kg | ||||
|
轉速
/(r/min) |
電流/A |
效率
(%) |
功率因數 |
轉差率(%) |
額定
轉矩 | ||||||
|
YYTD-5.5 |
4/16 |
5.5/1.0 |
1415/315 |
13.5/11.4 |
81.8/42.6 |
0.79/0.31 |
5.8/16.0 |
62/17 |
2.4/2.4 |
0.9 |
250 |
|
YYTD-7.5 |
4/16 |
7.5/1.4 |
1425/315 |
19/15.9 |
81.7/42.0 |
0.76/0.32 |
5.0/16.2 |
95/22 |
2.5/2.4 |
0.9 |
255 |
|
YYTD-11
YYTD-200L |
4/16 |
11/2.0 |
1425/320 |
25.5/19.1 |
86.5/49.5 |
0.80/0.32 |
5.0/15.3 |
130/30 |
2.6/2.2 |
1.13 |
265 |
|
YYTD-15
YYTD-225L1 |
4/16 |
15/2.75 |
1420/320 |
34/26.5 |
87.0/53.0 |
0.79/0.30 |
5.3/16.7 |
180/39 |
2.6/2.3 |
2.05 |
325 |
|
YYTD-18.5
YYTD-225L1 |
4/16 |
18.5/3.4 |
1420/320 |
45/45.9 |
86.0/44.1 |
0.74/0.26 |
5.2/15.5 |
209/62 |
2.6/2.3 |
3.1 |
380 |
|
YYTD-22 |
4/16 |
22/4.0 |
1430/315 |
49/40.4 |
88.5/48.6 |
0.80/0.31 |
4.5/15.7 |
256/59 |
2.6/2.1 |
5.1 |
500 |
注:該表中型號一欄內YYTD200L、225L1、225L2,其中200、225為中心高,L為機座長度代號,1、2為鐵心長度代號。
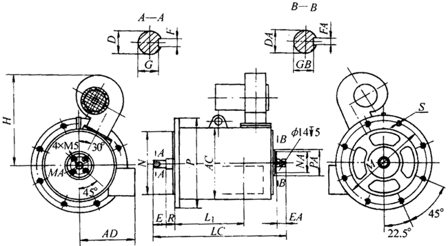
YYTD調速電梯用電動機外形尺寸圖

YYTD系列雙速、調速電梯用電動機外形及安裝尺寸表(國標) (單位:mm)
|
型 號 |
D |
E |
F |
G |
M |
N |
P |
R |
S |
S螺孔對
其公稱位
置偏差 |
DA |
EA |
FA |
GB |
MA |
NA |
PA |
AC |
AD |
H |
LC |
L1 |
|
YYTD-5.5 |
40 |
110 |
12 |
35 |
450 |
400 |
500 |
5 |
M16 |
0.70 |
— |
55 |
— |
— |
— |
— |
— |
390 |
320 |
510 |
750
|
375 |
|
YYTD-7.5 | ||||||||||||||||||||||
|
YYTD-11 |
40 |
63 |
4 |
37.5 |
122 |
132 |
136 | |||||||||||||||
|
YYTD-15 |
50 |
14 |
44.5 |
430 |
360 |
590 |
765 | |||||||||||||||
|
YYTD-18.5 |
700 |
|
325 | |||||||||||||||||||
|
YYTD-22 |
55 |
16 |
49 |
550 |
500 |
600 |
40 |
— |
55 |
— |
— |
— |
— |
— |
485 |
405 |
555 |
915 |
505 |
注:YYTD-22安裝尺寸按日立標準時,其凸緣端蓋螺孔8×s的分布按圖中“*”號標志的尺寸規定。
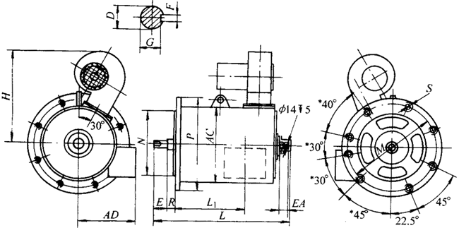
YYTD雙速電梯用電動機外形尺寸圖

YYTD系列雙速、調速電梯用電動機外形及安裝尺寸表(日立標準) (單位:mm)
|
型 號 |
D |
E |
F |
G |
M |
N |
P |
R |
S |
S螺孔對
其公稱位
置偏差 |
DA |
EA |
FA |
GB |
MA |
NA |
PA |
AC |
AD |
H |
L |
L1 |
|
YYTD-5.5 |
40 |
70 |
10 |
35.5 |
415 |
345 |
450 |
45 |
M16 |
0.70 |
— |
55 |
— |
— |
— |
— |
— |
390 |
320 |
510 |
750 |
375 |
|
YYTD-7.5 | ||||||||||||||||||||||
|
YYTD-11 |
40 |
63 |
4 |
37.5 |
122 |
132 |
136 | |||||||||||||||
|
YYTD-15 |
50 |
12 |
45.5 |
430 |
360 |
590 |
765 | |||||||||||||||
|
YYTD-18.5 |
|
325 | ||||||||||||||||||||
|
YYTD-22 |
55 |
95 |
15 |
50 |
545 |
510 |
580 |
55 |
— |
55 |
— |
— |
— |
— |
— |
485 |
405 |
700 |
915 |
505 |
注:DA、FA、MA、NA、PA見圖1。
| 頁次:1/1 每頁10條 共3條信息 分頁:[1] |
