產品展示
一、概述
YZR2系列繞線轉子異步電動機用于橋式起重機、門式起重機、裝卸橋及輸送線等各種類型的起重機械和冶金輔助設備的電力傳動。該電機是新更新設計的電動機,采用的標準:
GB/T755—1986旋轉電機基本技術要求
GB/T757—1993旋轉電機 圓錐形軸伸
GB/T997—1981旋轉電機結構及安裝型式代號
GB/1570—1990圓柱形軸伸
GB/T1993—1993旋轉電機冷卻方法
GB/ T4772.2—1984電機尺寸及公差機座號36~400,凸緣號FF55~FF1080或FT55~FT108的電機。
GB4826—1984電機功率等級。
GB/T4942.1—1985電機外殼防護等級
JB/T56105—1999起重及冶金用三相異步電動機可靠性實驗方法
電動機的功率等級和安裝尺寸符合IEC標準,與DIN42681標準基本一致,與日本JEM1202相同并可互換。
電動機分為一般環境用(40℃)電動機和冶金環境用(60℃)電動機。
電動機的工作制有S2、S3、S4、S5、S6、S7、S8、S9等八種。電動機的定額是以周期工作制S3—40%為基準工作制,也可按定貨合同特制的工作制及功率出廠。
電動機的額定電壓為380V,額定頻率為50HZ.H100~355中心高定子繞組為Y聯結,400中心高一般為△聯結, 也可按定貨合同供應Y聯結的電動機。
電動機的S4、S5及其他工作制時的額定功率,按基準工作制時的額定功率的實際溫升值確定,由制造廠在產品樣本中給出。但S6~S9工作制時的額定功率需由用戶提供所需的工作制參數后由制造廠分別確定。
型號含義

二、結構簡介
YZR2系列電動機的外殼防護等級為IP54,接線和防護等級為IP55(見GB/T4942.1)。
電動機的機座、短蓋的散熱筋呈垂直及水平的分布,提高了散熱能力。電動機的風扇由軸伸端該在非軸伸端。電動機的冷卻方法為IC411(見GB/1993)。
電動機的結構及安裝型式為IM1001、IM1002、IM1003、IM1004、IM3001、IM3003
IM3011和IM3013(見GB/T997),按表1的規定制造。
表1 YZR2系列制造范圍
|
結構及安裝型式 |
代號 |
制造范圍(機座號) |
![]() |
IM1001 |
112~160 |
|
IM1003 |
180~400 | |
![]() |
IM1002 |
112~160 |
|
IM1004 |
180~400 | |
![]() |
IM3001 |
112~160 |
|
IM3003 |
180 | |
![]() |
IM3011 |
112~160 |
|
IM3013 |
180~315 |
表2 電動機的機座號與轉速、功率及負載持續率的對應關系
|
同步轉速/(r/min) |
1500 |
1000 |
750 |
600 | ||||||||||||
|
極數 |
4 |
6 |
8 |
10 | ||||||||||||
|
負載持續率(%) |
25 |
40 |
60 |
100 |
25 |
40 |
60 |
100 |
25 |
40 |
60 |
100 |
25 |
40 |
60 |
100 |
|
機座號 |
功率/KW | |||||||||||||||
|
100L |
2.5 |
2.2 |
1.9 |
1.6 |
- |
- |
- |
- |
- |
- |
- |
- |
- |
- |
- |
- |
|
112M21 |
3.3 |
3.0 |
2.6 |
2.0 |
1.7 |
1.5 |
1.3 |
1.1 |
- |
- |
- |
- |
- |
- |
- |
- |
|
4.5 |
4.0 |
3.5 |
3.0 |
2.5 |
2.2 |
1.9 |
1.6 | |||||||||
|
132M21 |
6.3 |
5.5 |
4.8 |
4.0 |
3.3 |
3.0 |
2.6 |
2.2 |
- |
- |
- |
- |
- |
- |
- |
- |
|
7.0 |
6.3 |
5.3 |
4.8 |
4.5 |
4.0 |
3.5 |
3.0 | |||||||||
|
160M21 |
8.5 |
7.5 |
6.3 |
5.0 |
6.3 |
5.5 |
4.8 |
4.0 |
- |
- |
- |
- |
- |
- |
- |
- |
|
13 |
11 |
9.5 |
8.0 |
8.5 |
7.5 |
6.3 |
5.05 | |||||||||
|
160L |
17 |
15 |
13 |
11 |
13 |
11 |
9.5 |
8.0 |
8.5 |
7.5 |
6.3 |
5.5 | ||||
|
180L |
25 |
22 |
19 |
16 |
17 |
15 |
13 |
11 |
13 |
11 |
9.5 |
8.0 |
- |
- |
- |
- |
|
200L |
35 |
30 |
26 |
22 |
25 |
22 |
19 |
16 |
17 |
15 |
13 |
11 |
- |
- |
- |
- |
|
225M |
42 |
37 |
32 |
27 |
35 |
30 |
25 |
22 |
26 |
22 |
19 |
16 |
- |
- |
- |
- |
|
250M21 |
52 |
45 |
39 |
33 |
42 |
37 |
32 |
27 |
35 |
30 |
26 |
22 |
- |
- |
- |
- |
|
63 |
55 |
47 |
40 |
52 |
45 |
39 |
33 |
42 |
37 |
32 |
27 | |||||
|
280S21 |
70 |
63 |
53 |
46 |
63 |
55 |
47 |
40 |
52 |
45 |
39 |
33 |
42 |
37 |
32 |
27 |
|
85 |
75 |
63 |
55 |
70 |
63 |
53 |
46 |
- |
- |
- |
- |
- |
- |
- |
- | |
|
280M |
100 |
90 |
75 |
65 |
85 |
75 |
63 |
55 |
63 |
55 |
47 |
40 |
52 |
45 |
39 |
33 |
|
315S21 |
125 |
110 |
92 |
80 |
100 |
90 |
75 |
65 |
70 |
63 |
53 |
46 |
63 |
55 |
47 |
40 |
|
- |
- |
- |
- |
- |
- |
- |
- |
85 |
75 |
63 |
55 |
70 |
63 |
53 |
46 | |
|
315M |
150 |
132 |
110 |
95 |
125 |
110 |
92 |
80 |
100 |
90 |
75 |
65 |
85 |
75 |
63 |
55 |
|
355M21 |
- |
- |
- |
- |
- |
- |
- |
- |
125 |
110 |
92 |
80 |
100 |
90 |
75 |
65 |
|
150 |
132 |
110 |
95 |
125 |
110 |
92 |
80 | |||||||||
|
355L |
- |
- |
- |
- |
- |
- |
- |
- |
185 |
160 |
132 |
115 |
150 |
132 |
110 |
95 |
|
400L21 |
-
- |
-
- |
-
- |
-
- |
-
- |
-
- |
-
- |
-
- |
230 |
200 |
170 |
145 |
185 |
160 |
132 |
115 |
|
390 |
250 |
210 |
180 |
230 |
200 |
170 |
145 | |||||||||
表3技術數據表
|
工作方式 |
S3 6次/h |
轉動慣量
/(kg·m2) |
轉子開路電壓/V | |||||||||
|
|
25 |
40 |
60 |
100 | ||||||||
|
型號 |
額定
功率
/KW |
額定
功率
/KW |
定子
電流
/A |
轉子
電流
/A |
最大轉
矩/額
定轉矩 |
轉速
/(r/min) |
效率
(%) |
功率
因數 |
額定
功率/KW |
額定
功率/KW | ||
|
YZR2-280S1-4
YZR2-280S1-4
YZR2-280S-8
YZR2-280S-10
YZR2-280S2-4
YZR2-280S2-6 |
70
63
52
42
85
70 |
63
55
45
37
75
63 |
113.29
105.08
93.41
85.25
134.08
122.0 |
164.9
123.3
93.3
151.9
203.6
128.2
|
2.8
2.8
2.8
2.8
2.8
2.8
|
1468
973
725
579
1467
976
|
91.0
91.5
90.5
87.9
91.0
91.5 |
0.91
0.885
0.795
0.751
0.941
0.885 |
53
47
39
32
63
53 |
46
40
33
27
55
46 |
1.85
2.2
2.3
3.2
2.0
2.4 |
230
280
305
150
240
300 |
|
YZR2-280M-4
YZR2-280M-6
YZR2-280M-8
YZR2-280M-10 |
100
85
63
52 |
90
75
55
45 |
159.58
139.8
114.87
102.06 |
182.7
147.3
108.5
173.1 |
2.8
2.8
2.8
2.8 |
1468
975
728
582 |
91.0
91.5
90.5
87.9 |
0.941
0.885
0.795
0.751 |
75
63
47
39 |
65
55
40
33 |
2.2
2.8
2.8
3.7 |
310
310
310
172 |
|
YZR2-315S-4
YZR2-315S-6
YZR2-315S1-8
YZR2-315S1-10
YZR2-315S2-8
YZR2-315S2-10
YZR2-315M-4
YZR2-315M-6
YZR2-315M-8
YZR2-315M-10 |
125
100
70
63
85
70
150
125
100
85 |
110
90
63
55
75
63
132
110
90
75 |
192.74
168.65
127.01
119.4
152.37
136.08
229.54
200.99
182.41
158.1 |
242.3
212.7
159.4
157.2
165.6
161.7
215.7
222.9
169.5
171.3
|
2.8
2.8
2.8
2.8
2.8
2.8
2.8
2.8
2.8
2.8
|
1463
979
730
582
731
583
1472
978
732
582
|
93.0
92.0
80.0
89.0
80.0
90.0
93.0
92.0
90.0
89.0 |
0.92
0.88
0.80
0.78
0.80
0.78
0.93
0.88
0.80
0.78 |
92
75
53
47
63
53
110
92
75
63 |
80
65
46
40
55
46
95
80
65
55 |
4.2
5.4
5.4
6.8
5.8
7.3
4.9
6.4
6.4
8.1 |
290
255
250
225
285
242
375
305
330
280 |
|
YZR2-355M-8
YZR2-355M-10
YZR2-355L1-8
YZR2-355L1-10
YZR2-355L2-8
YZR2-355L2-10
|
125
100
150
125
185
150 |
110
90
132
110
160
132 |
216.72
184.18
255.17
218.47
308.12
265.7 |
242.4
181.4
254.4
189.9
263.2
188.6 |
2.8
2.8
2.8
2.8
2.8
2.8 |
734
587
734
586
735
587
|
920
90.0
92.0
91.0
92.0
92.0 |
0.87
0.81
0.84
0.82
0.86
0.82 |
92
75
110
92
132
110 |
80
65
95
80
115
95 |
14.1
14.2
15.8
16.4
17.3
18.0 |
285
310
325
335
380
435 |
|
YZR2-400L1-8
YZR2-400L1-10
YZR2-400L2-8
YZR2-400L2-10
|
230
185
300
230 |
200
160
250
200 |
381.98
322.26
489.79
403.9 |
316.4
252.5
314.4
262.6 |
2.8
2.8
2.8
2.8 |
739
591
749
891 |
92.0
92.2
80.0
92.2
|
0.83
0.79
0.80
0.79 |
170
132
210
170 |
145
115
180
145 |
22.8
23.6
25.8
25.2 |
390
395
480
460 |
|
工作方式 |
S3 6次/h |
轉動慣量
/(kg·m2) |
轉子開路電壓/V | |||||||||
|
|
25 |
40 |
60 |
100 | ||||||||
|
型號 |
額定功率/KW |
額定功率/KW |
定子
電流
/A |
轉子
電流
/A |
最大轉矩/額定轉矩 |
轉速
/(r/min) |
效率(%) |
功率因數 |
額定功率/KW |
額定功率/KW | ||
|
YZR2-100L-4 |
2.5 |
2.2 |
5.53 |
18.6 |
2.4 |
1358 |
77.0 |
0.725 |
1.9 |
1.6 |
0.012 |
85 |
|
YZR2-112M1-4
YZR2-112M1-4
YZR2-112M2-4
YZR2-112M2-4 |
3.3
1.7
4.5
2.5 |
3.0
1.5
4.0
2.2 |
7.67
4.27
9.77
6.07 |
19.8
10.8
19.1
12.1 |
2.4
2.4
2.4
2.4 |
1379
1379
1379
1379 |
75.0
69.0
78.0
69.0 |
0.768
0.645
0.798
0.645 |
2.6
1.3
3.5
1.9 |
2.0
1.1
3.0
1.6 |
0.025
0.023
0.026
0.026 |
110
100
145
132 |
|
YZR2-132M1-4
YZR2-132M1-6
YZR2-132M2-4
YZR2-132M1-6 |
6.3
3.3
7.0
4.5 |
5.5
3.0
6.3
4.0 |
12.36
8.15
13.92
10.35
|
36.1
18.7
25.8
14.7 |
2.4
2.4
2.4
2.4 |
1398
923
1399
923 |
82.9
75.8
82.9
76.8 |
0.844
0.733
0.844
0.763 |
4.8
2.6
5.3
3.5 |
4.0
2.2
4.8
3.0 |
0.042
0.045
0.044
0.051 |
140
110
170
185 |
|
YZR2-160M1-4
YZR2-160M1-6
YZR2-160M2-4
YZR2-160M2-6
YZR2-160L-4
YZR2-160L-6
YZR2-160L-8 |
8.5
6.3
13
8.5
17
13
8.5 |
7.5
5.5
11
7.5
15
11
7.5 |
16.07
13.59
22.79
18.45
30.9
25.23
21.01 |
27.7
26.4
39.8
26.3
38.6
29.1
24.2 |
2.6
2.4
2.8
2.6
2.8
2.8
2.6 |
1419
949
1423
958
1437
954
712 |
84.5
80.0
84.5
80.0
85.5
82.0
78.0 |
0.842
0.76
0.862
0.77
0.862
0.79
0.69 |
6.3
4.8
9.5
6.3
13
9.5
6.3 |
5.0
4.0
8.0
5.5
11
8.0
5.5 |
0.11
0.12
0.13
0.149
0.15
0.19
0.19 |
180
138
180
185
260
250
205 |
|
YZR2-180L-4
YZR2-180L-6
YZR2-180L-8 |
25
17
13 |
22
15
11 |
44.02
32.94
26.84 |
52.1
45.2
43.3 |
2.8
2.8
2.8 |
1442
964
715 |
87.0
85.0
83.0 |
0.89
0.81
0.74 |
19
13
9.5 |
16
11
8.0 |
0.25
0.37
0.37 |
270
218
172 |
|
YZR2-200L-4
YZR2-200L-6
YZR2-200L-8 |
35
25
17 |
30
22
15 |
57.91
43.84
33.24 |
70.4
74.3
56.6 |
2.8
2.8
2.8 |
1453
963
719 |
89.0
88.0
85.0 |
0.88
0.84
0.75 |
26
19
13 |
22
16
11 |
0.41
0.63
0.63 |
270
200
178 |
|
YZR2-225M-4
YZR2-225M-6
YZR2-225M-8 |
42
35
26 |
37
30
22 |
70.83
60.89
49.04 |
75.9
77.0
60.5 |
2.8
2.8
2.8 |
1461
971
722 |
89.0
88.0
85.0 |
0.88
0.84
0.75 |
32
25
19 |
27
22
16 |
0.51
0.78
0.77 |
325
250
232 |
|
YZR2-250M1-4
YZR2-250M1-6
YZR2-250M1-8
YZR2-250M2-4
YZR2-250M2-6
YZR2-250M2-8 |
52
42
35
63
52
42 |
45
37
30 45
37 |
82.44
71.89
61.66
98.93
85.54
77.67 |
157.7
96.6
69.7
157.4
100.4
81.2 |
2.8
2.8
2.8
2.8
2.8
2.8 |
1458
947
725
1457
974
728 |
84.0
88.0
88.0
91.0
88.0
88.0 |
0.90
0.86
0.785
0.91
0.86
0.785 |
39
32
26
47
39
32 |
33
27
22
40
33
27 |
0.89
1.41
1.39
1.03
1.63
1.61 |
185
250
272
230
290
290 |

表4臥式,帶地腳,無凸緣電動機
(單位:mm)
|
機座號 |
A |
B |
C① |
D② |
D1 |
E |
E1 |
F |
G |
H |
K |
|
AB |
AC |
AD |
BB |
HD |
L |
LC |
|
100L |
160 |
140 |
63 |
28 |
- |
60 |
- |
8 |
24 |
100 |
12 |
M10 |
206 |
210 |
135 |
210 |
285 |
533 |
593 |
|
112M |
190 |
140 |
70 |
32 |
80 |
10 |
27 |
112 |
350 |
235 |
160 |
225 |
315 |
590 |
670 | ||||
|
132M |
216 |
178 |
89 |
38 |
33 |
132 |
275 |
285 |
240 |
355 |
647 |
727 | |||||||
|
160M |
254 |
210 |
108
|
48 |
110 |
14 |
42.5 |
160 |
15 |
|
320 |
320 |
200 |
290 |
425 |
758 |
868 | ||
|
160L |
254 |
|
330 |
802 |
912 | ||||||||||||||
|
180L |
279 |
279 |
121 |
55 |
M36×3 |
82 |
19.9 |
180 |
|
360 |
360 |
380 |
470 |
870 |
980 | ||||
|
200L |
318 |
305 |
133 |
60 |
M42
×3 |
140 |
105 |
16 |
21.4 |
200 |
19 |
|
406 |
406 |
245 |
390 |
520 |
978 |
1118 |
|
225M |
356 |
311 |
149 |
65 |
23.9 |
225 |
|
455 |
425 |
410 |
560 |
1050 |
1190 | ||||||
|
250M |
406 |
349 |
168
190 |
70 |
M48×3 |
18 |
25.4 |
250 |
24 |
|
515 |
470 |
315 |
500 |
625 |
1195 |
1337 | ||
|
280S |
457 |
368 |
85 |
M56×4 |
170 |
130 |
20 |
31.7 |
280 |
|
|
575 |
530 |
|
520 |
|
1265 |
1438 | |
|
280M |
419 |
|
570 |
1315 |
1489 | ||||||||||||||
|
315S |
508 |
406 |
216 |
95 |
M64×4 |
22 |
35.2 |
315 |
28 |
|
640 |
620 |
370 |
550 |
|
1385 |
1562 | ||
|
315M |
457 |
|
600 |
1443 |
1613 | ||||||||||||||
|
355M |
610 |
560 |
254 |
110 |
M80×4 |
210 |
165 |
25 |
41.9 |
355 |
|
740 |
695 |
440 |
710 |
|
1654 |
1864 | |
|
355L |
630 |
|
780 |
1724 |
1934 | ||||||||||||||
|
400L |
686 |
710 |
280 |
130 |
M100×4 |
250 |
200 |
28 |
50 |
400 |
35 |
|
855 |
800 |
880 |
|
1870 |
2120 |
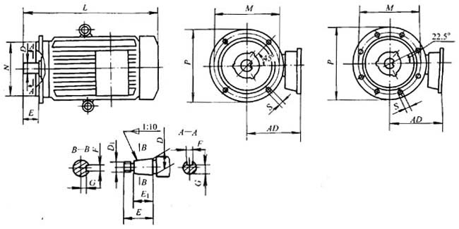
① C尺寸的極值偏差包括軸的竄動。②圓錐軸伸按GB1570規定檢查。

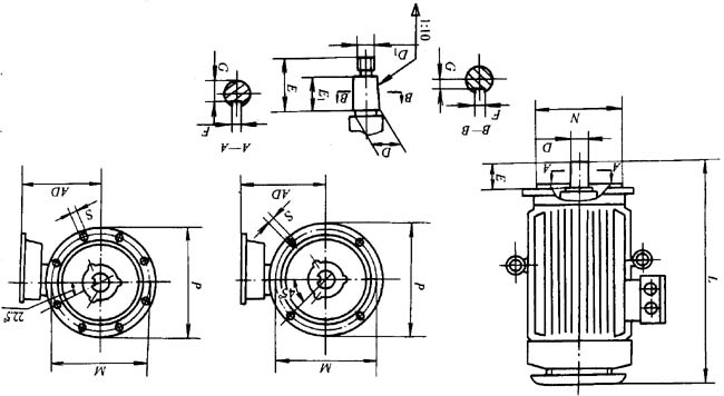
表5 臥式安裝,無地腳,無凸緣電動機
(單位:mm)
|
機座號 |
凸緣號 |
D① |
D1 |
E |
E1 |
F |
G |
M |
N |
P② |
S |
螺栓直徑 |
孔數
(個) |
AD |
L |
|
100L |
FF215 |
28 |
- |
60 |
- |
8 |
24 |
215 |
180 |
250 |
15 |
M12 |
4 |
180 |
533 |
|
112M |
32 |
80 |
10 |
27 |
203 |
590 | |||||||||
|
132M |
FF265 |
38 |
33 |
265 |
230 |
300 |
218 |
647 | |||||||
|
160M |
FF300 |
48 |
110 |
14 |
42.5 |
300 |
250 |
350 |
19 |
M16 |
265 |
758 | |||
|
160L |
802 | ||||||||||||||
|
180L |
55 |
M30×2 |
82 |
19.9 |
285 |
870 | |||||||||
|
200L |
FF400 |
60 |
M42×2 |
140 |
105 |
16 |
21.4 |
400 |
350 |
450 |
8 |
317 |
978 | ||
|
225M |
65 |
23.9 |
335 |
1050 |

表6 力式安裝,帶凸緣,軸伸向下電動機
(單位:mm)
|
機座號 |
凸緣號 |
D |
D1 |
E |
E1 |
F |
G |
M |
N |
P |
S |
螺栓直徑 |
孔數(個) |
AD |
L |
|
100L |
FF215 |
28 |
- |
60 |
- |
8 |
24 |
215 |
180 |
250 |
15 |
M12 |
4 |
180 |
573 |
|
112 |
32 |
- |
80 |
10 |
27 |
203 |
630 | ||||||||
|
132 |
FF265 |
38 |
33 |
265 |
230 |
300 |
218 |
687 | |||||||
|
160 |
FF300 |
48 |
- |
110 |
14
1 |
42.5 |
300 |
250 |
350 |
19 |
M16 |
265 |
808 | ||
|
160 |
852 | ||||||||||||||
|
180 |
55 |
|
82 |
19.9 |
285 |
920 | |||||||||
|
200 |
FF500 |
60 |
|
140 |
105 |
116 |
21.4 |
400 |
350
4 |
450 |
19 |
8 |
317 |
1028 | |
|
23.9 | |||||||||||||||
|
225 |
65 |
18 |
25.4 |
335 |
1100 | ||||||||||
|
250 |
70 |
|
18 |
31.7
3 |
500 |
4 |
|
375 |
1257 | ||||||
|
280 |
FF600 |
85 |
|
|
130 |
220 |
|
450 |
550 |
|
|
|
455 |
1328 | |
|
280 |
|
|
|
170 |
|
1379 | |||||||||
|
315 |
|
95 |
|
22 |
35.2 |
600 |
550 |
660 |
24 |
M20 |
520 |
1452 | |||
|
315 |
|
|
1503 |
| 頁次:1/1 每頁10條 共3條信息 分頁:[1] |




