Product list產品列表
Customer service在線客服
產品展示
Tk系列螺旋傘減速機其輪齒的齒線為-圓弧重疊系數大、承載能力高、磨損均勻、噪聲小、傳動平穩,最適宜用于傳遞兩相交軸之間的回轉運動。該機廣泛應用于各行業機械高速重載中,并能與各種減、變速機組合,滿足不同條件要求的場所。
|
機型號 |
38 |
48 |
58 |
68 |
78 |
88 |
|
結構形式 |
TK TKA TKF TKAF TKAZ TKAT TKAB | |||||
|
輸入功率(KW) |
0.18-3.0 |
0.18-3.0 |
0.18-5.5 |
0.18-5.5 |
0.37-11 |
0.75-22 |
|
傳動比 |
5.36-106.38 |
5.81-131.87 |
6.57-145.14 |
7.14-144.79 |
7.24-192.18 |
7.19-197.37 |
|
許用轉矩(N.m) |
200 |
400 |
600 |
820 |
1550 |
2700 |
|
機型號 |
98 |
108 |
128 |
158 |
168 |
188 |
|
結構形式 |
TK TKA TKF TKAF TKAZ TKAT TKAB | |||||
|
輸入功率(KW) |
1.1-30 |
3-45 |
7.5-90 |
11-160 |
11-200 |
18.5-200 |
|
傳動比 |
8.95-176.05 |
8.74-141.46 |
8.68-146.07 |
12.65-150.41 |
17.28-163.91 |
17.27-180.78 |
|
許用轉矩(N.m) |
4300 |
8000 |
13000 |
18000 |
32000 |
50000 |
輸出轉速:0.1~522r/min
輸出轉矩:高至48000Nm
電機功率:0.18~200Kw
安裝形式:底腳安裝
法蘭安裝
軸裝安裝
輸出轉矩:高至48000Nm
電機功率:0.18~200Kw
安裝形式:底腳安裝
法蘭安裝
軸裝安裝

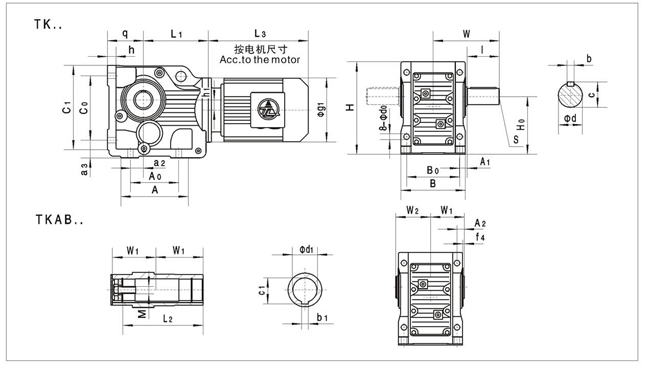
|
型號 |
安裝尺寸 |
軸伸尺寸 |
外形尺寸 | ||||||||||
|
H0 |
B0 |
C0 |
a3 |
A1 |
d |
l |
s |
b |
B |
L1 |
W |
A | |
|
A0 |
a2 |
q |
d0 |
c |
H |
h |
h1 |
c1 | |||||
|
TK38 |
100 |
100 |
115 |
32 |
10 |
25k6 |
50 |
M10 |
8 |
120 |
142 |
110 |
150 |
|
110 |
28 |
63 |
11 |
28 |
165 |
16 |
8.5 |
145 | |||||
|
TK48 |
112 |
120 |
130 |
37 |
15 |
30k6 |
60 |
M10 |
8 |
145 |
166 |
135 |
165 |
|
130 |
35 |
71 |
11 |
33 |
186 |
18 |
7.2 |
170 | |||||
|
TK58 |
132 |
130 |
150 |
45 |
18 |
35k6 |
70 |
M12 |
10 |
157 |
173 |
153 |
172 |
|
130 |
30 |
80 |
13.5 |
38 |
217 |
21 |
13.1 |
190 | |||||
|
TK68 |
140 |
140 |
160 |
45 |
21 |
40k6 |
80 |
M16 |
12 |
170 |
179 |
171 |
175 |
|
120 |
30 |
90 |
13.5 |
43 |
228 |
24 |
20 |
203 | |||||
|
TK78 |
180 |
165 |
200 |
55 |
23.5 |
50k6 |
100 |
M16 |
14 |
200 |
202 |
206 |
205 |
|
150 |
40 |
112 |
17.5 |
53.5 |
288 |
27 |
31.3 |
263 | |||||
|
TK88 |
212 |
180 |
233 |
70 |
30 |
60m6 |
120 |
M20 |
18 |
230 |
257 |
240 |
255 |
|
180 |
55 |
132 |
22 |
64 |
340 |
32 |
25.9 |
311 | |||||
|
TK98 |
265 |
240 |
295 |
75 |
31 |
70m6 |
140 |
M20 |
20 |
290 |
277 |
291 |
320 |
|
240 |
75 |
160 |
26 |
74.5 |
414 |
36 |
32.3 |
372 | |||||
|
TK108 |
315 |
270 |
360 |
95 |
42 |
90m6 |
170 |
M24 |
25 |
340 |
341 |
347 |
390 |
|
280 |
95 |
200 |
33 |
95 |
505 |
40 |
52 |
455 | |||||
|
TK128 |
375 |
330 |
420 |
110 |
43 |
110m6 |
210 |
M24 |
28 |
400 |
390 |
418 |
460 |
|
350 |
115 |
225 |
39 |
116 |
592 |
45 |
53 |
526 | |||||
|
TK158 |
450 |
420 |
500 |
130 |
37 |
120m6 |
210 |
M24 |
32 |
500 |
426 |
457 |
495 |
|
380 |
140 |
280 |
39 |
127 |
705 |
50 |
71.7 |
634 | |||||
|
型號 |
安裝尺寸 |
外形尺寸 | ||||||||
|
W1 |
W3 |
f4 |
A2 |
M |
d1 |
c1 |
b1 |
L2 |
g1 | |
|
TKAB48 |
75 |
78 |
3 |
15 |
M10×25 |
35H7 |
38.3 |
10 |
130 |
160 |
|
TKAB58 |
83 |
86 |
3 |
18 |
M16×40 |
40H7 |
43.3 |
12 |
142 |
160 |
|
TKAB68 |
90 |
93 |
3.5 |
20 |
M16×40 |
40H7 |
43.3 |
12 |
156 |
160 |
|
TKAB78 |
105 |
108 |
4 |
22.5 |
M16×40 |
50H7 |
53.8 |
14 |
183 |
200 |
|
TKAB88 |
120 |
123 |
4 |
30 |
M20×50 |
60H7 |
64.4 |
18 |
210 |
250 |
|
TKAB98 |
150 |
153 |
4 |
30 |
M20×50 |
70H7 |
74.9 |
20 |
270 |
300 |
|
TKAB108 |
175 |
178 |
2.5 |
40 |
M24×60 |
90H7 |
95.4 |
25 |
310 |
350 |
|
TKAB128 |
205 |
208 |
2.5 |
40 |
M24×60 |
100H7 |
106.4 |
28 |
370 |
450 |
|
TKAB158 |
250 |
253 |
0 |
40 |
M24×60 |
120H7 |
127.4 |
32 |
457 |
550 |
注:TKAB…其余參數請參見TK…。



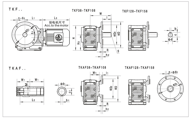
|
型號 |
安裝尺寸 |
軸伸尺寸 |
外形尺寸 | ||||||||||||||
|
H0 |
S |
R |
D1 |
n |
d0 |
D2 |
b |
d |
l |
c |
L1 |
W |
D |
h1 |
h2 |
H | |
|
TKF38 |
100 |
M10 |
3.5 |
130 |
4 |
9 |
110j6 |
8 |
25K6 |
50 |
28 |
139 |
134 |
160 |
8.5 |
10 |
164 |
|
TKF48 |
112 |
M10 |
3.5 |
165 |
4 |
11 |
130j6 |
8 |
30K6 |
60 |
33 |
166 |
160 |
200 |
7.2 |
10 |
185 |
|
TKF58 |
132 |
M12 |
4 |
215 |
4 |
13.5 |
180j6 |
10 |
35K6 |
70 |
38 |
173 |
177 |
250 |
13.1 |
15 |
215 |
|
TKF68 |
140 |
M16 |
4 |
215 |
4 |
13.5 |
180j6 |
12 |
40K6 |
80 |
43 |
179 |
193 |
250 |
20 |
15 |
226 |
|
TKF78 |
180 |
M16 |
4 |
265 |
4 |
13.5 |
230j6 |
14 |
50K6 |
100 |
53.5 |
202 |
242 |
300 |
31.3 |
16 |
286 |
|
TKF88 |
212 |
M20 |
5 |
300 |
4 |
17.5 |
250h6 |
18 |
60m6 |
120 |
64 |
257 |
270 |
350 |
25.9 |
18 |
338 |
|
TKF98 |
265 |
M20 |
5 |
400 |
8 |
17.5 |
350h6 |
20 |
70m6 |
140 |
74.5 |
277 |
332 |
450 |
32.3 |
22 |
414 |
|
TKF108 |
315 |
M24 |
5 |
400 |
8 |
17.5 |
350h6 |
25 |
90m6 |
170 |
95 |
341 |
386 |
450 |
52 |
22 |
500 |
|
TKF128 |
375 |
M24 |
5 |
500 |
8 |
17.5 |
450h6 |
28 |
110m6 |
210 |
116 |
390 |
466 |
550 |
53 |
25 |
592 |
|
TKF158 |
450 |
M24 |
6 |
600 |
8 |
22 |
550h6 |
32 |
120m6 |
210 |
127 |
426 |
520 |
660 |
71.7 |
28 |
705 |
|
型號 |
安裝尺寸 |
軸伸尺寸 |
外形尺寸 | ||||||||||||
|
L2 |
D1 |
R |
D2 |
n |
d0 |
M |
b1 |
d1 |
l1 |
c1 |
D |
h2 |
W1 |
g1 | |
|
TKAF38 |
105 |
130 |
3.5 |
110j6 |
4 |
9 |
M10×25 |
8 |
30H7 |
24 |
33.3 |
160 |
10 |
60 |
120 |
|
TKAF48 |
130 |
165 |
3.5 |
130j6 |
4 |
11 |
M10×25 |
10 |
35H7 |
25 |
38.3 |
200 |
10 |
75 |
160 |
|
TKAF58 |
142 |
215 |
4 |
180j6 |
4 |
13.5 |
M16×40 |
12 |
40H7 |
23.5 |
43.3 |
250 |
15 |
83 |
160 |
|
TKAF68 |
156 |
215 |
4 |
180j6 |
4 |
13.5 |
M16×40 |
12 |
40H7 |
23 |
43.3 |
250 |
15 |
90 |
160 |
|
TKAF78 |
183 |
265 |
4 |
230j6 |
4 |
13.5 |
M16×40 |
14 |
50H7 |
37 |
53.8 |
300 |
16 |
105 |
200 |
|
TKAF88 |
210 |
300 |
5 |
250j6 |
4 |
17.5 |
M20×50 |
18 |
60H7 |
30 |
64.4 |
350 |
18 |
120 |
250 |
|
TKAF98 |
270 |
400 |
5 |
350j6 |
8 |
17.5 |
M20×50 |
20 |
70H7 |
41.5 |
74.9 |
450 |
22 |
150 |
300 |
|
TKAF108 |
310 |
400 |
5 |
350j6 |
8 |
17.5 |
M24×60 |
25 |
90H7 |
41 |
95.4 |
450 |
22 |
175 |
350 |
|
TKAF128 |
370 |
500 |
5 |
450h6 |
8 |
17.5 |
M24×60 |
28 |
100H7 |
51 |
106.4 |
550 |
25 |
205 |
450 |
|
TKAF158 |
457 |
600 |
6 |
550h6 |
8 |
22 |
M24×60 |
32 |
120H7 |
60 |
127.4 |
660 |
28 |
250 |
550 |
注:其余參數請參見TKA…。

|
型號 |
安裝尺寸 |
軸伸尺寸 |
外形尺寸 | |||||||||||
|
H0 |
B0
a2 |
A0 |
d0 |
d |
b
c |
L2 |
M1 |
B |
q
L1 |
H
g1 |
W1
f4 |
h1
A |
W2 | |
|
TKA35 |
100 |
60
35 |
117 |
M10×20 |
30H7 |
8
33.3 |
105 |
M10×25 |
100 |
71
142 |
164
120 |
60
2.5 |
8.5
147 |
63 |
|
TKA48 |
112 |
70
40 |
140 |
M10×20 |
35H7 |
10
38.3 |
130 |
M12×25 |
110 |
75
166 |
185
160 |
75
3 |
7.2
175 |
78 |
|
TKA58 |
132 |
88
47 |
152 |
M12×25 |
40H7 |
12
43.3 |
142 |
M16×40 |
122 |
96
173 |
215
160 |
83
3 |
13.1
207 |
86 |
|
TKA68 |
140 |
88
42 |
152 |
M12×25 |
40H7 |
12
43.3 |
156 |
M16×40 |
130 |
94
179 |
226
160 |
90
3.5 |
20
207 |
93 |
|
TKA78 |
180 |
102
48 |
170 |
M16×32 |
50H7 |
14
53.8 |
183 |
M16×40 |
154 |
109
202 |
286
200 |
105
4 |
31.3
225 |
108 |
|
TKA88 |
212 |
118
65 |
225 |
M16×32 |
60H7 |
18
64.4 |
210 |
M20×50 |
170 |
132
257 |
338
250 |
120
4 |
25.9
300 |
123 |
|
TKA98 |
265 |
160
83 |
248 |
M20×36 |
70H7 |
20
74.9 |
270 |
M20×50 |
226 |
158
277 |
414
300 |
150
4 |
32.3
328 |
153 |
|
TKA108 |
315 |
190
100 |
290 |
M24×44 |
90H7 |
25
95.4 |
310 |
M24×60 |
266 |
199
354 |
500
350 |
175
2.5 |
52
400 |
178 |
|
TKA128 |
同TKAB128 | |||||||||||||
|
TKA158 |
同TKAB158 | |||||||||||||
|
型號 |
安裝尺寸 |
外形尺寸 | |||||||||
|
L5 |
β |
C8 |
R |
p |
l |
H0 |
d1 |
L4+0 -0.3 |
a4 |
d2+0.25 +0.1 | |
|
TKAT38 |
31 |
60° |
10 |
22.5 |
140 |
20 |
100 |
10.4±0.1 |
36 |
23.5 |
26 |
|
TKAT48 |
31 |
55° |
12 |
22.5 |
160 |
20 |
112 |
10.4±0.1 |
36 |
30 |
26 |
|
TKAT58 |
54 |
55° |
13 |
29 |
192 |
18 |
132 |
16.4±0.08 |
60 |
40 |
40 |
|
TKAT68 |
54 |
55° |
13 |
29 |
200 |
25 |
140 |
16.4±0.08 |
60 |
45 |
40 |
|
TKAT78 |
54 |
60° |
14 |
29 |
250 |
25 |
180 |
16.4±0.08 |
60 |
52.5 |
40 |
|
TKAT88 |
72 |
60° |
16 |
41 |
300 |
30 |
212 |
25±0.08 |
80 |
60 |
60 |
|
TKAT98 |
92 |
50° |
17 |
41 |
350 |
40 |
265 |
25±0.08 |
100 |
70 |
60 |
|
TKAT108 |
92 |
55° |
20 |
41 |
450 |
45 |
315 |
25±0.08 |
100 |
74 |
60 |
|
TKAT128 |
110 |
65° |
45 |
70 |
550 |
7 |
375 |
40±0.08 |
126 |
60 |
- |
|
TKAT158 |
110 |
75° |
45 |
70 |
700 |
2 |
450 |
40±0.08 |
126 |
50 |
- |
注:TKAT…其余參數請參見TKA…。

|
型號 |
安裝尺寸 |
軸伸尺寸 |
外形尺寸 | ||||||
|
L |
D1 |
D2 |
M |
R |
l |
d0 |
h2 |
D | |
|
TKAZ38 |
12 |
94 |
80j6 |
M8 |
3 |
9 |
9 |
11.5 |
110 |
|
TKAZ48 |
12 |
102 |
80j6 |
M8 |
3 |
8.5 |
9 |
11 |
120 |
|
TKAZ58 |
20 |
125 |
105j6 |
M12 |
3.5 |
9 |
13.5 |
12 |
155 |
|
TKAZ68 |
20 |
125 |
105j6 |
M12 |
3.5 |
8.5 |
13.5 |
12 |
155 |
|
TKAZ78 |
20 |
142 |
125j6 |
M12 |
3.5 |
10 |
13.5 |
14 |
170 |
|
TKAZ88 |
26 |
178 |
155j6 |
M16 |
4 |
11 |
17.5 |
15 |
215 |
|
TKAZ98 |
26 |
220 |
180j6 |
M16 |
4 |
14 |
17.5 |
18 |
260 |
|
TKAZ108 |
30 |
260 |
210j6 |
M20 |
4 |
8★ |
22 |
22 |
304 |
|
TKAZ128 |
28 |
300 |
250h6 |
M20 |
5 |
0 |
22 |
28 |
350 |
|
TKAZ158 |
36 |
340 |
290h6 |
M24 |
5 |
14★ |
26 |
28 |
400 |
注:其余參數請參見TKA…。帶★表示高出法蘭結合面。

|
型號 |
d1 |
L1 |
l1 |
S1 |
c1 |
b1 |
g1 |
|
TK..S38 |
16k6 |
115 |
40 |
M5 |
18 |
5 |
120 |
|
TK..S48 |
19k6 |
120 |
40 |
M6 |
21.5 |
6 |
160 |
|
TK..S58 |
19k6 |
120 |
40 |
M6 |
21.5 |
6 |
160 |
|
TK..S68 |
19k6 |
120 |
40 |
M6 |
21.5 |
6 |
160 |
|
TK..S78 |
24k6 |
140 |
50 |
M8 |
27 |
8 |
200 |
|
TK..S88 |
28k6 |
180 |
60 |
M10 |
31 |
8 |
250 |
|
TK..S98 |
38k6 |
220 |
80 |
M12 |
41 |
10 |
300 |
|
TK..S108 |
42k6 |
270 |
110 |
M16 |
45 |
12 |
350 |
|
TK..S128 |
55m6 |
297 |
110 |
M20 |
59 |
16 |
450 |
|
TK..S158 |
70m6 |
374 |
140 |
M20 |
74.5 |
20 |
550 |
|
型號 |
電機機座號 |
L2 |
L3 |
|
型號 |
電機機座號 |
L2 |
L3 |
|
TK..38TR18 |
Y263.. |
175 |
≤208 |
TK..128TR88 |
Y290.. |
272 |
≤295 | |
|
Y271.. |
175 |
≤266 |
Y2100L |
272 |
≤320 | |||
|
Y280.. |
175 |
≤272 |
Y2112M |
272 |
≤340 | |||
|
TK..48TR38 TK..58TR38
TK..68TR38
TK..78TR38 |
Y263.. |
157 |
≤208 |
Y2132.. |
272 |
≤465 | ||
|
Y271.. |
157 |
≤266 |
Y2160.. |
272 |
≤600 | |||
|
Y280.. |
157 |
≤272 |
Y2180.. |
272 |
≤665 | |||
|
Y290.. |
157 |
≤320 |
TK..158TR98
TK..168TR98
TK..188TR98 |
Y280.. |
320 |
≤248 | ||
|
TK..88TR58
TK..98R58 |
Y263.. |
187 |
≤198 |
Y290.. |
320 |
≤295 | ||
|
Y271.. |
187 |
≤266 |
Y2100L |
320 |
≤320 | |||
|
Y280.. |
187 |
≤272 |
Y2112M |
320 |
≤340 | |||
|
Y290.. |
187 |
≤320 |
Y2132.. |
320 |
≤425 | |||
|
Y2100L |
187 |
≤350 |
Y2160.. |
320 |
≤600 | |||
|
TK..108TR78
TK..128TR78
|
Y2112M |
187 |
≤375 |
Y2180.. |
320 |
≤665 | ||
|
Y263.. |
220 |
≤198 |
Y2200L |
320 |
≤675 | |||
|
Y271.. |
220 |
≤266 |
TK..158TR108
TK..168TR108
TK..188TR108 |
Y2100L |
355 |
≤320 | ||
|
Y280.. |
220 |
≤248 |
Y2112M |
355 |
≤340 | |||
|
Y290.. |
220 |
≤295 |
Y2132.. |
355 |
≤425 | |||
|
Y2100L |
220 |
≤350 |
Y2160.. |
355 |
≤560 | |||
|
Y2112M |
220 |
≤375 |
Y2180.. |
355 |
≤620 | |||
|
Y2132.. |
220 |
≤465 |
Y2200L |
355 |
≤675 | |||
|
Y2160M |
220 |
≤600 |
Y2225.. |
355 |
≤740 |
注:其余尺寸請參見相對應型號。
| 頁次:1/1 每頁10條 共7條信息 分頁:[1] |




