Product list產品列表
Customer service在線客服
產品展示
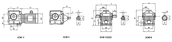
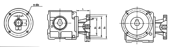
SC系列斜齒輪減速器型號規格及機型表示方法
本系列減速器的型號規格有:SC37、SC47、SC67、SC77、SC87、SC97等7種
本系列減速器的公稱減速比分別有:23.8、29.1、32.6、36.9、41.1、46.5、51.3、57.5、67.8、73.7、87.3、98.5、110、123、139、154、175、203、209、252、283、324、346、389等24種。
本系列減速器的配置電機功率根據機型大小及減速比可分配0.12-45KW。
標記方法:


|
機型號 |
中心高 |
外型尺寸 |
軸輸入尺寸 |
軸輸出尺寸 |
孔輸出尺寸 |
安裝尺寸 | |||||||||||||||||||||||
|
a |
p1 |
WS |
O |
h1 |
L |
L1 |
L3 |
D1 |
L2 |
E |
d1 |
t1 |
r1 |
E |
d |
t |
r |
D |
T |
R |
b3 |
b8 |
a3 |
bo |
ao |
f |
s | ||
|
SCW-37 |
88 |
110 |
150 |
55 |
120 |
0 |
63 |
80 |
詳
見
電
機
一
覽
表 |
115 |
40 |
16 |
18 |
5 |
40 |
20 |
22.5 |
6 |
20 |
22.8 |
6 |
35 |
63 |
40 |
80 |
90 |
100 |
9 | |
|
SCW-47 |
100 |
120 |
165 |
55 |
120 |
11 |
75 |
96 |
115 |
40 |
19 |
18 |
5 |
50 |
25 |
28 |
8 |
25 |
28.3 |
8 |
35 |
80 |
35 |
80 |
100 |
110 |
11 | ||
|
SCW-57 |
112 |
136 |
188 |
70 |
150 |
24 |
80 |
107 |
115 |
40 |
19 |
22 |
6 |
60 |
30 |
33 |
8 |
30 |
33.3 |
8 |
45 |
100 |
35 |
100 |
110 |
134 |
11 | ||
|
SCW-67 |
140 |
160 |
240 |
79 |
168 |
24 |
107 |
135 |
120 |
40 |
19 |
22 |
6 |
70 |
40 |
38 |
10 |
35 |
38.3 |
10 |
60 |
130 |
40 |
130 |
130 |
160 |
14 | ||
|
SCW-77 |
180 |
185 |
300 |
100 |
210 |
33 |
125 |
162 |
140 |
50 |
24 |
27 |
8 |
90 |
50 |
48.5 |
14 |
45 |
48.8 |
14 |
75 |
135 |
70 |
135 |
150 |
195 |
18 | ||
|
SCW-87 |
225 |
250 |
368 |
120 |
250 |
40 |
150 |
190 |
180 |
60 |
28 |
31 |
8 |
120 |
60 |
64 |
18 |
60 |
64.4 |
18 |
92 |
180 |
82 |
180 |
200 |
245 |
22 | ||
|
SCW-97 |
280 |
300 |
455 |
140 |
290 |
53 |
180 |
240 |
220 |
80 |
38 |
41 |
10 |
140 |
70 |
74.5 |
20 |
70 |
74.9 |
20 |
115 |
235 |
90 |
235 |
250 |
285 |
26 | ||

|
機型號 |
外型尺寸 |
軸輸入尺寸 |
軸輸出
尺寸 |
孔輸出
尺寸 |
安裝尺寸 | ||||||||||||||||||||||||||
|
H |
h1 |
L1 |
P2 |
W6 |
f2 |
L |
L3 |
D1 |
o |
L2 |
E |
d1 |
t1 |
r1 |
d |
t |
r |
D |
T |
R |
e1 |
b1 |
a1 |
f1 |
f1 |
f7 |
c1 |
n-do | |||
|
SCL-37 |
88 |
0 |
80 |
145 |
55 |
115 |
63 |
詳
見
電
機
一
覽
表 |
120 |
115 |
40 |
16 |
18 |
5 |
20 |
22.5 |
6 |
20 |
22.8 |
6 |
100 |
80 |
120 |
3 |
40 |
15 |
8 |
4~7 | |||
|
SCL-47 |
100 |
11 |
96 |
179 |
55 |
133 |
75 |
120 |
115 |
40 |
19 |
18 |
5 |
25 |
28 |
8 |
25 |
28.3 |
8 |
130 |
110 |
160 |
3.5 |
50 |
24 |
10 |
4~9 | ||||
|
SCL-57 |
112 |
24 |
107 |
188 |
70 |
160 |
80 |
150 |
115 |
40 |
19 |
22 |
6 |
30 |
33 |
8 |
30 |
33.3 |
8 |
165 |
130 |
200 |
3.5 |
60 |
25 |
12 |
4~11 | ||||
|
SCL-67 |
140 |
24 |
135 |
239 |
79 |
190 |
107 |
168 |
120 |
40 |
19 |
22 |
6 |
35 |
38 |
10 |
40 |
38.3 |
10 |
165 |
130 |
250 |
3.5 |
70 |
42 |
12 |
4~11 | ||||
|
SCL-77 |
180 |
33 |
162 |
300 |
100 |
232 |
125 |
210 |
140 |
50 |
24 |
27 |
8 |
45 |
48.5 |
14 |
50 |
48.8 |
14 |
215 |
180 |
250 |
4 |
90 |
45 |
15 |
4~13.5 | ||||
|
SCL-87 |
225 |
40 |
190 |
368 |
120 |
290 |
150 |
250 |
180 |
60 |
28 |
31 |
8 |
60 |
64 |
18 |
60 |
64.4 |
18 |
300 |
250 |
350 |
5 |
120 |
52 |
18 |
4~17.5 | ||||
|
SCL-97 |
280 |
53 |
240 |
456 |
140 |
340 |
180 |
290 |
220 |
80 |
38 |
41 |
10 |
70 |
74.5 |
20 |
70 |
74.9 |
20 |
400 |
350 |
450 |
5 |
140 |
60 |
22 |
8~17.5 | ||||

|
機型號 |
外型尺寸 |
軸輸入尺寸 |
軸輸出尺寸 |
孔輸出尺寸 |
安裝尺寸 | ||||||||||||||||||||||
|
H0 |
H1 |
H2 |
H3 |
D3 |
L1 |
Bo |
L3 |
D1 |
o |
t2 |
E1 |
d1 |
t1 |
r1 |
E |
d |
t |
r |
D |
T |
R |
D2 |
W |
e1 |
R1 |
n-do | |
|
SCA-37 |
|
|
|
|
|
|
|
詳
見
電
機
一
覽
表 |
|
|
|
|
|
|
|
|
|
|
|
|
|
|
|
|
|
4-M6 | |
|
SCA-47 |
100 |
11 |
180 |
|
135 |
197 |
83 |
120 |
115 |
40 |
16 |
18 |
5 |
50 |
25 |
28 |
8 |
25 |
28.3 |
8 |
95 |
110 |
115 |
3 |
4-M8 | ||
|
SCA-57 |
112 |
24 |
205 |
|
152 |
208 |
91 |
150 |
115 |
40 |
19 |
21.5 |
6 |
60 |
30 |
33 |
8 |
30 |
33.3 |
8 |
110 |
140 |
130 |
3.5 |
6-M8 | ||
|
SCA-67 |
145 |
24 |
257 |
295 |
192 |
253 |
108 |
168 |
120 |
40 |
19 |
2.15 |
6 |
70 |
35 |
38 |
10 |
40 |
38.3 |
10 |
130 |
151 |
165 |
3.5 |
6-M10 | ||
|
SCA-77 |
180 |
33 |
320 |
360 |
243 |
305 |
132 |
210 |
140 |
50 |
24 |
27 |
8 |
90 |
45 |
48.5 |
14 |
50 |
48.8 |
14 |
180 |
195 |
215 |
4 |
6-M12 | ||
|
SCA-87 |
232 |
40 |
385 |
445 |
292 |
365 |
156 |
250 |
180 |
60 |
28 |
31 |
8 |
120 |
60 |
64 |
18 |
60 |
64.4 |
18 |
230 |
240 |
265 |
4 |
8-M12 | ||
|
SCA-97 |
285 |
53 |
490 |
555 |
384 |
458 |
202 |
290 |
220 |
80 |
38 |
41 |
10 |
140 |
70 |
74.5 |
20 |
70 |
74.9 |
20 |
300 |
280 |
350 |
5 |
8-M16 | ||

|
型號 |
D |
D2(H11) |
C |
c1 |
d |
d1 |
D1 |
h |
h1 |
h2 |
k-0.3 |
o |
p |
S1 |
Fig |
|
SCA37 |
112 |
80 |
10 |
2 |
40 |
10.4 |
95 |
32 |
8 |
10 |
36 |
26 |
110 |
7 |
2 |
|
SCA47 |
135 |
95 |
14 |
3 |
40 |
10.4 |
115 |
32 |
8.5 |
9.5 |
36 |
25.5 |
130 |
9 |
2 |
|
SCA57 |
152 |
110 |
14 |
3 |
40 |
10.4 |
130 |
32 |
8.5 |
9.5 |
36 |
25.5 |
160 |
9 |
3 |
|
SCA67 |
192 |
130 |
14 |
3 |
40 |
10.4 |
165 |
32 |
8.5 |
9.5 |
36 |
25.5 |
200 |
11 |
3 |
|
SCA77 |
243 |
180 |
16 |
3 |
60 |
16.4 |
215 |
56 |
18 |
17 |
60 |
40 |
250 |
14 |
3 |
|
SCA87 |
292 |
230 |
18 |
3 |
60 |
16.4 |
265 |
56 |
16 |
15 |
60 |
42 |
310 |
14 |
4 |
|
SCA97 |
384 |
300 |
20 |
3 |
80 |
25 |
350 |
74 |
24 |
25 |
80 |
53 |
380 |
18 |
4 |

|
機型號 |
電機機座號 |
d |
t |
r |
H |
L |
L1 |
D3 |
D2 |
D1 |
n-do |
|
SC-F-37 |
Y63 |
11 |
13 |
4 |
3.5 |
83 |
26 |
140 |
115 |
95 |
4-10 |
|
Y71 |
14 |
16 |
5 |
3.5 |
83 |
33 |
160 |
130 |
110 |
4-10 | |
|
Y80 |
19 |
22 |
6 |
4.5 |
103 |
43 |
200 |
165 |
130 |
4-12 | |
|
SC-F-47 |
Y63 |
11 |
13 |
4 |
3.5 |
83 |
26 |
140 |
115 |
95 |
4-10 |
|
Y71 |
14 |
16 |
5 |
3.5 |
83 |
33 |
160 |
130 |
110 |
4-10 | |
|
Y80 |
19 |
22 |
6 |
4.5 |
103 |
43 |
200 |
165 |
130 |
4-12 | |
|
SC-F-57 |
Y63 |
11 |
13 |
4 |
3.5 |
83 |
26 |
140 |
115 |
95 |
4-10 |
|
Y71 |
14 |
16 |
5 |
3.5 |
83 |
33 |
160 |
130 |
110 |
4-10 | |
|
Y80 |
19 |
22 |
6 |
4.5 |
103 |
43 |
200 |
165 |
130 |
4-12 | |
|
Y90 |
24 |
27 |
8 |
4.5 |
103 , , TD>
|
53 |
200 |
165 |
130 |
4-12 | |
|
SC-F-67 |
Y63 |
11 |
13 | ,
4 |
3.5 |
83 |
26 |
140 |
115 |
95 |
4-10 |
|
Y71 |
14 |
16 |
5 |
3.5 |
83 |
33 |
160 |
130 |
110 |
4-10 | |
|
Y80 |
19 |
22 |
6 |
4.5 |
103 |
43 |
200 |
165 |
130 |
4-12 | |
|
Y90 |
24 |
27 |
8 |
4.5 |
103 |
53 |
200 |
165 |
130 |
4-12 | |
|
Y100 |
28 |
31 |
8 |
5 |
110 |
63 |
250 |
215 |
180 |
4-15 | |
|
SC-F-77 |
Y80 |
19 |
22 |
6 |
4.5 |
103 |
43 |
200 |
165 |
130 |
4-12 |
|
Y90 |
24 |
27 |
8 |
4.5 |
103 |
53 |
200 |
165 |
130 |
4-12 | |
|
Y100 |
28 |
31 |
8 |
5 |
110 |
63 |
250 |
215 |
180 |
4-15 | |
|
Y112 |
28 |
31 |
8 |
5 |
110 |
63 |
250 |
215 |
180 |
4-15 | |
|
Y132 |
38 |
41 |
10 |
5 |
133 |
85 |
300 |
265 |
230 |
4-15 | |
|
SC-F-87 |
Y90 |
24 |
27 |
8 |
4.5 |
103 |
53 |
200 |
165 |
130 |
4-12 |
|
Y100 |
28 |
31 |
8 |
5 |
110 |
63 |
250 |
215 |
180 |
4-15 | |
|
Y112 |
28 |
31 |
8 |
5 |
110 |
63 |
250 |
215 |
180 |
4-15 | |
|
Y132 |
38 |
41 |
10 |
5 |
133 |
85 |
300 |
265 |
230 |
4-15 | |
|
Y160 |
42 |
45 |
12 |
6 |
171 |
115 |
350 |
300 |
250 |
4-19 | |
|
SC-F-97 |
Y90 |
24 |
27 |
8 |
4.5 |
103 |
53 |
200 |
165 |
130 |
4-12 |
|
Y100 |
28 |
31 |
8 |
5 |
110 |
63 |
250 |
215 |
180 |
4-15 | |
|
Y112 |
28 |
31 |
8 |
5 |
110 |
63 |
250 |
215 |
180 |
4-15 | |
|
Y132 |
38 |
41 |
10 |
5 |
133 |
85 |
300 |
265 |
230 |
4-15 | |
|
Y160 |
42 |
45 |
12 |
6 |
171 |
115 |
350 |
300 |
250 |
4-19 | |
|
Y180 |
48 |
52 |
14 |
6 |
171 |
115 |
350 |
300 |
250 |
4-19 |
|
機型號 |
配置電機 |
減速比 | |||||||||||||||||
|
23.90 |
29.46 |
32.88 |
36.88 |
41.59 |
47.25 |
50.53 |
58.24 |
68.00 |
71.22 |
88.39 |
98.65 |
110.6 |
124.8 |
141.8 |
151.6 |
174.7 |
204.0 | ||
|
T2 輸出轉矩 N.M | |||||||||||||||||||
|
SC-37 |
0.12-4p |
|
|
|
|
|
|
|
|
39.0 |
40.8 |
43.9 |
49.0 |
54.9 |
62.0 |
59.6 |
63.8 |
73.4 |
85.8 |
|
0.18-4P |
|
|
|
|
|
|
43.4 |
50.0 |
58.4 |
61.2 |
65.8 |
73.5 |
82.4 |
93.0 |
89.4 |
95.5 |
110 |
| |
|
0.25-4P |
|
|
|
46.9 |
52.9 |
56.3 |
60.2 |
69.5 |
81.1 |
84.9 |
91.3 |
|
|
|
|
|
|
| |
|
0.37-4P |
45.0 |
55.5 |
61.9 |
69.5 |
78.3 |
83.4 |
89.3 |
102 |
|
|
|
|
|
|
|
|
|
| |
|
0.55-4P |
67.0 |
82.5 |
73.7 |
103 |
|
|
|
|
|
|
|
|
|
|
|
|
|
| |
|
0.09-6p |
|
|
|
|
|
|
|
|
45.9 |
48.1 |
51.7 |
57.7 |
64.7 |
79.0 |
70.2 |
75.0 |
86.5 |
101 | |
|
0.12-6P |
|
|
|
|
|
|
43.4 |
50.0 |
58.4 |
61.2 |
65.8 |
73.5 |
82.4 |
93.0 |
89.4 |
95.5 |
110 |
| |
|
0.18-6P |
|
|
|
50.7 |
57.2 |
60.9 |
65.2 |
75.1 |
87.7 |
91.8 |
98.8 |
110 |
|
|
|
|
|
| |
|
0.25-6P |
45.5 |
56.1 |
62.6 |
70.2 |
79.1 |
84.4 |
90.2 |
104 |
|
|
|
|
|
|
|
|
|
| |
|
4P輸入時其輸出轉數r/min |
60.5 |
49.0 |
44.0 |
39.5 |
35.0 |
30.5 |
28.5 |
25.0 |
21.5 |
20.5 |
16.5 |
14.5 |
13.0 |
11.5 |
10.0 |
9.50 |
8.50 |
7.00 | |
|
6P輸入時其輸出轉數r/min |
40.0 |
32.5 |
29.0 |
26.0 |
23.0 |
20.5 |
19.0 |
16.5 |
14.0 |
13.5 |
11.0 |
9.50 |
8.50 |
7.5 |
7.00 |
6.50 |
5.50 |
4.50 | |
|
機型號 |
配置
電機 |
減速比 | |||||||||||||||||
|
23.90 |
29.46 |
32.88 |
36.88 |
41.59 |
47.25 |
50.53 |
58.24 |
68.00 |
71.22 |
88.39 |
98.65 |
110.6 |
124.8 |
141.8 |
151.6 |
174.7 |
204.0 | ||
|
T2 輸出轉矩 N.M | |||||||||||||||||||
|
SC-47 |
0.18-4P |
|
|
|
|
|
|
|
|
|
|
|
|
82.4 |
93.0 |
89.4 |
95.5 |
101 |
129 |
|
0.25-4P |
|
|
|
|
|
|
|
|
81.1 |
84.9 |
91.3 |
102 |
114 |
129 |
124 |
133 |
153 |
| |
|
0.37-4P |
|
|
|
|
|
|
89.3 |
103 |
120 |
126 |
135 |
151 |
|
|
|
|
|
| |
|
0.55-4P |
|
82.5 |
73.7 |
103 |
146 |
124 |
133 |
153 |
|
|
|
|
|
|
|
|
|
| |
|
0.75-4P |
91.2 |
112 |
125 |
141 |
159 |
|
|
|
|
|
|
|
|
|
|
|
|
| |
|
0.12-6P |
|
|
|
|
|
|
|
|
|
|
|
82.4 |
82.4 |
93.0 |
89.4 |
95.5 |
101 |
129 | |
|
0.18-6P |
|
|
|
|
|
|
|
|
87.7 |
91.8 |
98.8 |
110 |
123 |
139 |
134 |
143 |
165 |
| |
|
0.25-6P |
|
|
|
|
79.1 |
84.4 |
90.2 |
90.4 |
104 |
109 |
135 |
151 |
168 |
|
|
|
|
| |
|
0.37-6P |
|
|
92.5 |
104 |
117 |
125 |
134 |
154 |
|
|
|
|
|
|
|
|
|
| |
|
4P輸入時其輸出轉數r/min |
60.5 |
49.0 |
44.0 |
39.5 |
35.0 |
30.5 |
28.5 |
25.0 |
21.5 |
20.5 |
16.5 |
14.5 |
14.5 |
11.5 |
10.0 |
9.50 |
8.50 |
7.00 | |
|
6P輸入時其輸出轉數r/min |
|
|
29.0 |
26.0 |
23.0 |
20.5 |
19.0 |
16.5 |
14.0 |
13.5 |
11.0 |
9.50 |
9.50 |
7.5 |
7.00 |
6.5 |
5.50 |
4.50 | |
|
機型號 |
配置
電機 |
減速比 | |||||||||||||||||
|
23.90 |
29.46 |
32.88 |
36.88 |
41.59 |
47.25 |
50.53 |
58.24 |
68.00 |
71.22 |
88.39 |
98.65 |
110.6 |
124.8 |
141.8 |
151.6 |
174.7 |
204.0 | ||
|
T2 輸出轉矩 N.M | |||||||||||||||||||
|
SC-57 |
0.25-4P |
|
|
|
|
|
|
|
|
|
|
|
102 |
114 |
129 |
147 |
133 |
153 |
178 |
|
0.37-4P |
|
|
|
|
|
|
|
103 |
120 |
127 |
135 |
151 |
169 |
191 |
217 |
196 |
226 |
264 | |
|
0.55-4P |
|
|
|
103 |
117 |
124 |
133 |
153 |
179 |
188 |
201 |
224 |
252 |
|
|
|
|
| |
|
1.1-4P |
134 |
165 |
184 |
207 |
233 |
248 |
265 |
|
|
|
|
|
|
|
|
|
|
| |
|
1.5-4P |
183 |
225 |
251 |
|
|
|
|
|
|
|
|
|
|
|
|
|
|
| |
|
0.18-6P |
|
|
|
|
|
|
|
|
|
|
|
110 |
124 |
139 |
158 |
143 |
165 |
193 | |
|
0.25-6P |
|
|
|
|
|
|
|
104 |
121 |
128 |
137 |
153 |
171 |
193 |
219 |
198 |
229 |
267 | |
|
0.37-6P |
|
|
|
104 |
118 |
125 |
134 |
154 |
180 |
190 |
203 |
226 |
254 |
|
|
|
|
| |
|
0.55-6P |
100 |
124 |
138 |
155 |
175 |
186 |
199 |
229 |
268 |
|
|
|
|
|
|
|
|
| |
|
0.75-6P |
137 |
169 |
188 |
211 |
238 |
|
|
|
|
|
|
|
|
|
|
|
|
| |
|
4P輸入時其輸出轉數r/min |
60.5 |
49.0 |
44.0 |
39.5 |
35.0 |
30.5 |
29.0 |
25.0 |
21.5 |
20.5 |
16.5 |
14.5 |
13.0 |
11.5 |
10.0 |
9.5 |
8.5 |
7.0 | |
|
6P輸入時其輸出轉數r/min |
40.0 |
32.4 |
29.0 |
26.0 |
23.0 |
20.5 |
19.0 |
16.5 |
14.0 |
13.5 |
11.0 |
10.0 |
8.5 |
7.5 |
7.0 |
6.5 |
5.5 |
4.5 | |
|
機型號 |
配置
電機 |
減速比 | |||||||||
|
24.11 |
28.80 |
32.68 |
36.35 |
40.63 |
45.68 |
51.75 |
56.74 |
67.50 |
72.32 | ||
|
T2 輸出轉矩 N.M | |||||||||||
|
SC-67 |
0.37-4P |
|
|
|
|
|
|
|
|
|
|
|
0.55-4P |
|
|
|
|
|
|
|
|
|
190 | |
|
0.75-4P |
|
|
|
|
|
|
185 |
203 |
242 |
259 | |
|
1.1-4P |
|
|
183 |
204 |
228 |
240 |
272 |
298 |
354 |
380 | |
|
1.5-4P |
182 |
220 |
250 |
278 |
310 |
327 |
371 |
406 |
|
| |
|
2.2-4P |
270 |
323 |
366 |
407 |
455 |
512 |
|
|
|
| |
|
3.0-4P |
367 |
438 |
497 |
|
|
|
|
|
|
| |
|
0.25-6P |
|
|
|
|
|
|
|
|
|
| |
|
0.37-6P |
|
|
|
|
|
|
|
|
|
192 | |
|
0.55-6P |
|
|
|
|
|
180 |
204 |
223 |
266 |
285 | |
|
0.75-6P |
|
|
187 |
208 |
233 |
245 |
278 |
305 |
363 |
388 | |
|
1.1-6P |
203 |
242 |
275 |
305 |
341 |
360 |
408 |
447 |
|
| |
|
4P輸入時其輸出轉數r/min |
60.0 |
50.5 |
44.5 |
40.0 |
35.5 |
32.0 |
28.0 |
25.5 |
21.5 |
20.0 | |
|
6P輸入時其輸出轉數r/min |
40.0 |
33.5 |
29.5 |
26.5 |
23.5 |
21.0 |
15.5 |
17.0 |
14.0 |
13.5 | |
|
機型號 |
配置
電機 |
減速比 | ||||||||||
|
86.40 |
98.04 |
109.0 |
121.9 |
137.1 |
155.3 |
170.2 |
202.5 |
230.0 |
246.2 |
285.0 | ||
|
T2 輸出轉矩 N.M | ||||||||||||
|
SC-67 |
0.37-4P |
|
|
|
187 |
178 |
201 |
221 |
262 |
271 |
290 |
336 |
|
0.55-4P |
197 |
223 |
248 |
277 |
264 |
299 |
328 |
390 |
403 |
431 |
| |
|
0.75-4P |
268 |
304 |
338 |
378 |
360 |
407 |
447 |
|
|
|
| |
|
1.1-4P |
446 |
|
|
|
|
|
|
|
|
|
| |
|
1.5-4P |
|
|
|
|
|
|
|
|
|
|
| |
|
2.2-4P |
|
|
|
|
|
|
|
|
|
|
| |
|
3.0-4P |
|
|
|
|
|
|
|
|
|
|
| |
|
0.25-6P |
|
|
|
189 |
180 |
203 |
223 |
265 |
274 |
293 |
339 | |
|
0.37-6P |
198 |
255 |
250 |
280 |
266 |
302 |
330 |
393 |
406 |
435 |
| |
|
0.55-6P |
285 |
335 |
372 |
416 |
396 |
448 |
|
|
|
|
| |
|
0.75-6P |
388 |
456 |
|
|
|
|
|
|
|
|
| |
|
1.1-6P |
|
|
|
|
|
|
|
|
|
|
| |
|
4P輸入時其輸出轉數r/min |
20.0 |
15.0 |
13.5 |
12.0 |
10.5 |
19.5 |
8.5 |
7.0 |
6.5 |
6.0 |
5.0 | |
|
6P輸入時其輸出轉數r/min |
13.5 |
10.0 |
9.0 |
8.0 |
7.0 |
6.0 |
5.5 |
4.5 |
4.2 |
3.9 |
3.3 | |
|
機型號 |
配置
電機 |
減速比 | ||||||||||
|
24.11 |
28.80 |
32.68 |
36.35 |
40.63 |
45.68 |
51.75 |
56.74 |
67.50 |
72.32 |
86.40 | ||
|
T2 輸出轉矩 N.M | ||||||||||||
|
SC-77 |
0.75-4p |
|
|
|
|
|
|
|
|
|
|
|
|
1.1-4P |
|
|
|
|
|
|
|
|
|
|
| |
|
1.5-4P |
|
|
|
|
|
|
|
406 |
484 |
518 |
536 | |
|
2.2-4P |
|
|
|
416 |
436 |
491 |
556 |
609 |
725 |
777 |
804 | |
|
3.0-4P |
|
438 |
497 |
553 |
618 |
651 |
737 |
809 |
962 |
1031 |
1067 | |
|
4.0-4P |
490 |
585 |
664 |
739 |
826 |
870 |
986 |
1081 |
1286 |
|
| |
|
5.5-4P |
675 |
806 |
915 |
1018 |
1138 |
1200 |
|
|
|
|
| |
|
7.5-4P |
926 |
1106 |
1255 |
|
|
|
|
|
|
|
| |
|
0.55-6P |
|
|
|
|
|
|
|
|
|
|
| |
|
0.75-6P |
|
|
|
|
|
|
|
|
|
|
411 | |
|
1.1-6P |
|
|
|
|
|
|
408 |
447 |
532 |
570 |
590 | |
|
1.5-6p |
|
|
|
416 |
436 |
491 |
556 |
609 |
725 |
777 |
804 | |
|
2.2-6P |
405 |
484 |
549 |
611 |
683 |
720 |
815 |
894 |
1063 |
1139 |
1179 | |
|
3.0-6P |
523 |
660 |
749 |
833 |
931 |
987 |
1118 |
|
|
|
| |
|
0.37-8P |
|
|
|
|
|
|
|
|
|
|
| |
|
0.55-8P |
|
|
|
|
|
|
|
|
|
|
402 | |
|
0.75-8P |
|
|
|
|
|
|
|
415 |
494 |
529 |
555 | |
|
4P輸入時其輸出轉數r/min |
60.0 |
50.5 |
44.5 |
40.0 |
35.5 |
32.0 |
28.0 |
25.5 |
21.5 |
20.0 |
17.0 | |
|
6P輸入時其輸出轉數r/min |
40.0 |
33.5 |
29.5 |
26.5 |
23.5 |
21.0 |
18.5 |
17.0 |
14.0 |
13.5 |
11.0 | |
|
8P輸入時其輸出轉數r/min |
|
|
|
|
|
|
|
12.5 |
10.5 |
9.5 |
8.0 | |
|
機型號 |
配置
電機 |
減速比 | |||||||||||
|
98.04 |
109.0 |
121.9 |
137.1 |
155.3 |
170.2 |
202.5 |
235.7 |
249.8 |
282.5 |
323.4 |
348.0 | ||
|
T2 輸出轉矩 N.M | |||||||||||||
|
SC-77 |
0.75-4p |
|
|
|
|
407 |
447 |
531 |
562 |
596 |
674 |
771 |
830 |
|
1.1-4P |
446 |
496 |
555 |
528 |
598 |
655 |
780 |
825 |
874 |
989 |
1132 |
1218 | |
|
1.5-4P |
609 |
677 |
757 |
720 |
816 |
894 |
1064 |
1125 |
1193 |
|
|
| |
|
2.2-4P |
913 |
1015 |
1135 |
1080 |
1223 |
|
|
|
|
|
|
| |
|
3.0-4P |
1211 |
|
|
|
|
|
|
|
|
|
|
| |
|
4.0-4P |
|
|
|
|
|
|
|
|
|
|
|
| |
|
5.5-4P |
|
|
|
|
|
|
|
|
|
|
|
| |
|
7.5-4P |
|
|
|
|
|
|
|
|
|
|
|
| |
|
0.55-6P |
|
|
416 |
396 |
448 |
492 |
585 |
619 |
656 |
742 |
849 |
914 | |
|
0.75-6P |
468 |
518 |
579 |
551 |
624 |
684 |
814 |
853 |
904 |
1022 |
1170 |
1259 | |
|
1.1-6P |
669 |
744 |
832 |
792 |
897 |
983 |
1169 |
1237 |
|
|
|
| |
|
1.5-6p |
913 |
1015 |
1135 |
1080 |
1223 |
|
|
|
|
|
|
| |
|
2.2-6P |
|
|
|
|
|
|
|
|
|
|
|
| |
|
3.0-6P |
|
|
|
|
|
|
|
|
|
|
|
| |
|
0.37-8P |
|
|
|
|
416 |
456 |
493 |
573 |
608 |
687 |
787 |
847 | |
|
0.55-8P |
462 |
514 |
574 |
547 |
619 |
678 |
807 |
846 |
896 |
1013 |
1160 |
1248 | |
|
0.75-8P |
630 |
670 |
783 |
745 |
844 |
925 |
1100 |
1280 |
|
|
|
| |
|
4P輸入時其輸出轉數r/min |
15.0 |
13.5 |
12.0 |
10.5 |
9.5 |
8.5 |
7.0 |
6.0 |
5.5 |
5.0 |
4.5 |
4.0 | |
|
6P輸入時其輸出轉數r/min |
10.0 |
9.0 |
8.0 |
7.0 |
6.0 |
5.5 |
4.5 |
4.0 |
3.8 |
3.4 |
3.0 |
2.8 | |
|
8P輸入時其輸出轉數r/min |
7.0 |
6.5 |
6.0 |
5.0 |
4.5 |
4.0 |
3.5 |
3.0 |
2.8 |
2.5 |
2.2 |
2.0 | |
|
機型號 |
配置
電機 |
減速比 | |||||||||||
|
23.44 |
28.93 |
32.30 |
37.22 |
41.40 |
46.30 |
52.14 |
56.74 |
67.50 |
70.31 |
86.79 |
96.92 | ||
|
T2 輸出轉矩 N.M | |||||||||||||
|
SC-87 |
1.1-4P |
|
|
|
|
|
|
|
|
|
|
|
|
|
1.5-4P |
|
|
|
|
|
|
|
|
|
|
|
| |
|
2.2-4P |
|
|
|
|
|
|
|
|
709 |
738 |
790 |
882 | |
|
3.0-4P |
|
|
|
|
|
|
743 |
809 |
962 |
1002 |
1072 |
1197 | |
|
4.0-4P |
|
|
|
756 |
841 |
882 |
993 |
1081 |
1286 |
1339 |
1433 |
1600 | |
|
5.5-4P |
|
810 |
904 |
1042 |
1159 |
1215 |
1369 |
1489 |
1772 |
1846 |
1974 |
| |
|
7.5-4P |
900 |
1111 |
1240 |
1429 |
1590 |
1667 |
1877 |
2043 |
|
|
|
| |
|
11-4P |
1313 |
1620 |
1809 |
2084 |
|
|
|
|
|
|
|
| |
|
0.75-6P |
|
|
|
|
|
|
|
|
|
|
|
| |
|
1.1-6P |
|
|
|
|
|
|
|
|
|
|
|
| |
|
1.5-6p |
|
|
|
|
|
|
|
|
725 |
755 |
808 |
902 | |
|
2.2-6P |
|
|
|
|
|
729 |
821 |
894 |
1063 |
1107 |
1185 |
1323 | |
|
3.0-6P |
|
|
740 |
853 |
949 |
995 |
1120 |
1219 |
1450 |
1511 |
1616 |
1805 | |
|
4.0-6P |
716 |
884 |
987 |
1137 |
1265 |
1326 |
1494 |
1626 |
1934 |
|
|
| |
|
0.75-8P |
|
|
|
|
|
|
|
|
|
|
|
| |
|
1.1-8P |
|
|
|
|
|
|
|
|
724 |
754 |
820 |
913 | |
|
1.5-8P |
|
|
|
|
|
|
764 |
831 |
989 |
1030 |
1116 |
1247 | |
|
4P輸入時其輸出轉數r/min |
62.0 |
50.0 |
45.0 |
39.0 |
35.0 |
31.5 |
28.0 |
25.5 |
25.5 |
20.5 |
16.5 |
15.0 | |
|
6P輸入時其輸出轉數r/min |
41.0 |
33.0 |
29.5 |
26.0 |
23.0 |
20.5 |
18.5 |
17.0 |
17.0 |
13.5 |
11.0 |
10.0 | |
|
8P輸入時其輸出轉數r/min |
|
|
|
|
|
|
13.5 |
12.5 |
12.5 |
10.0 |
8.0 |
7.5 | |
|
機型號 |
配置
電機 |
減速比 | |||||||||||
|
111.7 |
124.2 |
138.9 |
156.4 |
170.2 |
202.5 |
228.3 |
250.2 |
275.9 |
324.0 |
343.4 |
389.11 | ||
|
T2 輸出轉矩 N.M | |||||||||||||
|
SC-87 |
1.1-4P |
|
|
|
|
|
780 |
879 |
876 |
966 |
1134 |
1202 |
1362 |
|
1.5-4P |
|
771 |
862 |
822 |
894 |
1064 |
1199 |
1195 |
1317 |
1547 |
1640 |
1858 | |
|
2.2-4P |
1016 |
1132 |
1264 |
1204 |
1311 |
1559 |
1758 |
1751 |
1931 |
|
|
| |
|
3.0-4P |
1379 |
1534 |
1715 |
1634 |
1779 |
|
|
|
|
|
|
| |
|
4.0-4P |
1844 |
2051 |
|
|
|
|
|
|
|
|
|
| |
|
5.5-4P |
|
|
|
|
|
|
|
|
|
|
|
| |
|
7.5-4P |
|
|
|
|
|
|
|
|
|
|
|
| |
|
11-4P |
|
|
|
|
|
|
|
|
|
|
|
| |
|
0.75-6P |
|
|
|
|
|
814 |
918 |
896 |
988 |
1160 |
1229 |
1393 | |
|
1.1-6P |
762 |
848 |
948 |
903 |
983 |
1169 |
1318 |
1314 |
1448 |
1701 |
1803 |
1803 | |
|
1.5-6p |
1040 |
1156 |
1293 |
1232 |
1340 |
1595 |
1798 |
1791 |
1975 |
|
|
| |
|
2.2-6P |
1525 |
1195 |
1898 |
1806 |
1966 |
|
|
|
|
|
|
| |
|
3.0-6P |
2080 |
|
|
|
|
|
|
|
|
|
|
| |
|
4.0-6P |
|
|
|
|
|
|
|
|
|
|
|
| |
|
0.75-8P |
717 |
798 |
892 |
850 |
925 |
1100 |
1240 |
1223 |
1349 |
1584 |
1678 |
1902 | |
|
1.1-8P |
1052 |
1170 |
1309 |
1244 |
1357 |
1614 |
1820 |
1795 |
1980 |
|
|
| |
|
1.5-8P |
1432 |
1598 |
1787 |
1703 |
1853 |
|
|
|
|
|
|
| |
|
4P輸入時其輸出轉數r/min |
13.0 |
11.5 |
10.5 |
9.5 |
8.5 |
7.0 |
6.5 |
6.0 |
5.5 |
4.5 |
4.0 |
2.5 | |
|
6P輸入時其輸出轉數r/min |
8.5 |
7.5 |
7.0 |
6.0 |
5.5 |
4.5 |
4.0 |
3.8 |
3.5 |
3.0 |
2.8 |
2.5 | |
|
8P輸入時其輸出轉數r/min |
6.0 |
5.5 |
6.0 |
4.5 |
4.0 |
3.5 |
3.0 |
2.8 |
2.5 |
2.2 |
2.0 |
1.8 | |
|
機型號 |
配置
電機 |
減速比 | |||||||||||
|
23.44 |
28.93 |
32.31 |
37.22 |
41.40 |
46.30 |
52.14 |
56.74 |
67.50 |
72.69 |
86.79 |
96.92 | ||
|
T2 輸出轉矩 N.M | |||||||||||||
|
SC-97 |
1.5-4P |
|
|
|
|
|
|
|
|
|
|
|
|
|
2.2-4P |
|
|
|
|
|
|
|
|
|
|
|
| |
|
3.0-4P |
|
|
|
|
|
|
|
|
|
1036 |
1072 |
1197 | |
|
4.0-4P |
|
|
|
|
|
|
|
1081 |
1286 |
1385 |
1433 |
1600 | |
|
5.5-4P |
|
|
|
1042 |
1159 |
1215 |
1369 |
1489 |
1772 |
1845 |
1974 |
2205 | |
|
7.5-4P |
|
1110 |
1241 |
1429 |
1590 |
2167 |
|
|
|
|
|
| |
|
11-4P |
1357 |
1620 |
1809 |
2084 |
2318 |
2431 |
|
|
|
|
|
| |
|
15-4P |
1851 |
2210 |
2468 |
2884 |
3316 |
|
|
|
|
|
|
| |
|
18.5-4P |
2281 |
2724 |
3042 |
|
|
|
|
|
|
|
|
| |
|
22-4P |
|
|
|
|
|
|
|
|
|
|
|
| |
|
30-4P |
|
|
|
|
|
|
|
|
1063 |
1145 |
1185 |
1323 | |
|
1.1-6P |
|
|
|
|
|
|
1120 |
1219 |
1450 |
1562 |
1616 |
1805 | |
|
1.5-6P |
|
|
|
1137 |
1265 |
1326 |
1494 |
1626 |
1934 |
2083 |
2155 |
2407 | |
|
2.2-6P |
1018 |
1214 |
1357 |
1563 |
1739 |
1823 |
2053 |
2234 |
2658 |
2862 |
2962 |
3307 | |
|
3.0-6P |
1434 |
1713 |
1913 |
2203 |
2451 |
2570 |
2894 |
3149 |
|
|
|
| |
|
1.1-8P |
|
|
|
|
|
|
|
|
|
|
|
| |
|
1.5-8P |
|
|
|
|
|
|
|
|
|
1065 |
1116 |
1247 | |
|
2.2-8P |
|
|
|
|
|
1060 |
1190 |
1217 |
1448 |
1560 |
1636 |
1826 | |
|
4P輸入時其輸出轉數r/min |
60.0 |
50.0 |
45.0 |
39.0 |
35.0 |
31.5 |
28.0 |
25.5 |
21.5 |
20.5 |
16.5 |
15.0 | |
|
6P輸入時其輸出轉數r/min |
40.0 |
33.0 |
30.0 |
26.0 |
23.0 |
20.5 |
18.5 |
17.0 |
14.0 |
13.5 |
11.0 |
10.0 | |
|
8P輸入時其輸出轉數r/min |
|
|
|
|
|
15.5 |
13.5 |
12.5 |
10.5 |
9.50 |
8.00 |
7.50 | |
|
機型號 |
配置
電機 |
減速比 | |||||||||||
|
111.7 |
124.2 |
138.9 |
156.4 |
170.2 |
202.5 |
228.3 |
250.2 |
290.5 |
324.0 |
343.0 |
389.3 | ||
|
T2 輸出轉矩 N.M | |||||||||||||
|
SC-97 |
1.5-4P |
|
|
|
|
|
1064 |
1195 |
1195 |
1387 |
1547 |
1640 |
1859 |
|
2.2-4P |
1016 |
1130 |
1264 |
1204 |
1311 |
1559 |
1751 |
1751 |
2304 |
2268 |
2403 |
2725 | |
|
3.0-4P |
1379 |
1534 |
1715 |
1634 |
1779 |
2116 |
2377 |
2377 |
2760 |
3078 |
3262 |
| |
|
4.0-4P |
1844 |
2051 |
2293 |
2185 |
2378 |
2829 |
3178 |
3178 |
|
|
|
| |
|
5.5-4P |
2541 |
2826 |
3160 |
3011 |
3276 |
|
|
|
|
|
|
| |
|
7.5-4P |
|
|
|
|
|
|
|
|
|
|
|
| |
|
11-4P |
|
|
|
|
|
|
|
|
|
|
|
| |
|
15-4P |
|
|
|
|
|
|
|
|
|
|
|
| |
|
18.5-4P |
|
|
|
|
|
|
|
|
|
|
|
| |
|
22-4P |
1040 |
1156 |
1293 |
1232 |
1340 |
1595 |
1791 |
1791 |
2078 |
2320 |
2460 |
2787 | |
|
30-4P |
1525 |
1695 |
1898 |
1808 |
1966 |
2339 |
2627 |
2627 |
3050 |
3402 |
|
| |
|
1.1-6P |
2080 |
2313 |
2587 |
2464 |
2682 |
3190 |
3584 |
3584 |
|
|
|
| |
|
1.5-6P |
2774 |
3084 |
3449 |
3286 |
|
|
|
|
|
|
|
| |
|
2.2-6P |
|
|
|
|
|
|
|
|
|
|
|
| |
|
3.0-6P |
|
|
|
|
|
|
|
|
|
|
|
| |
|
1.1-8P |
1052 |
1170 |
1309 |
1247 |
1355 |
1614 |
1822 |
1795 |
2085 |
2325 |
2464 |
2794 | |
|
1.5-8P |
1437 |
1598 |
1787 |
1703 |
1853 |
2205 |
2486 |
2450 |
2850 |
3175 |
|
| |
|
2.2-8P |
2105 |
2341 |
2618 |
2494 |
2714 |
3229 |
|
|
|
|
|
| |
|
4P輸入時其輸出轉數r/min |
13.0 |
12.0 |
10.5 |
9.00 |
8.50 |
7.00 |
6.50 |
6.00 |
5.50 |
4.50 |
4.00 |
3.50 | |
|
6P輸入時其輸出轉數r/min |
8.50 |
7.50 |
7.00 |
6.00 |
5.50 |
4.50 |
4.20 |
3.80 |
3.50 |
3.00 |
3.00 |
2.40 | |
|
8P輸入時其輸出轉數r/min |
6.50 |
6.00 |
5.00 |
4.50 |
4.00 |
3.50 |
3.00 |
2.80 |
2.50 |
2.20 |
2.50 |
1.80 | |

| 頁次:1/1 每頁10條 共6條信息 分頁:[1] |
