Product list產品列表
Customer service在線客服
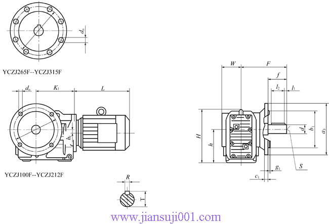
產品展示
使用條件
環境溫度:在-15℃~+40℃條件下額定運行。
海拔:不超過1000m。
額定頻率:50Hz。
接法:3kw及以下為Y,4KW及以上為 接法。
工作方式:連續(S1)。
型號說明

說明:
1、產品代號:本系列產品代號為YCZJ。
2、機座號:本系列產品共有11種機座號100、112、140、180、212、265、315、375、450、500、600。
3、結構代號:底腳結構代號D、法蘭結構代號F、軸裝式結構代號G、空心軸法蘭結構代號GF。
4、輸出軸軸伸方向或輸出法蘭方向:雙向實心軸輸出代號S、L向實心軸輸出、R向實心輸出,空心軸時不標注,見安裝方位圖。
5、安裝方位:見安裝方位圖。
6、電動機功率:見選型參數表。
7、輸出轉速:見選型參數表。
潤 滑
減速出廠前注入半流體鋰基減速機脂,注入量由安裝形式而定。更換時間為10000h。
選型指南
1、用戶根據實際工作制和負載性質參照服役系數表,選取服役系數。
2、服役系數確定后選擇機座號滿足下面關系式:f×Ma≤[M]
[M]服役系數為1時許用扭矩
Ma輸出扭矩
f服役系數
選型參數表中Ma>[M]時,服役系數小于1(即0.8<f<1),只有在載荷平穩,無沖擊情況下,每天使用2小時以內方可選用。
3、根據選擇的機型號,負載轉矩主傳動比確定所需的電機功率。
4、根據具體情況選定安裝型式及出軸方向。
服役系數表
|
每天工作小時 |
均勻平衡 |
負載性質(中等振動) |
嚴重沖擊 |
|
2小時 |
1.00(1.00) |
1.00(1.25) |
1.25(1.50) |
|
10小時 |
1.00(1.25) |
1.25(1.50) |
1.50(1.75) |
|
24小時 |
1.25(1.50) |
1.50(1.75) |
1.75(2.00) |
當每小時起動、停止次數平均在10次以上,請使用括號內數值(在電機允許范圍內)。
許用扭矩表
|
機型號 |
YCZJ100 |
YCZJ112 |
YCZJ140 |
YCZJ180 |
YCZJ212 |
YCZJ265 |
YCZJ315 |
YCZJ375 |
YCZJ450 |
YCZJ500 |
YCZJ600 |
|
許用扭矩 [M] 。∟.M) |
185 |
375 |
670 |
1330 |
2500 |
3860 |
6620 |
11000 |
15800 |
22500 |
36000 |
YCZJ100D--YCZJ450D(底腳安裝)

YCZJ500D--YCZJ600D(底腳安裝)

YCZJ100F--YCZJ315F(法蘭安裝)

YCZJ375F--YCZJ450F(法蘭安裝)

YCZJ100G--YCZJ315G、YCZJ100GF--YCZJ315GF(空心軸、空心軸法蘭安裝)

YCZJ375G--YCZJ450G、YCZJ375GF--YCZJ450GF(空心軸、空心軸法蘭安裝)

安裝方位中L、R表示輸出方向:0、90、180、270表示電機接線盒的位置。
選型參數表
|
功率
kw |
輸出轉速
r/min |
輸出扭矩
N.m |
機座號 |
配用電機 |
|
0.12 |
10
11 |
105
96 |
YCZJ112D
YCZJ112F
YCZJ112G
YCZJ112GF |
YS6314 |
|
13
14
16
19
20
24
28
31
36
39
46
48
55
59
68
80
90
105
114 |
81
75
66
56
53
52
38
34
30
27
23
22
19
18
16
13
12
10
9 |
YCZJ100D
YCZJ100F
YCZJ100G
YCZJ100GF |
YS6314 | |
|
功率
kw |
輸出轉速
r/min |
輸出扭矩
N.m |
機座號 |
配用電機 |
|
0.18 |
6.0
7.0 |
264
96 |
YCZJ140D
YCZJ140F
YCZJ140G
YCZJ140GF |
YS7116 |
|
9.1
11
12 |
174
144
132 |
YCZJ140D
YCZJ140F
YCZJ140G
YCZJ140GF |
YS6324 | |
|
6.6
7.2
8.3
9.6
10 |
240
220
191
165
158 |
YCZJ112D
YCZJ112F
YCZJ112G
YCZJ112GF |
YS7116 | |
|
10
11
13
15
16 |
158
144
122
106
99 |
YCZJ112D
YCZJ112F
YCZJ112G
YCZJ112GF |
YS6324 | |
|
8.2
8.9
10
12 |
193
178
158
132 |
YCZJ100D
YCZJ100F
YCZJ100G
YCZJ100GF |
YS7116 | |
|
12
14
16
18
19
23
27
30
35
37
44
46
53
57
65
77
86
101
109
126
148
166 |
132
113
99
88
83
75
59
53
45
43
36
34
30
28
24
21
18
16
15
13
11
10 |
YCZJ100D
YCZJ100F
YCZJ100G
YCZJ100GF |
YS6324 | |
|
功率
kw |
輸出轉速
r/min |
輸出扭矩
N.m |
機座號 |
配用電機 |
|
0.25 |
4.4
5.5
5.3
6.0 |
504
439
414
366 |
YCZJ180D
YCZJ180F
YCZJ180D
YCZJ180GF |
Y802-8 |
|
4.6
4.9
5.7
6.5 |
477
448
385
338 |
YCZJ180D
YCZJ180F
YCZJ180G
YCZJ180GF |
YS7126 | |
|
5.5
6.3
6.6
7.6 |
399
349
333
289 |
YCZJ140D
YCZJ140F
YCZJ140G
YCZJ140GF |
Y802-8 | |
|
6.1
7.1
8.1
8.6 |
360
309
271
255 |
YCZJ140D
YCZJ140F
YCZJ140G
YCZJ140GF |
YS7126 | |
|
9.0
11
12
13 |
244
200
183
169 |
YCZJ140D
YCZJ140F
YCZJ140G
YCZJ140GF |
YS7114 | |
|
6.7
7.2
8.4
9.7
10 |
328
305
262
226
220 |
YCZJ112D
YCZJ112F
YCZJ112G
YCZJ112GF |
YS7126 | |
|
9.9
11
12
14
15 |
223
200
183
157
146 |
YCZJ112D
YCZJ112F
YCZJ112G
YCZJ112GF |
YS7114 | |
|
11
12
13
15
18 |
200
183
169
146
122 |
YCZJ100D
YCZJ100F
YCZJ100G
YCZJ100GF |
YS7126 | |
|
12
13
16
18
19
22
26
29
34
37
43
45
52
56
64
76
85
99
107
124
146
163
191
204 |
183
169
137
122
116
100
85
76
65
59
51
49
42
39
34
29
26
22
21
18
15
13
11
10 |
YCZJ100D
YCZJ100F
YCZJ100G
YCZJ100GF |
YS7114 | |
|
功率
kw |
輸出轉速
r/min |
輸出扭矩
N.m |
機座號 |
配用電機 |
|
0.37 |
3.9
4.1
4.6 |
834
739
707 |
YCZJ212D
YCZJ212F
YCZJ212G
YCZJ212GF |
Y90S-8 |
|
4.6
5.2 |
707
625 |
YCZJ212D
YCZJ212F
YCZJ212G
YCZJ212GF |
Y801-6 | |
|
5.0
5.3
6.0
7.0 |
650
613
542
464 |
YCZJ180D
YCZJ180F
YCZJ180G
YCZJ180GF |
Y90S-8 | |
|
5.8
6.7
7.0
7.9 |
560
485
464
411 |
YCZJ180D
YCZJ180F
YCZJ180G
YCZJ180GF |
Y801-6 | |
|
6.3
6.6
7.6 |
516
493
428 |
YCZJ140D
YCZJ140F
YCZJ140G
YCZJ140GF |
Y90S-8 | |
|
7.3
8.3
8.8
10 |
445
392
369
325 |
YCZJ140D
YCZJ140F
YCZJ140G
YCZJ142GF |
Y801-6 | |
|
9.5
11
13
15
18 |
342
296
250
217
181 |
YCZJ140D
YCZJ140F
YCZJ140G
YCZJ140GF |
YS7124 | |
|
8.6
9.9
11
12 |
375
328
296
271 |
YCZJ112D
YCZJ112F
YCZJ112G
YCZJ112GF |
Y801-6 | |
|
10
11
13
15 |
325
296
250
217 |
YCZJ112D
YCZJ112F
YCZJ112G
YCZJ112GF |
YS7124 | |
|
16
18
22 |
203
181
148 |
YCZJ112D
YCZJ112F
YCZJ112G
YCZJ112GF |
YS7124 | |
|
16
19
20
24
28
31
36
39
46
48
55
59
68
80
90
105
114
132
155
173
203
217
257 |
203
171
163
135
116
145
90
83
71
68
59
55
48
41
36
31
29
25
21
19
16
15
13 |
YCZJ100D
YCZJ100F
YCZJ100G
YCZJ100GF |
YS7124 | |
|
功率
kw |
輸出轉速
r/min |
輸出扭矩
N.m |
機座號 |
配用電機 |
|
0.55 |
3.9
4.1
4.6 |
1239
1179
1051 |
YCZJ212D
YCZJ212F
YCZJ212G
YCZJ212GF |
Y90L-8 |
|
4.6
5.2
5.5
6.1 |
1051
929
879
792 |
YCZJ212D
YCZJ212F
YCZJ212G
YCZJ212GF |
Y802-6 | |
|
5.0
5.3
6.0
7.0 |
966
912
805
690 |
YCZJ180D
YCZJ180F
YCZJ180G
YCZJ180GF |
Y90L-8 | |
|
5.8
6.7
7.0
7.9 |
888
721
690
612 |
YCZJ180D
YCZJ180F
YCZJ180G
YCZJ180GF |
Y802-6 | |
|
8.8
10
11
12
14 |
549
483
439
403
345 |
YCZJ180D
YCZJ180F
YCZJ180G
YCZJ180GF |
Y801-4 | |
|
7.3
8.3
8.8
10
12 |
662
582
549
483
403 |
YCZJ140D
YCZJ140F
YCZJ140G
YCZJ140GF |
Y802-6 | |
|
11
13
15
18 |
439
372
322
268 |
YCZJ140D
YCZJ140F
YCZJ140G
YCZJ140GF |
Y801-4 | |
|
13
15
16
18 |
375
322
302
268 |
YCZJ112D
YCZJ112F
YCZJ112G
YCZJ112GF |
Y801-4 | |
|
21
24
28
30 |
230
201
173
161 |
YCZJ112D
YCZJ112F
YCZJ112G
YCZJ112GF |
Y801-4 | |
|
23
27
31
36
38
45
47
54
58
67
79
89
104
112
130
153
171
200
214
254 |
210
179
156
134
127
107
103
90
83
72
61
54
47
43
37
32
28
24
22
19 |
YCZJ100D
YCZJ100F
YCZJ100G
YCZJ100GF |
Y801-4 | |
|
功率
kw |
輸出轉速
r/min |
輸出扭矩
N.m |
機座號 |
配用電機 |
|
0.75 |
3.9
4.4
4.8 |
1690
1498
1373 |
YCZJ265D
YCZJ265F
YCZJ265G
YCZJ265GF |
Y100L1-8 |
|
4.6
5.4
5.9
6.6 |
1433
1220
1117
998 |
YCZJ212D
YCZJ212F
YCZJ212G
YCZJ212GF |
Y100L1-8 | |
|
5.2
5.5
6.1
7.1 |
1267
1198
1080
928 |
YCZJ212D
YCZJ212F
YCZJ212G
YCZJ212GF |
Y90S-6 | |
|
7.0
7.9
8.4
9.4 |
941
934
785
701 |
YCZJ212D
YCZJ212F
YCZJ212G
YCZJ212GF |
Y802-4 | |
|
6.7
7.0
7.9
9.3
10 |
984
942
834
709
659 |
YCZJ180D
YCZJ180F
YCZJ180G
YCZJ180GF |
Y90S-6 | |
|
9.0
10
11
12
14 |
732
659
599
549
471 |
YCZJ180D
YCZJ180F
YCZJ180G
YCZJ180GF |
Y802-4 | |
|
11
13
15 |
599
507
439 |
YCZJ140D
YCZJ140F
YCZJ140G
YCZJ140GF |
Y802-4 | |
|
18
20
23
24 |
366
329
286
275 |
YCZJ140D
YCZJ140F
YCZJ140G
YCZJ140GF |
Y802-4 | |
|
18
22
24
28
30
35
39
44 |
366
300
275
235
220
188
169
150 |
YCZJ112D
YCZJ112F
YCZJ112G
YCZJ112GF |
Y802-4 | |
|
31
36
39
46
48
55
59
68
80
90
105
114
132
155
173
203
217
257 |
213
185
169
143
137
120
112
97
82
73
63
58
50
43
38
32
30
26 |
YCZJ100D
YCZJ100F
YCZJ100G
YCZJ100GF |
Y802-4 | |
|
功率
kw |
輸出轉速
r/min |
輸出扭矩
N.m |
機座號 |
配用電機 |
|
1.1 |
3.8
4.4
4.8
5.4 |
2543
2197
2013
1790 |
YCZJ265D
YCZJ265F
YCZJ265G
YCZJ265GF |
Y100L2-8 |
|
5.2
6.0
6.6
7.4 |
1859
1611
1464
1306 |
YCZJ265D
YCZJ265F
YCZJ265G
YCZJ265GF |
Y90L-6 | |
|
7.9
9.1
10 |
1224
1062
966 |
YCZJ265D
YCZJ265F
YCZJ265G
YCZJ265GF |
Y90S-4 | |
|
5.3
5.6
6.2
7.2 |
1824
1726
1559
1342 |
YCZJ212D
YCZJ212F
YCZJ212G
YCZJ212GF |
Y90L-6 | |
|
8.0
8.5
9.5
11
12 |
1208
1137
1017
879
805 |
YCZJ212D
YCZJ212F
YCZJ212G
YCZJ212GF |
Y90S-4 | |
|
6.8
7.2
8.1
9.5 |
1421
1325
1193
1017 |
YCZJ180D
YCZJ180F
YCZJ180G
YCZJ180GF |
Y90L-6 | |
|
10
11
12
14
16
18
19 |
966
879
805
690
604
537
509 |
YCZJ180D
YCZJ180F
YCZJ180G
YCZJ180GF |
Y90S-4 | |
|
13
14
16
18
20
23
24
29
32
36 |
743
690
604
537
483
420
403
332
302
268 |
YCZJ140D
YCZJ140F
YCZJ140G
YCZJ140GF |
Y90S-4 | |
|
25
29
30
35
40
45
48
54
64
72 |
387
332
322
276
242
215
201
178
151
134 |
YCZJ112D
YCZJ112F
YCZJ112GF
YCZJ112GF |
Y90S-4 | |
|
47
56
60
69
82
91
107
115
133
157
176
206
220
261 |
206
173
161
140
118
106
90
84
73
62
55
47
44
37 |
YCZJ100D
YCZJ100F
YCZJ100G
YCZJ100GF |
Y90S-4 |
選型參數表
|
功率
kw |
輸出轉速
r/min |
輸出扭矩
N.m |
機座號 |
配用電機 |
|
1.5 |
4.9
5.8
6.2 |
2689
2272
2126 |
YCZJ315D
YCZJ315F
YCZJ315G
YCZJ315GF |
Y112M-8 |
|
4.6
5.0
5.7 |
2865
2636
2312 |
YCZJ265D
YCZJ265F
YCZJ265G
YCZJ265GF |
Y112M-8 | |
|
5.2
6.0
6.6
7.4 |
2534
2197
1997
1781 |
YCZJ265D
YCZJ265F
YCZJ265G
YCZJ265GF |
Y100L-6 | |
|
8.0
9.2
10
11 |
1647
1433
1318
1198 |
YCZJ265D
YCZJ265F
YCZJ265G
YCZJ265GF |
Y90L-4 | |
|
6.2
7.2
7.9
9.0 |
2126
1830
1668
1464 |
YCZJ212D
YCZJ212F
YCZJ212G
YCZJ212GF |
Y100L-6 | |
|
8.1
8.6
9.6
11
12
14
16 |
1627
1532
1373
1198
1098
941
824 |
YCZJ212D
YCZJ212F
YCZJ212G
YCZJ212GF |
Y90L-6 | |
|
8.1
9.5
10
12 |
1627
1387
1318
1098 |
YCZJ180D
YCZJ180F
YCZJ180G
YCZJ180GF |
Y100L-6 | |
|
10
11
12
15
16
18
19
22
24
28
31
35 |
1318
1198
1098
879
824
732
694
599
549
471
425
376 |
YCZJ180D
YCZJ180F
YCZJ180G
YCZJ180GF |
Y90L-4 | |
|
18
20
23
25
29
32
37
40
47
52
59 |
732
659
573
527
454
412
256
329
280
253
223 |
YCZJ140D
YCZJ140F
YCZJ140G
YCZJ140GF |
Y90L-4 | |
|
36
40
45
48
54
65
72
84
89
103
116
120 |
375
329
293
275
244
203
183
157
148
128
114
109 |
YCZJ112D
YCZJ112F
YCZJ112G
YCZJ112GF |
Y90L-4 | |
|
60
70
82
92
108
116
134
158
177 |
220
185
161
143
122
114
98
83
74 |
YCZJ100D
YCZJ100F
YCZJ100G
YCZJ100GF |
Y90L-4 | |
|
10
11
12
15
16
18
19
22
24
28
31
35 |
1318
1198
1098
879
824
732
694
599
549
471
425
376 |
YCZJ180D
YCZJ180F
YCZJ180G
YCZJ180GF |
Y90L-4 | |
|
18
20
23
25
29
32
37
40
47
52
59 |
732
659
573
527
454
412
256
329
280
253
223 |
YCZJ140D
YCZJ140F
YCZJ140G
YCZJ140GF |
Y90L-4 | |
|
36
40
45
48
54
65
72
84
89
103
116
120 |
375
329
293
275
244
203
183
157
148
128
114
109 |
YCZJ112D
YCZJ112F
YCZJ112G
YCZJ112GF |
Y90L-4 | |
|
60
70
82
92
108
116
134
158
177 |
220
185
161
143
122
114
98
83
74 |
YCZJ100D
YCZJ100F
YCZJ100G
YCZJ100GF |
Y90L-4 | |
|
功率
kw |
輸出轉速
r/min |
輸出扭矩
N.m |
機座號 |
配用電機 |
|
2.2 |
24
29
32
36
39
46
51
58
62
73
80
92
106
112
132
145
167
192 |
805
670
604
536
496
420
379
332
312
265
242
210
182
173
146
133
116
101 |
YCZJ140D
YCZJ140F
YCZJ140G
YCZJ140GF |
Y100L1-4 |
|
54
64
72
83
88
103
115
119
133
154 |
358
302
268
233
220
188
168
162
145
126 |
YCZJ112D
YCZJ112F
YCZJ112G
YCZJ112GF |
Y100L1-4 | |
|
107
133
157
176
206
220
261 |
181
145
143
123
94
88
74 |
YCZJ100D
YCZJ100F
YCZJ100G
YCZJ100GF |
Y100L-4 | |
|
功率
kw |
輸出轉速
r/min |
輸出扭矩
N.m |
機座號 |
配用電機 |
|
3.0 |
5.0
5.9
6.4
7.2
7.9 |
5272
4467
4118
3660
3336 |
YCZJ315D
YCZJ315F
YCZJ315G
YCZJ315GF |
Y132M-8 |
|
6.6
7.7
8.4
9.3 |
3994
3423
3138
2834 |
YCZJ315D
YCZJ315F
YCZJ315G
YCZJ315GF |
Y132S-6 | |
|
9.8
12 |
2690
2197 |
YCZJ315D
YCZJ315F
YCZJ315G
YCZJ315GF |
Y100L2-4 | |
|
7.6
8.9
9.7
11 |
3468
2962
2717
2396 |
YCZJ265D
YCZJ265F
YCZJ265G
YCZJ265GF |
Y132S-4 | |
|
7.9
9.1
10
11
13
14
16
18
20
22
25 |
3336
2897
2636
2396
2028
1883
1647
1464
1318
1198
1054 |
YCZJ265D
YCZJ265F
YCZJ265G
YCZJ265GF |
Y100L2-4 | |
|
9.5
11
12
14
16
18
20
22
25
28
32
38 |
2775
2396
2197
1883
1647
1464
1318
1198
1054
941
824
694 |
YCZJ212D
YCZJ212F
YCZJ212G
YCZJ212GF |
Y100L2-4 | |
|
18
19
22
24
27
31
35
40
45 |
1464
1387
1198
1098
976
850
753
659
586 |
YCZJ180D
YCZJ180F
YCZJ180G
YCZJ180GF |
Y100L2-4 | |
|
36
39
46
51
58
62
73
80
92
106
112
132
145 |
732
670
573
517
454
425
361
329
286
249
235
200
182 |
YCZJ140D
YCZJ140F
YCZJ140G
YCZJ140GF |
Y100L2-4 | |
|
72
83
88
103
115
119
133
154
164
190
213 |
375
318
256
229
221
198
171
161
139
124 |
YCZJ112D
YCZJ112F
YCZJ112GF |
Y100L2-4 | |
|
157
176
206
220
261 |
168
150
128
120
101 |
YCZJ100D
YCZJ100F
YCZJ100G
YCZJ100GF |
Y100L2-4 | |
|
功率
kw |
輸出轉速
r/min |
輸出扭矩
N.m |
機座號 |
配用電機 |
|
4.0 |
5.3
5.9
6.5 |
6629
5957
5407 |
YCZJ375D
YCZJ375F
YCZJ375G
YCZJ375GF |
Y160M1-8 |
|
6.6
7.1
7.8
8.7 |
5325
4950
4506
4040 |
YCZJ375D
YCZJ375F
YCZJ375G
YCZJ375GF |
Y132M1-6 | |
|
6.4
7.2
7.9
8.7 |
5491
4881
4450
4040 |
YCZJ315D
YCZJ315F
YCZJ315G
YCZJ315GF |
Y160M1-8 | |
|
6.7
7.9
8.5
9.5
11 |
5245
4447
4135
3699
3195 |
YCZJ315D
YCZJ315F
YCZJ315G
YCZJ315GF |
Y132M-6 | |
|
9.9
12
13
14
16
17
19 |
3550
2929
2703
2510
2197
2067
1850 |
YCZJ315D
YCZJ315F
YCZJ315G
YCZJ315GF |
Y112M-4 | |
|
9.3
10
11
14
15
16
18
20 |
3779
3514
3198
2510
2343
2197
1952
1757 |
YCZJ265D
YCZJ265F
YCZJ265G
YCZJ265GF |
Y112M-4 | |
|
12
14
16
18
20
23
25
29
32
39 |
2929
2500
2197
1952
1757
1528
1406
1212
1098
902 |
YCZJ212D
YCZJ212F
YCZJ212G
YCZJ212GF |
Y112M-4 | |
|
22
24
28
31
35
40
46
49
55
62
70 |
1597
1464
1255
1134
1004
879
764
717
639
567
502 |
YCZJ180D
YCZJ180F
YCZJ180G
YCZJ180GF |
Y112M-4 | |
|
47
52
59
63
74
81
94
107
114
134
147
170
195 |
748
676
596
558
475
434
374
328
308
262
239
207
180 |
YCZJ140D
YCZJ140F
YCZJ140G
YCZJ140GF |
Y112M-4 | |
|
功率
kw |
輸出轉速
r/min |
輸出扭矩
N.m |
機座號 |
配用電機 |
|
5.5 |
4.7
5.8
7.1
7.8 |
10282
8332
6806
6195 |
YCZJ450D
YCZJ450F
YCZJ450G
YCZJ450GF |
Y160M2-8 |
|
5.2
5.8
6.4
7.1
7.9
8.7
11 |
9293
8332
7550
6806
6117
5554
4393 |
YCZJ375D
YCZJ375F
YCZJ375G
YCZJ375GF |
Y160M2-8 | |
|
8.5
9.5
11
12 |
5685
5087
4393
4027 |
YCZJ315D
YCZJ315F
YCZJ315G
YCZJ315GF |
| |
|
10
12
13
14
16
17 |
4832
4027
3717
3452
3020
2843 |
YCZJ315D
YCZJ315F
YCZJ315G
YCZJ315GF |
Y132S-4 | |
|
12
14
15
17
18
20
23
25
30 |
4027
3452
3221
2843
2685
2416
2083
1933
1611 |
YCZJ265D
YCZJ265F
YCZJ265G
YCZJ265GF |
Y132S-4 | |
|
17
18
20
23
25
29
32
39
46
51 |
2843
2685
2416
2101
1933
1665
1510
1239
1050
948 |
YCZJ212D
YCZJ212F
YCZJ212G
YCZJ212GF |
Y132S-4 | |
|
32
36
46
49
56
62
71
80
90
106
116
132 |
1510
1330
1050
986
863
779
680
604
537
456
417
366 |
YCZJ180D
YCZJ180F
YCZJ180G
YCZJ180GF |
Y132S-4 | |
|
60
63
74
82
94
108
115
135
148
717
196 |
805
767
653
589
514
447
420
358
327
283
247 |
YCZJ140D
YCZJ140F
YCZJ140G
YCZJ140GF |
Y132S-4 | |
|
功率
kw |
輸出轉速
r/min |
輸出扭矩
N.m |
機座號 |
配用電機 |
|
7.5 |
4.6
5.7 |
14325
11560 |
YCZJ500D |
Y160L-8 |
|
6.1
7.6 |
10802
8486 |
YCZJ500D |
Y160M-6 | |
|
6.4
7.8
9.6
10
12 |
10296
8448
6864
6590
5490 |
YCZJ450D
YCZJ450F
YCZJ450G
YCZJ450GF |
Y160M-6 | |
|
7.1
7.8
8.7
11 |
9280
8448
7574
5990 |
YCZJ375D
YCZJ375F
YCZJ375G
YCZJ375GF |
Y160M-6 | |
|
9.8
11
12
13
16
17
20 |
6724
5990
5490
5067
4118
3876
3295 |
YCZJ375D
YCZJ375F
YCZJ375G
YCZJ375GF |
Y132M-4 | |
|
10
12
13
14
16
17
20
22
25
29
34
39 |
6620
5491
5068
4707
4118
3876
3295
2995
2636
2272
1938
1670 |
YCZJ315D
YCZJ315F
YCZJ315G
YCZJ315GF |
Y132M-4 | |
|
15
17
18
20
23
25
30
34
37
42 |
4393
3876
3660
3295
2865
2636
2197
1938
1780
1570 |
YCZJ265D
YCZJ265F
YCZJ265G
YCZJ265GF |
Y132M-4 | |
|
23
25
29
32
39
46
51
57
64
74
82
89
99 |
2865
2636
2272
2059
1670
1433
1292
1156
1030
890
804
740
665 |
YCZJ212D
YCZJ212F
YCZJ212G
YCZJ212GF |
Y132M-4 | |
|
45
49
56
62
71
80
90
106
116
132
150
169
198 |
1464
1330
1177
1063
928
824
732
622
568
499
439
370
332 |
YCZJ180D
YCZJ180F
YCZJ180G
YCZJ180GF |
Y132M-4 |
|
功率
kw |
輸出轉速
r/min |
輸出扭矩
N.m |
機座號 |
配用電機 |
|
11 |
5.7 |
16955 |
YCZJ500D |
Y180L-8 |
|
6.1
7.6 |
15844
12717 |
YCZJ500D |
Y160L-6 | |
|
9.1
11 |
10620
8786 |
YCZJ500D |
Y160M-4 | |
|
5.9
7.2
7.9
9.0 |
15800
13423
12234
10738 |
YCZJ450D
YCZJ450F
YCZJ450G
YCZJ450GF |
Y180L-8 | |
|
6.4
7.8
9.6
10
12 |
15100
12390
10067
9665
8054 |
YCZJ450D
YCZJ450F
YCZJ450G
YCZJ450GF |
Y160L-6 | |
|
9.6
12
14
16 |
10067
8054
6903
6040 |
YCZJ450D
YCZJ450F
YCZJ450G
YCZJ450GF |
Y160M-4 | |
|
11
12
13
16
18
20 |
8786
8054
7434
6040
5369
4832 |
YCZJ375D
YCZJ375F
YCZJ375G
YCZJ375GF |
Y160M-4 | |
|
13
14
16
17
20
22
25
29
34
39 |
7434
6620
6040
5685
4832
4393
3866
3332
2843
2478 |
YCZJ315D
YCZJ315F
YCZJ315G
YCZJ315GF |
Y160M-4 | |
|
20
23
25
30
34
38
42
47
52
58
64 |
4832
4202
3866
3222
2843
2543
2301
2056
1859
1666
1510 |
YCZJ265D
YCZJ265F
YCZJ265G
YCZJ265GF |
Y160M-4 | |
|
33
39
46
52
58
64
74
83
90
100
115
129
144
174
200 |
2929
2478
2101
1859
1666
1510
1306
1156
1074
966
840
749
671
555
483 |
YCZJ212D
YCZJ212F
YCZJ212G
YCZJ212GF |
Y160M-4 | |
|
62
71
81
91
107
117
133
151
170
199 |
1559
1330
1193
1062
903
826
727
640
569
486 |
YCZJ180D
YCZJ180F
YCZJ180G
YCZJ180GF |
Y160M-4 | |
|
功率
kw |
輸出轉速
r/min |
輸出扭矩
N.m |
機座號 |
配用電機 |
|
15 |
6.6 |
19968 |
YCZJ600D |
Y180L-6 |
|
7.6 |
17340 |
YCZJ500D |
Y180L-6 | |
|
9.2
12 |
14325
10983 |
YCZJ500D |
Y160L-4 | |
|
7.9
9.7
11
12
14 |
16682
13587
11980
10982
7414 |
YCZJ450D
YCZJ450F
YCZJ450G
YCZJ450GF |
Y180L-6 | |
|
9.7
12
15
16
18 |
16682
10982
8786
8237
7322 |
YCZJ450D
YCZJ450F
YCZJ450G
YCZJ450GF |
Y160L-4 | |
|
11
12
13
16
18
21
23
27
31 |
11981
11000
10138
8237
7322
6276
5730
4881
4551 |
YCZJ375D
YCZJ375F
YCZJ375G
YCZJ375GF |
Y160L-4 | |
|
16
18
20
22
26
29
34
39
45
47
50 |
8237
7322
6620
5990
5069
4544
3876
3379
2929
2804
2636 |
YCZJ315D
YCZJ315F
YCZJ315G
YCZJ315GF |
Y160L-4 | |
|
30
35
38
43
47
52
59
65
77
88 |
4393
3860
3468
3065
2804
2534
2234
2028
1712
1498 |
YCZJ265D
YCZJ265F
YCZJ265G
YCZJ265GF |
Y160L-4 | |
|
47
52
59
65
75
84
91
101
116
131
146
176
202 |
2804
2534
2234
2028
1757
1569
1448
1305
1136
1006
903
749
652 |
YCZJ212D
YCZJ212F
YCZJ212G
YCZJ212GF |
Y160L-4 | |
|
功率
kw |
輸出轉速
r/min |
輸出扭矩
N.m |
機座號 |
配用電機 |
|
18.5 |
6.6
7.9 |
24627
20575 |
YCZJ600D |
Y200L1-6 |
|
9.9
12 |
16418
13545 |
YCZJ600D |
Y180M-4 | |
|
12
15
18 |
13545
10837
9030 |
YCZJ500D |
Y180M-4 | |
|
9.7
11
12
14 |
17485
14776
13545
11610 |
YCZJ450D
YCZJ450F
YCZJ450G
YCZJ450GF |
Y200L1-6 | |
|
12
15
16
18
21
24
27
31
39 |
13545
10836
10159
9030
7740
6773
6020
5243
4168 |
YCZJ450D
YCZJ450F
YCZJ450G
YCZJ450GF |
Y180M-4 | |
|
13
16
18
21
23
27
31
36
40
47
53 |
12503
10159
9030
7740
7067
6020
5243
4515
4064
3458
3067 |
YCZJ375D
YCZJ375F
YCZJ375G
YCZJ375GF |
Y180M-4 | |
|
20
22
26
29
35
40
45
47
51
56
65
74
88
100
109
125
147
169 |
8127
7388
6252
5605
4644
4064
3612
3458
3187
2903
2500
2197
1847
1625
1491
1300
1106
962 |
YCZJ315D
YCZJ315F
YCZJ315G
YCZJ315GF |
Y180M-4 | |
|
35
48
53
59
65
77 |
4644
3386
3067
2755
2500
2110 |
YCZJ265D
YCZJ265F
YCZJ265G
YCZJ265GF |
Y180M-4 | |
|
88
106
122 |
1847
1533
1332 |
YCZJ265D
YCZJ265F
YCZJ265G
YCZJ265GF |
Y180M-4 | |
|
59
65
75
84
101
131
147
177
203 |
2755
2500
2167
1935
1609
1240
1106
918
800 |
YCZJ212D
YCZJ212F
YCZJ212G
YCZJ212GF |
Y180M-4 | |
|
功率
kw |
輸出轉速
r/min |
輸出扭矩
N.m |
機座號 |
配用電機 |
|
22 |
6.6
7.9 |
29287
24467 |
YCZJ600D |
Y200L2-6 |
|
9.9
12
15 |
19524
16108
12886 |
YCZJ600D |
Y180L-4 | |
|
12
15
18 |
16108
12886
10738 |
YCZJ500D |
Y180L-4 | |
|
9.7
11
12
14
16 |
19927
17572
16108
13807
12080 |
YCZJ450D
YCZJ450F
YCZJ450G
YCZJ450GF |
Y200L2-6 | |
|
12
15
16
18
21
24
27
31
39 |
16108
12886
12080
10738
9204
8054
7159
6235
4956 |
YCZJ450D
YCZJ450F
YCZJ450G
YCZJ450GF |
Y180L-4 | |
|
16
18
21
23
27
31
36
40
47
53
61
69 |
12080
10738
9204
8404
7159
6235
5369
4832
4113
3647
3169
2800 |
YCZJ375D
YCZJ375F
YCZJ375G
YCZJ375GF |
Y180L-4 | |
|
26
29
35
40
45
47
51
56
65
74
88
100
109
125
147
169 |
7434
6665
5523
4832
4295
4113
3790
3452
2974
2612
2197
1933
1773
1546
1315
1144 |
YCZJ315D
YCZJ315F
YCZJ315G
YCZJ315GF |
Y180L-4 | |
|
48
53
59
65
77
88
106
122
141
168 |
4027
3647
3276
2974
2510
2197
1824
1584
1370
1150 |
YCZJ265D
YCZJ265F
YCZJ265G
YCZJ265GF |
Y180L-4 | |
|
75
84
101
117
131
147
177
203 |
2577
2300
1914
1652
1476
1315
1092
952 |
YCZJ212D
YCZJ212F
YCZJ212G
YCZJ212GF |
Y180L-4 | |
|
功率
kw |
輸出轉速
r/min |
輸出扭矩
N.m |
機座號 |
配用電機 |
|
30 |
10
12
15
18 |
26358
21965
17572
14643 |
YCZJ600D |
Y200L-4 |
|
15
18
23 |
17572
14643
11460 |
YCZJ500D |
Y200L-4 | |
|
15
16
18
21
24
27
31
39
47
53
61 |
17572
16474
14643
12550
10983
9762
8503
6758
5608
4973
4320 |
YCZJ450D
YCZJ450F
YCZJ450G
YCZJ450GF |
Y200L-4 | |
|
21
23
27
31
37
41
47
53
62 |
12550
11460
9762
8503
7124
6429
5608
4973
4250 |
YCZJ375D
YCZJ375F
YCZJ375G
YCZJ375GF |
Y200L-4 | |
|
35
40
47
51
56
65
74
88
100
109
125
148
169 |
7530
6589
5608
5168
4707
4055
3562
2995
2636
2418
2109
1780
1559 |
YCZJ315D
YCZJ315F
YCZJ315G
YCZJ315GF |
Y200L-4 | |
|
59
66
78
89
106
123
141
169 |
4467
3994
3379
2962
2487
2143
1869
1559 |
YCZJ265D
YCZJ265F
YCZJ265G
YCZJ265GF |
Y200L-4 | |
|
功率
kw |
輸出轉速
r/min |
輸出扭矩
N.m |
機座號 |
配用電機 |
|
37 |
10
12
15
18 |
32508
27090
21672
18060 |
YCZJ600D |
Y225S-4 |
|
15
18
23
28
35 |
21672
18060
14134
11610
9288 |
YCZJ500D |
Y225S-4 | |
|
16
18
21
24
27
31
39
47 |
20318
18060
15480
13545
12040
10487
8335
6917 |
YCZJ450D
YCZJ450F
YCZJ450G
YCZJ450GF |
Y225S-4 | |
|
27
31
37
41
47
53
62
70
83
102
115
137
169 |
12040
10487
8786
7929
6917
6134
5243
4644
3917
3187
2827
2373
1924 |
YCZJ375D
YCZJ375F
YCZJ375G
YCZJ375GF |
Y225S-4 | |
|
40
47
51
56
65
74
88
100
109
125
148
169 |
8127
6917
6374
5805
5000
4393
3694
3250
2982
2600
2197
1924 |
YCZJ315D
YCZJ315F
YCZJ315G
YCZJ315GF |
Y225S-4 | |
|
功率
kw |
輸出轉速
r/min |
輸出扭矩
N.m |
機座號 |
配用電機 |
|
45 |
10
12
15
18 |
39537
32948
26358
21965 |
YCZJ600D |
Y225M-4 |
|
15
18
23
28
35
42 |
26358
21965
17190
14120
11296
9414 |
YCZJ500D |
Y225M-4 | |
|
21
24
27
31
39
47
53
61
69
80 |
18827
16474
14643
12754
10138
8412
7460
6482
5730
4942 |
YCZJ450D
YCZJ450F
YCZJ450G
YCZJ450GF |
Y225M-4 | |
|
31
37
41
47
53
62
70
83
102
115
137
169 |
12754
10686
9643
8412
7460
6377
5648
4764
3876
3438
2886
2340 |
YCZJ375D
YCZJ375F
YCZJ375G
YCZJ375GF |
Y225M-4 | |
|
51
56
65
74
88
100
109
125
148
169 |
6374
5805
5000
4393
3694
3250
2982
2600
2197
1924 |
YCZJ315D
YCZJ315F
YCZJ315G
YCZJ315GF |
Y225M-4 | |
|
功率
kw |
輸出轉速
r/min |
輸出扭矩
N.m |
機座號 |
配用電機 |
|
55 |
12
15
18
22
26 |
40269
35017
26846
21965
18586 |
YCZJ600D |
Y250M-4 |
|
18
23
28
35
43 |
26846
21010
17258
13807
11238 |
YCZJ500D |
Y250M-4 | |
|
24
27
32
39
47
53
62
69
80
99
117 |
20135
17897
15100
12390
10282
9118
7794
7003
6040
4880
4130 |
YCZJ450D
YCZJ450F
YCZJ450G
YCZJ450GF |
Y250M-4 | |
|
37
47
53
62
70
83
103
115
137
170 |
13060
10282
9118
7794
6903
5822
4692
4202
3527
2843 |
YCZJ375D
YCZJ375F
YCZJ375G
YCZJ375GF |
Y250M-4 | |
|
功率
kw |
輸出轉速
r/min |
輸出扭矩
N.m |
機座號 |
配用電機 |
|
75 |
15
18
22
26
32
39
46 |
43930
36608
29952
25344
20592
16896
14325 |
YCZJ600D |
Y280S-4 |
|
23
28
36
43
53
66 |
28650
23534
18304
15324
12433
9984 |
YCZJ500D |
Y280S-4 | |
|
39
47
54
62
69
81
99
117 |
16896
14020
12203
10628
9550
8135
6656
5632 |
YCZJ450D
YCZJ450F
YCZJ450G
YCZJ450GF |
Y280S-4 | |
|
53
62
70
83
103
116
138
171 |
12433
10628
9414
7939
6398
5680
4775
3854 |
YCZJ375D
YCZJ375F
YCZJ375G
YCZJ375GF |
Y280S-4 | |
|
功率
kw |
輸出轉速
r/min |
輸出扭矩
N.m |
機座號 |
配用電機 |
|
90 |
18
22
26
32
39
46
57
67 |
43930
35943
30413
24710
20275
17190
13873
11802 |
YCZJ600D |
Y280M-4 |
|
28
36
43
53
66
83 |
28240
21965
18389
14920
11980
9527 |
YCZJ500D |
Y280M-4 | |
|
39
47
54
62
69
81
99
117 |
20275
16824
14643
12754
11460
9762
7987
6758 |
YCZJ450D
YCZJ450F
YCZJ450G
YCZJ450GF |
Y280M-4 | |
|
62
70
83
103
116
138
171 |
12754
11296
9527
7677
6818
5730
4624 |
YCZJ375D
YCZJ375F
YCZJ375G
YCZJ375GF |
Y280M-4 | |
|
功率
kw |
輸出轉速
r/min |
輸出扭矩
N.m |
機座號 |
配用電機 |
|
110 |
22
26
32
39
47
58
67
83 |
43930
37172
30202
24781
20563
16663
14425
11644 |
YCZJ600D |
Y315S-4 |
|
36
54
66
83 |
26846
17897
14643
11644 |
YCZJ500D |
Y315S-4 | |
|
62
70
81
100
117 |
15588
13807
11932
9665
8360 |
YCZJ450D
YCZJ450F
YCZJ450G
YCZJ450GF |
Y315S-4 | |
|
功率
kw |
輸出轉速
r/min |
輸出扭矩
N.m |
機座號 |
配用電機 |
|
132 |
26
32
39
47
58
67
83 |
44606
36242
29737
24676
19996
17310
13973 |
YCZJ600D |
Y315M-4 |
|
54
66
83 |
21477
17572
13973 |
YCZJ500D |
Y315M-4 | |
|
62
70
81
100
117 |
18706
16568
14318
11598
9912 |
YCZJ450D
YCZJ450F
YCZJ450G
YCZJ450GF |
Y315M-4 | |
|
功率
kw |
輸出轉速
r/min |
輸出扭矩
N.m |
機座號 |
配用電機 |
|
160 |
32
47
58
67
83 |
43930
29910
24237
20982
16937 |
YCZJ600D |
Y315L1-4 |
|
66
83 |
21299
16937 |
YCZJ500D |
Y315L1-4 | |
|
81
100
117 |
17355
14058
12015 |
YCZJ450D
YCZJ450F
YCZJ450G
YCZJ450GF |
Y315L1-4 | |
|
功率
kw |
輸出轉速
r/min |
輸出扭矩
N.m |
機座號 |
配用電機 |
|
200 |
47
58
67
83 |
37387
30297
26227
22171 |
YCZJ600D |
Y315L2-4 |
|
100
117 |
17572
15019 |
YCZJ450D
YCZJ450F
YCZJ450G
YCZJ450GF |
Y315L2-4 |

YCZJ100D-YCZJ450D 底腳安裝
|
機座號 |
h |
a0 |
c0 |
a2 |
d0 |
d |
s |
l1 |
T |
A |
B |
k1 |
F |
L |
|
b0 |
a1 |
k |
f |
l2 |
R |
C |
H |
p |
h1 | |||||
|
YCZJ100D |
100 |
110 |
115 |
32 |
11 |
25k6 |
M10 |
5 |
28 |
143 |
120 |
158 |
110 |
參
照
電
機
尺
寸 |
|
100 |
28 |
63 |
50 |
40 |
8 |
150 |
164 |
16 |
8.5 | |||||
|
YCZJ112D |
112 |
130 |
130 |
37 |
11 |
30k6 |
M10 |
3.5 |
33 |
162 |
145 |
195 |
135 | |
|
120 |
35 |
71 |
60 |
50 |
8 |
170 |
186 |
18 |
7.2 | |||||
|
YCZJ140D |
140 |
120 |
160 |
45 |
13.5 |
40k6 |
M16 |
5 |
43 |
170 |
170 |
208 |
171 | |
|
140 |
30 |
90 |
80 |
70 |
12 |
203 |
228 |
24 |
20 | |||||
|
YCZJ180D |
180 |
150 |
200 |
55 |
17.5 |
50k6 |
M16 |
10 |
53.5 |
208 |
200 |
230 |
206 | |
|
165 |
40 |
112 |
100 |
80 |
14 |
263 |
288 |
27 |
31.3 | |||||
|
YCZJ212D |
212 |
180 |
233 |
70 |
22 |
60m6 |
M20 |
5 |
64 |
260 |
230 |
286 |
240 | |
|
180 |
55 |
132 |
120 |
110 |
18 |
305 |
340 |
32 |
25.9 | |||||
|
YCZJ265D |
265 |
240 |
295 |
75 |
26 |
70m6 |
M20 |
7.5 |
74.5 |
294 |
290 |
306 |
291 | |
|
240 |
75 |
160 |
140 |
125 |
20 |
372 |
417 |
36 |
32.3 | |||||
|
YCZJ315D |
315 |
280 |
360 |
95 |
33 |
90m6 |
M24 |
5 |
95 |
380 |
340 |
409 |
347 | |
|
270 |
95 |
200 |
170 |
160 |
25 |
448 |
503 |
40 |
52 | |||||
|
YCZJ375D |
375 |
350 |
420 |
110 |
39 |
110m6 |
M24 |
15 |
116 |
445 |
400 |
458 |
418 | |
|
330 |
115 |
225 |
210 |
180 |
28 |
526 |
592 |
45 |
53 | |||||
|
YCZJ450D |
450 |
380 |
500 |
130 |
39 |
120m6 |
M24 |
5 |
127 |
495 |
500 |
495 |
457 | |
|
420 |
140 |
280 |
210 |
200 |
32 |
634 |
705 |
50 |
71.7 |

YCZJ500D-YCZJ600D 底腳安裝
|
機座號 |
a0 |
P |
h |
m |
k |
k6 |
k9 |
k12 |
k15 |
k18 |
d 0 |
s |
d |
l2 |
L |
|
|
|
F |
k1 |
k7 |
k10 |
k13 |
k16 |
|
f |
T | |||||
|
b |
a |
h1 |
H |
k5 |
k8 |
k11 |
k14 |
k17 |
k19 |
l1 |
R | ||||
|
YCZJ500D |
480 |
50 |
500-1 |
100 |
315 |
115 |
70 |
22 |
200 |
115 |
33 |
M30 |
140m6 |
220 |
參 照 電 機 尺 寸 |
|
|
|
|
555 |
525 |
210 |
450 |
250 |
340 |
|
250 |
148 | ||||
|
200 |
580 |
87 |
785 |
265 |
210 |
220 |
70 |
155 |
385 |
15 |
36 | ||||
|
YCZJ600D |
540 |
60 |
600-1 |
110 |
335 |
135 |
60 |
5 |
215 |
150 |
39 |
M30 |
160m6 |
280 | |
|
|
|
|
637 |
625 |
250 |
550 |
305 |
405 |
|
300 |
169 | ||||
|
230 |
640 |
85 |
930 |
305 |
250 |
250 |
95 |
160 |
460 |
10 |
40 |

YCZJ100F-YCZJ315F 法蘭安裝
|
機座號 |
a3 |
b1 |
c1 |
e |
g1 |
h1 |
F |
H |
k1 |
d0 |
h |
w |
d |
f |
l1 |
l2 |
T |
R |
s |
L |
|
YCZJ100F |
160 |
110j6 |
10 |
130 |
3.5 |
8.5 |
134 |
164 |
158 |
9 |
100 |
57.5 |
25k6 |
50 |
5 |
40 |
28 |
8 |
M10 |
參 照 電 機 尺 寸 |
|
YCZJ112F |
200 |
130j6 |
12 |
165 |
3.5 |
7.2 |
160 |
185 |
195 |
11 |
112 |
72 |
30k6 |
60 |
3.5 |
50 |
33 |
8 |
M10 | |
|
YCZJ140F |
250 |
180j6 |
15 |
215 |
4 |
20 |
193 |
226 |
208 |
13.5 |
140 |
86.5 |
40k6 |
80 |
5 |
70 |
43 |
12 |
M16 | |
|
YCZJ180F |
300 |
230j6 |
16 |
265 |
4 |
31.3 |
242 |
286 |
230 |
13.5 |
180 |
101 |
50k6 |
100 |
10 |
80 |
53.5 |
14 |
M16 | |
|
YCZJ212F |
350 |
250h6 |
18 |
300 |
5 |
25.9 |
270 |
338 |
286 |
17.5 |
212 |
138 |
60m6 |
120 |
5 |
110 |
64 |
18 |
M20 | |
|
YCZJ265F |
450 |
350h6 |
22 |
400 |
5 |
32.3 |
332 |
414 |
306 |
17.5 |
265 |
171 |
70m6 |
140 |
7.5 |
125 |
74.5 |
20 |
M20 | |
|
YCZJ315F |
450 |
350h6 |
22 |
400 |
5 |
52 |
386 |
500 |
409 |
17.5 |
315 |
175 |
90m6 |
170 |
5 |
160 |
95 |
25 |
M24 |

YCZJ375F-YCZJ450F 法蘭安裝
|
機座號 |
a3 |
b1 |
c1 |
e |
g1 |
h1 |
F |
H |
k1 |
d0 |
h |
w |
d |
f |
l1 |
l2 |
T |
R |
S |
L |
|
YCZJ375F |
550 |
450h6 |
25 |
500 |
5 |
53 |
466 |
592 |
458 |
17.5 |
375 |
203 |
110m6 |
210 |
5 |
180 |
116 |
28 |
M24 |
按電機尺寸 |
|
YCZJ450F |
660 |
550h6 |
28 |
600 |
6 |
71.7 |
520 |
705 |
495 |
22 |
450 |
250 |
120m6 |
210 |
5 |
200 |
127 |
32 |
M24 |

YCZJ100G-YCZJ315G 軸裝
|
機座號 |
h |
a5 |
a7 |
d0 |
l0 |
d |
12 |
T |
M |
a4 |
k |
H |
F |
W |
L |
|
a6 |
l1 |
D |
13 |
R |
g3 |
k1 |
f |
h1 | |||||||
|
YCZJ100G |
100 |
60 |
82 |
M10 |
4 |
30H7 |
17 |
33. 3 |
M10 |
95 |
71 |
165 |
60 |
63 |
參照電
機尺寸 |
|
35 |
20 |
45 |
105 |
8 |
147 |
158 |
2.5 |
8.5 | |||||||
|
YCZJ112G |
112 |
70 |
100 |
M10 |
4 |
35H7 |
22 |
38.3 |
M12 |
104 |
77 |
185 |
75 |
78 | |
|
40 |
20 |
50 |
132 |
10 |
170 |
195 |
3 |
7.2 | |||||||
|
YCZJ140G |
140 |
88 |
110 |
M12 |
5 |
40H7 |
29 |
43.3 |
M16 |
124 |
94 |
226 |
90 |
94 | |
|
42 |
25 |
55 |
156 |
12 |
182 |
208 |
3.5 |
20 | |||||||
|
YCZJ180G |
180 |
102 |
122 |
M16 |
6 |
50H7 |
32 |
53.8 |
M16 |
146 |
109 |
286 |
105 |
108 | |
|
48 |
32 |
70 |
183 |
14 |
204 |
230 |
4 |
31.3 | |||||||
|
YCZJ212G |
212 |
118 |
160 |
M16 |
6 |
60H7 |
36 |
64.4 |
M20 |
170 |
132 |
340 |
120 |
123 | |
|
65 |
32 |
85 |
210 |
18 |
275 |
286 |
4 |
25.9 | |||||||
|
YCZJ265G |
265 |
160 |
165 |
M20 |
6 |
70H7 |
34 |
74.9 |
M24 |
226 |
158 |
417 |
150 |
153 | |
|
83 |
36 |
95 |
270 |
20 |
298 |
306 |
4 |
32.3 | |||||||
|
YCZJ315G |
315 |
190 |
190 |
M24 |
6 |
90H7 |
40 |
95.4 |
M24 |
266 |
196 |
503 |
175 |
178 | |
|
100 |
44 |
118 |
313 |
25 |
370 |
409 |
2.5 |
52 |

YCZJ375G-YCZJ450G 軸裝
|
機座號 |
h |
a0 |
c0 |
a2 |
d0 |
d |
l2 |
T |
M |
B |
H |
F |
W |
A |
p |
L |
|
b0 |
a1 |
k |
D |
l3 |
R |
k1 |
f |
h1 |
C | |||||||
|
YCZJ375G |
375 |
350 |
420 |
110 |
39 |
100H7 |
38 |
106.4 |
M24 |
400 |
592 |
205 |
208 |
445 |
45 |
參照電機尺寸 |
|
330 |
115 |
225 |
135 |
373 |
28 |
458 |
2.5 |
53 |
526 | |||||||
|
YCZJ450G |
450 |
380 |
500 |
130 |
39 |
120H7 |
36 |
127.4 |
M24 |
500 |
705 |
250 |
253 |
495 |
50 | |
|
420 |
140 |
280 |
155 |
460 |
32 |
495 |
0 |
71.7 |
634 |

YCZJ100GF-YCZJ450GF 空心軸法蘭裝
|
機座號 |
a3 |
d |
D |
i2 |
l2 |
l3 |
F |
W |
T |
R |
d0 |
e |
M |
|
YCZJ100GF |
160 |
30H7 |
45 |
24 |
17 |
105 |
60 |
63 |
33.3 |
8 |
9 |
130 |
M10 |
|
YCZJ112GF |
200 |
35H7 |
50 |
25 |
22 |
132 |
75 |
78 |
38.3 |
10 |
11 |
165 |
M12 |
|
YCZJ140GF |
250 |
40H7 |
55 |
23 |
29 |
156 |
90 |
94 |
43.3 |
12 |
13.5 |
215 |
M16 |
|
YCZJ180GF |
300 |
50H7 |
70 |
37 |
32 |
183 |
105 |
108 |
53.8 |
14 |
13.5 |
265 |
M16 |
|
YCZJ212GF |
350 |
60H7 |
85 |
30 |
36 |
210 |
120 |
123 |
64.4 |
18 |
17.5 |
300 |
M20 |
|
YCZJ265GF |
450 |
70H7 |
95 |
41.5 |
34 |
270 |
150 |
153 |
74.9 |
20 |
17.5 |
400 |
M20 |
|
YCZJ315GF |
450 |
90H7 |
118 |
41 |
40 |
313 |
175 |
178 |
95.4 |
25 |
17.5 |
400 |
M24 |
|
YCZJ375GF |
550 |
100H7 |
135 |
51 |
38 |
373 |
205 |
208 |
106.4 |
28 |
17.5 |
500 |
M24 |
|
YCZJ450GF |
660 |
120H7 |
155 |
60 |
36 |
460 |
250 |
253 |
127.4 |
32 |
22 |
600 |
M24 |

扭 矩 臂
|
機座號 |
b3 |
β |
p |
i |
h0 |
R |
h |
d1 |
d2 |
L1-0.3 |
L2 |
|
YCZJ100G |
23.5 |
60° |
10 |
20 |
140 |
22.5 |
100 |
10.4±0.1 |
26H13 |
36 |
31 |
|
YCZJ112G |
30 |
55° |
12 |
20 |
160 |
22.5 |
112 |
10.4±0.1 |
26H13 |
36 |
31 |
|
YCZJ140G |
45 |
55° |
13 |
25 |
200 |
29 |
140 |
16.4±0.08 |
36H13 |
60 |
54 |
|
YCZJ180G |
52.5 |
60° |
14 |
25 |
250 |
29 |
180 |
16.4±0.08 |
36H13 |
60 |
54 |
|
YCZJ212G |
60 |
60° |
16 |
30 |
300 |
41 |
212 |
25±0.08 |
52H13 |
80 |
72 |
|
YCZJ265G |
70 |
50° |
17 |
40 |
350 |
41 |
265 |
25±0.08 |
52H13 |
100 |
92 |
|
YCZJ315G |
74 |
55° |
20 |
45 |
450 |
41 |
315 |
40±0.08 |
52H13 |
100 |
92 |
| 頁次:1/2 每頁10條 共12條信息 分頁:[1][2] |
