 |
NFZ型逆止機 |
 |
|
詳細介紹: |
發布時間:2006/10/1 16:17:40 |
|
|
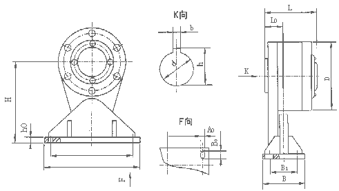
NFZ型逆止器

NFZ型逆止器的基本尺寸和參數:
規格 |
額定逆止力
矩TeN.m |
孔徑范圍
d mm |
逆止器安裝
軸伸范圍mm |
最高轉速
Nf r/min |
非接觸轉
速r/min |
安裝尺寸 |
D |
L |
L0 |
H |
h0 |
A |
A1 |
A0 |
B |
B1 |
B0 |
NFZ10 |
1000 |
32-50 |
110-45 |
450 |
1500 |
190 |
162 |
36 |
215 |
12 |
200 |
160 |
14 |
95 |
60 |
20 |
NFZ16 |
1600 |
45-60 |
110-150 |
450 |
1500 |
208 |
167 |
38 |
225 |
12 |
200 |
160 |
14 |
95 |
60 |
20 |
NFZ25 |
2500 |
50-70 |
115-155 |
425 |
1500 |
230 |
172 |
43 |
250 |
16 |
250 |
200 |
18 |
120 |
75 |
25 |
NFZ40 |
4000 |
60-80 |
120-166 |
425 |
1500 |
245 |
183 |
48 |
265 |
16 |
250 |
200 |
18 |
120 |
75 |
25 |
NFZ63 |
6300 |
70-90 |
125-180 |
400 |
1500 |
260 |
196 |
56 |
330 |
20 |
380 |
330 |
22 |
160 |
100 |
34 |
NFZ80 |
8000 |
80-100 |
130-185 |
400 |
1500 |
275 |
200 |
56 |
345 |
20 |
380 |
330 |
22 |
160 |
100 |
34 |
NFZ100 |
10000 |
90-110 |
140-220 |
400 |
1500 |
295 |
238 |
68 |
375 |
22 |
400 |
350 |
22 |
170 |
110 |
34 |
NFZ125 |
12500 |
100-130 |
160-260 |
375 |
1000 |
360 |
273 |
84 |
435 |
25 |
450 |
280 |
26 |
180 |
125 |
36 |
NFZ160 |
16000 |
110-140 |
165-260 |
375 |
1000 |
360 |
273 |
84 |
435 |
25 |
450 |
380 |
26 |
180 |
125 |
36 |
NFZ200 |
20000 |
120-150 |
175-260 |
350 |
1000 |
405 |
275 |
87 |
465 |
25 |
450 |
380 |
26 |
180 |
125 |
36 |
NFZ250 |
25000 |
130-160 |
180-270 |
250 |
1000 |
440 |
285 |
92 |
500 |
25 |
450 |
380 |
26 |
180 |
125 |
36 | |
|
|