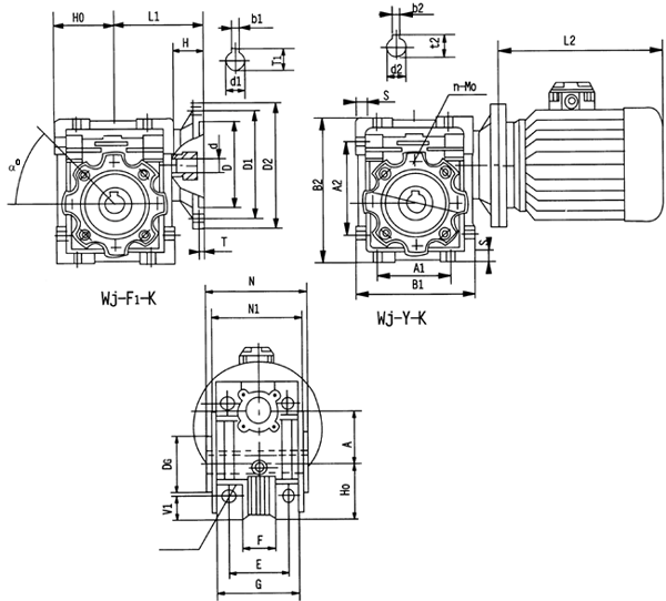
| WJ30、WJ40、WJ50、WJ63、WJ75、WJ90中空軸型蝸輪減速器外型安裝尺寸

2J一F1一K WJ一Y一K中空軸型蝸輪減速器外型安裝尺寸
|
機型
號 |
中心
矩A |
安裝尺寸 |
|
H0 |
A1 |
A2 |
E |
M |
DGH7 |
V1 |
n-M0 |
a° |
DH8 |
D1 |
D2 |
T |
S |
n-d0 |
|
Wj30 |
30 |
40 |
55 |
70 |
44 |
65 |
55 |
13 |
4-M6 |
0° |
60
95 |
75
115 |
90
140 |
3
3.5 |
5.5 |
14-φ7 |
|
wj40 |
40 |
50 |
70 |
90 |
60 |
75 |
60 |
16 |
4-M6 |
45° |
95
110 |
115
130 |
140
160 |
3.5
3.5 |
6.5 |
14-φ7 |
|
wj50 |
50 |
60 |
80 |
104 |
70 |
85 |
70 |
20 |
4-M6 |
45° |
95
110
130 |
115
130
165 |
140
160
200 |
3.5
4
4 |
7.5 |
14-φ9 |
|
wj63 |
63 |
72 |
100 |
130 |
85 |
95 |
80 |
22 |
8-M8 |
0° |
110
130
130 |
130
165
165 |
160
200
200 |
4
4
4 |
8 |
14-φ9 |
|
wj75 |
75 |
86 |
120 |
154 |
90 |
115 |
95 |
26 |
8-M8 |
0° |
130
130
180 |
165
165
215 |
200
200
250 |
4
4
4.5 |
10 |
14-φ11 |
|
wj90 |
90 |
104 |
140 |
172 |
100 |
130 |
110 |
33 |
8-M10 |
0° |
130
130
180 |
165
165
215 |
200
200
250 |
4
4
4.5 |
11 |
14-φ11 |
|
機型
號 |
中心
矩A |
輸入孔 |
輸出孔 |
外形尺寸 |
|
d1H7 |
b1 |
t1 |
d2H7 |
b2 |
t2 |
B1 |
B2 |
N |
N1 |
G |
F |
H |
L1 |
L2 |
|
Wj30 |
30 |
9
11 |
3
4 |
10.4
12.8 |
14 |
5 |
16.3 |
80 |
98 |
64 |
58 |
56 |
32 |
22
22 |
63
63 |
詳
見
Y
系
列
標
準
電
機 |
|
wj40 |
40 |
11
14 |
4
5 |
12.8
16.3 |
19 |
6 |
21.3 |
100 |
220 |
80 |
74 |
72 |
44 |
22
22 |
74
74 |
|
wj50 |
50 |
11
14
19 |
4
5
6 |
12.8
16.3
21.3 |
25 |
8 |
28.3 |
120 |
145 |
94 |
88 |
85 |
50 |
22
22
30 |
83
83
91 |
|
wj63 |
63 |
14
19
24 |
5
6
8 |
16.3
21.3
27.3 |
25 |
8 |
28.3 |
145 |
175 |
112 |
106 |
102 |
66 |
22
30
40 |
95
103
113 |
|
wj75 |
75 |
19
24
28 |
6
8
8 |
21.3
27.3
31.2 |
28 |
8 |
31.3 |
175 |
206 |
120 |
116 |
112 |
72 |
30
40
40 |
120
130
130 |
|
wj90 |
90 |
19
24
28 |
6
8
8 |
21.3
27.3
31.3 |
35 |
10 |
38.3 |
210 |
240 |
140 |
134 |
130 |
80 |
30
40
40 |
137
147
147 |
|