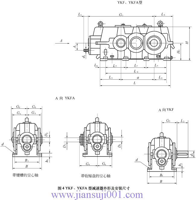
YKF、YKFA型減速器外形及安裝尺寸YB/T050-93

注:1、軸伸端配鍵按GB1095—79。
2、采用兩端都帶軸伸的輸出軸時另一端軸伸的尺寸為G2、L2、d2。
3、采用裝配方式Ⅲ~Ⅵ時,中間軸的軸伸尺寸請向廠方咨詢。
YKF、YKFA型減速器外形及安裝尺寸 (mm)
|
a |
L |
B |
h1 |
d1 |
L1 |
d1 |
L1 |
d2 |
L2 |
A1 |
L3 |
L5≈ |
|
iN=100~200 |
iN=224~500 |
|
272
305
340 |
600
665
745 |
290
320
355 |
32
32
40 |
16k6
19k6
22k6 |
30
30
35 |
14k6
16k6
19k6 |
30
30
35 |
75m6
85m6
95m6 |
120
140
160 |
63
70
80 |
163
175
197.5 |
188
209
238 |
|
385
430
480
545 |
840
930
1025
1160 |
390
450
500
570 |
40
50
50
63 |
24k6
28m6
32m6
32m6 |
40
50
60
60 |
22k6
24k6
28m6
28m6 |
35
40
50
50 |
100m6
110n6
130n6
140n6 |
180
180
210
240 |
90
100
112
125 |
222.5
245
260
300 |
263
293
325
364 |
|
|
|
|
|
iN=90~160 |
iN=180~500 |
|
|
|
|
|
|
610
680
770 |
1280
1420
1610 |
600
690
750 |
63
80
80 |
38m6
42m6
48m6 |
60
70
80 |
28m6
32m6
38m6 |
50
60
60 |
170n6
180n6
210n6 |
270
310
350 |
140
160
180 |
320
355
400 |
398
445
505 |
|
|
|
|
|
iN=90~280 |
iN=315~500 |
|
|
|
|
|
|
860
960
1080
1210
1360 |
1790
2010
2260
2540
2850 |
830
910
1030
1160
1320 |
100
100
125
125
160 |
55m6
60m6
65m6
75m6
90m6 |
90
105
105
120
160 |
42m6
42m6
48m6
60m6
65m6 |
70
70
80
105
105 |
240n6
270n6
300n6
340n6
390n6 |
400
450
500
550
650 |
200
225
250
280
320 |
450
515
575
655
735 |
557
624
694
780
868 |
|
a |
G1 |
G2 |
H0 |
H≈ |
L6 |
L7 |
B1 |
L8 |
L9 |
地腳螺栓 |
平均重量/kg |
參考油量/L |
|
d |
數量 |
|
272
305
340 |
507
565
622 |
140
155
170 |
180
200
225 |
375
415
462 |
510
570
630 |
170
190
210 |
245
275
300 |
45
47.5
57.5 |
120
137.5
150 |
M16
M16
M20 |
8
8
8 |
160
225
320 |
12
16
22 |
|
385
430
480
545 |
700
778
862
970 |
190
215
240
270 |
250
280
315
355 |
511
570
644
719 |
705
810
855
960 |
235
270
285
320 |
335
380
430
490 |
67.5
60
85
100 |
165
195
200
215 |
M20
M24
M24
M30 |
8
8
8
8 |
430
580
820
1150 |
32
45
63
90 |
|
610
680
770 |
1070
1195
1330 |
290
320
360 |
400
450
500 |
806
906
1006 |
1080
1200
1350 |
360
400
450 |
520
590
650 |
100
110
130 |
250
275
310 |
M30
M36
M36 |
8
8
8 |
1500
2150
2900 |
140
190
265 |
|
860
960
1080
1210
1360 |
1480
1680
1895
2120
2370 |
400
440
500
560
645 |
560
630
710
800
900 |
1121
1261
1406
1581
1783 |
1500
1680
1890
2130
2400 |
500
560
630
710
800 |
710
790
890
1000
1140 |
145
165
185
205
225 |
335
370
420
470
530 |
M42
M42
M48
M48
M56 |
8
8
8
8
8 |
4200
5600
7700
10500
14500 |
370
560
570
900
1270 |