| ZLYA、ZLZA型塑料擠出機減速器(ZBJ19004-88)在線購買 |
|
| 本產品詳細參數 |
 |
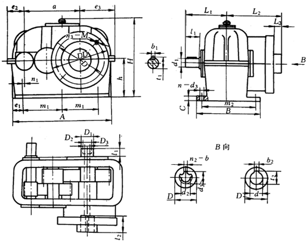
ZLYA125、ZLZA125、ZLYA160、ZLZA160、ZLYA200、ZLZA200、ZLYA224、ZLZA224、ZLYA250、ZLZA250、型塑料擠出機減速機外形及安裝尺寸(ZBJ19004-88) |
 |
| |
詳細介紹: |
發布時間:2006/6/24 11:08:58 |
|
| |
ZLYA型塑料擠出機減速器外形及安裝尺寸

ZLYA、ZLZA減速器外形尺寸 (mm)
|
規格 |
A |
B |
H |
a |
i=6~11.2 |
i=12.5~22.4 |
DD |
DD1 |
n3 |
M |
D1 |
D2
(H7) |
D3 |
L4 |
|
d1
(m6) |
l1 |
L1 |
b1 |
t1 |
d1
(m6) |
l1 |
L1 |
b1 |
t1 |
|
125 |
425 |
235 |
309 |
215 |
28 |
42 |
157 |
8 |
81 |
24 |
36 |
151 |
8 |
27 |
240 |
210 |
8 |
M10 |
45 |
30 |
20 |
10 |
|
160 |
540 |
290 |
395 |
272 |
38 |
58 |
198 |
10 |
41 |
32 |
58 |
195 |
10 |
35 |
300 |
265 |
8 |
M16 |
60 |
40 |
30 |
10 |
|
200 |
665 |
355 |
489 |
340 |
48 |
82 |
247 |
14 |
51.5 |
38 |
58 |
223 |
10 |
41 |
350 |
300 |
8 |
M20 |
70 |
50 |
30 |
15 |
|
224 |
755 |
390 |
515 |
384 |
48 |
82 |
267 |
14 |
51.5 |
42 |
82 |
267 |
12 |
45 |
390 |
320 |
8 |
M24 |
90 |
60 |
35 |
20 |
|
250 |
830 |
450 |
594 |
430 |
60 |
105 |
315 |
18 |
64 |
48 |
82 |
292 |
14 |
51.5 |
450 |
380 |
8 |
M30 |
100 |
70 |
40 |
20 |
|
規格 |
C |
m1 |
m2 |
n1 |
e1 |
e2 |
e3 |
h |
n |
d3 |
D
(f8) |
δ2 |
L2 |
d
(H7) |
b2 |
t2 |
d2① |
d5① |
n2① |
b① |
L3① |
重量
/kg |
|
125 |
25 |
180 |
200 |
45 |
32.5 |
98 |
153 |
140 |
6 |
15 |
90 |
80 |
233.5 |
50 |
14 |
53.8 |
|
|
|
|
|
105 |
|
160 |
32 |
225 |
245 |
58 |
45 |
126 |
188 |
180 |
6 |
18.5 |
100 |
80 |
256.5 |
50 |
14 |
53.8 |
|
|
|
|
|
200 |
|
200 |
40 |
280 |
300 |
65 |
52.5 |
148 |
238 |
225 |
6 |
24 |
130 |
110 |
325 |
70 |
20 |
74.9 |
|
|
|
|
|
330 |
|
224 |
40 |
310 |
335 |
70 |
67.5 |
168 |
263 |
250 |
6 |
26 |
140 |
120 |
373.5 |
70 |
20 |
74.9 |
|
|
|
|
|
470 |
|
250 |
50 |
350 |
380 |
80 |
65 |
184 |
293 |
280 |
6 |
28 |
160 |
150 |
440 |
80 |
22 |
85.4 |
|
|
|
|
|
670 |
①由用戶提供。 |
|
|
|