 |
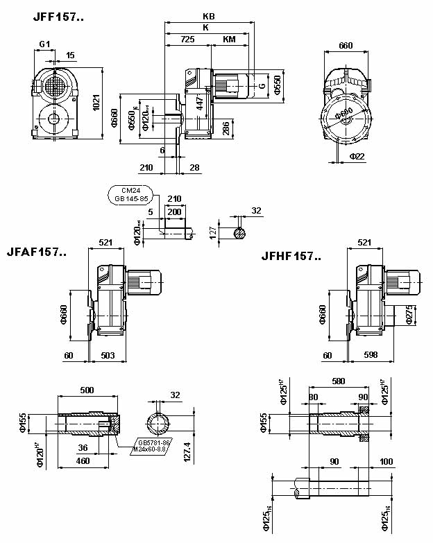
JF系列減速機外形安裝尺寸(JF157、JFA157B、JFH157B、JFV157B、JFF157、JFAF157B、JFHF157B、JFVF157B、JF..157/G、JFA157、JFH157、JFV157、JFAZ157、JFHZ157、JHVZ157)(GB10095-88) |
 |
| |
詳細介紹: |
發布時間:2006/6/7 10:23:24 |
|
| |
外形安裝尺寸(JF157、JFA157B、JFH157B、JFV157B、JFF157、JFAF157B、JFHF157B、JFVF157B、JF..157/G、JFA157、JFH157、JFV157、JFAZ157、JFHZ157、JHVZ157)

|
|
Y2132L |
Y2160M |
Y2160L |
Y2180M |
Y2180L |
Y2200L |
Y2225S |
Y2225M |
Y2250M |
Y2280S |
Y2280M |
Y2315S |
Y2315M(L) |
|
G(AC) |
275 |
330 |
330 |
380 |
380 |
420 |
470 |
470 |
510 |
580 |
580 |
645 |
645 |
|
G1(AD) |
210 |
255 |
255 |
280 |
280 |
305 |
335 |
335 |
370 |
410 |
410 |
530 |
530 |
|
K |
1130 |
1167 |
1222 |
1252 |
1292 |
1322 |
1337 |
1367 |
1432 |
1507 |
1557 |
1792 |
1822 |
|
KB |
1227 |
1282 |
1337 |
1377 |
1417 |
1447 |
1467 |
1497 |
1582 |
1657 |
1707 |
1972 |
2002 |
|
KM(LB) |
470 |
505 |
560 |
590 |
630 |
660 |
675 |
705 |
770 |
845 |
895 |
1130 |
1160 |
注:KB為帶制動器的長度

|
|
Y2132L |
Y2160M |
Y2160L |
Y2180M |
Y2180L |
Y2200L |
Y2225S |
Y2225M |
Y2250M |
Y2280S |
Y2280M |
Y2315S |
Y2315M(L) |
|
G(AC) |
275 |
330 |
330 |
380 |
380 |
420 |
470 |
470 |
510 |
580 |
580 |
645 |
645 |
|
G1(AD) |
210 |
255 |
255 |
280 |
280 |
305 |
335 |
335 |
370 |
410 |
410 |
530 |
530 |
|
K |
1190 |
1230 |
1285 |
1315 |
1355 |
1385 |
1400 |
1430 |
1495 |
1570 |
1620 |
1855 |
1885 |
|
KB |
1290 |
1345 |
1400 |
1440 |
1480 |
1510 |
1530 |
1560 |
1645 |
1720 |
1770 |
2035 |
2065 |
|
KM(LB) |
470 |
505 |
560 |
590 |
630 |
660 |
675 |
705 |
770 |
845 |
895 |
1130 |
1160 |
注:KB為帶制動器的長度

|
|
Y2132L |
Y2160M |
Y2160L |
Y2180M |
Y2180L |
Y2200L |
Y2225S |
Y2225M |
Y2250M |
Y2280S |
Y2280M |
Y2315S |
Y2315M(L) |
|
G(AC) |
275 |
330 |
330 |
380 |
380 |
420 |
470 |
470 |
510 |
580 |
580 |
645 |
645 |
|
G1(AD) |
210 |
255 |
255 |
280 |
280 |
305 |
335 |
335 |
370 |
410 |
410 |
530 |
530 |
|
K |
925 |
960 |
1015 |
1045 |
1085 |
1115 |
1130 |
1160 |
1225 |
1300 |
1350 |
1585 |
1615 |
|
KB |
1020 |
1075 |
1130 |
1170 |
1210 |
1240 |
1260 |
1290 |
1375 |
1450 |
1500 |
1765 |
1795 |
|
KM(LB) |
470 |
505 |
560 |
590 |
630 |
660 |
675 |
705 |
770 |
845 |
895 |
1130 |
1160 |
注:KB為帶制動器的長度

|
|
Y2132L |
Y2160M |
Y2160L |
Y2180M |
Y2180L |
Y2200L |
Y2225S |
Y2225M |
Y2250M |
Y2280S |
Y2280M |
Y2315S |
Y2315M(L) |
|
G(AC) |
275 |
330 |
330 |
380 |
380 |
420 |
470 |
470 |
510 |
580 |
580 |
645 |
645 |
|
G1(AD) |
210 |
255 |
255 |
280 |
280 |
305 |
335 |
335 |
370 |
410 |
410 |
530 |
530 |
|
K |
925 |
960 |
1015 |
1045 |
1085 |
1115 |
1130 |
1160 |
1225 |
1300 |
1350 |
1585 |
1615 |
|
KB |
1020 |
1075 |
1130 |
1170 |
1210 |
1240 |
1260 |
1290 |
1375 |
1450 |
1500 |
1765 |
1795 |
|
KM(LB) |
470 |
505 |
560 |
590 |
630 |
660 |
675 |
705 |
770 |
845 |
895 |
1130 |
1160 |
注:KB為帶制動器的長度 |
|
|