 |
JRTK斜齒輪——傘齒輪減速機電機安裝尺寸(JRTK..AD..) |
 |
| |
詳細介紹: |
發布時間:2007/12/1 11:20:58 |
|
| |

|
|
|
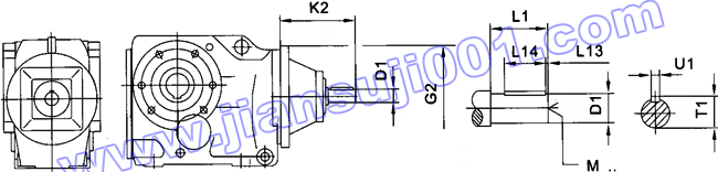
G2 |
K2 |
D1 |
L1 |
L13 |
L14 |
T1 |
U1 |
M |
|
JRTK..37 |
AD1 |
120 |
102 |
16 |
40 |
4 |
32 |
18 |
5 |
M5 |
|
AD2 |
130 |
19 |
40 |
4 |
32 |
21.5 |
6 |
M6 |
|
JRTK..47
JRTK..57
JRTK..67 |
AD2 |
160 |
123 |
19 |
40 |
4 |
32 |
21.5 |
6 |
M6 |
|
AD3 |
159 |
24 |
50 |
5 |
40 |
27 |
8 |
M8 |
|
JRTK..77 |
AD2 |
200 |
116 |
19 |
40 |
4 |
32 |
21.5 |
6 |
M6 |
|
AD3 |
151 |
24 |
50 |
5 |
40 |
27 |
8 |
M8 |
|
AD4 |
224 |
38 |
80 |
5 |
70 |
41 |
10 |
M12 |
|
JRTK..87 |
AD2 |
250 |
111 |
19 |
40 |
4 |
32 |
21.5 |
6 |
M6 |
|
AD3 |
156 |
28 |
60 |
5 |
50 |
31 |
8 |
M10 |
|
AD4 |
219 |
38 |
80 |
5 |
70 |
41 |
10 |
M12 |
|
AD5 |
292 |
42 |
110 |
10 |
70 |
45 |
12 |
M16 |
|
JRTK..97 |
AD3 |
300 |
151 |
28 |
60 |
5 |
50 |
31 |
8 |
M10 |
|
AD4 |
214 |
38 |
80 |
5 |
70 |
41 |
10 |
M12 |
|
AD5 |
287 |
42 |
110 |
10 |
70 |
45 |
12 |
M16 |
|
AD6 |
327 |
48 |
110 |
10 |
80 |
51.5 |
14 |
M16 |
|
JRTK..107 |
AD3 |
350 |
151 |
28 |
60 |
5 |
50 |
31 |
8 |
M10 |
|
AD4 |
214 |
38 |
80 |
5 |
70 |
41 |
10 |
M12 |
|
AD5 |
287 |
42 |
110 |
10 |
70 |
45 |
12 |
M16 |
|
AD6 |
327 |
48 |
110 |
10 |
80 |
51.5 |
14 |
M16 |
|
JRTK..127 |
AD4 |
450 |
193 |
38 |
80 |
5 |
70 |
41 |
10 |
M12 |
|
AD5 |
266 |
42 |
110 |
10 |
70 |
45 |
12 |
M16 |
|
AD6 |
306 |
48 |
110 |
10 |
80 |
51.5 |
14 |
M16 |
|
AD7 |
300 |
55 |
110 |
10 |
90 |
59 |
16 |
M20 |
|
AD8 |
383 |
70 |
140 |
15 |
110 |
74.5 |
20 |
M20 |
|
JRTK..157
JRTK..167
JRTK..187 |
AD5 |
550 |
258 |
42 |
110 |
10 |
70 |
45 |
12 |
M16 |
|
AD6 |
298 |
48 |
110 |
10 |
80 |
51.5 |
14 |
M16 |
|
AD7 |
295 |
56 |
110 |
10 |
90 |
59 |
16 |
M20 |
|
AD8 |
374 |
70 |
140 |
15 |
110 |
74.5 |
20 |
M20 | |
|
|