 |
KC系列斜齒-螺旋錐齒減速機外形尺寸 |
 |
| |
詳細介紹: |
發布時間:2007/4/12 14:53:19 |
|
| |

|
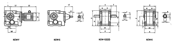
機型號 |
中心高 |
外型尺寸 |
軸輸入尺寸 |
軸輸出尺寸 |
孔輸出尺寸 |
安裝尺寸 |
|
A |
P |
h1 |
L |
L1 |
G |
O |
L3 |
D1 |
L2 |
E1 |
d1 |
t1 |
r1 |
E |
d |
t |
r |
D |
T |
R |
ao |
bo |
bc |
po |
p1 |
s |
|
KCW-37 |
100 |
120 |
164 |
8.5 |
63 |
139 |
58 |
120 |
詳
見
電
機
一
覽
表 |
115 |
40 |
16 |
18 |
5 |
50 |
25 |
33 |
8 |
30 |
33.3 |
8 |
100 |
110 |
28 |
115 |
32 |
11 |
|
KCW-47 |
112 |
145 |
186 |
7.2 |
7.1 |
166 |
73 |
150 |
115 |
40 |
19 |
21.5 |
6 |
60 |
30 |
38 |
10 |
35 |
38.3 |
10 |
120 |
130 |
35 |
130 |
37 |
11 |
|
KCW-67 |
140 |
170 |
228 |
20 |
90 |
179 |
88 |
180 |
120 |
40 |
19 |
21.5 |
6 |
80 |
40 |
43 |
12 |
40 |
43.3 |
12 |
140 |
120 |
30 |
160 |
45 |
13.5 |
|
KCW-77 |
180 |
200 |
288 |
31.3 |
112 |
202 |
103 |
210 |
140 |
50 |
24 |
27 |
8 |
100 |
50 |
53.5 |
14 |
50 |
53.8 |
14 |
165 |
150 |
40 |
200 |
55 |
17.5 |
|
KCW-87 |
212 |
230 |
340 |
25.9 |
132 |
257 |
118 |
240 |
180 |
60 |
28 |
31 |
8 |
120 |
60 |
64 |
18 |
60 |
64.4 |
18 |
180 |
180 |
55 |
233 |
70 |
22 |
|
KCW-97 |
265 |
290 |
417 |
32.2 |
160 |
276 |
148 |
300 |
220 |
80 |
38 |
41 |
10 |
140 |
70 |
74.5 |
20 |
70 |
74.9 |
20 |
240 |
240 |
75 |
295 |
83 |
26 |
|
KCW-107 |
315 |
340 |
503 |
52 |
200 |
341 |
173 |
350 |
270 |
110 |
42 |
45 |
12 |
170 |
90 |
95 |
25 |
90 |
95.4 |
25 |
270 |
280 |
95 |
360 |
95 |
33 |
|
KCW-127 |
375 |
400 |
592 |
53 |
225 |
390 |
203 |
410 |
297 |
110 |
55 |
59 |
16 |
210 |
100 |
106 |
28 |
110 |
106 |
28 |
330 |
350 |
115 |
420 |
110 |
39 |
|
KCW-157 |
450 |
500 |
705 |
78 |
280 |
426 |
217 |
500 |
374 |
140 |
70 |
74.5 |
20 |
210 |
120 |
127 |
32 |
120 |
127 |
32 |
420 |
380 |
140 |
500 |
135 |
39 |

|
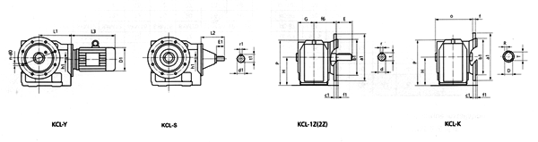
機型號 |
中心高 |
外型尺寸 |
軸輸入尺寸 |
軸輸出尺寸 |
孔輸出尺寸 |
安裝尺寸 |
|
H |
O |
P |
h1 |
C1 |
L1 |
G |
f6 |
L3 |
D1 |
L2 |
E1 |
d1 |
t1 |
r1 |
E |
d |
t |
r |
D |
T |
R |
f |
b1 |
a1 |
f1 |
e |
n-do |
|
KCL-37 |
100 |
120 |
164 |
8.5 |
10 |
139 |
58 |
84 |
詳
見
電
機
一
表 |
115 |
40 |
16 |
18 |
5 |
50 |
25 |
33 |
8 |
30 |
33.3 |
8 |
24 |
110 |
160 |
3.5 |
130 |
4-φ9 |
|
KCL-47 |
112 |
150 |
186 |
7.2 |
12 |
166 |
73 |
100 |
115 |
40 |
19 |
21.5 |
6 |
60 |
30 |
38 |
10 |
35 |
38.3 |
10 |
25 |
130 |
200 |
3.5 |
165 |
4-φ11 |
|
KCL-67 |
140 |
180 |
228 |
20 |
15 |
179 |
88 |
113 |
120 |
40 |
19 |
21.5 |
6 |
80 |
40 |
43 |
12 |
40 |
43.3 |
12 |
23 |
120 |
250 |
4 |
215 |
4-φ14 |
|
KCL-77 |
180 |
210 |
288 |
31.3 |
16 |
202 |
103 |
142 |
140 |
50 |
24 |
27 |
8 |
100 |
50 |
53.5 |
14 |
50 |
53.8 |
14 |
37 |
150 |
300 |
4 |
265 |
4-φ14 |
|
KCL-87 |
212 |
240 |
340 |
25.9 |
18 |
257 |
118 |
150 |
180 |
60 |
28 |
31 |
8 |
120 |
60 |
64 |
18 |
66 |
64.4 |
18 |
30 |
180 |
350 |
5 |
300 |
4-φ18 |
|
KCL-97 |
265 |
300 |
417 |
32.2 |
22 |
276 |
148 |
191 |
220 |
80 |
38 |
41 |
10 |
140 |
70 |
74.5 |
20 |
70 |
74.9 |
20 |
41 |
240 |
450 |
5 |
400 |
8-φ18 |
|
KCL-107 |
315 |
350 |
503 |
52 |
22 |
341 |
173 |
215 |
270 |
110 |
42 |
45 |
12 |
170 |
90 |
95 |
25 |
90 |
95.4 |
25 |
41 |
280 |
450 |
5 |
400 |
8-φ18 |
|
KCL-127 |
375 |
410 |
592 |
53 |
25 |
390 |
203 |
256 |
297 |
110 |
55 |
59 |
16 |
210 |
100 |
106 |
28 |
100 |
106 |
28 |
51 |
350 |
550 |
5 |
500 |
8-φ18 |
|
KCL-157 |
450 |
500 |
705 |
78 |
28 |
426 |
217 |
310 |
374 |
140 |
70 |
74.5 |
20 |
210 |
120 |
127 |
32 |
120 |
127 |
32 |
62 |
380 |
600 |
6 |
600 |
8-φ22 |
|
|
|
|
|
|
|
|
|
|
|
|
|
|
|
|
|
|
|
|
|
|
|
|
|
|
|
|
|
KC系列立式(LX小法蘭式)安裝尺寸
|
尺寸 |
機型 |
|
KC-37 |
KC-47 |
KC-67 |
KC-77 |
KC-87 |
KC-97 |
KC-107 |
KC-127 |
KC-157 |
|
N(h7) |
80 |
80 |
105 |
125 |
155 |
180 |
210 |
250 |
290 |
|
M |
94 |
102 |
125 |
142 |
147 |
220 |
260 |
300 |
340 |
|
P |
110 |
120 |
155 |
170 |
215 |
260 |
304 |
350 |
400 |
|
S1 |
9 |
9 |
13.5 |
13.5 |
18 |
18 |
22 |
22 |
26 |
|
n×m |
5×M8 |
8×M8 |
6×M12 |
8×M12 |
6×M16 |
8×M16 |
8×M20 |
11×M20 |
10×M24 |
|
A1 |
9 |
9 |
9 |
12 |
13 |
16 |
20 |
26 |
26 |
|
C1 |
11 |
11 |
12 |
14 |
15 |
18 |
22 |
28 |
58 |
|
f1 |
3 |
3 |
3.5 |
3.5 |
4 |
4 |
4 |
5 |
5 |
|
Is |
14 |
14 |
20 |
20 |
26 |
26 |
32 |
32 |
40 |

|
尺寸 |
機型 |
|
a4 |
β |
C8 |
A1 |
P |
R |
Ho |
d1 |
L1 |
L2 |
|
KC-37 |
23.5 |
60 |
10 |
20 |
140 |
22.5 |
100 |
10.4 |
36 |
31 |
|
KC-47 |
30 |
55 |
12 |
20 |
160 |
22.5 |
112 |
10.4 |
36 |
31 |
|
KC-67 |
45 |
55 |
13 |
25 |
200 |
29 |
14 |
16.4 |
60 |
54 |
|
KC-77 |
52.5 |
60 |
14 |
25 |
250 |
29 |
180 |
16.4 |
60 |
54 |
|
KC-87 |
60 |
60 |
16 |
30 |
300 |
41 |
212 |
25 |
80 |
72 |
|
KC-97 |
70 |
50 |
17 |
40 |
350 |
41 |
265 |
25 |
100 |
92 |
|
KC-107 |
74 |
55 |
20 |
45 |
450 |
41 |
315 |
25 |
100 |
92 |
|
KC-127 |
60 |
65 |
45 |
7 |
550 |
70 |
375 |
40 |
126 |
110 |
|
KC-157 |
50 |
70 |
45 |
2 |
700 |
70 |
450 |
40 |
126 |
110 | |
|
|