 |
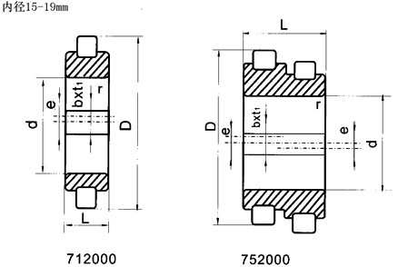
整體單(雙)偏心轉臂軸承外形尺寸(內徑15-19mm) |
 |
|
詳細介紹: |
發布時間:2007/8/21 9:09:59 |
|
|

主要尺寸
(mm) |
軸承
型號 |
額定負荷
(N)
靜動 |
極限轉速
(rpm)
脂潤滑 油潤滑 |
鍵槽
b t1 |
重量
(kg)
(參考) |
d |
D |
L |
r |
e |
15 |
40 |
28 |
0.7 |
2.0 |
200752202 |
31300 |
34500 |
12000 |
16000 |
5 |
2.3 |
0.17 |
40 |
28 |
0.7 |
2.5 |
250752202 |
31300 |
34500 |
12000 |
16000 |
5 |
2.3 |
0.17 |
40 |
28 |
0.7 |
3.0 |
300752202 |
31300 |
34500 |
12000 |
16000 |
5 |
2.3 |
0.17 |
45 |
30 |
0.7 |
0.65 |
70752205k |
40100 |
48000 |
11000 |
14000 |
5 |
2.3 |
0.25 |
45 |
30 |
0.7 |
0.75 |
80752200k |
40100 |
48000 |
11000 |
14000 |
5 |
2.3 |
0.25 |
45 |
30 |
0.7 |
1.0 |
100752202k |
40100 |
48000 |
11000 |
14000 |
5 |
2.3 |
0.25 |
45 |
30 |
0.7 |
1.25 |
130752202k |
40100 |
48000 |
11000 |
14000 |
5 |
2.3 |
0.25 |
45 |
30 |
0.7 |
1.5 |
150752202k |
40100 |
48000 |
11000 |
14000 |
5 |
2.3 |
0.25 |
45 |
30 |
0.7 |
2.0 |
200752202k |
40100 |
48000 |
11000 |
14000 |
5 |
2.3 |
0.25 |
45 |
30 |
0.7 |
2.5 |
250752202k |
40100 |
48000 |
11000 |
14000 |
5 |
2.3 |
0.25 |
45 |
30 |
0.7 |
3.0 |
300752202k |
40100 |
48000 |
11000 |
14000 |
5 |
2.3 |
0.25 |
19 |
53.3 |
32 |
1.0 |
0.65 |
70752904k2 |
48800 |
61300 |
8500 |
11000 |
6 |
2.8 |
0.38 |
53.3 |
32 |
1.0 |
0.75 |
80752904k2 |
48800 |
61300 |
8500 |
11000 |
6 |
2.8 |
0.38 |
53.3 |
32 |
1.0 |
1.0 |
100752904k2 |
48800 |
61300 |
8500 |
11000 |
6 |
2.8 |
0.38 |
53.3 |
32 |
1.0 |
1.25 |
130752904k2 |
48800 |
61300 |
8500 |
11000 |
6 |
2.8 |
0.38 |
53.3 |
32 |
1.0 |
1.5 |
150752904k2 |
48800 |
61300 |
8500 |
11000 |
6 |
2.8 |
0.38 |
53.3 |
32 |
1.0 |
2.0 |
200752904k2 |
48800 |
61300 |
8500 |
11000 |
6 |
2.8 |
0.38 |
53.3 |
32 |
1.0 |
2.5 |
250752904k2 |
48800 |
61300 |
8500 |
11000 |
6 |
2.8 |
0.38 |
53.3 |
32 |
1.0 |
3.0 |
300752904k2 |
48800 |
61300 |
8500 |
11000 |
6 |
2.8 |
0.38 |
53.3 |
32 |
1.0 |
4.0 |
400752904k2 |
48800 |
61300 |
8500 |
11000 |
6 |
2.8 |
0.51 |
61.8 |
34 |
1.1 |
0.75 |
80752904y1 |
66300 |
81800 |
7500 |
9500 |
6 |
2.8 |
0.51 |
61.8 |
34 |
1.1 |
1.0 |
100752904y1 |
66300 |
81800 |
7500 |
9500 |
6 |
2.8 |
0.51 |
61.8 |
34 |
1.1 |
1.25 |
130752904y1 |
66300 |
81800 |
7500 |
9500 |
6 |
2.8 |
0.51 |
61.8 |
34 |
1.1 |
1.5 |
150752904y1 |
66300 |
81800 |
7500 |
9500 |
6 |
2.8 |
0.51 |
61.8 |
34 |
1.1 |
2.0 |
200752904y1 |
66300 |
81800 |
7500 |
9500 |
6 |
2.8 |
0.51 |
61.8 |
34 |
1.1 |
3.0 |
300752904y1 |
66300 |
81800 |
7500 |
9500 |
6 |
2.8 |
0.51 |
70 |
36 |
1.1 |
0.75 |
80752904yk1 |
7800 |
98300 |
7000 |
9500 |
6 |
2.8 |
0.82 |
70 |
36 |
1.1 |
1.0 |
100752904k1 |
7800 |
98300 |
7000 |
9500 |
6 |
2.8 |
0.82 |
70 |
36 |
1.1 |
1.25 |
130752904k1 |
7800 |
98300 |
7000 |
9500 |
6 |
2.8 |
0.82 | |
|
|