 |
DISCO無段變速機配置可樂利減速機(CORONET)(雙軸型) |
 |
|
詳細介紹: |
發布時間:2008/4/21 19:49:44 |
|
|
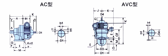
配置可樂利減速機(CORONET)(雙軸型)
型 式 |
L |
K |
高 速 軸 |
D1 |
l1 |
b1 |
h1 |
t1 |
02AC-A195 02AVC-A195 |
306 |
77 |
14 |
25 |
5 |
5 |
3 |
05AC-A195 05AVC-A195 |
320 |
80 |
14 |
30 |
5 |
5 |
3 |
05AC-B105 05AVC-B105 |
334 |
80 |
14 |
30 |
5 |
5 |
3 |
1AC-B105 1AVC-B105 |
378 |
110 |
19 |
40 |
6 |
6 |
3.5 |
1AC-C115 1AVC-C115 |
408 |
110 |
19 |
40 |
6 |
6 |
3.5 |
2AC-C115 2AVC-C115 |
447 |
126 |
24 |
50 |
8 |
7 |
4 |
2AC-D135 2AVC-D135 |
501 |
157 |
24 |
50 |
8 |
7 |
4 |
3AC-D135 3AVC-D135 |
576 |
157 |
28 |
60 |
8 |
7 |
4 |
3AC-E165 3AVC-E165 |
624 |
157 |
28 |
60 |
8 |
7 |
4 |
5AC-D135 5AVC-D135 |
556 |
157 |
28 |
60 |
8 |
7 |
4 |
5AC-E165 5AVC-E165 |
624 |
157 |
28 |
60 |
8 |
7 |
4 |
5AC-E375 5AVC-E375 |
668 |
157 |
28 |
60 |
8 |
7 |
4 | |
|
|