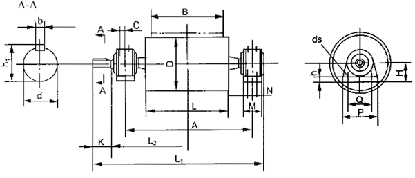
主要安裝尺寸表
TMF新型輸送機械驅動系統主要安裝尺寸

B |
D |
A |
L |
L2 |
M |
N |
Q |
P |
H |
h |
L1 |
k |
h1 |
d |
b |
ds |
許用扭矩(公斤厘米) |
光面
滾筒 |
膠面
滾筒 |
500 |
500 |
850 |
600 |
505.5 |
70 |
- |
280 |
340 |
100 |
33 |
與TMG懸掛式齒輪減速機裝配 |
φ27 |
16300 |
25000 |
650 |
500 |
1000 |
750 |
588.5 |
90 |
- |
350 |
410 |
120 |
33 |
φ27 |
21200 |
32600 |
630 |
29600 |
45400 |
800 |
500 |
1300 |
950 |
738.5 |
90 |
- |
350 |
410 |
120 |
33 |
φ27 |
26200 |
40100 |
630 |
771 |
130 |
80 |
380 |
460 |
140 |
33 |
36700 |
56100 |
800 |
55900 |
85500 |
1000 |
630 |
1500 |
1150 |
871 |
130 |
80 |
380 |
460 |
140 |
33 |
φ27 |
45700 |
70100 |
800 |
900 |
160 |
90 |
440 |
530 |
160 |
53 |
φ30 |
69600 |
106800 |
1000 |
930 |
170 |
100 |
480 |
570 |
180 |
53 |
- |
177500 |
1200 |
630 |
1750 |
1400 |
1025 |
160 |
90 |
440 |
530 |
160 |
53 |
φ34 |
54900 |
84000 |
800 |
83700 |
128100 |
1000 |
1055 |
170 |
100 |
480 |
570 |
180 |
53 |
- |
21300 |
1250 |
1065 |
160 |
110 |
540 |
630 |
200 |
63 |
- |
300000 |
1400 |
800 |
2000 |
1600 |
1150 |
160 |
90 |
440 |
530 |
160 |
53 |
φ34 |
97600 |
149200 |
1000 |
1190 |
180 |
110 |
540 |
630 |
200 |
63 |
- |
249250 |
1250 |
- |
350000 |
1400 |
1200 |
200 |
120 |
590 |
680 |
220 |
63 |
φ40 |
- |
470000 |
注:①滾筒為鋼板焊接結構,分光面和膠面。膠面又分鑄膠和包膠兩種。
②許用扭矩:光面按μ=0.2,α=180°;膠面按μ=0.4,α=180°考慮。
③TMG懸掛式齒輪減速機外型安裝尺寸見該產品樣本部分說明。